Скачать Типовой проект 708-18.85 Альбом 8. Сборные железобетонные элементы и металлические изделияДата актуализации: 01.01.2021
|
| Обозначение: | Типовой проект 708-18.85 |
| Обозначение англ: | 708-18.85 |
| Статус: | действует |
| Название рус.: | Альбом 8. Сборные железобетонные элементы и металлические изделия |
| Дата добавления в базу: | 01.09.2013 |
| Дата актуализации: | 01.01.2021 |
| Дата введения: | 03.12.1984 |
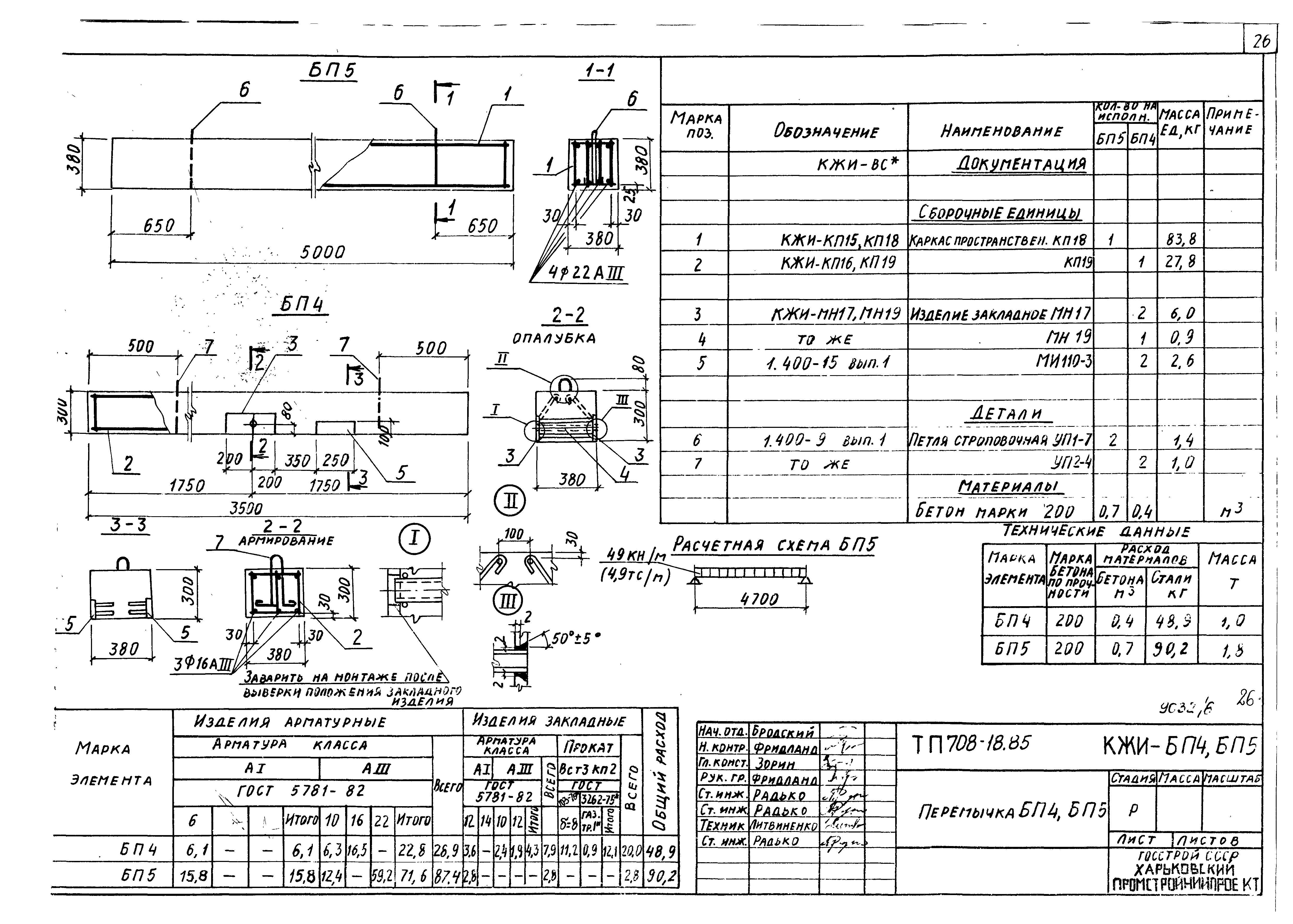
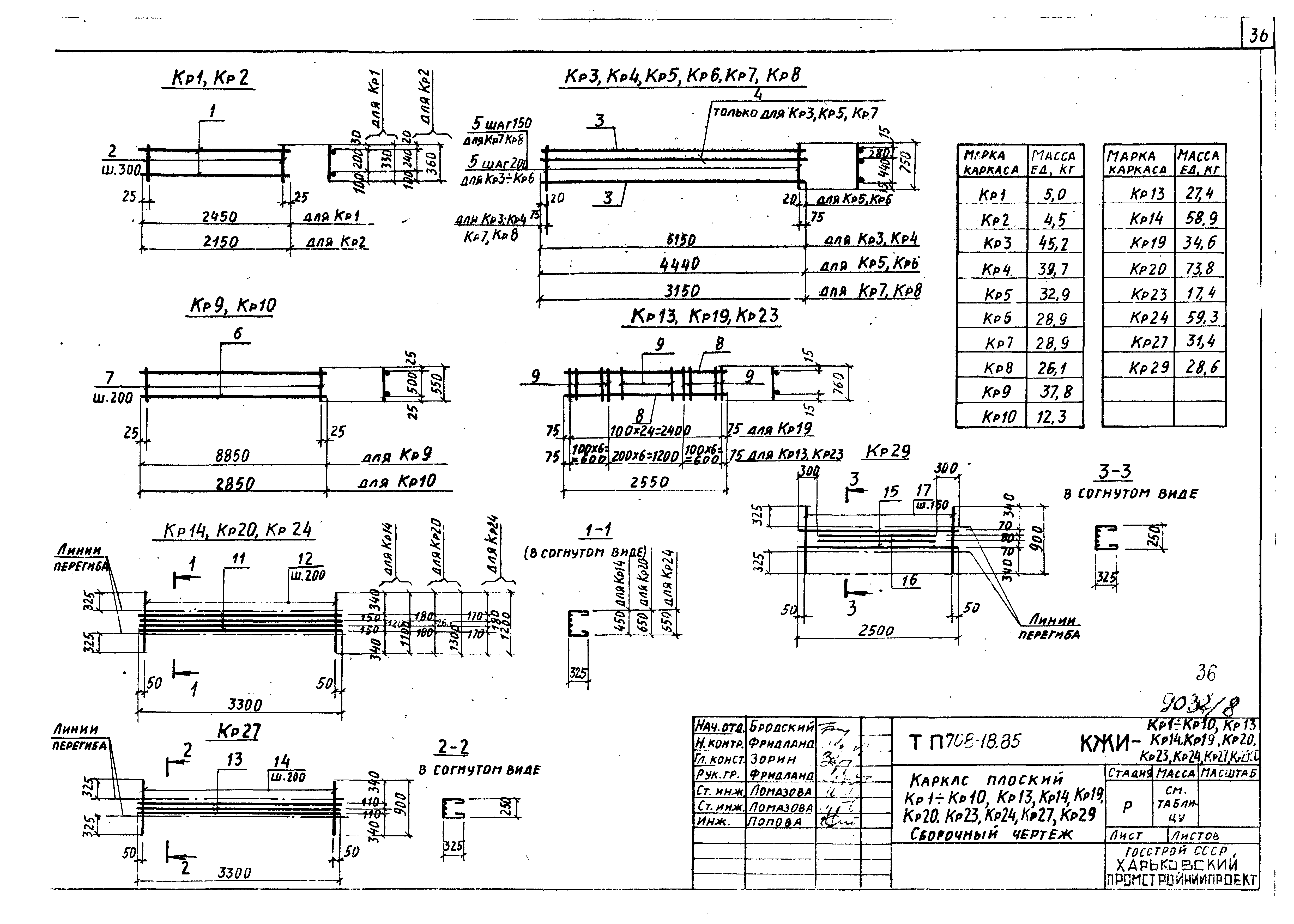
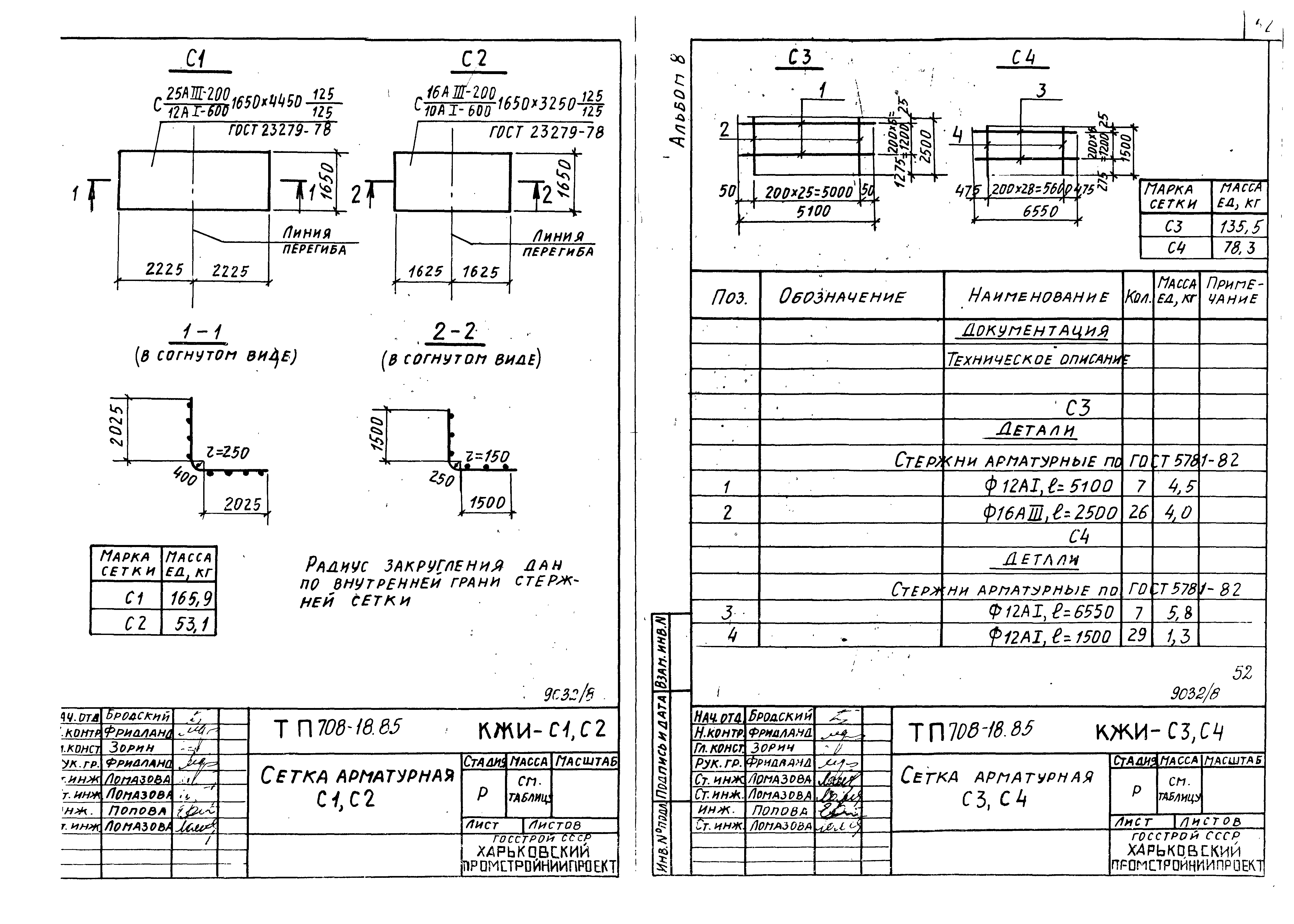
| Оглавление: | Ведомость чертежей Техническое описание Панели Ведомость расхода стали на элемент Панели Перемычки Ведомость расхода стали на элемент Плиты Колонны Подушки опорные Фундаментная балка Перемычки Каркасы пространственные Каркасы плоские Сетки арматурные Изделия закладные Изделия соединительные Ограждение кровли Решетка ходовая Ограждения площадки Каркас плоский Сетка арматурная |
| Разработан: | Харьковский Промстройниипроект |
| Утверждён: | 07.01.1983 Госстрой СССР (Государственный комитет Совета Министров СССР по делам строительства) (USSR Gosstroy ВА-2) |











































































