Скачать Типовой проект 708-18.85 Альбом 10. Силовое электрооборудование. Электрическое освещение. ВоздухоснабжениеДата актуализации: 01.01.2021
|
| Обозначение: | Типовой проект 708-18.85 |
| Обозначение англ: | 708-18.85 |
| Статус: | действует |
| Название рус.: | Альбом 10. Силовое электрооборудование. Электрическое освещение. Воздухоснабжение |
| Дата добавления в базу: | 01.09.2013 |
| Дата актуализации: | 01.01.2021 |
| Дата введения: | 03.12.1984 |
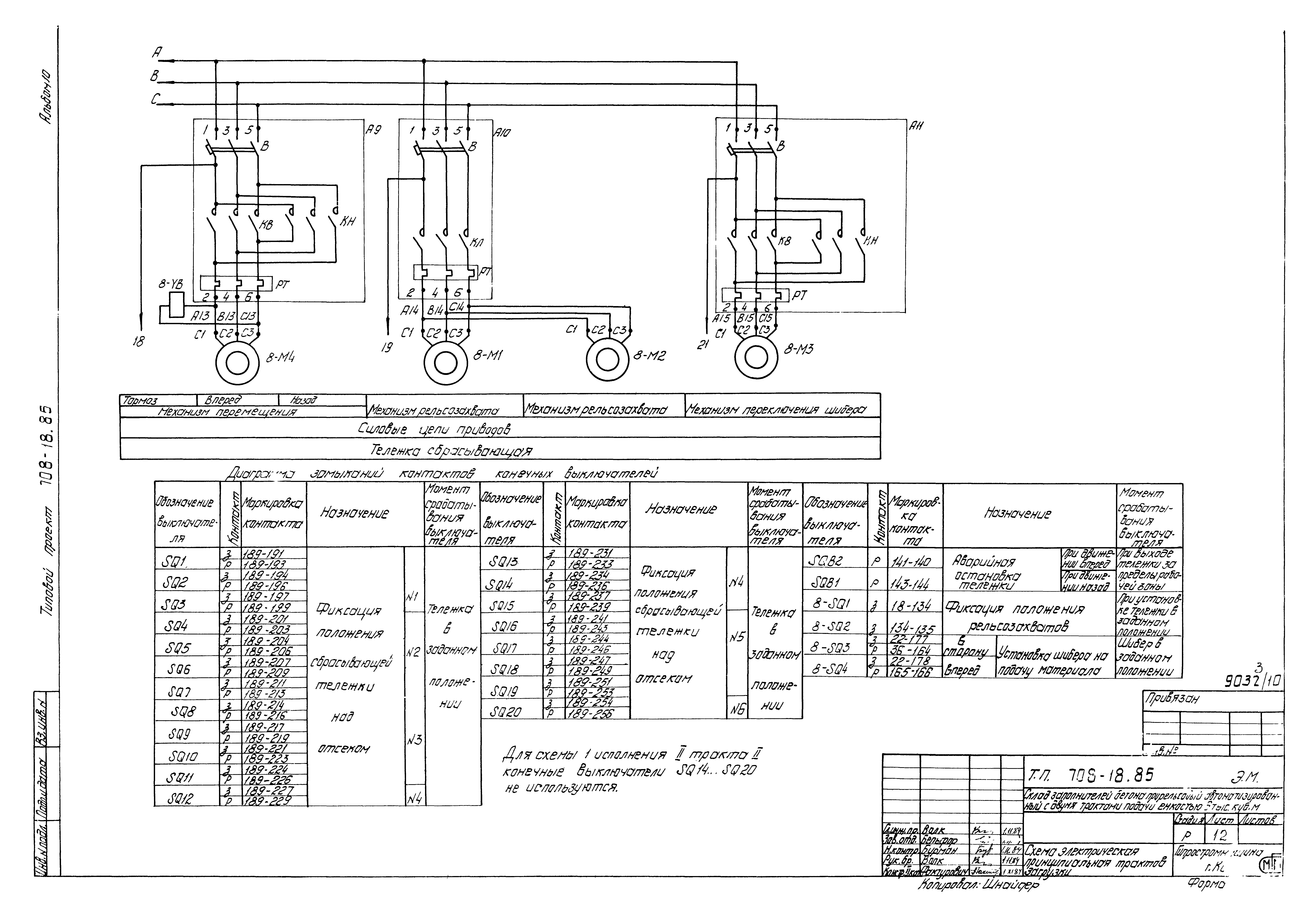
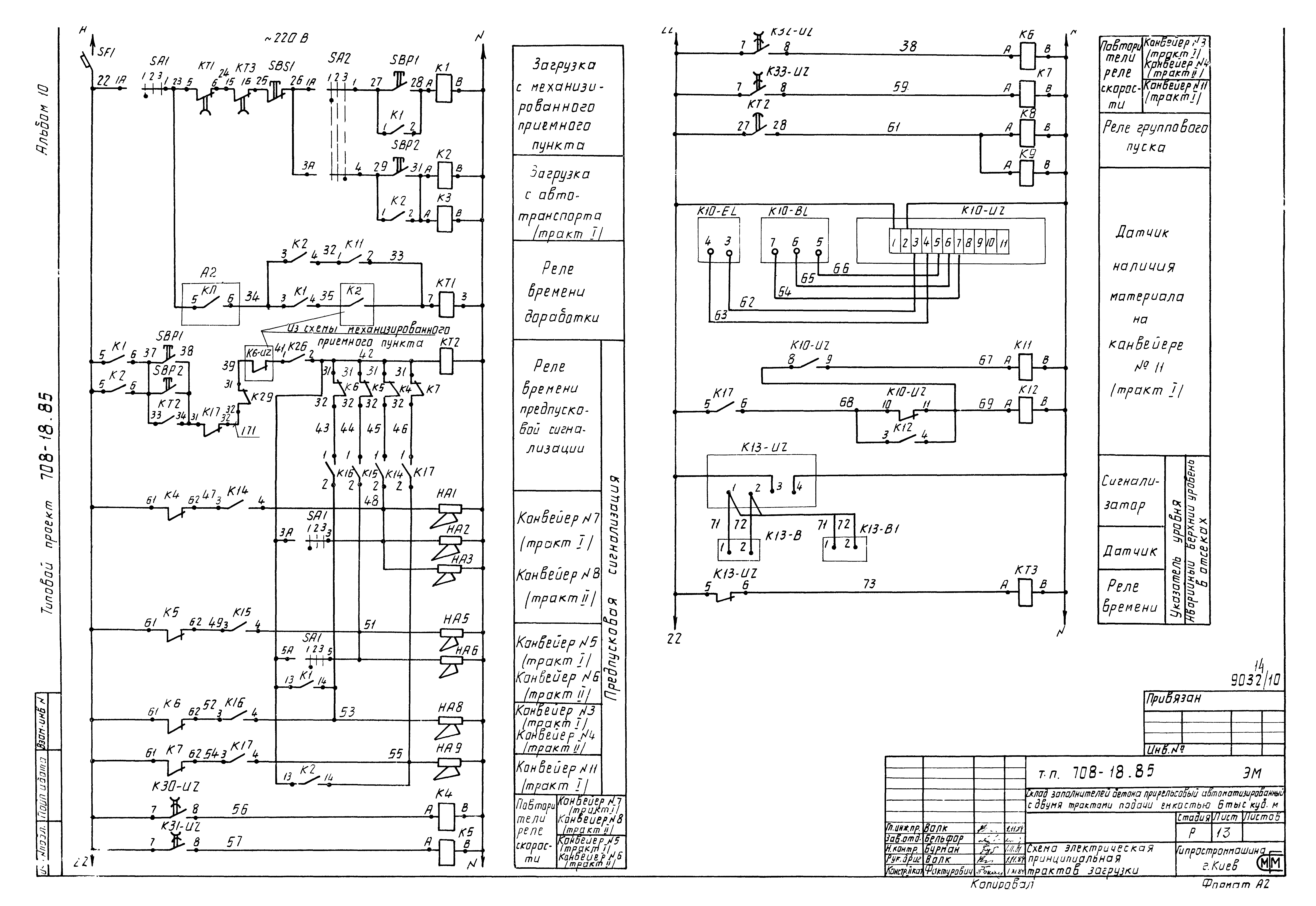
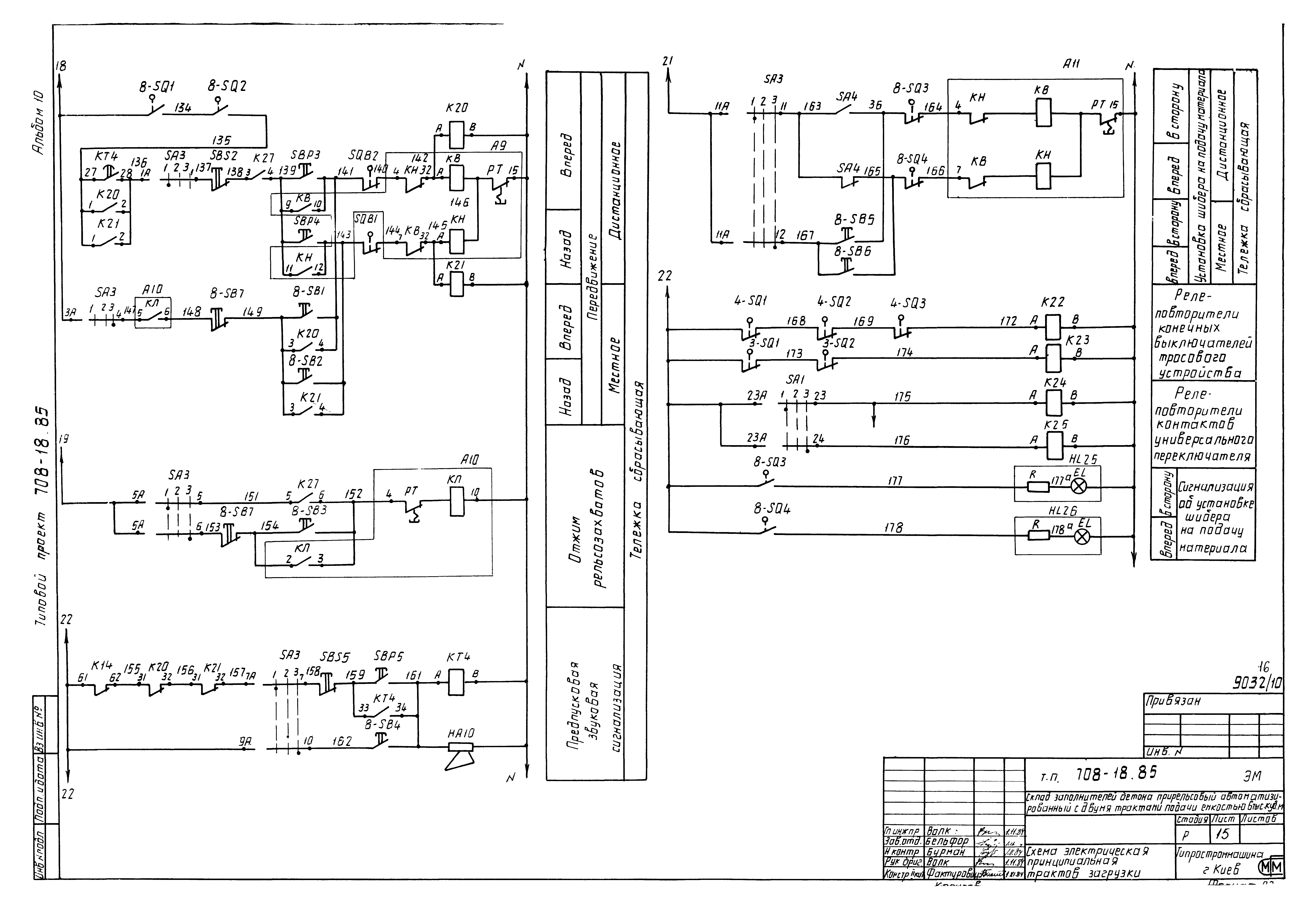
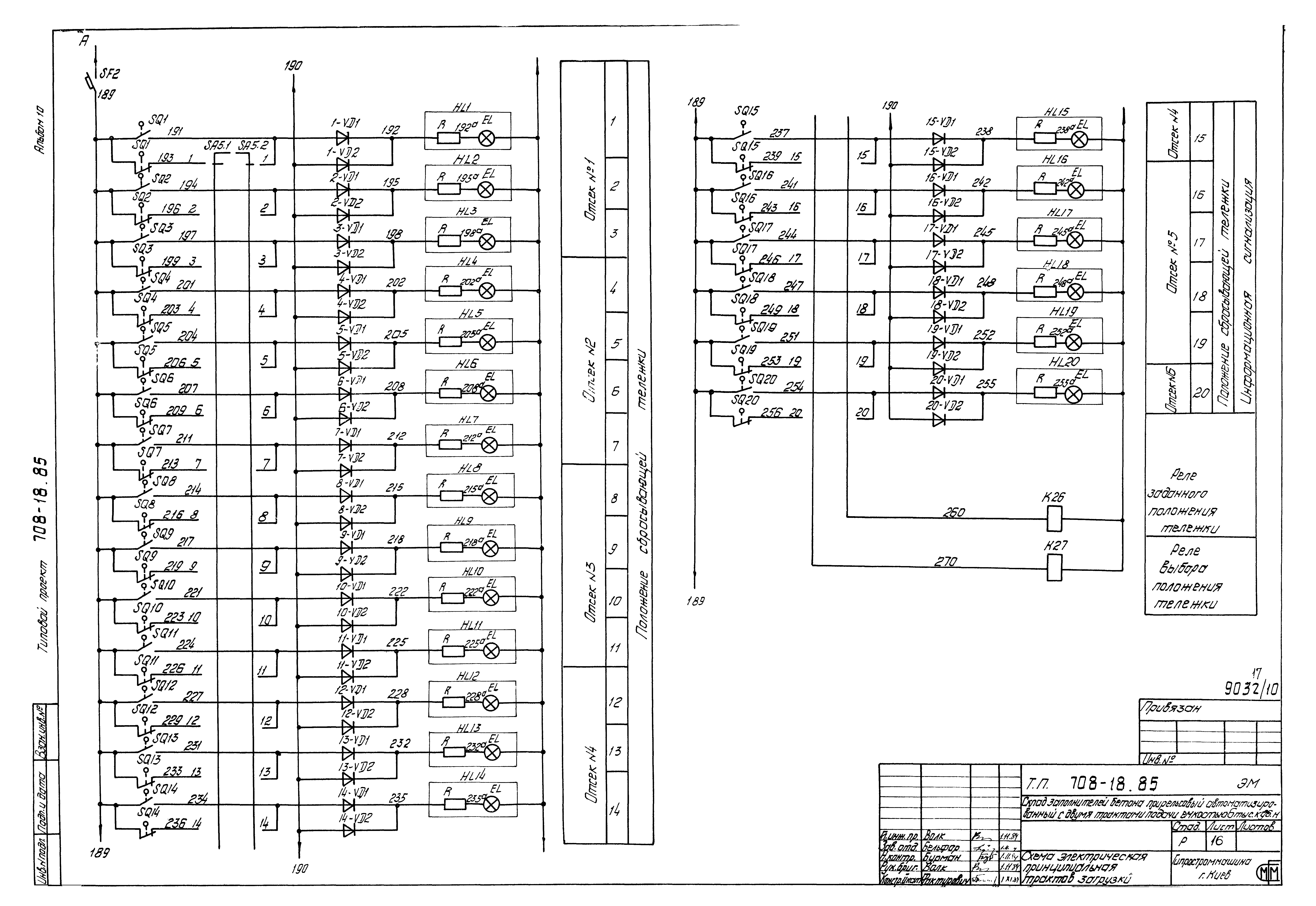
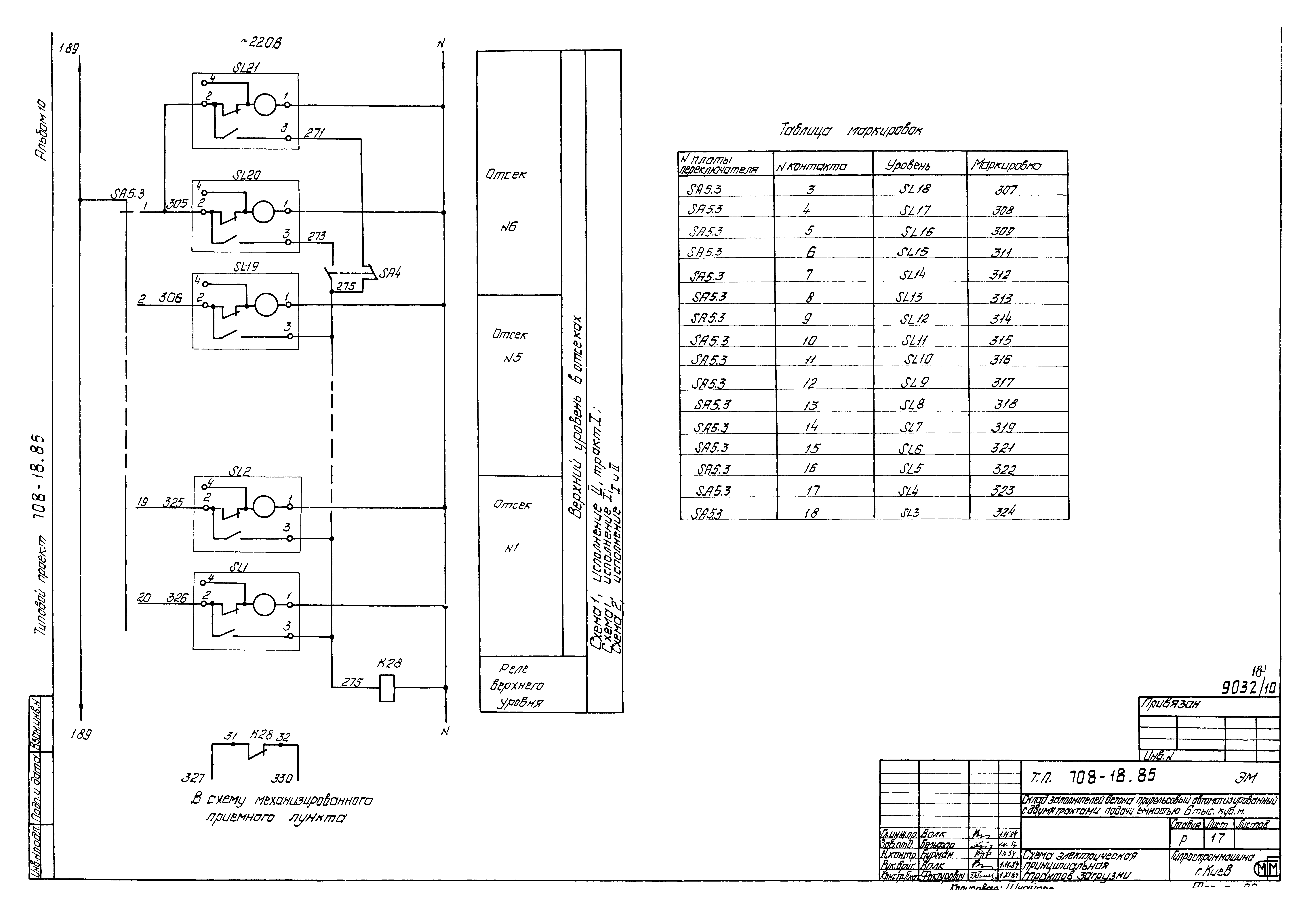
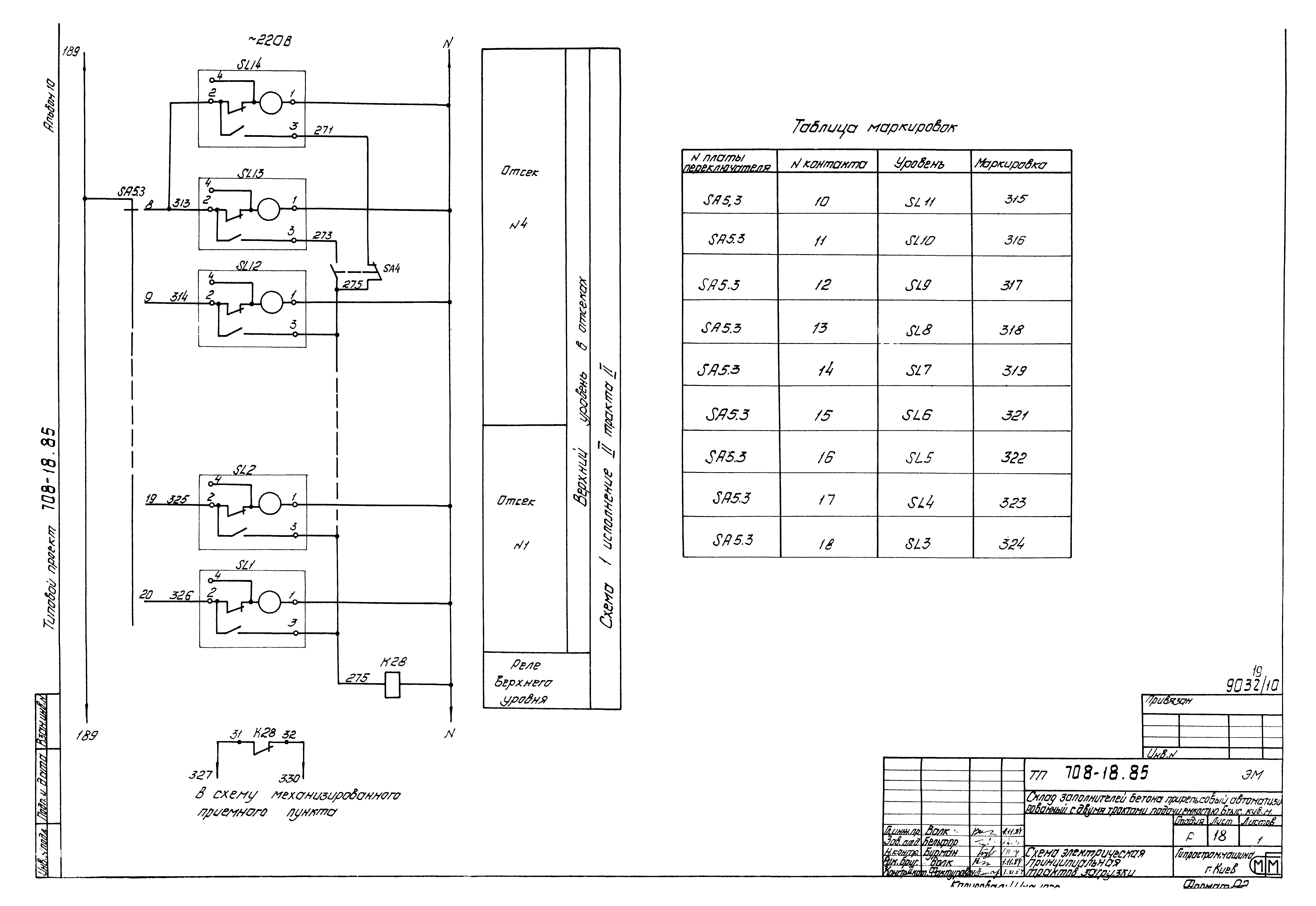
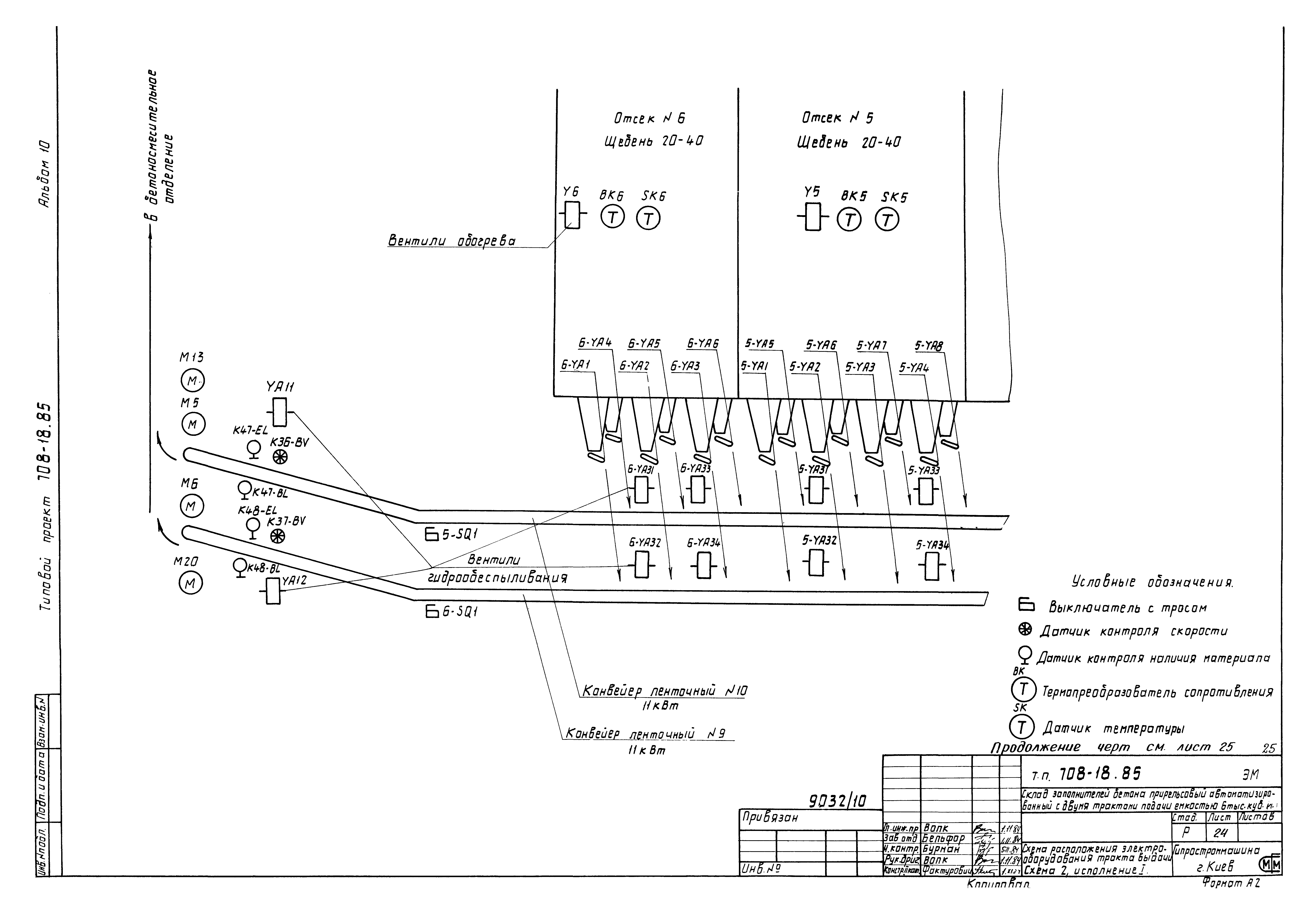
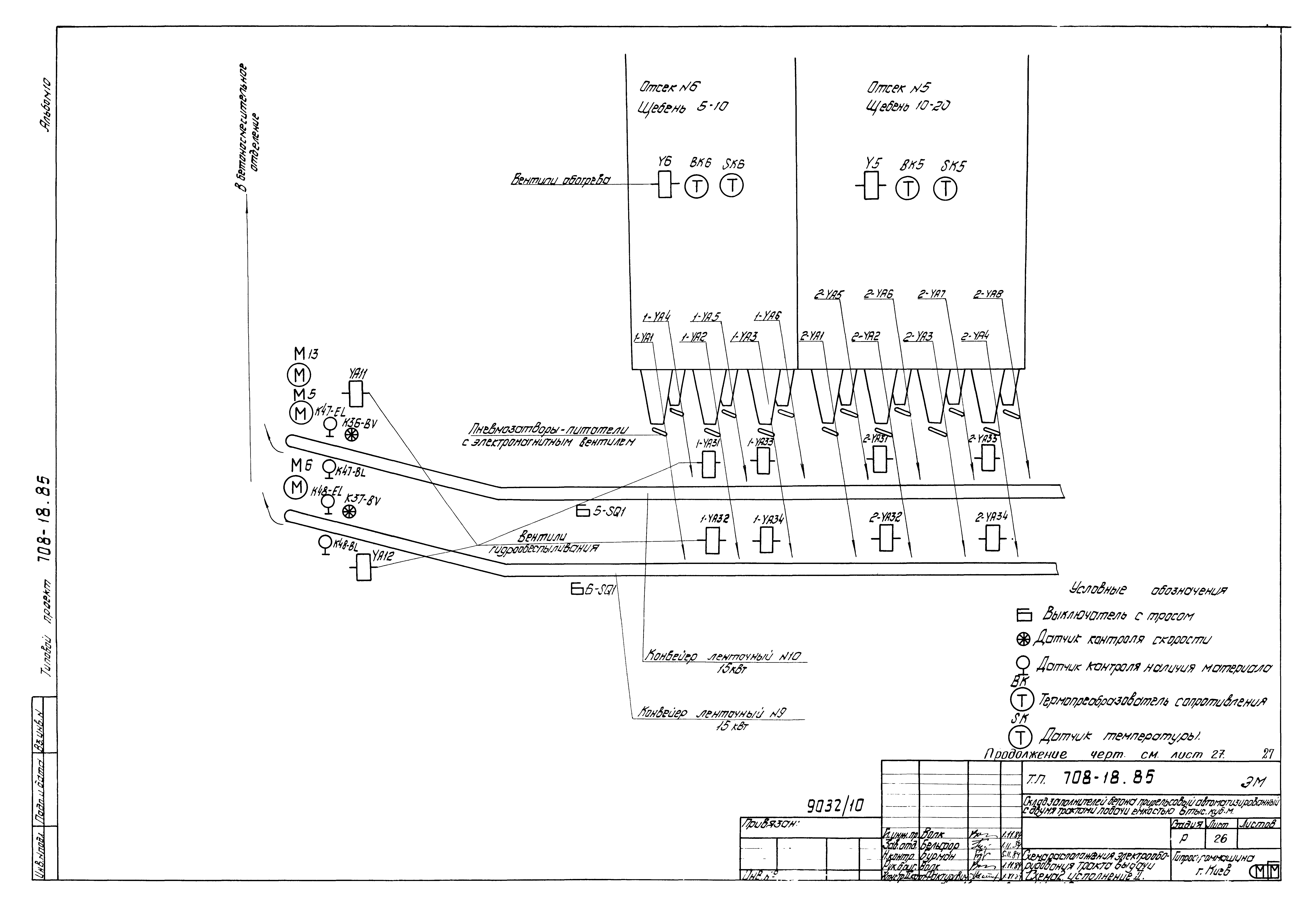
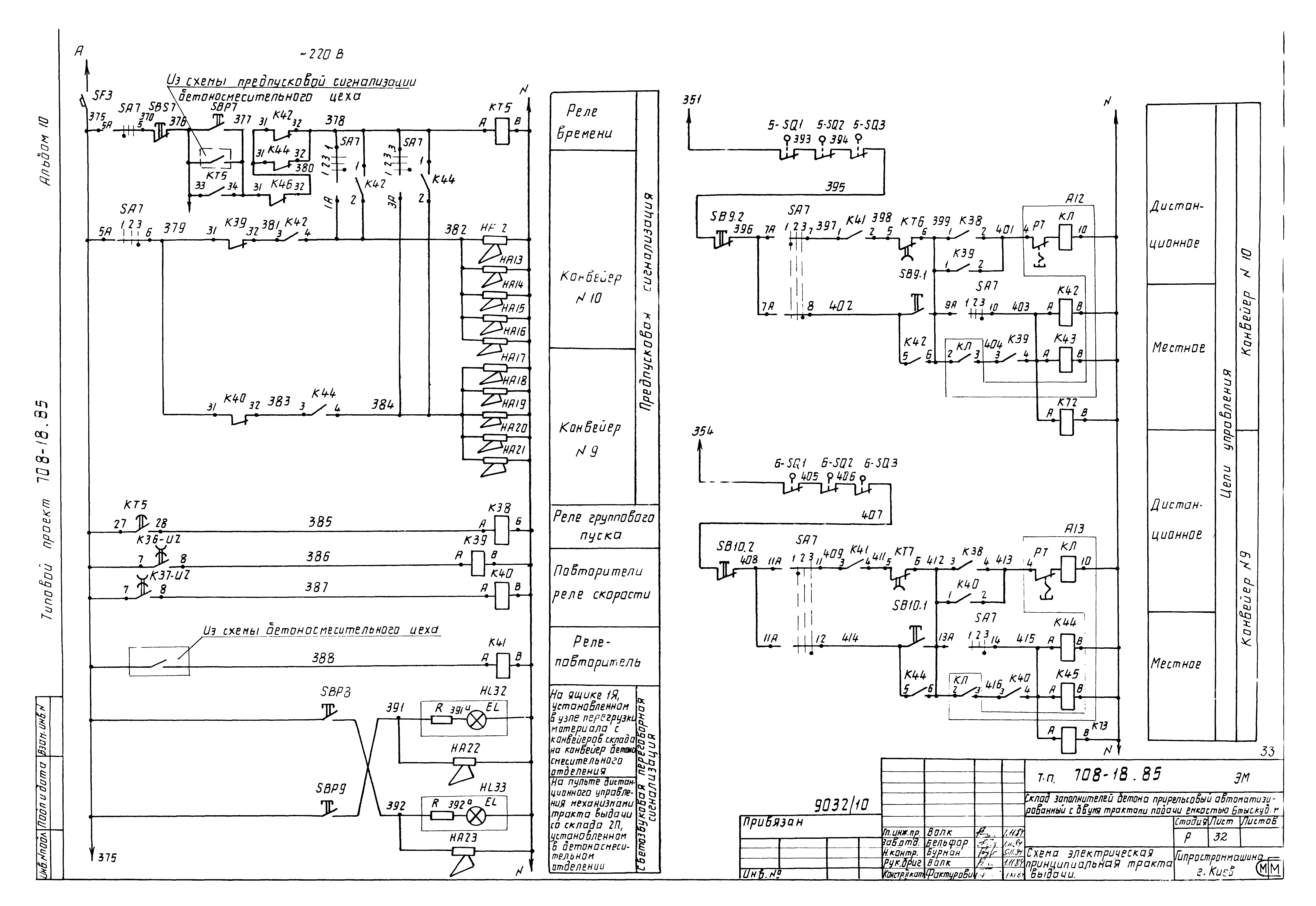
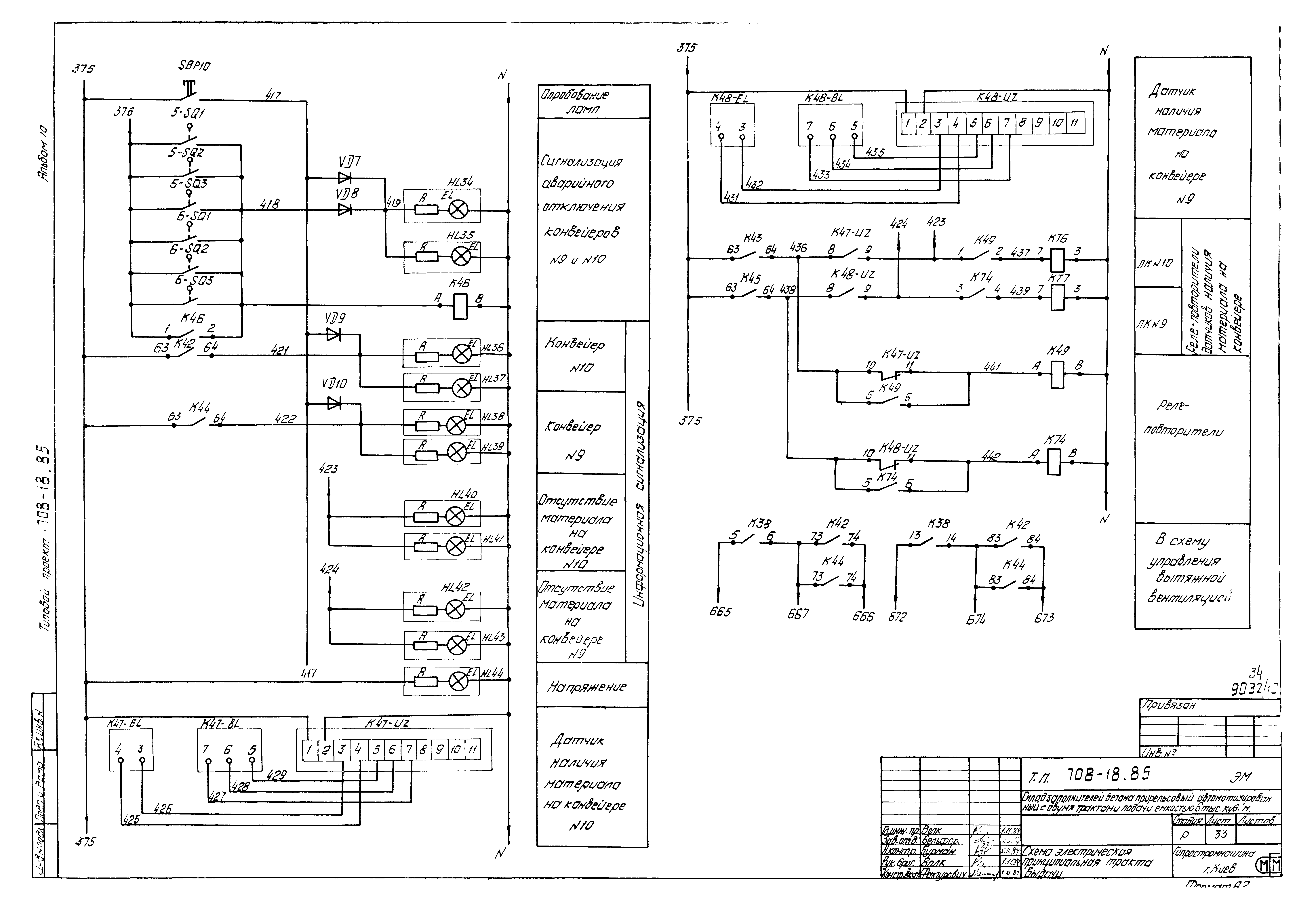
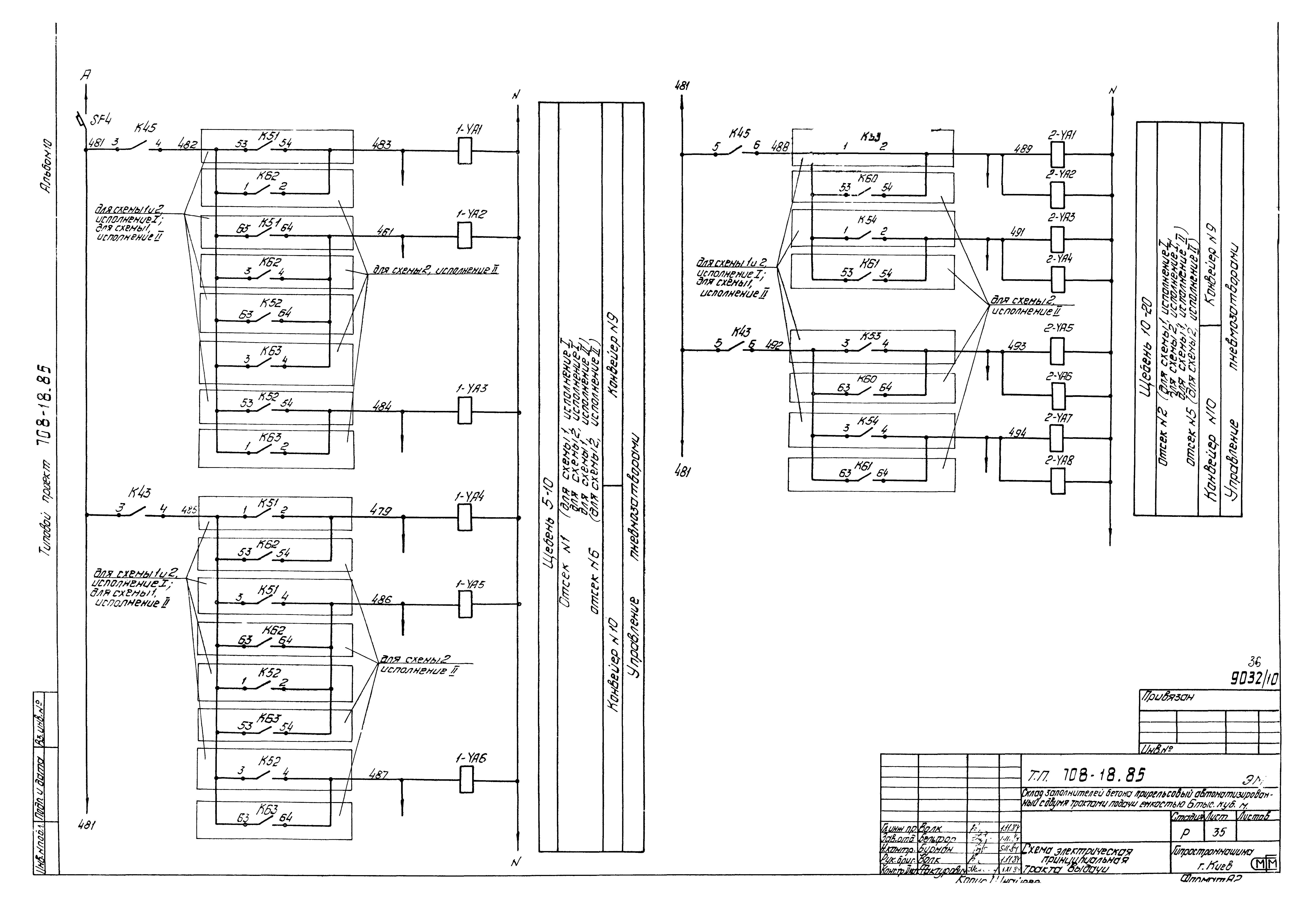
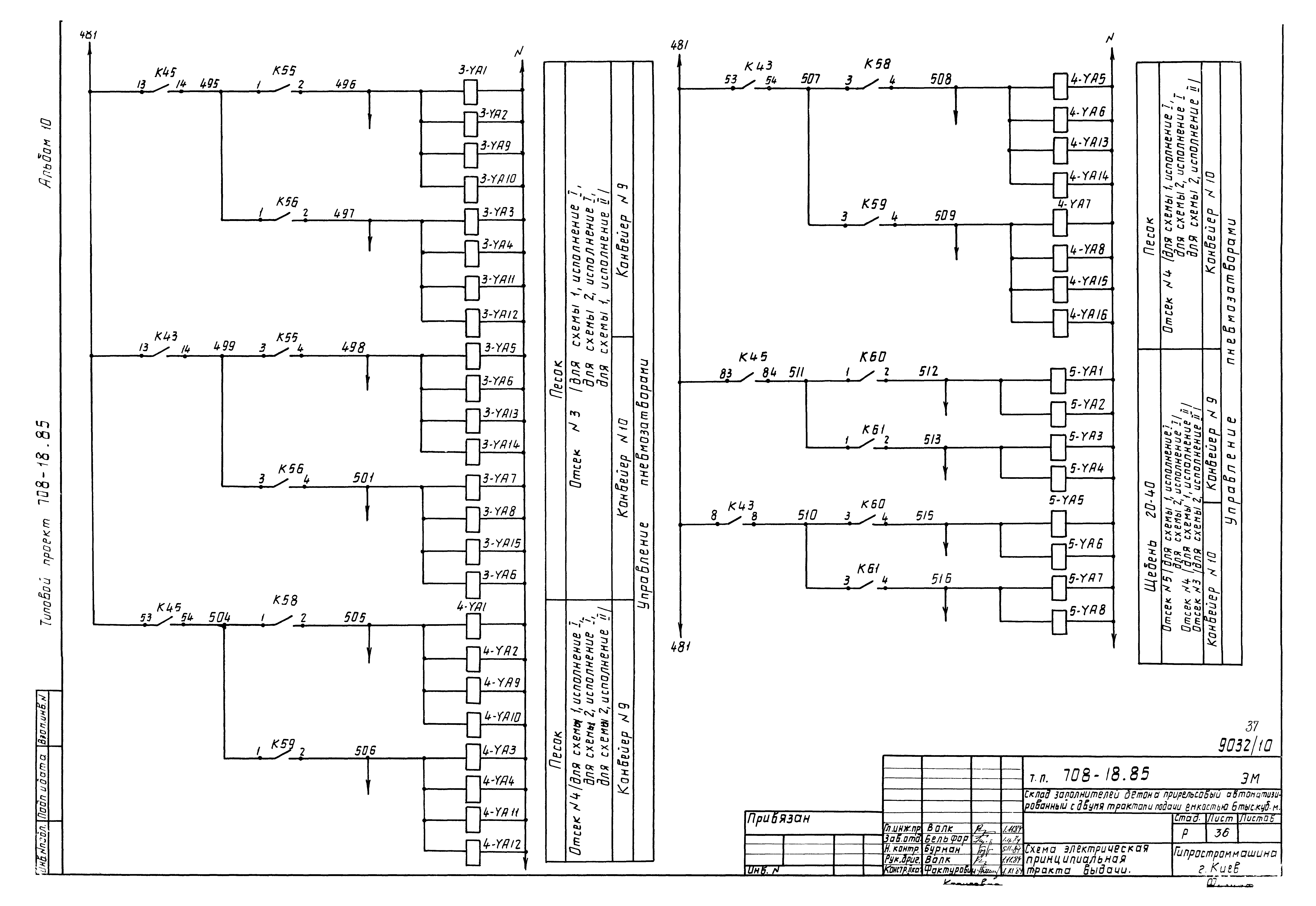
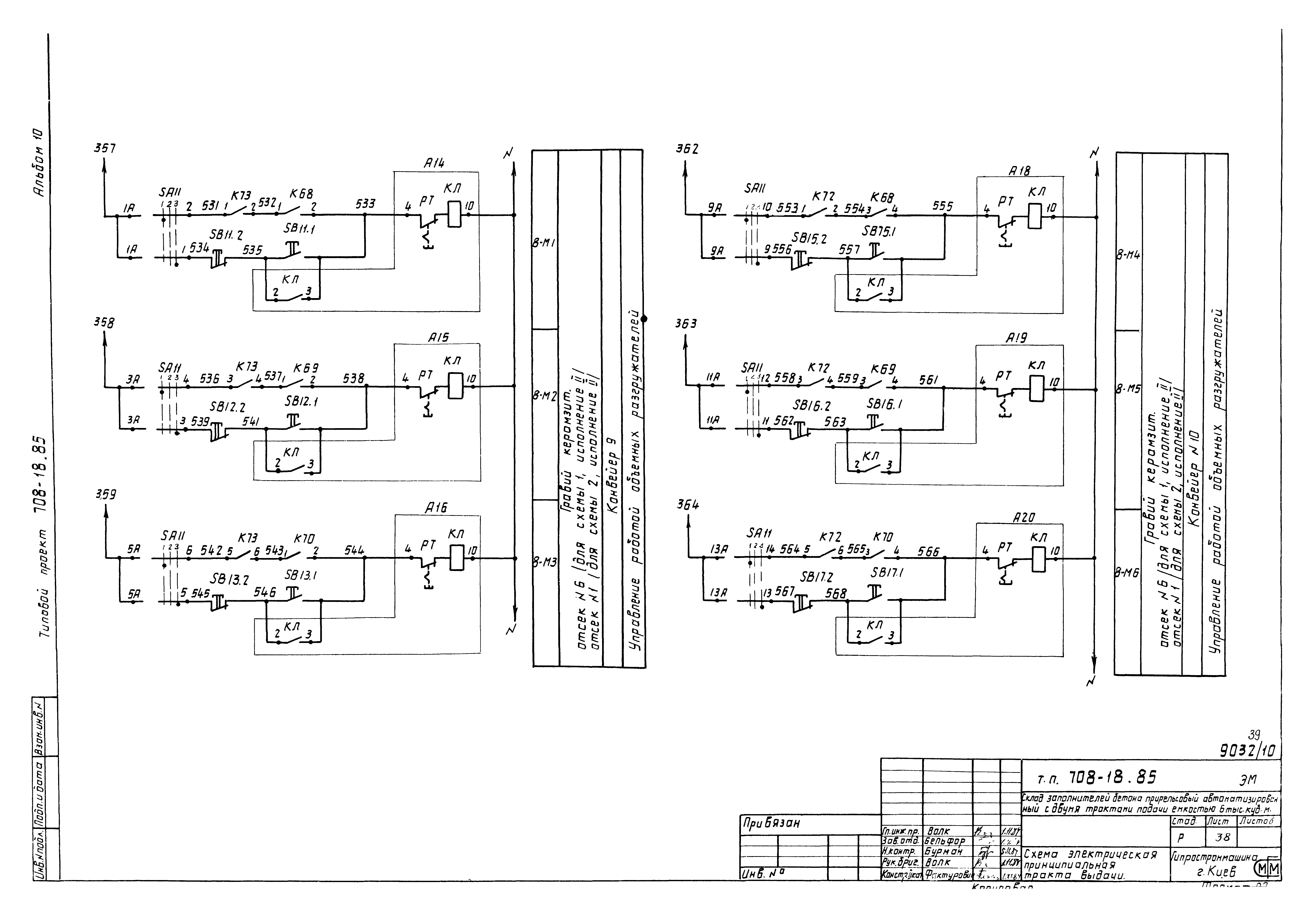
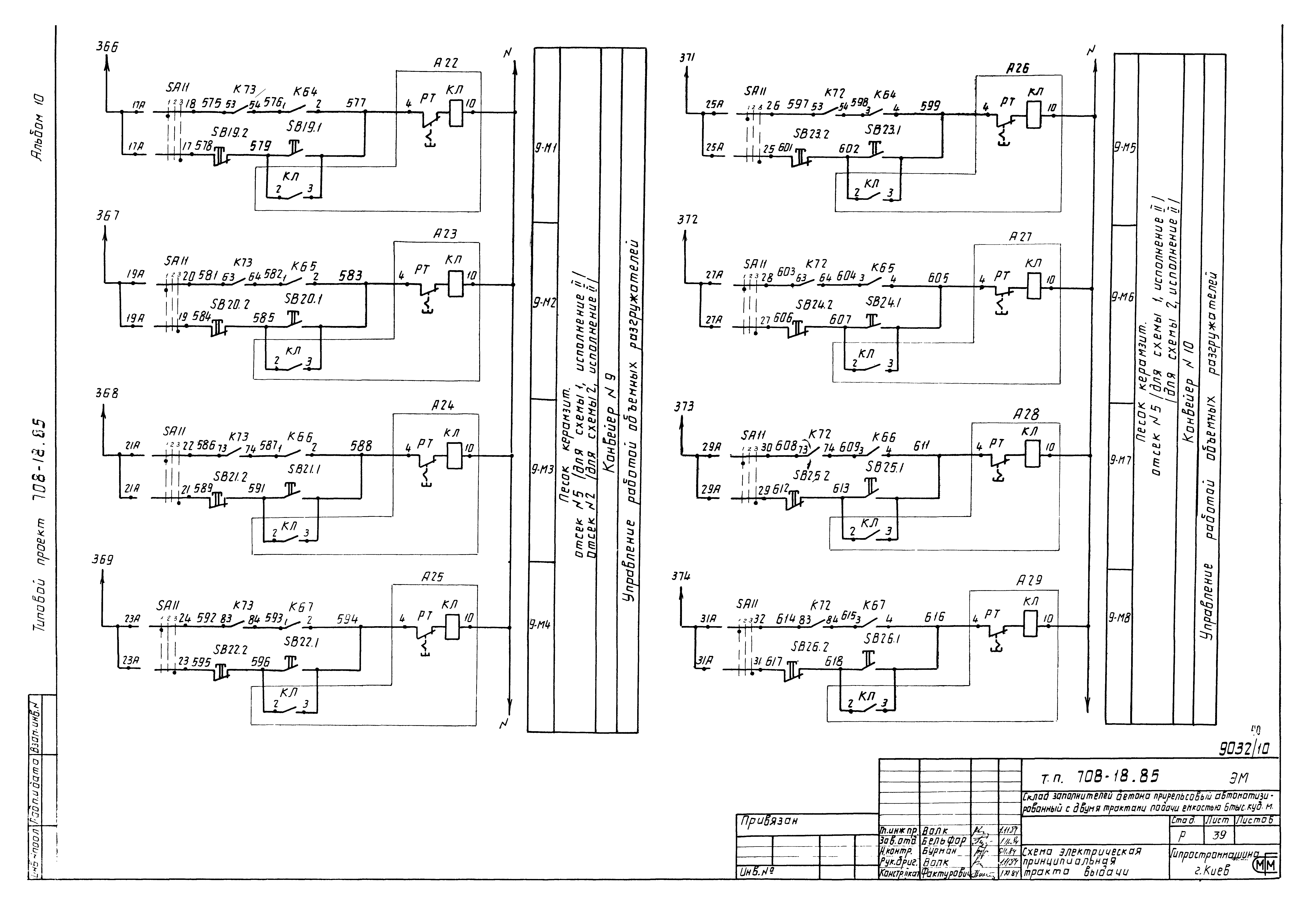
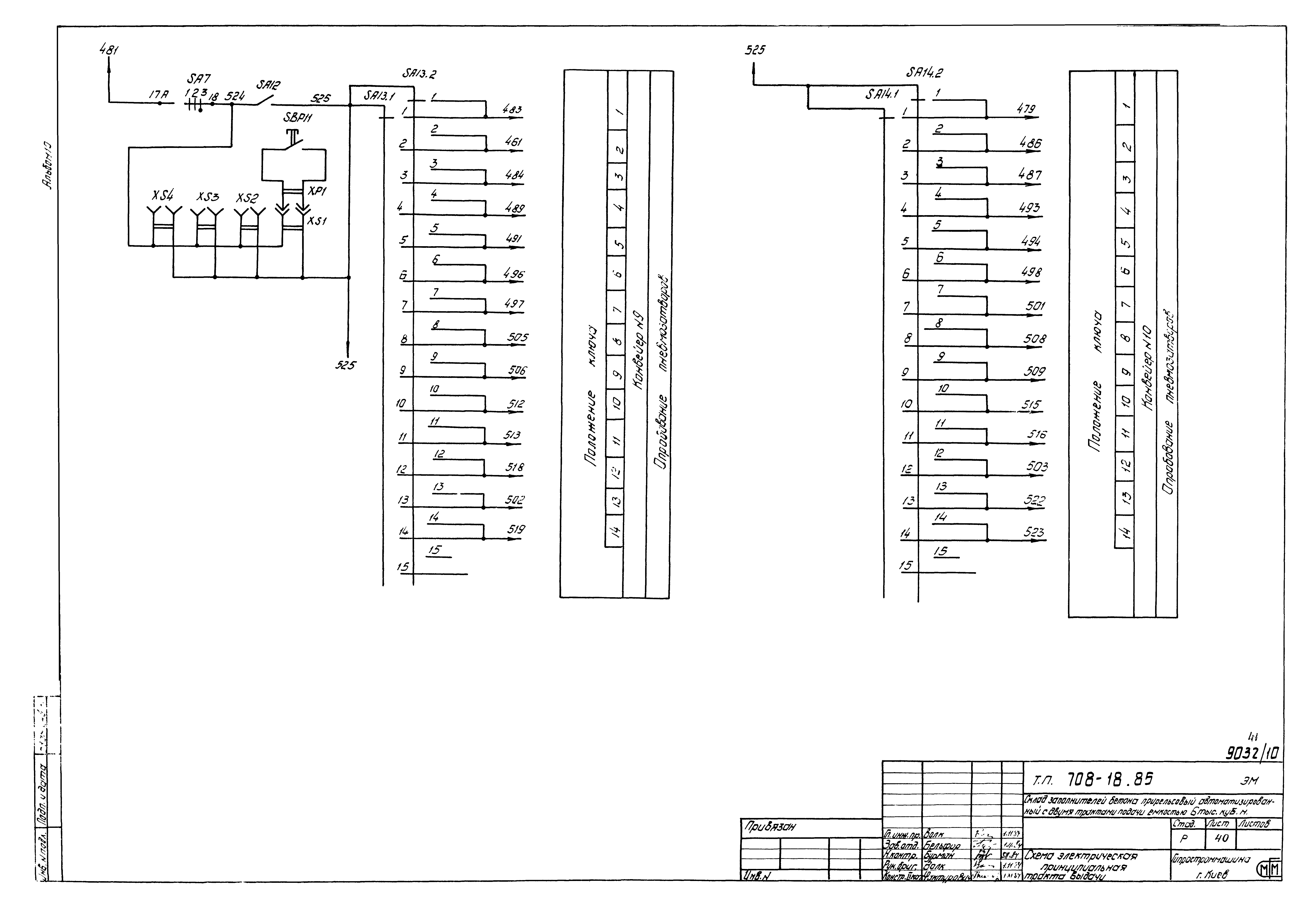
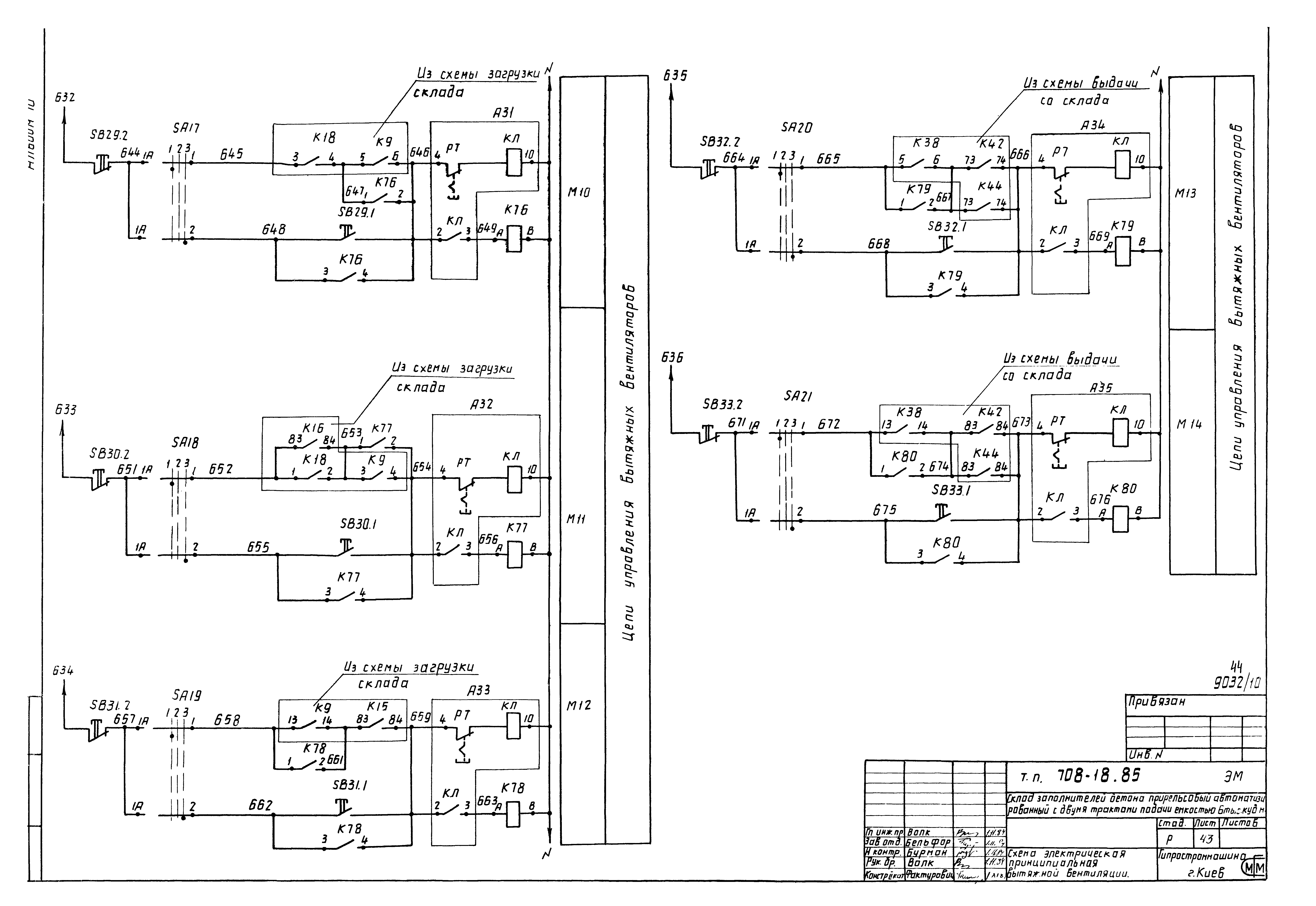
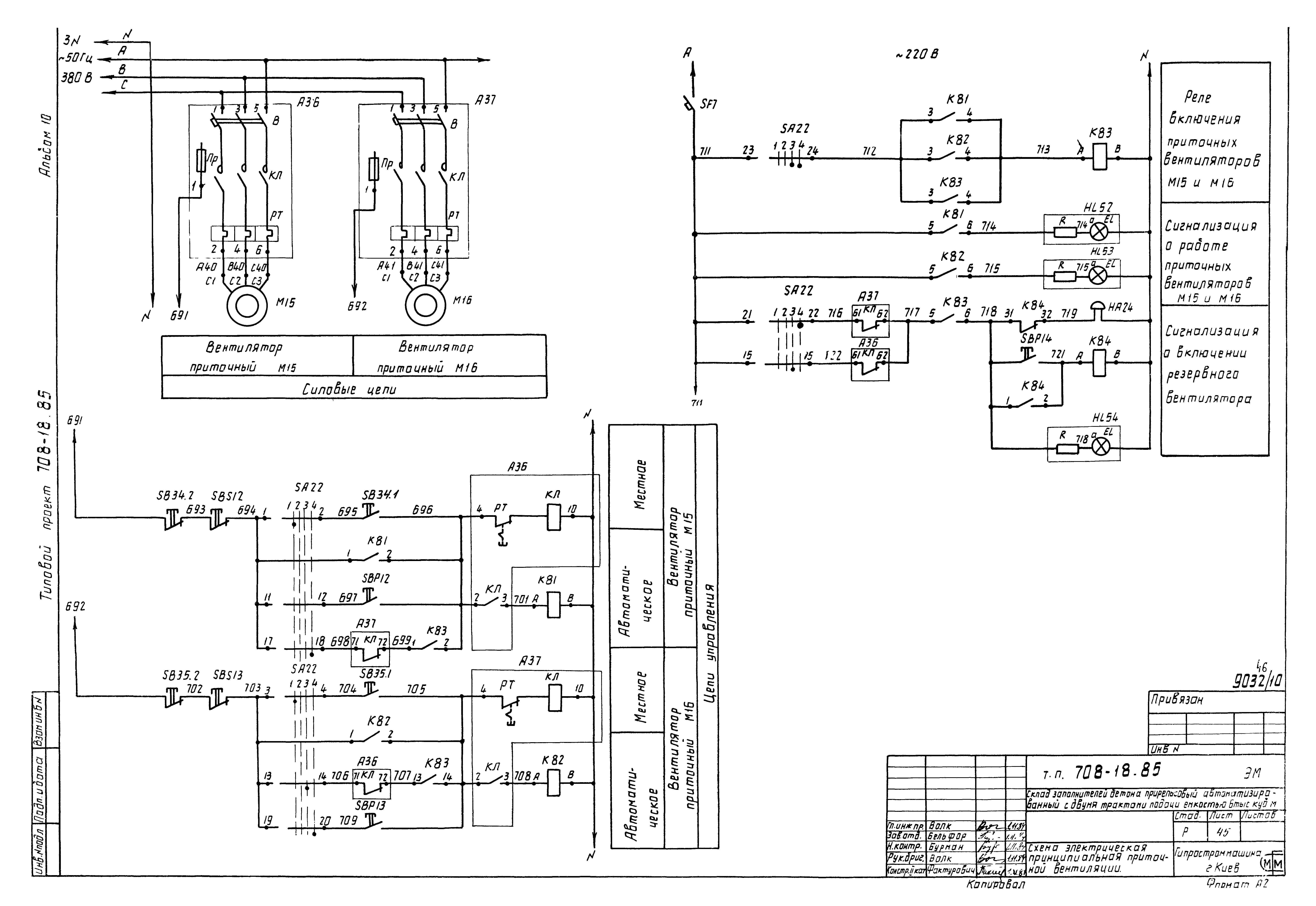
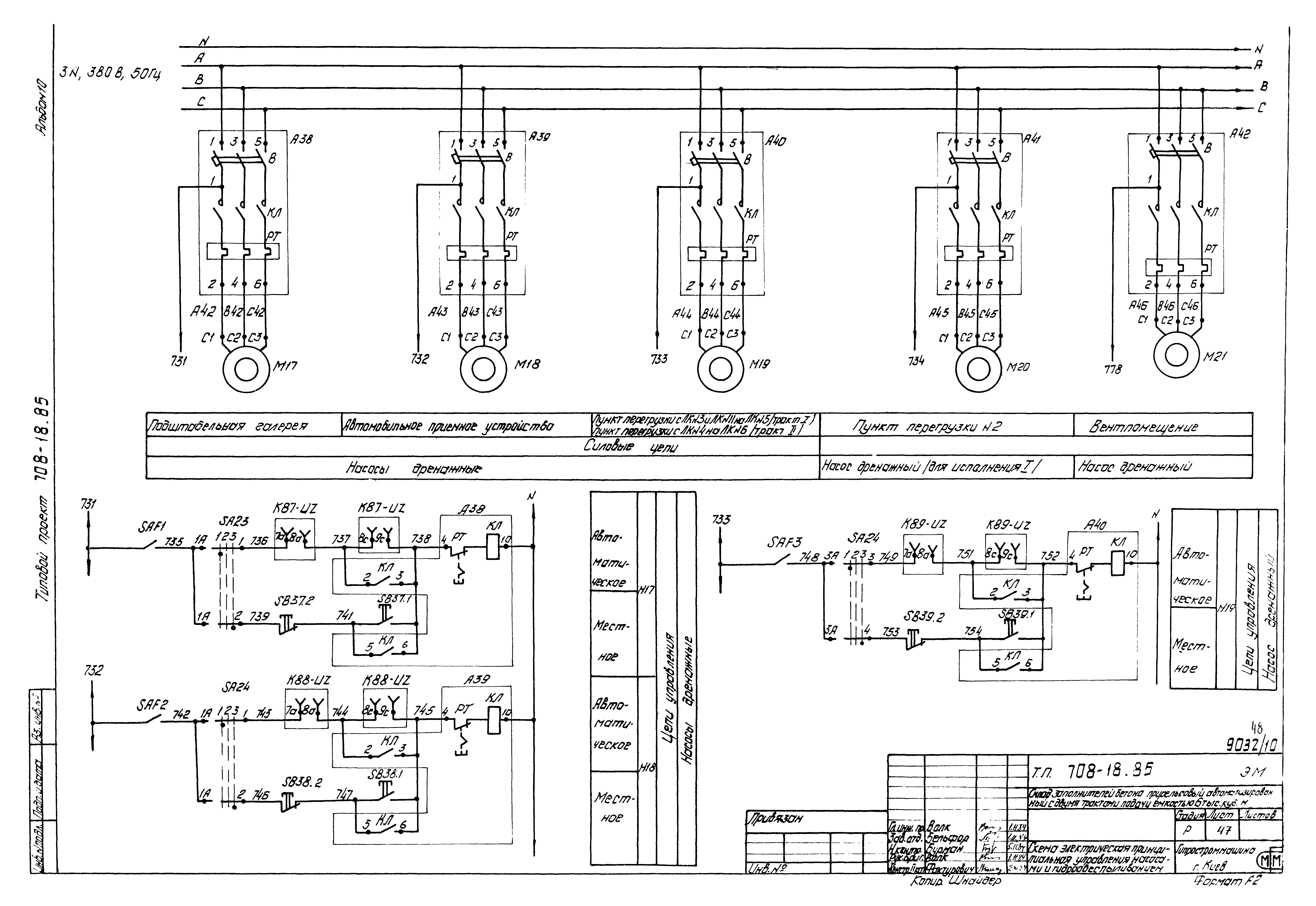
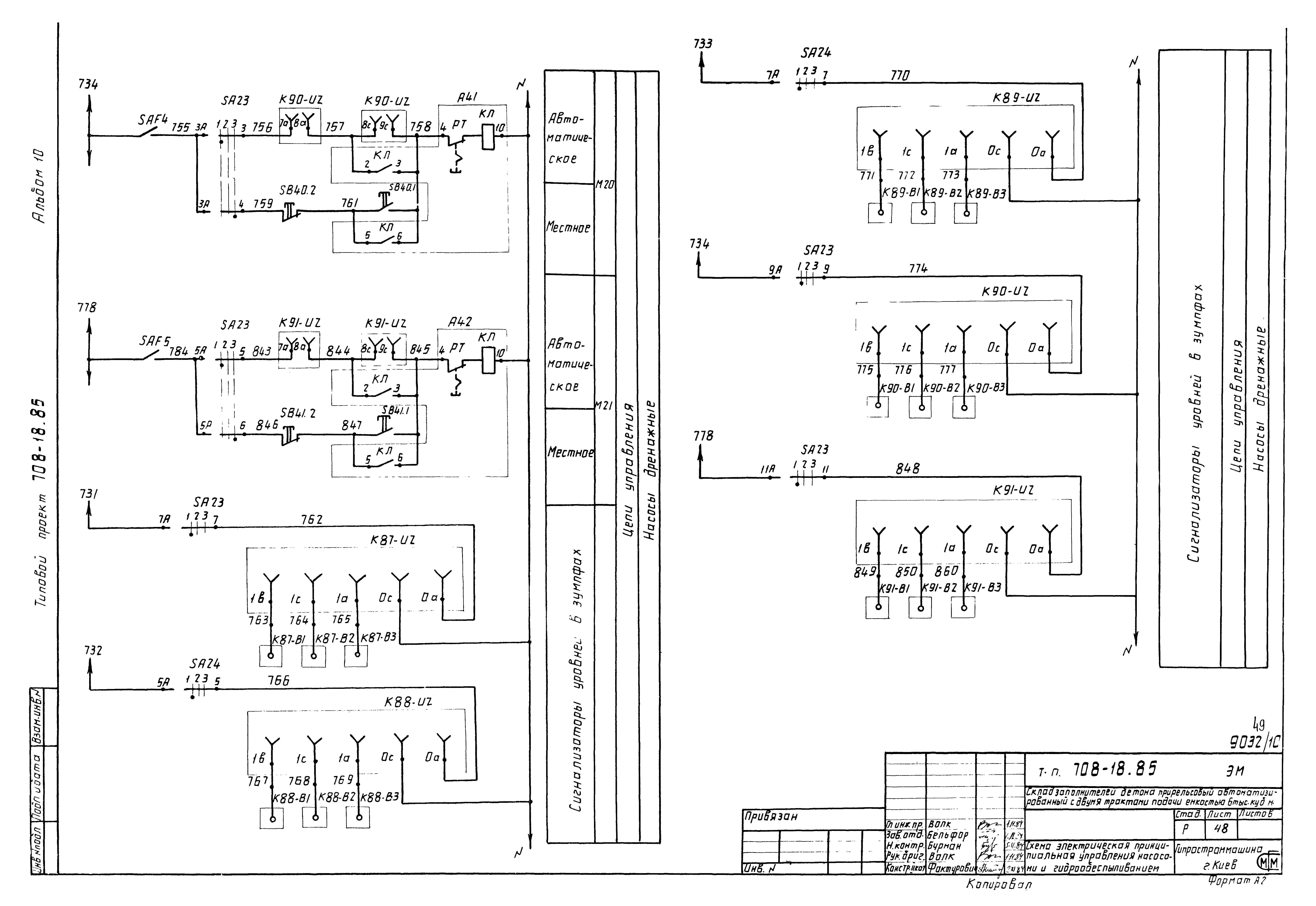
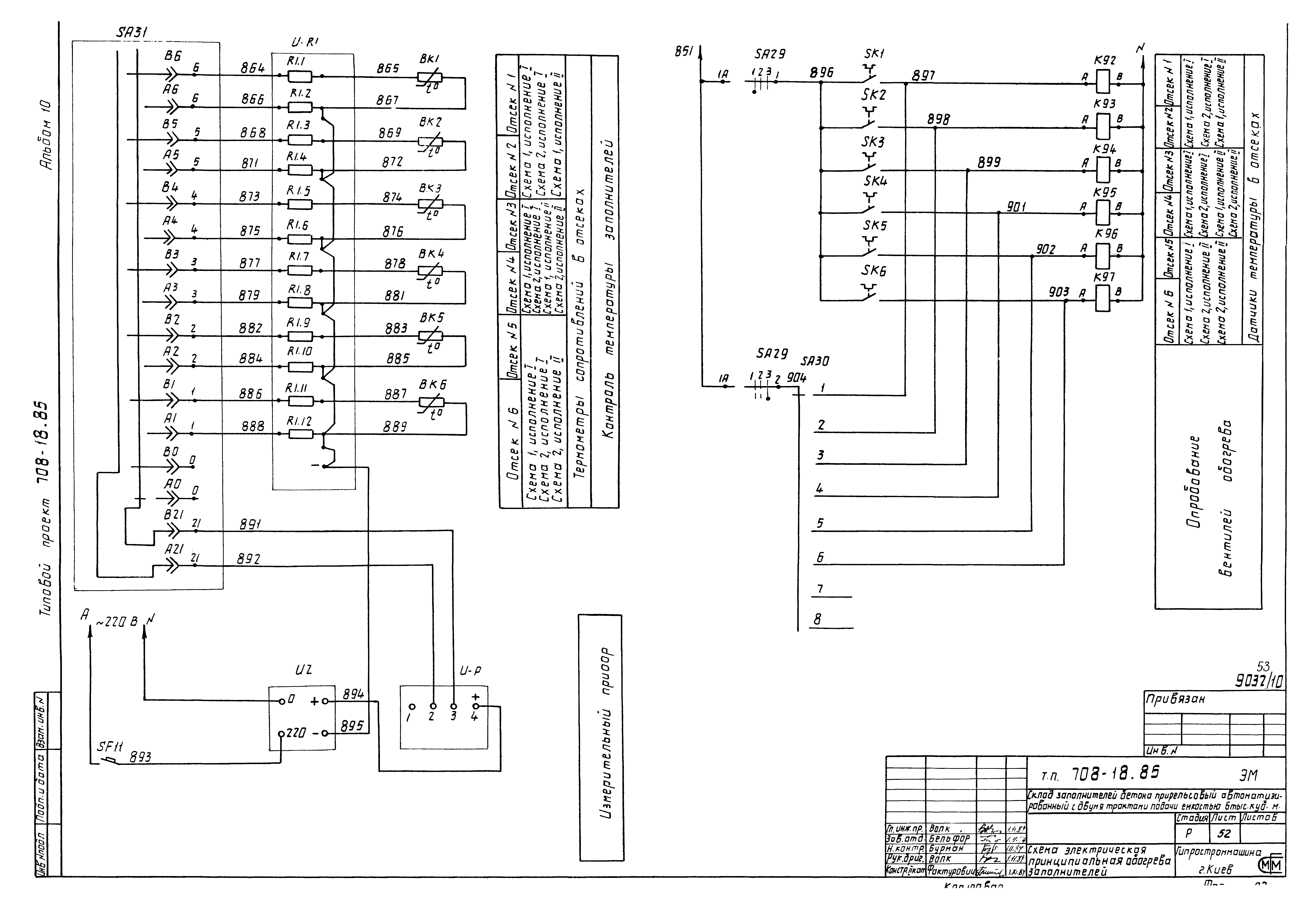
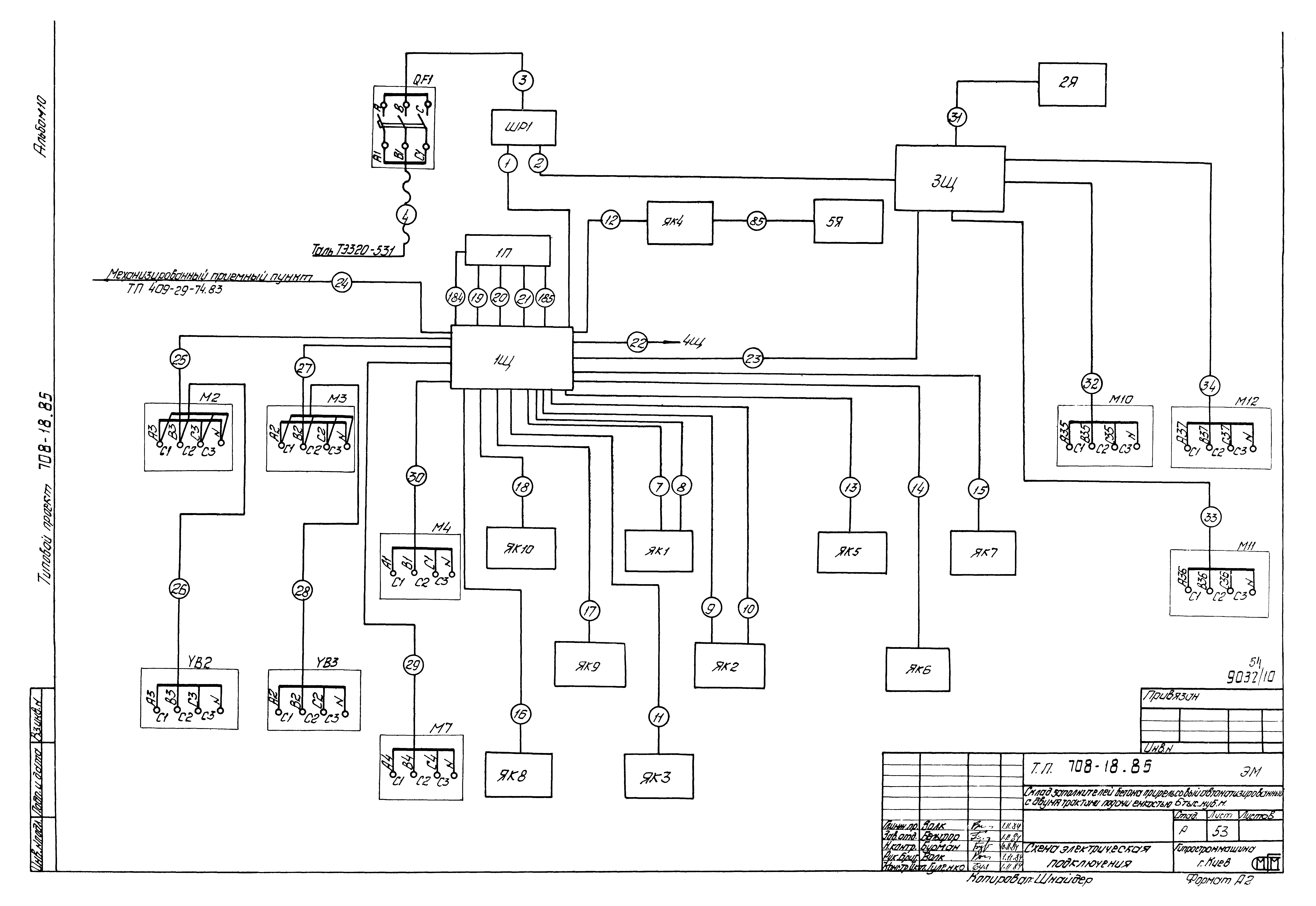
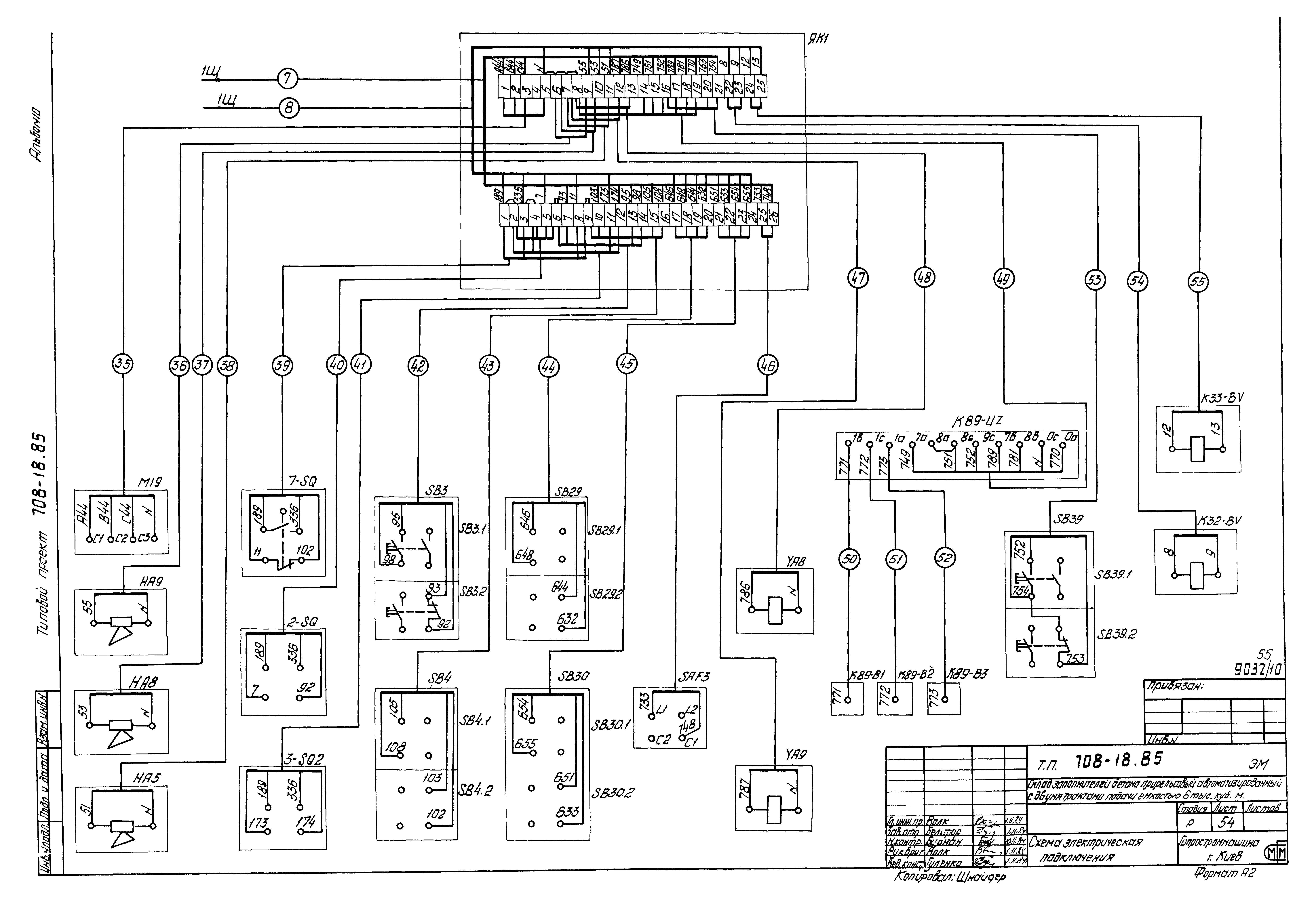
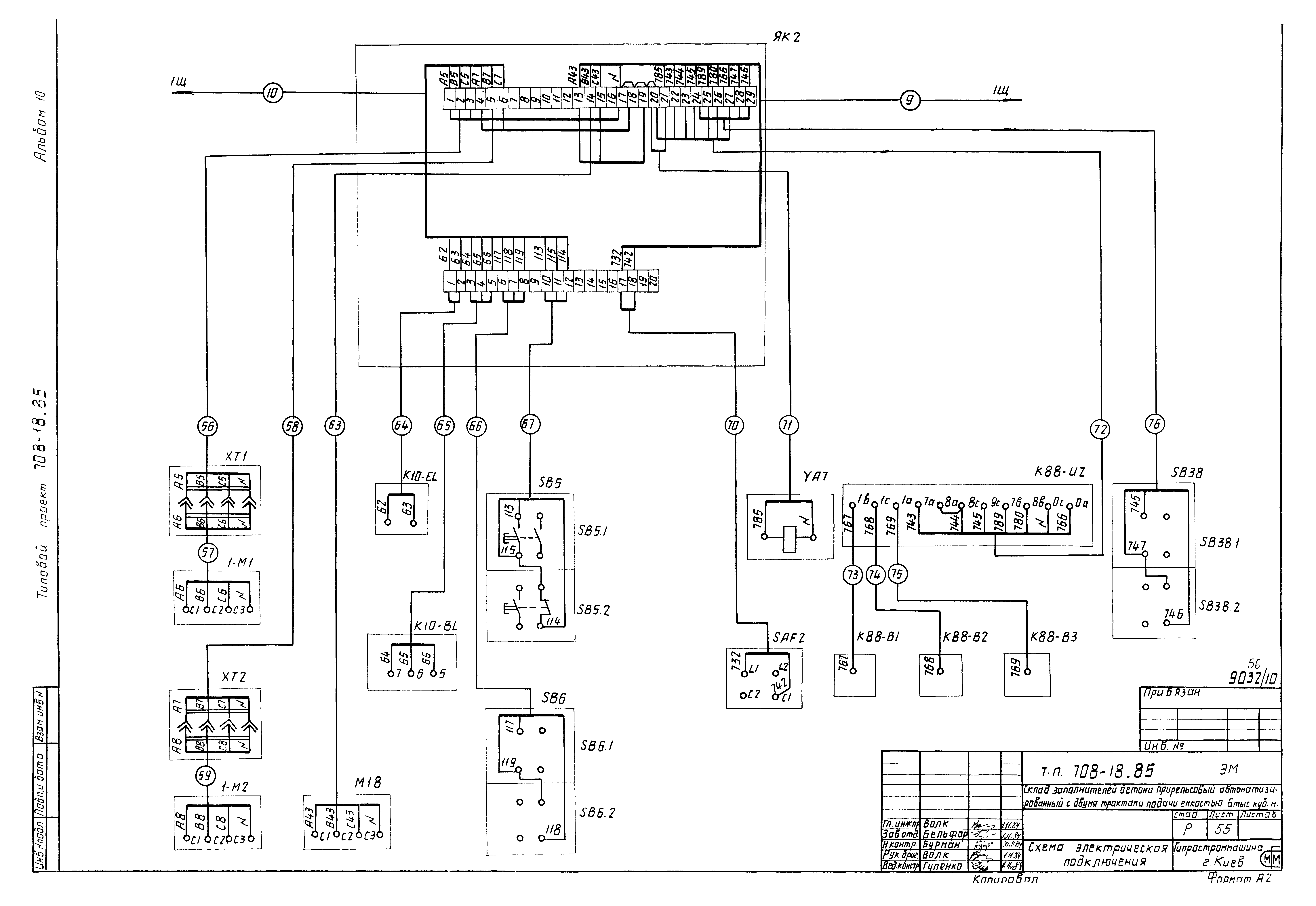
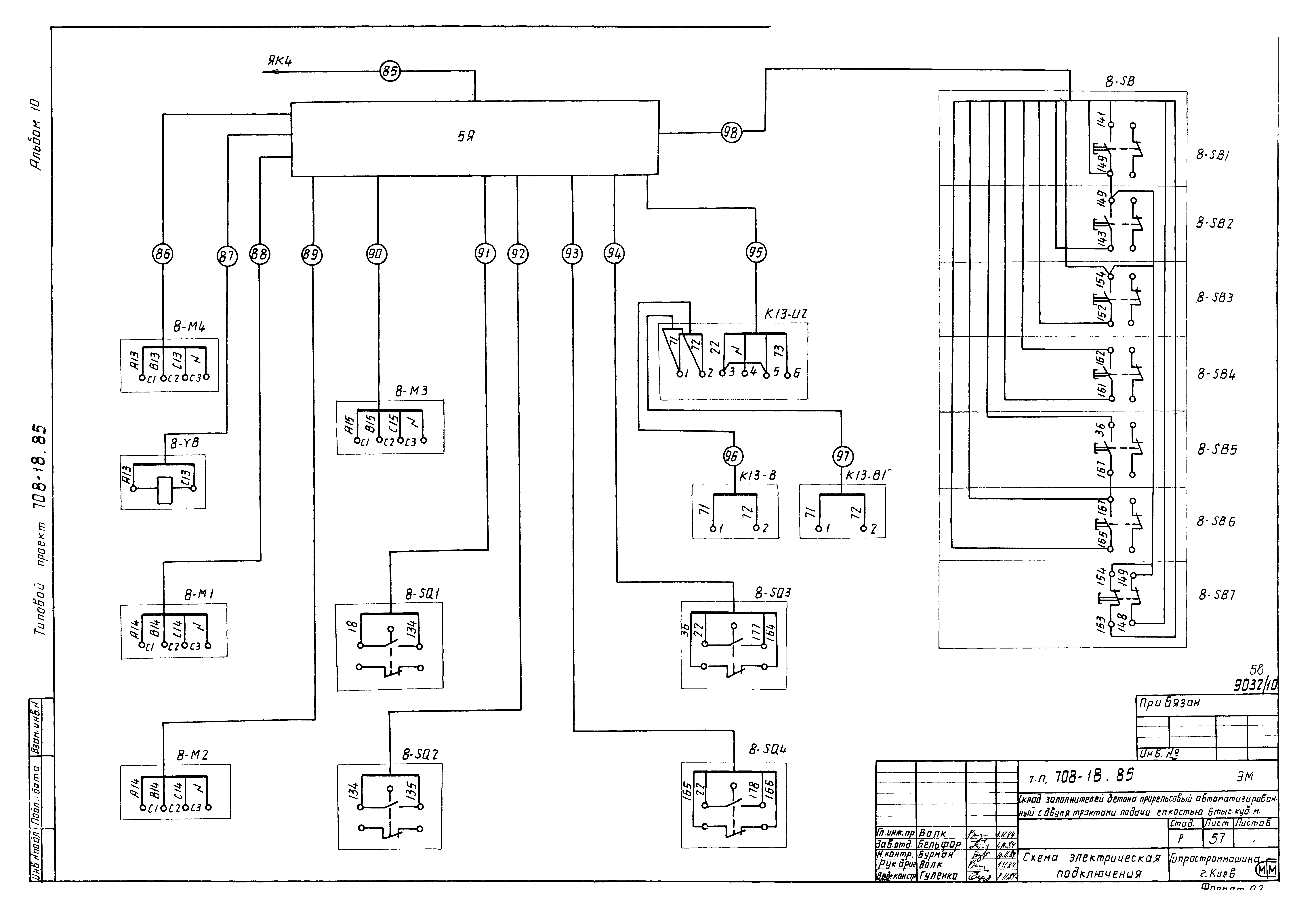
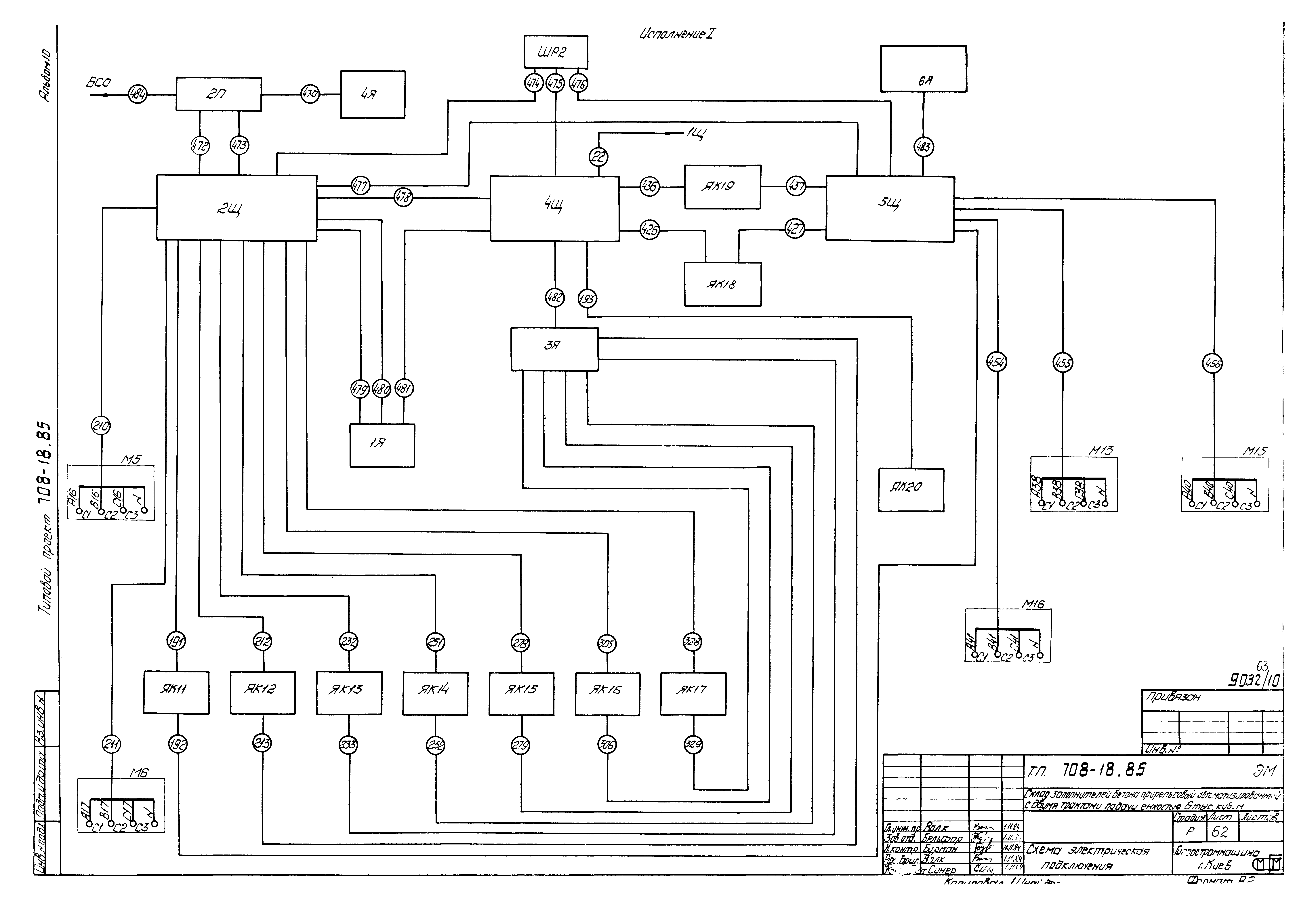
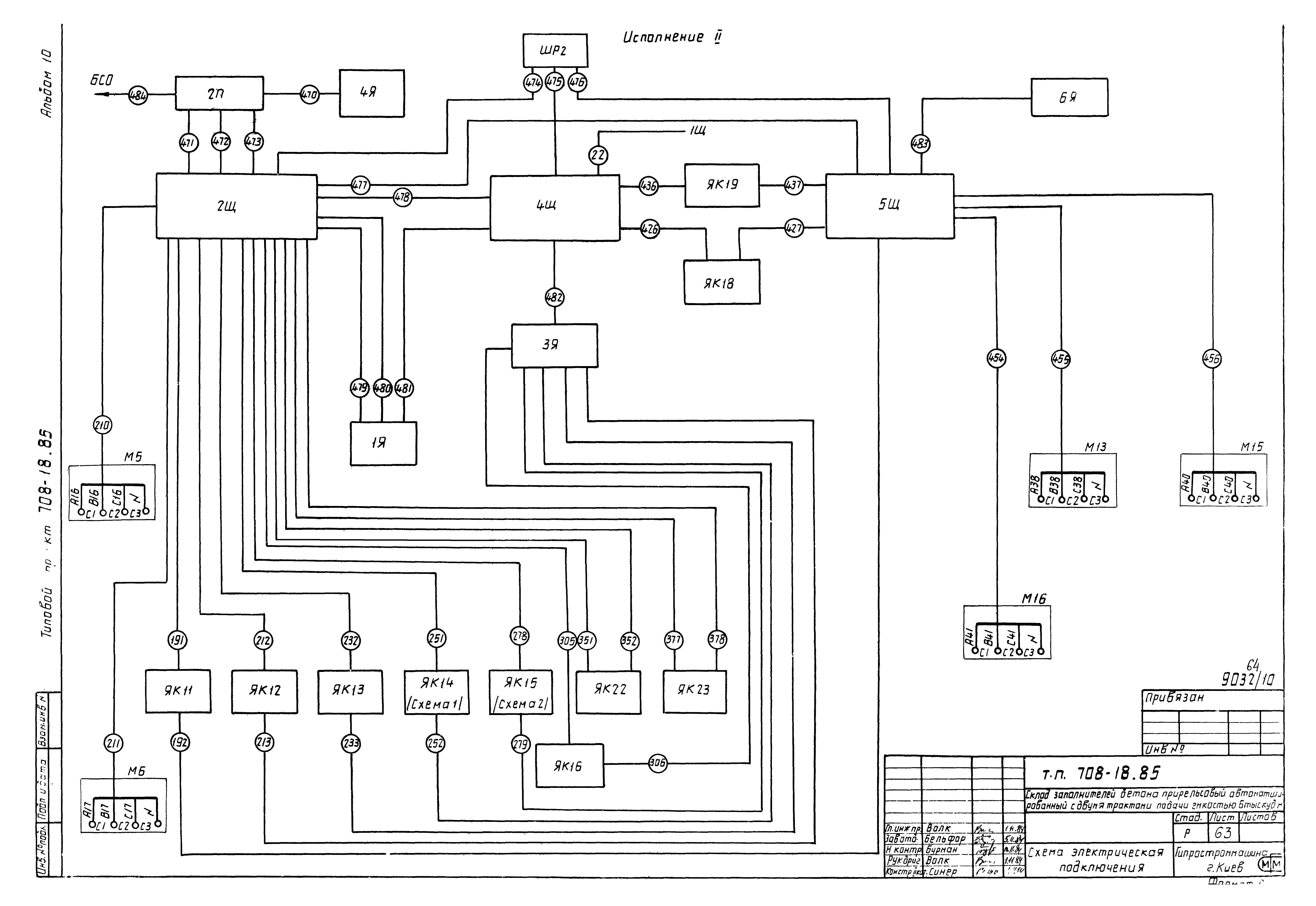
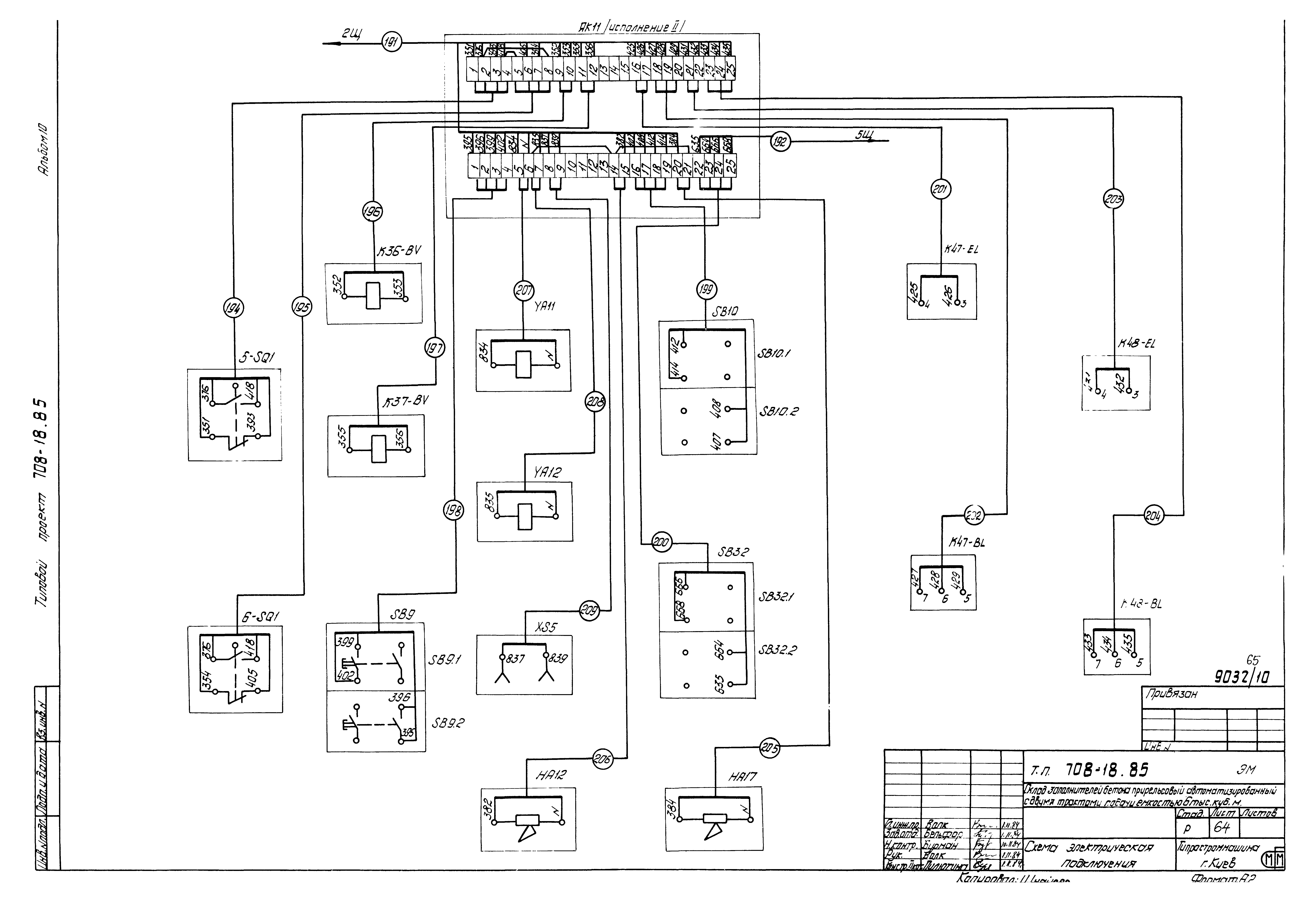
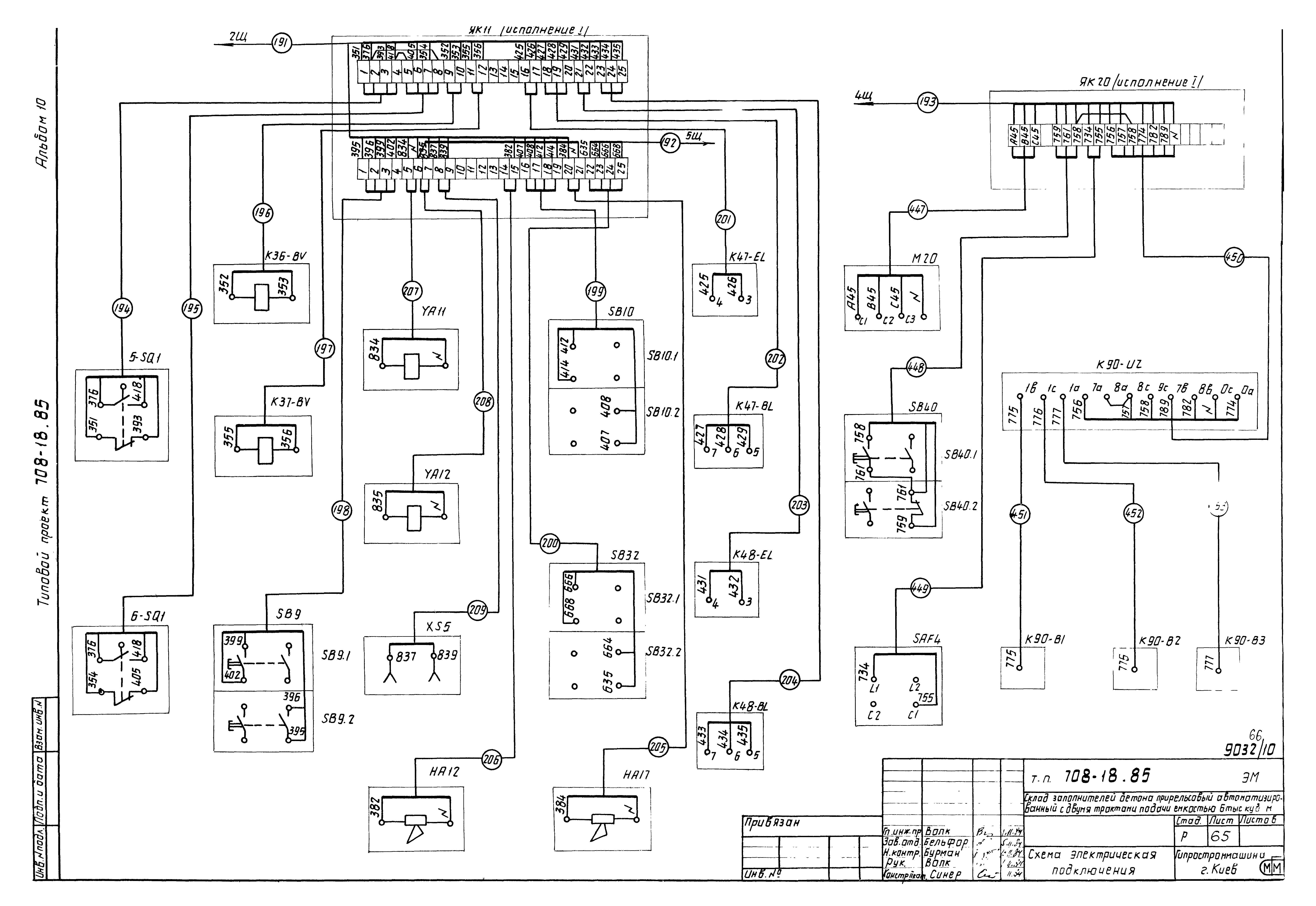
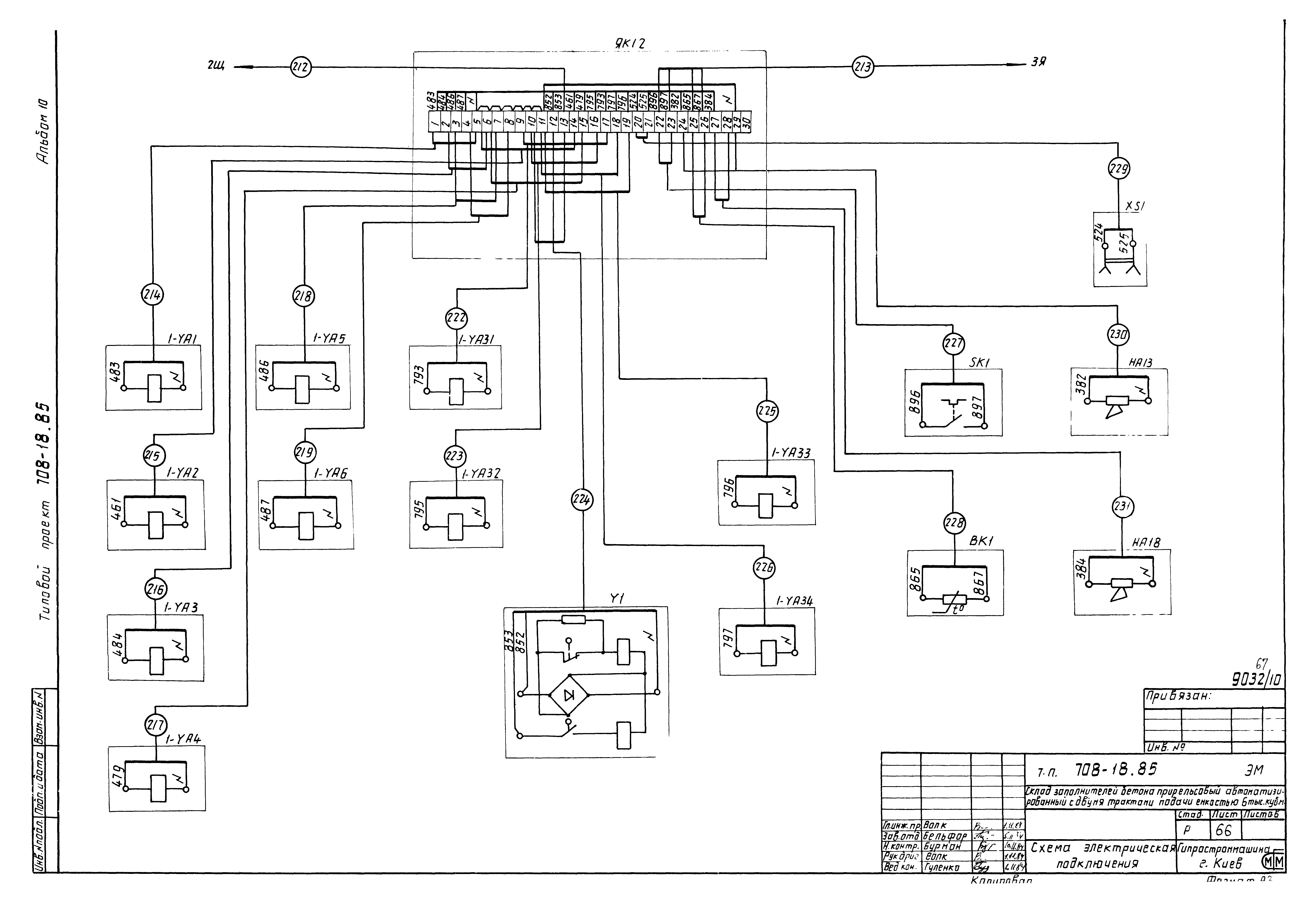
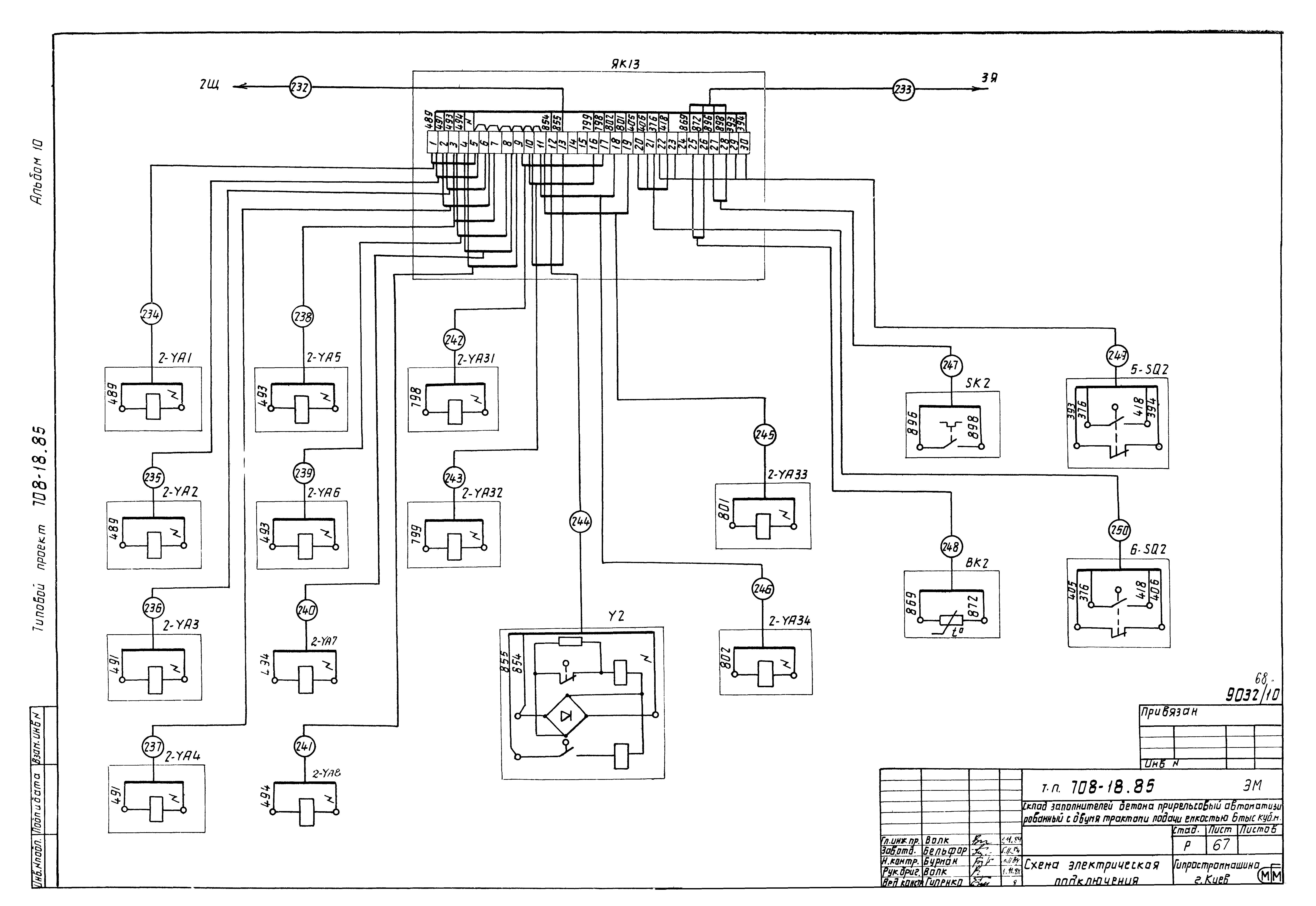
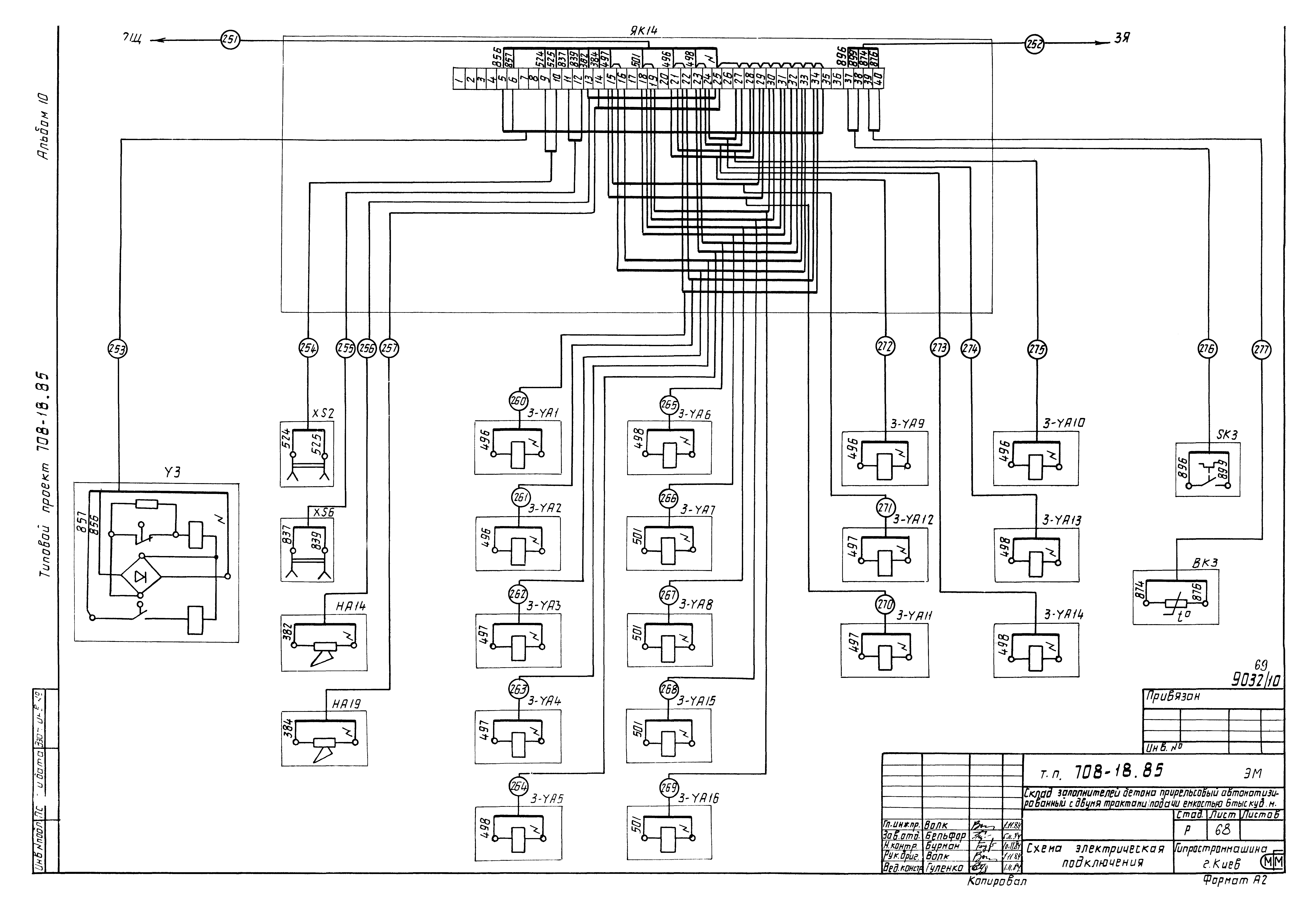
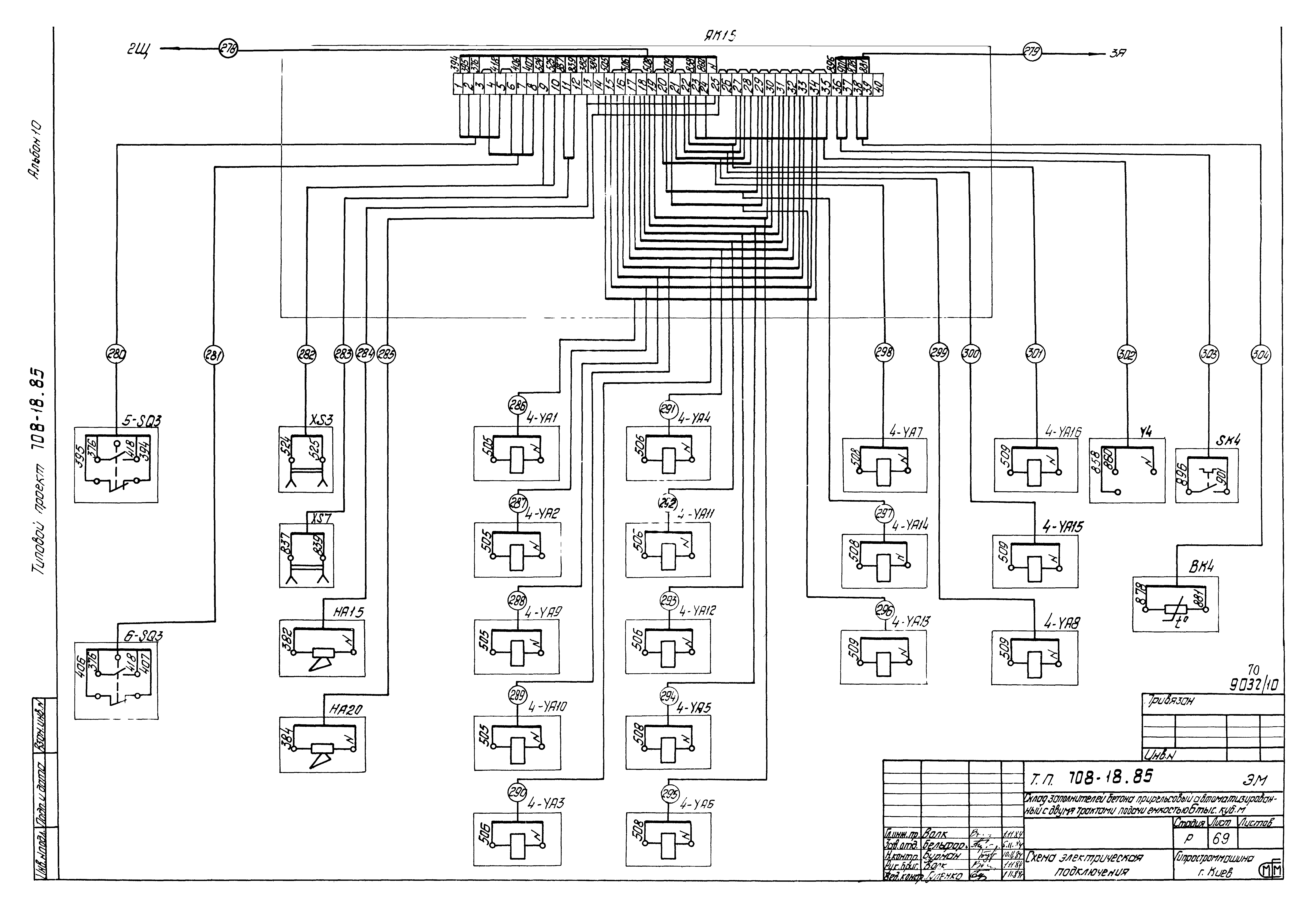
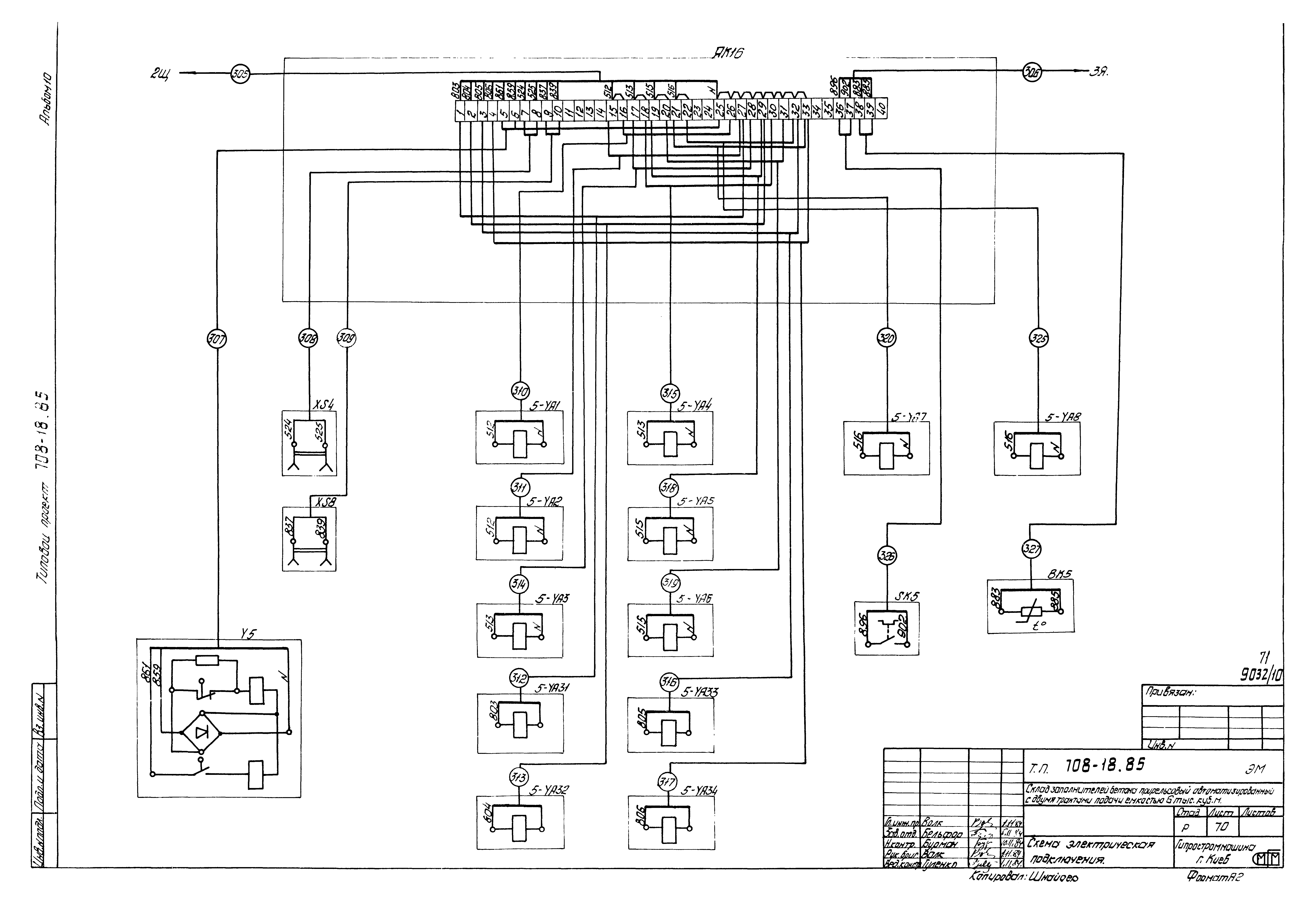
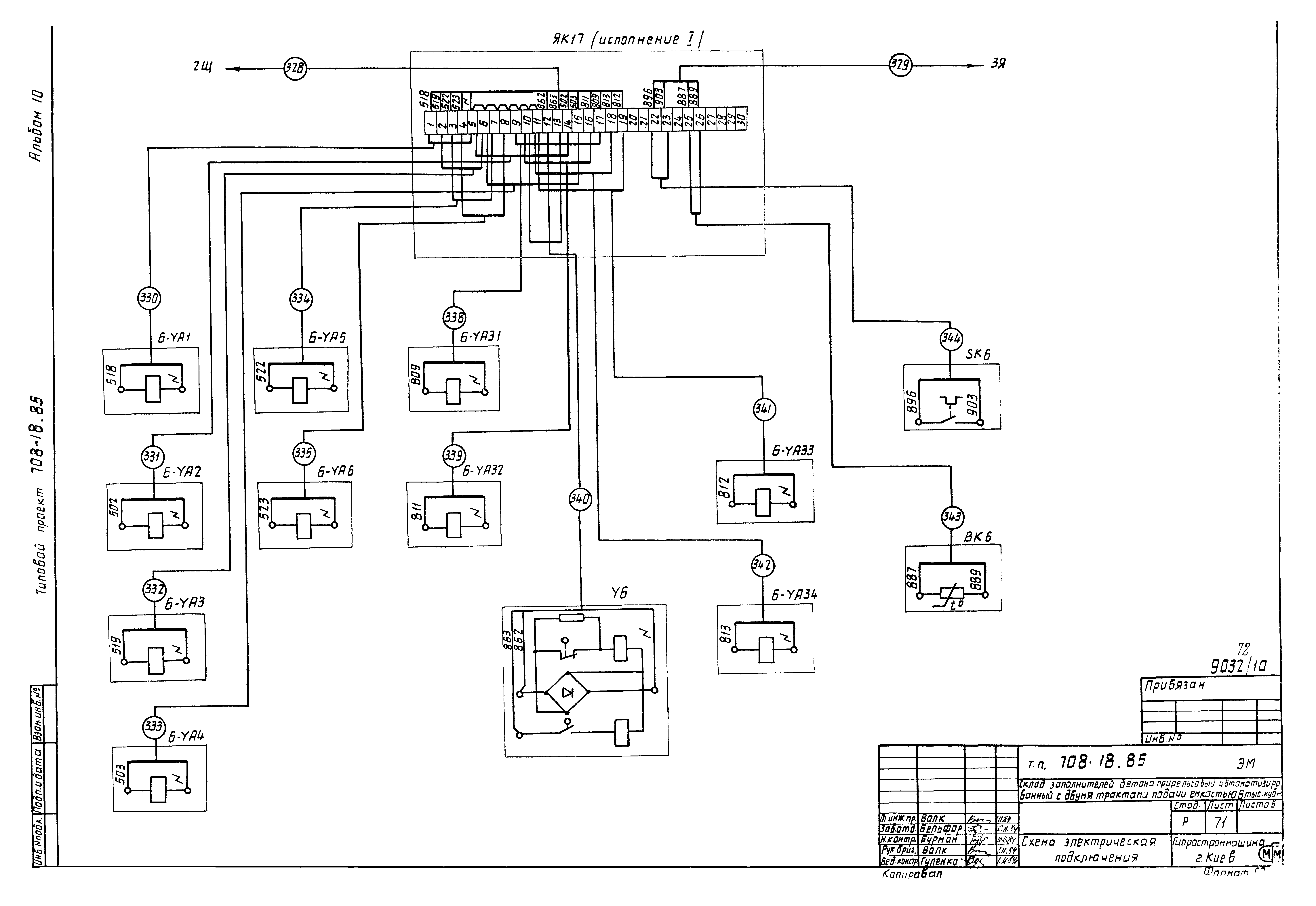
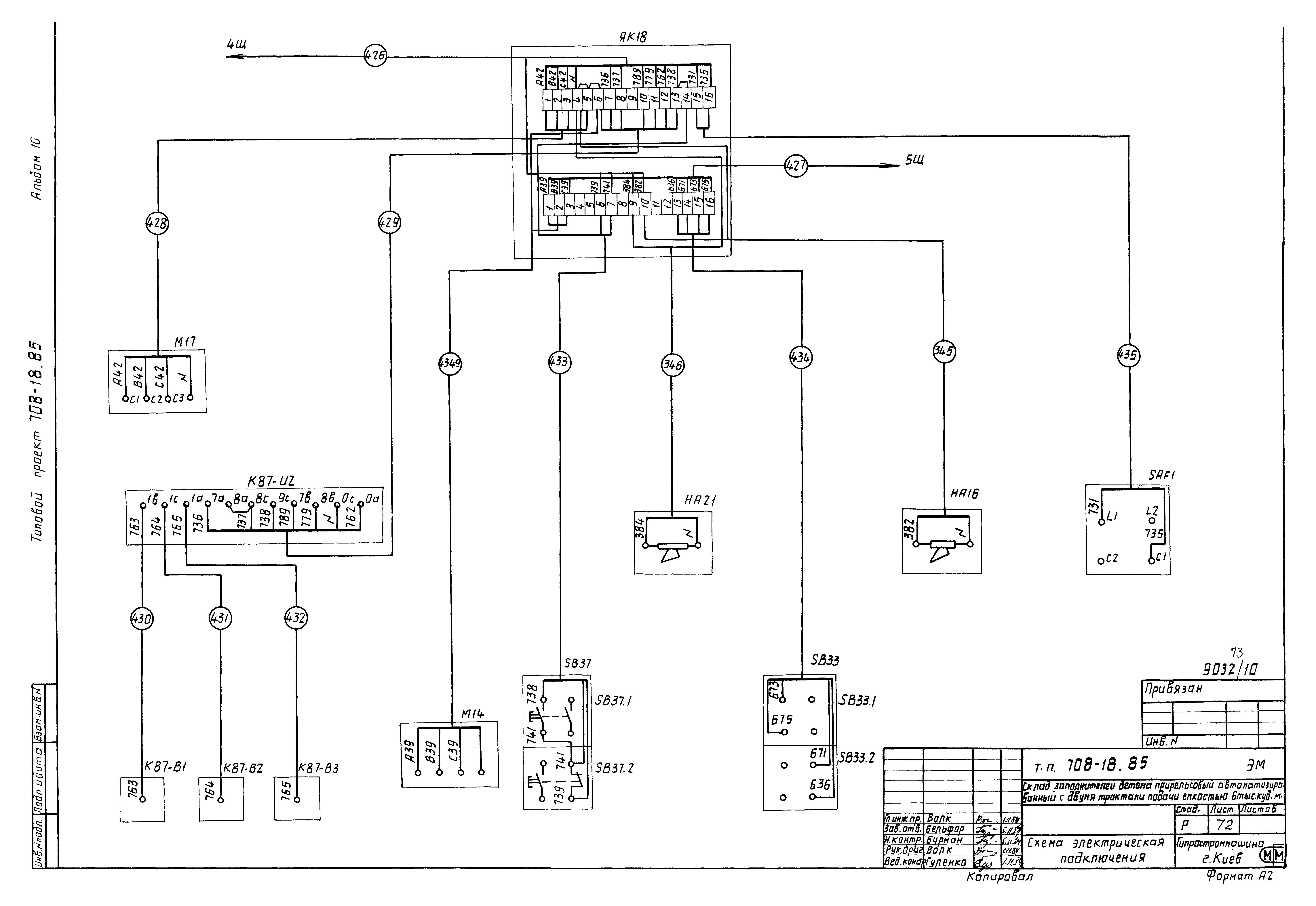
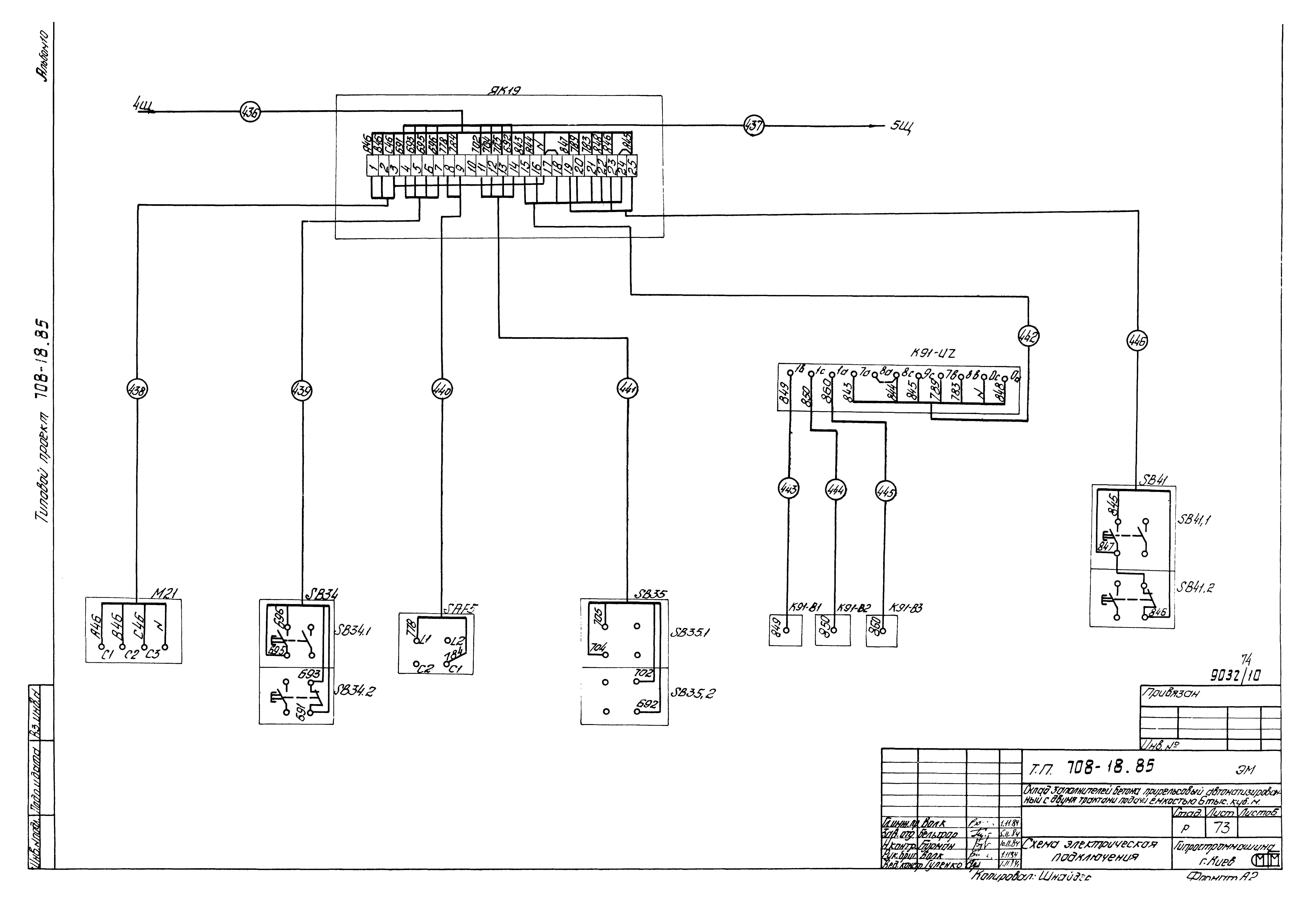
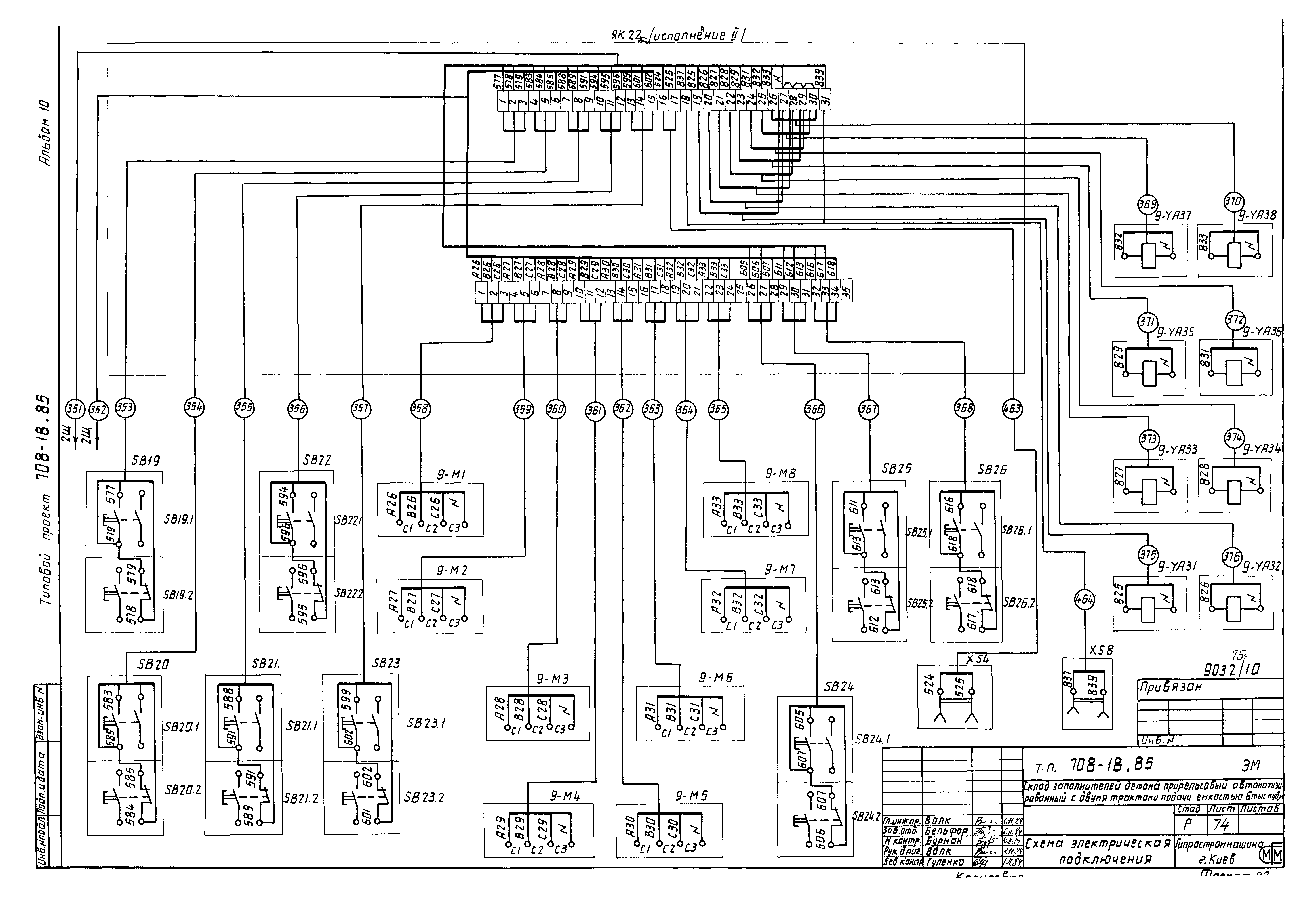
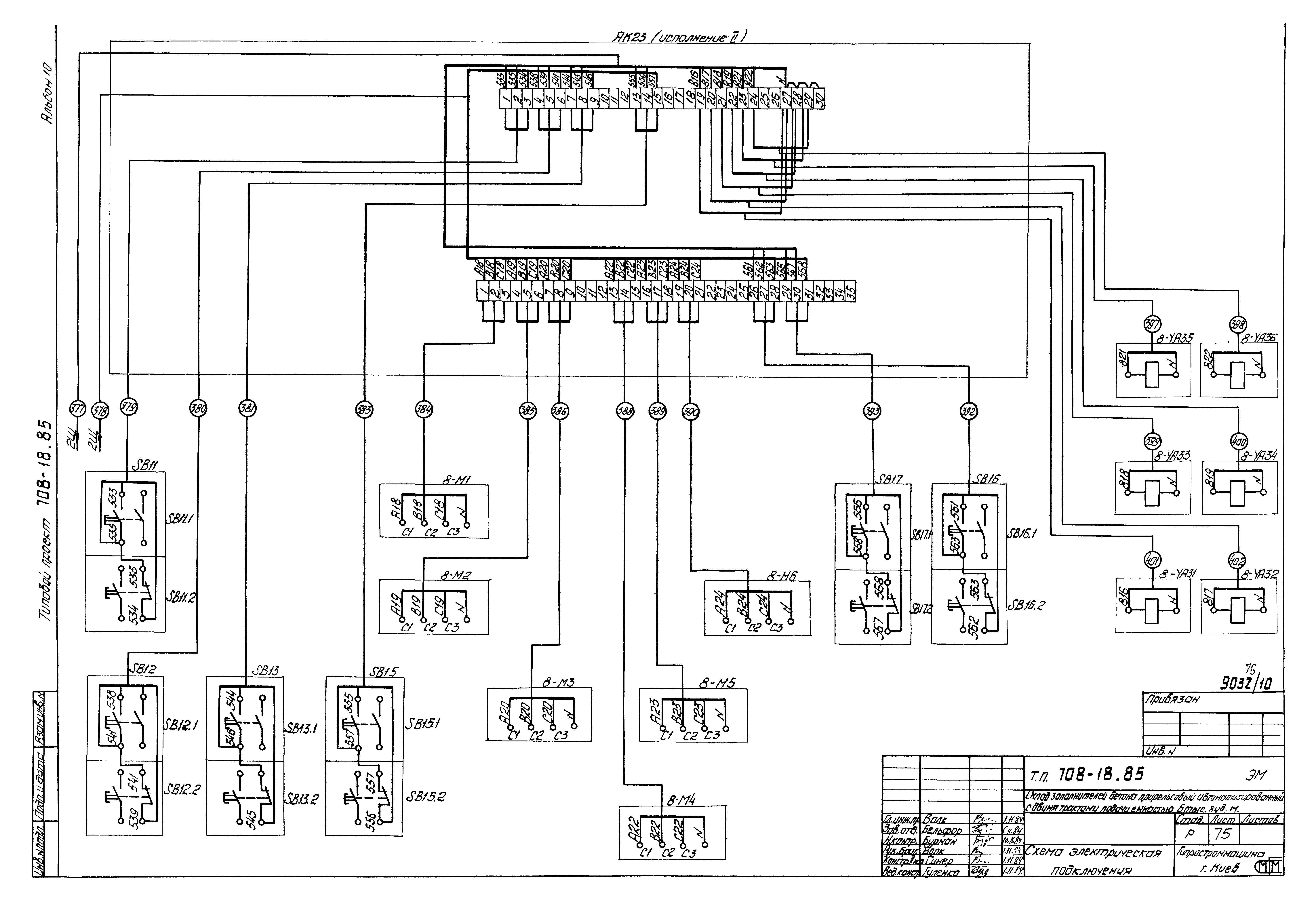
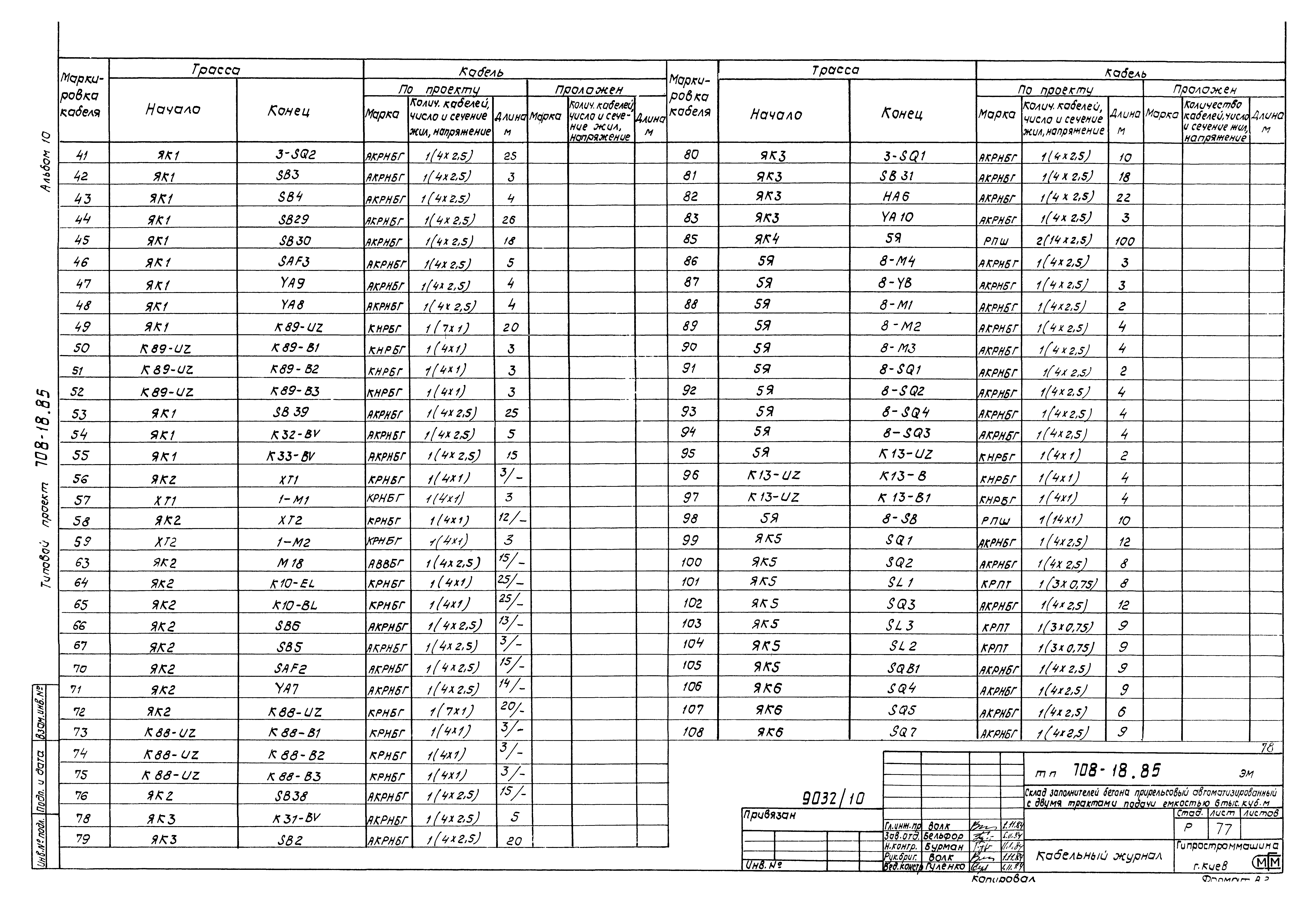
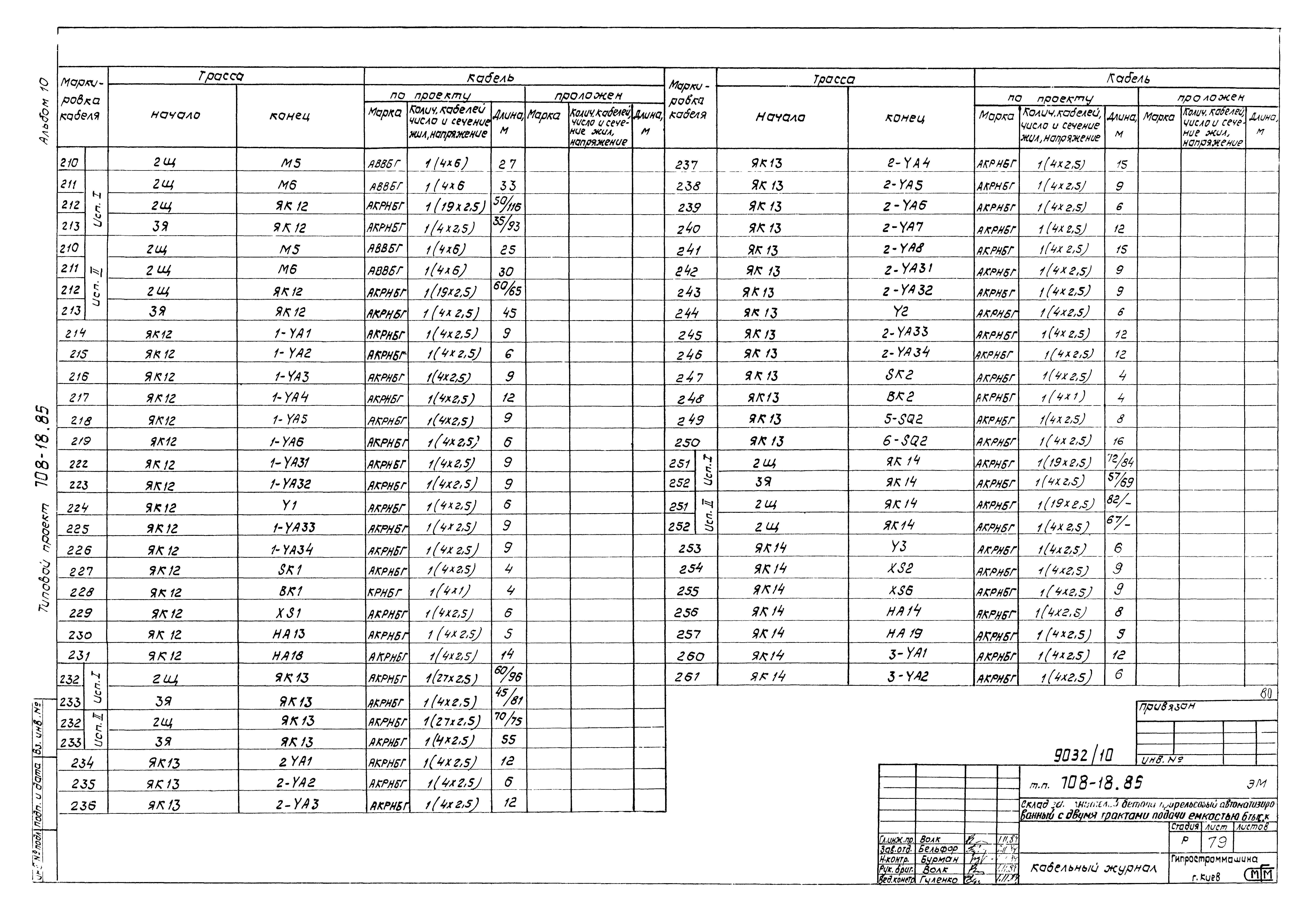
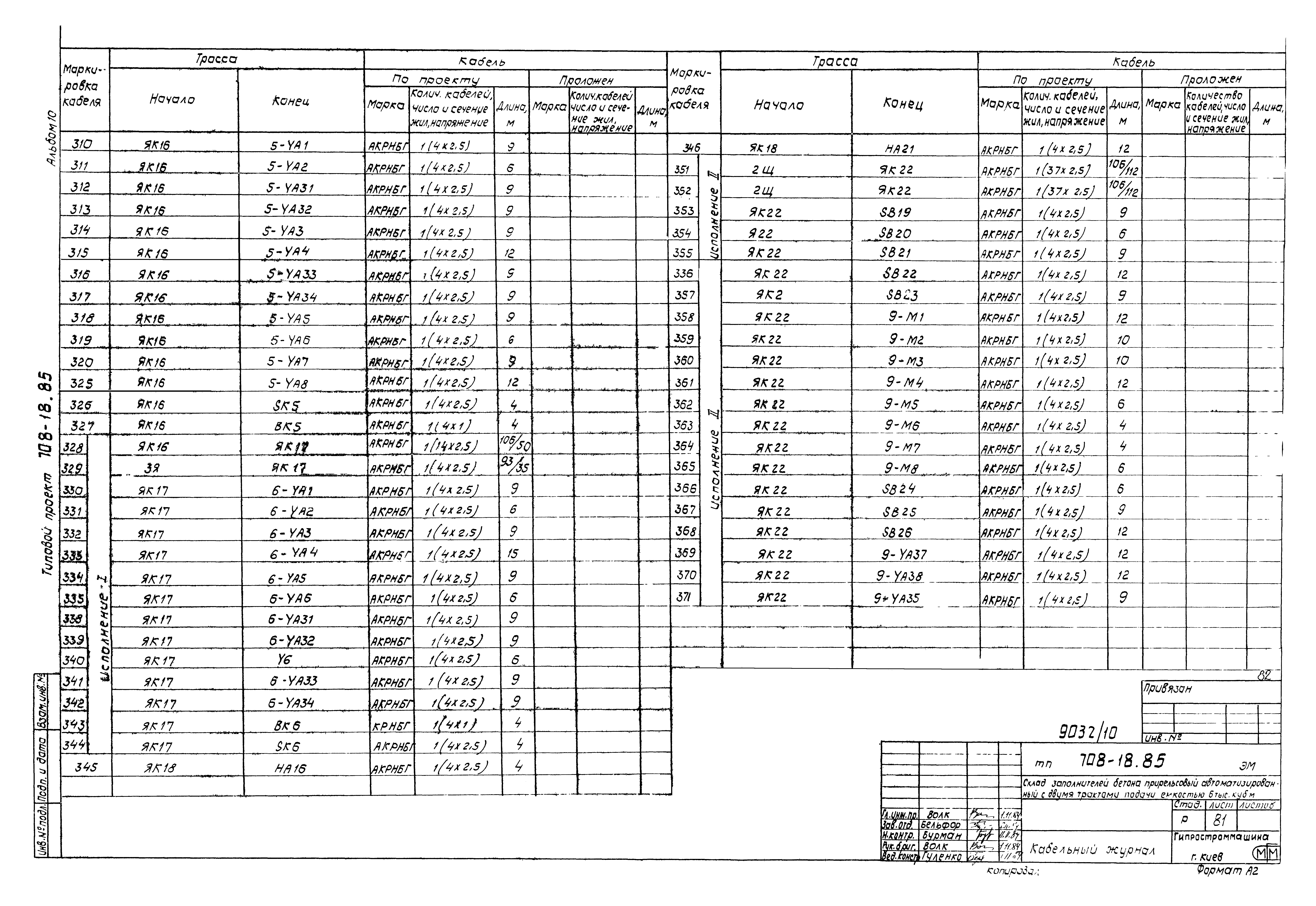
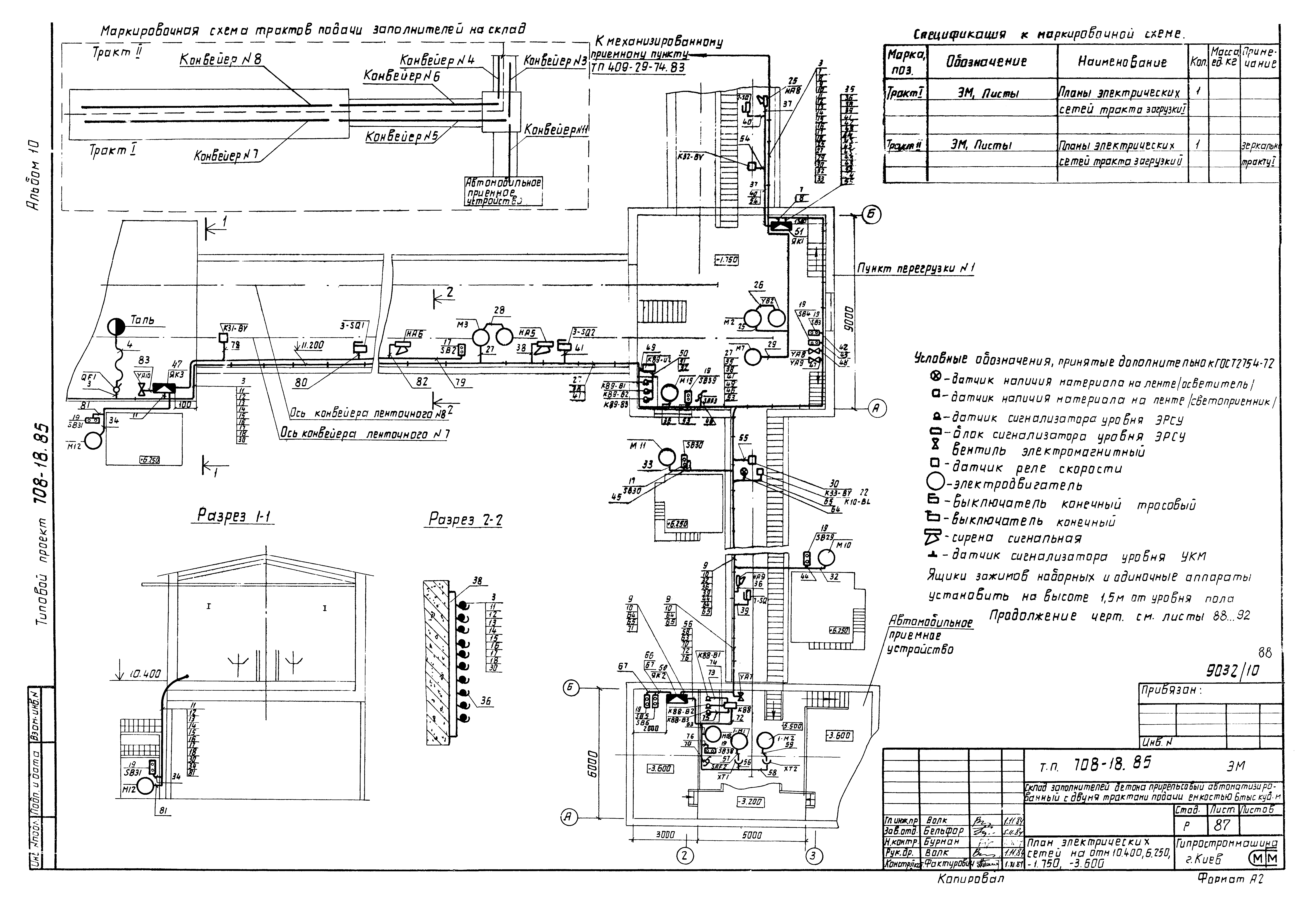
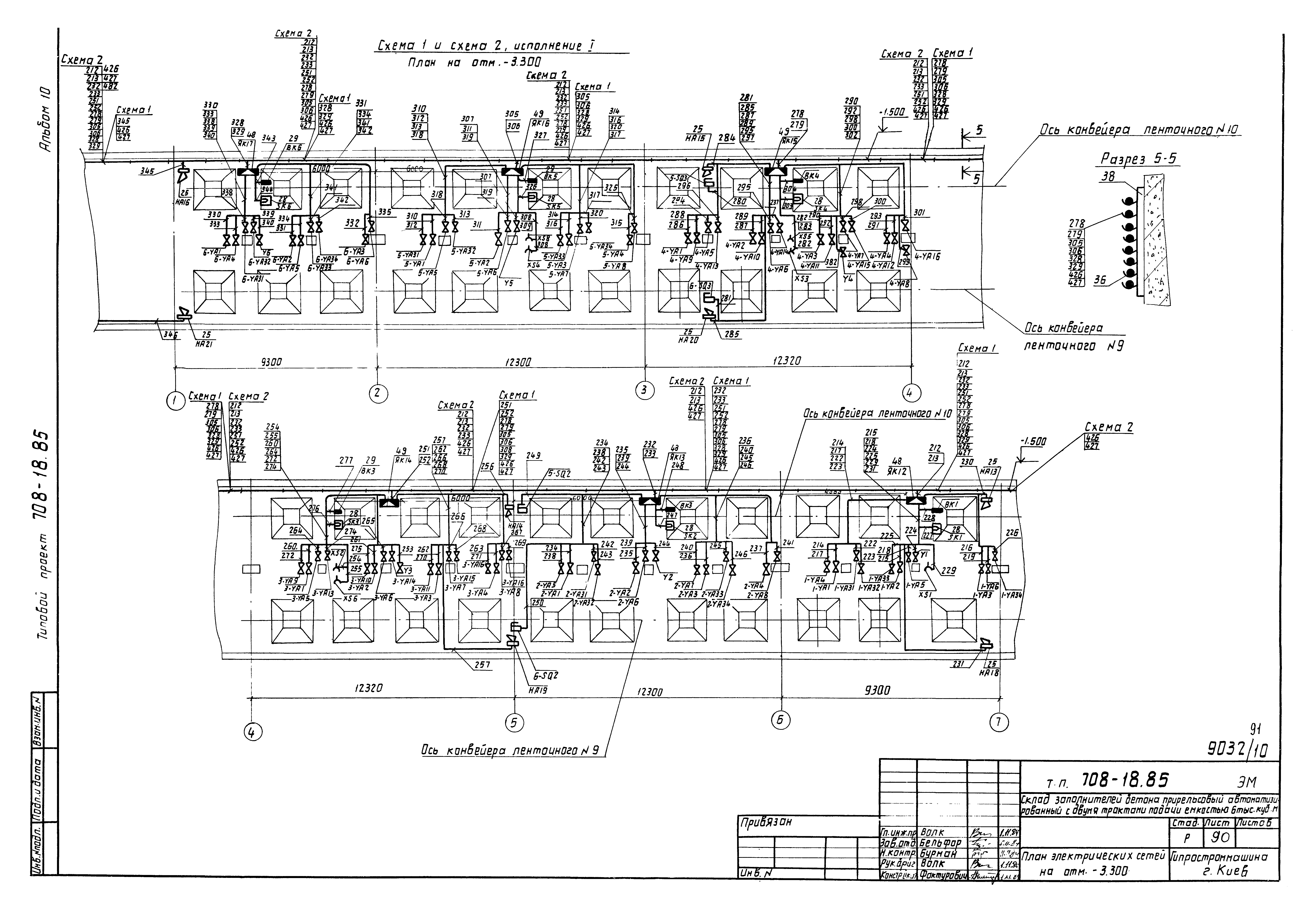
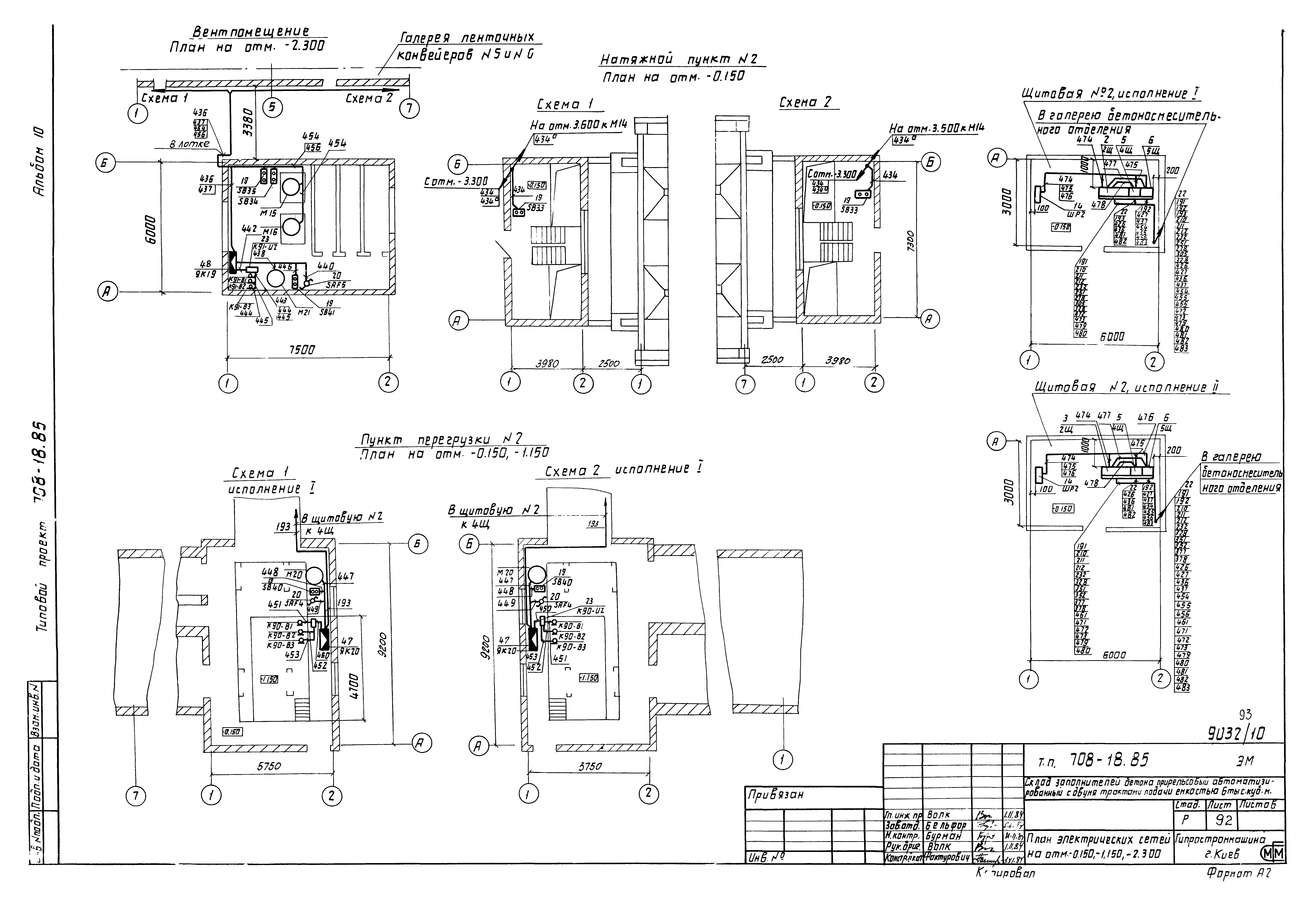
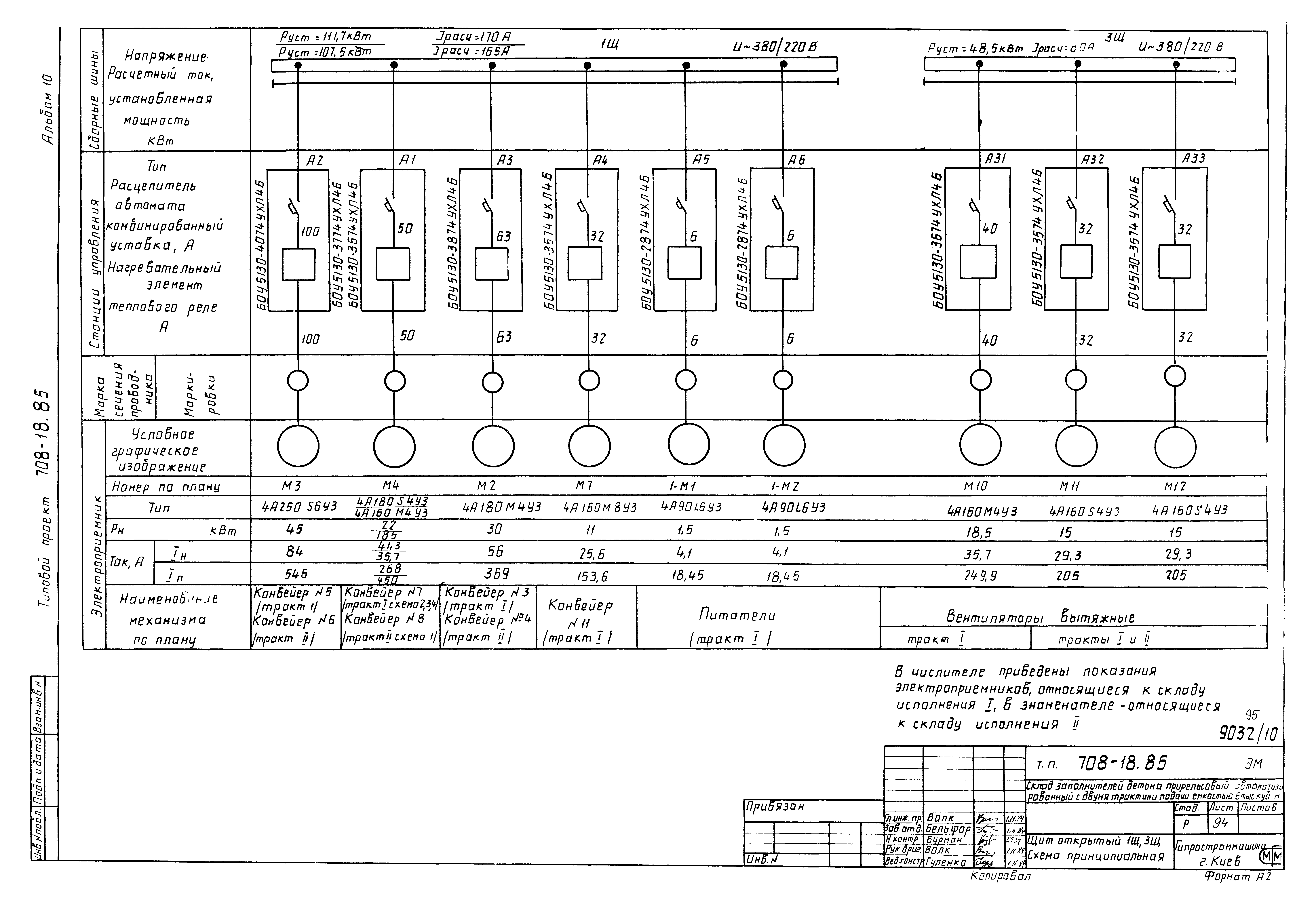
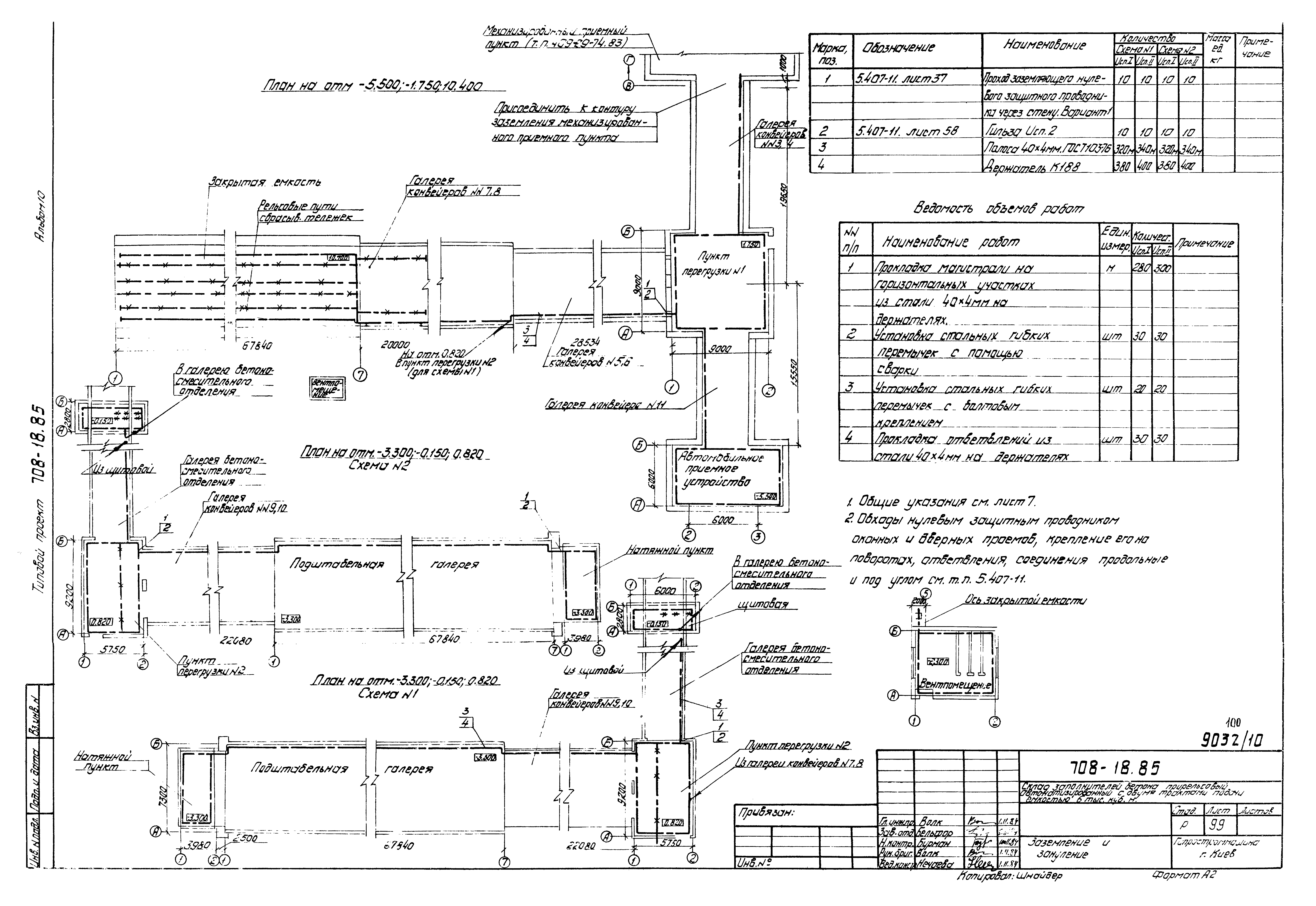
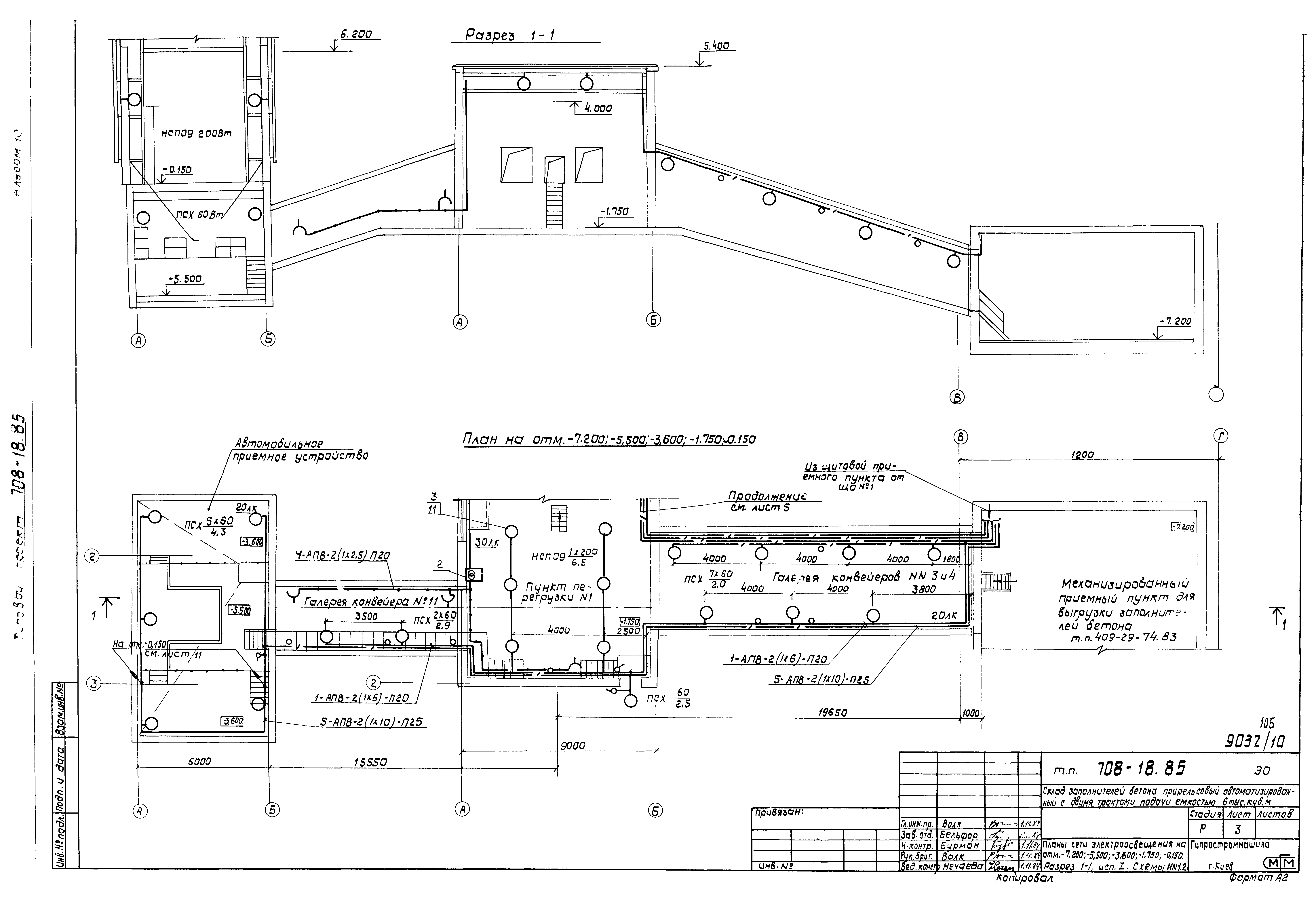
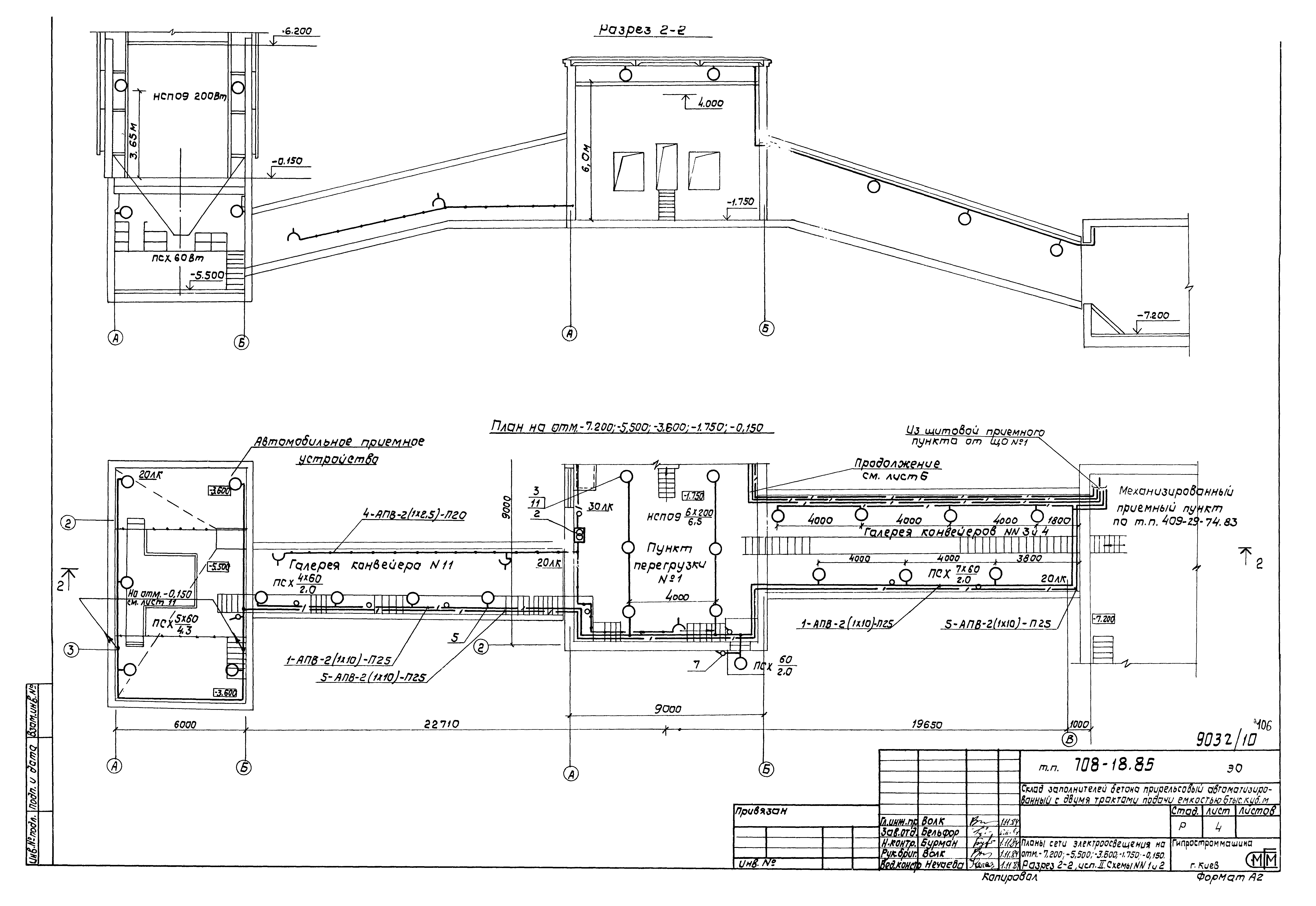
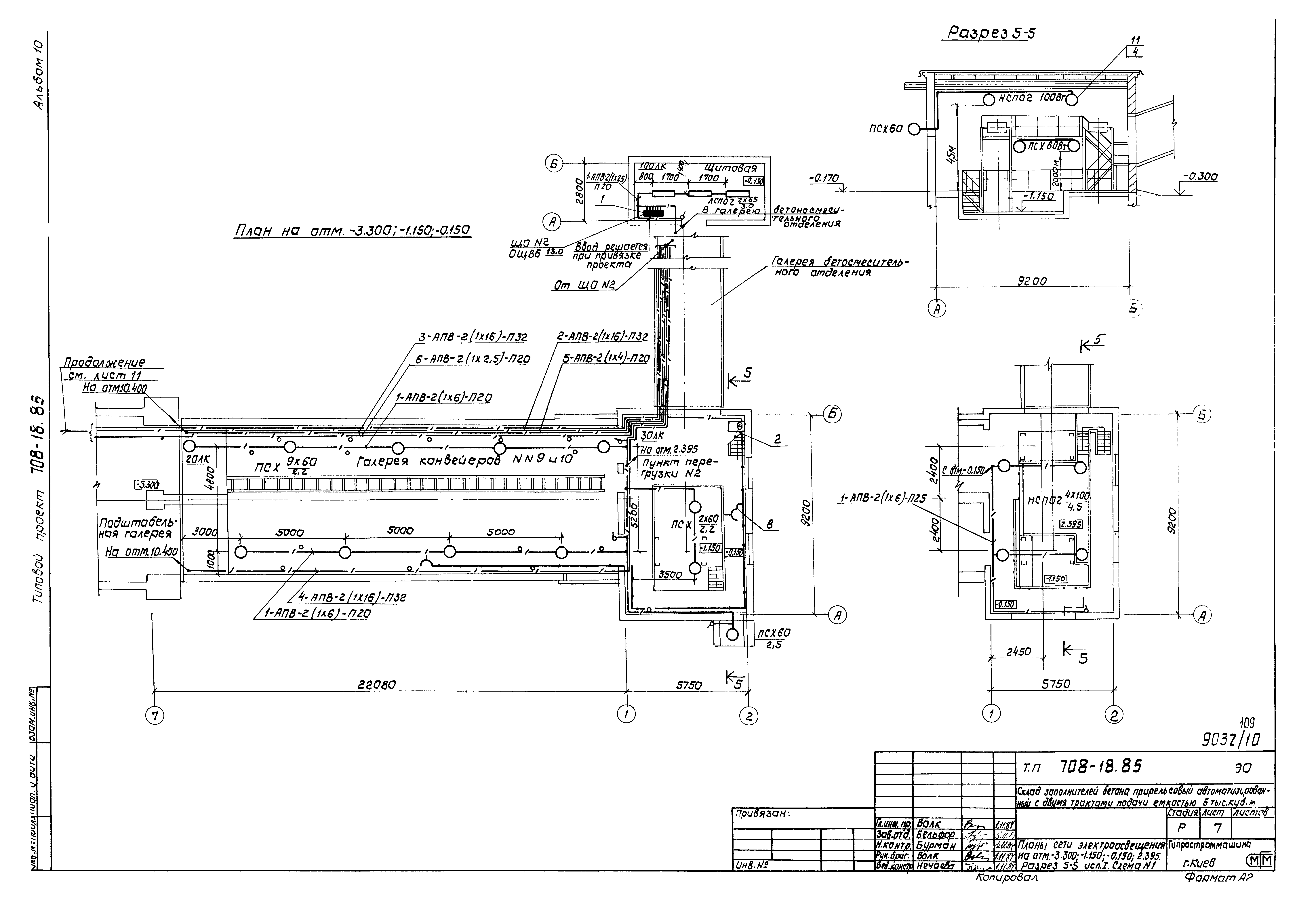
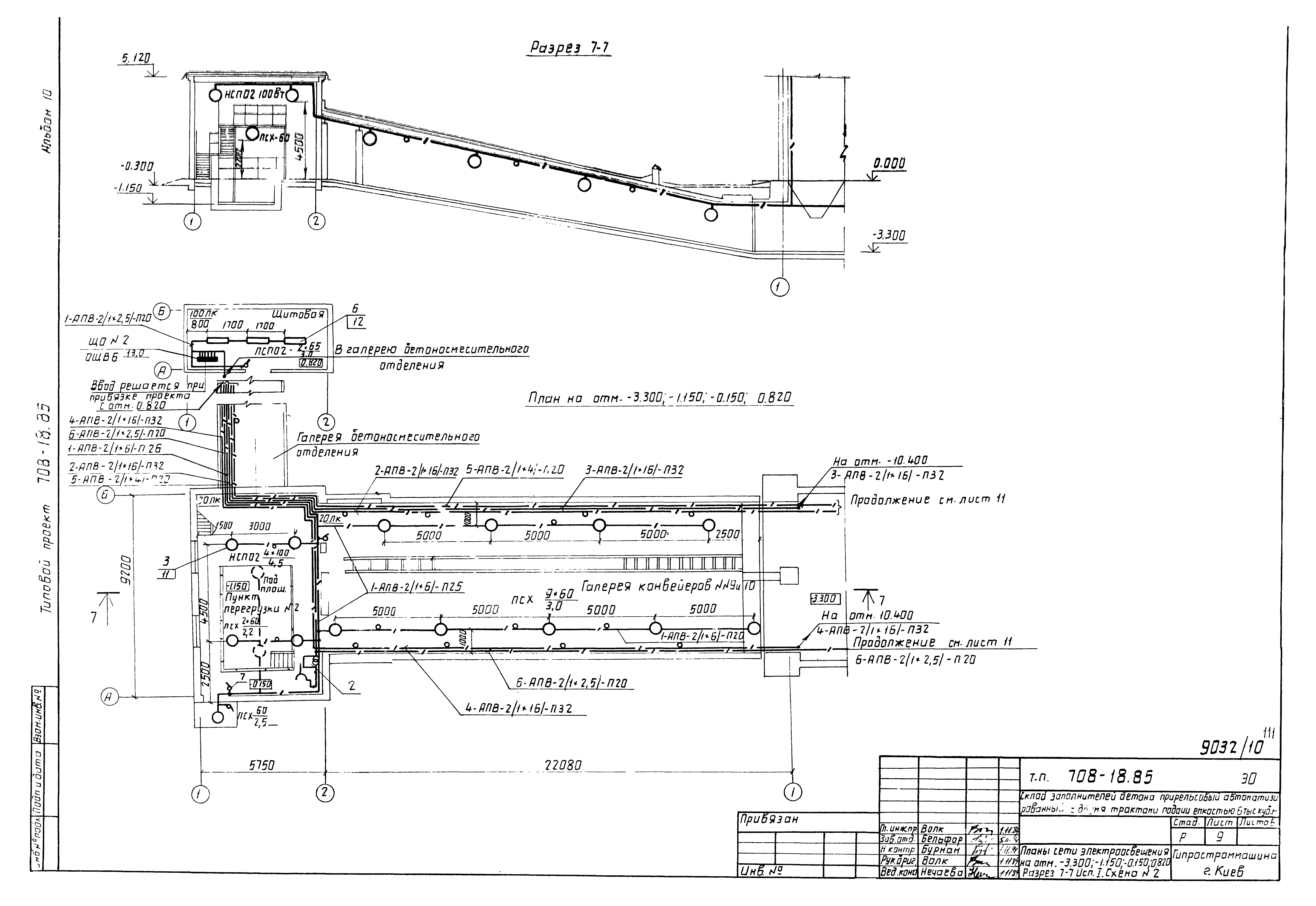
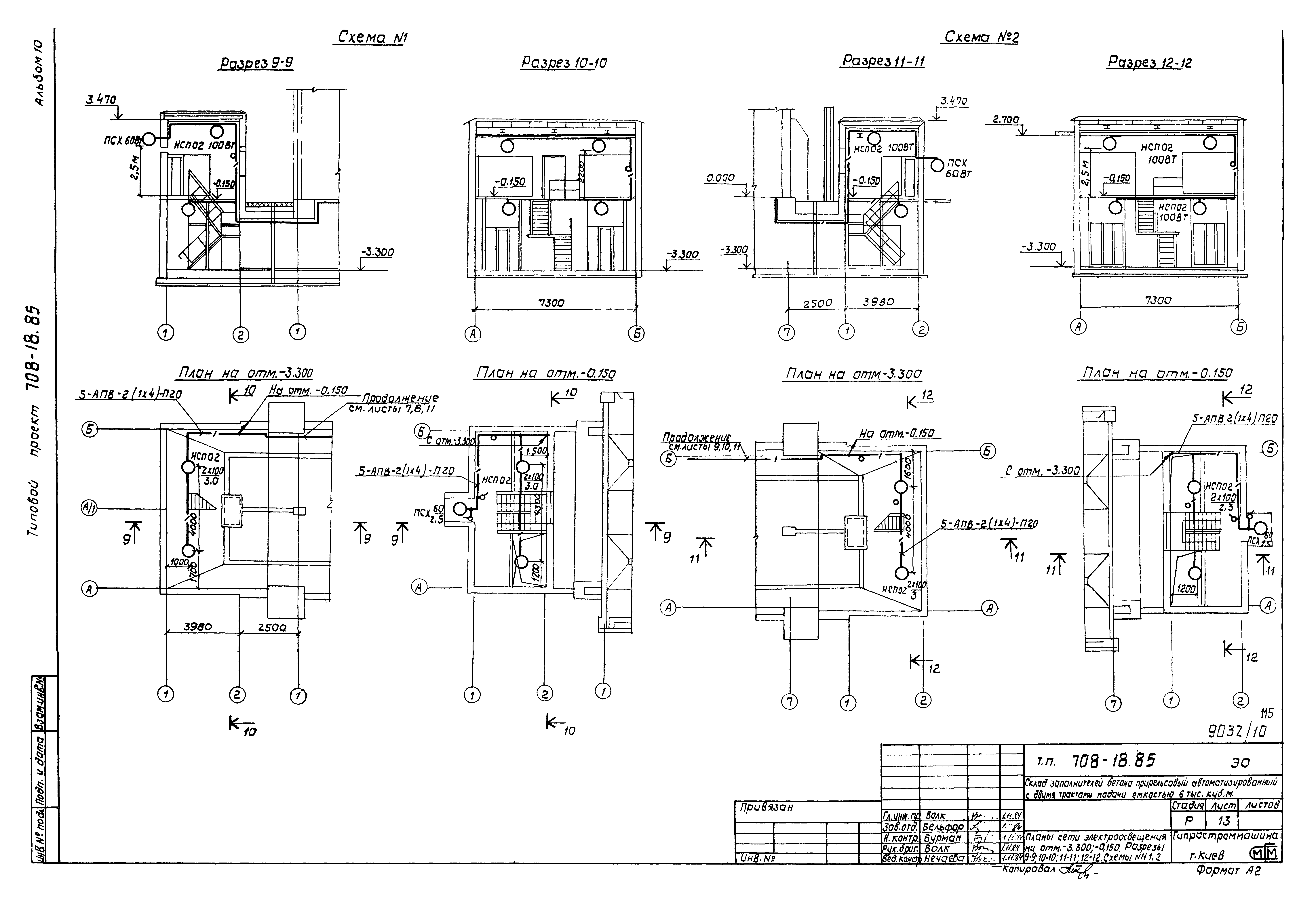
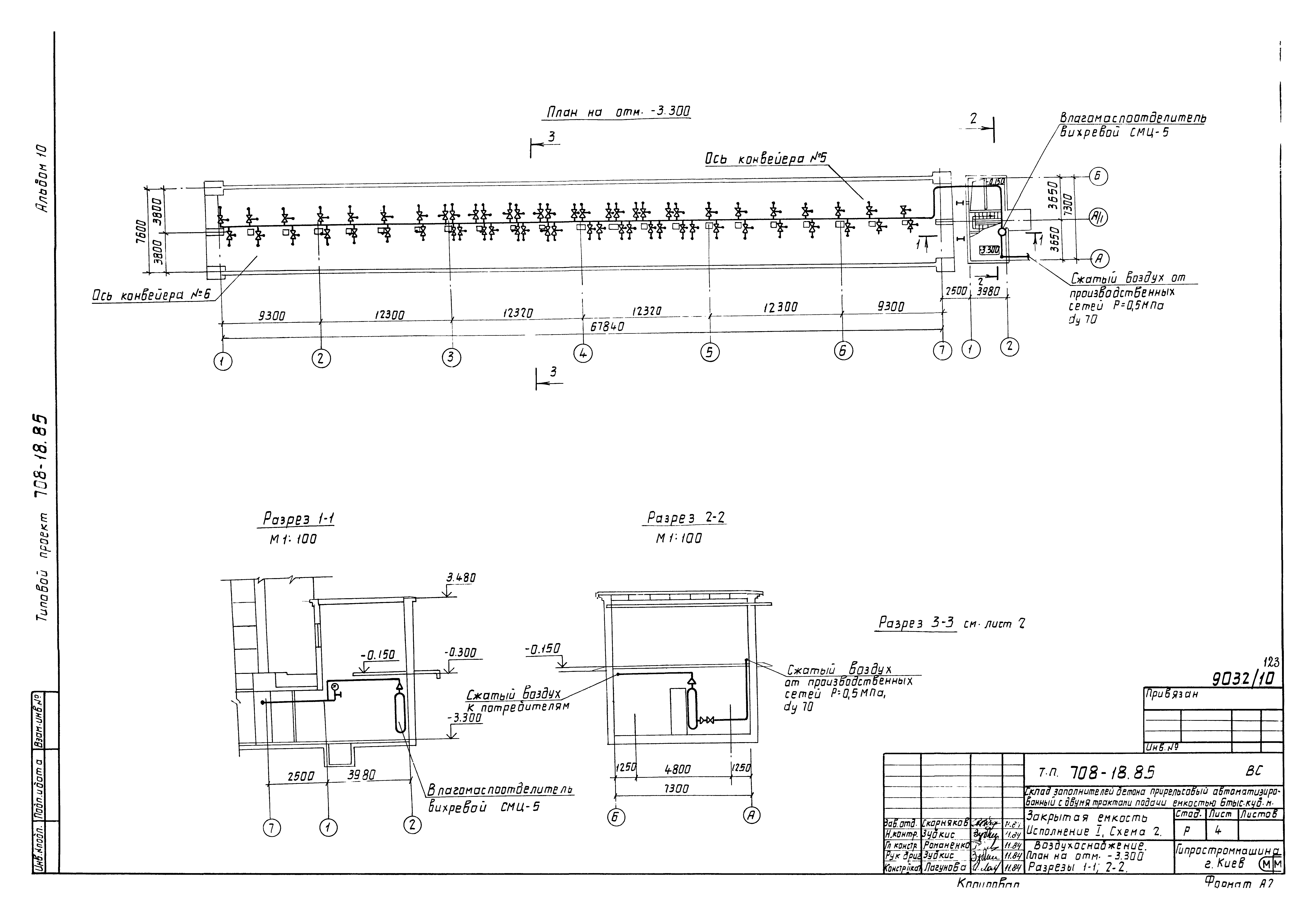
| Оглавление: | Чертежи основного комплекта марки ЭМ Общие данные Схема расположения электрооборудования трактов загрузки Схема электрическая принципиальная трактов загрузки Схема расположения электрооборудования тракта выдачи. Схема 1. Исполнение I Схема расположения электрооборудования тракта выдачи. Схема 1. Исполнение II Схема расположения электрооборудования тракта выдачи. Схема 2. Исполнение I Схема расположения электрооборудования тракта выдачи. Схема 2. Исполнение II Схема электрическая принципиальная тракта выдачи Схема электрическая принципиальная вытяжной вентиляции Схема электрическая принципиальная приточной вентиляции Схема электрическая принципиальная управления насосами и гидрообеспыливанием Схема электрическая принципиальная обогрева заполнителей Схема электрическая подключения Кабельный журнал Спецификации План электрических сетей на отм. 10.400; 6.250; - 1.750; - 3.600 План электрических сетей на отм. 10.400 План электрических сетей на отм. 2.760; - 0.150; - 3.300 План электрических сетей на отм. - 3.300 План электрических сетей на отм. - 0.150; - 1.150; - 2.300 Распределительная сеть. Схема принципиальная Щит открытый 1Щ, 3Щ. Схема принципиальная Щит открытый 2Щ. Схема принципиальная Щит открытый 4Щ, 5Щ. Ящик 5Я. Схема принципиальная Ведомость МЭЗ. Ведомость объемов электромонтажных работ Заземление и зануление Ведомость электрооборудования и электромонтажных изделий Чертежи основного комплекта марки ЭО Общие данные Спецификации Планы сети электроосвещения на отм. - 7.200; - 5.500; - 3.300; - 1.750; - 0.150. Разрез 1-1. Исполнение I. Схемы №1 и №2 Планы сети электроосвещения на отм. - 7.200; - 5.500; - 3.300; - 1.750; - 0.150. Разрез 2-2. Исполнение II. Схемы №1 и №2 Планы сети электроосвещения на отм. - 1.750; 10.400. Разрезы 3-3, 4-4. Исполнение I. Схемы №1 и №2 Планы сети электроосвещения на отм. -.1.900; 10.400. Исполнение II. Схемы №1 и №2 Планы сети электроосвещения на отм. - 3.300; - 1.150; - 0.150; 2.395. Разрез 5-5. Исполнение I. Схема №1 Планы сети электроосвещения на отм. - 3.300; 0.820; 2.070. Разрез 6-6. Исполнение II. Схема №1 Планы сети электроосвещения на отм. - 3.300; - 1.150; - 0.150. Разрез 7-7. Исполнение I. Схема №2 Планы сети электроосвещения на отм. - 3.300; 0.820. Разрез 8-8. Исполнение II. Схема №2 Планы сети электроосвещения на отм. - 3.300; - 2.300; - 0.150 Планы сети электроосвещения на отм. 10.400 Планы сети электроосвещения на отм. - 3.300; - 0.150. Разрезы 9-9, 10-10, 11-11, 12-12. Схемы №1 и №2 Задание МЭЗ. Ведомость объемов электромонтажных работ. Схема 1 Задание МЭЗ. Ведомость объемов электромонтажных работ. Схема 2 Ведомости потребности электрооборудования, кабельных изделий и материалов. Схема 1 Ведомости потребности электрооборудования, кабельных изделий и материалов. Схема 2 Чертежи основного комплекта марки ВС Воздухоснабжение. Заглавный лист Воздухоснабжение. План на отм. - 3.300. Разрезы 1-1, 2-2 Воздухоснабжение. Схемы 1, 2 Воздухоснабжение. План на отм. - 3.300. Разрезы 1-1, 2-2 Воздухоснабжение. Схемы 1, 2 |
| Разработан: | Харьковский Промстройниипроект |
| Утверждён: | 07.01.1983 Госстрой СССР (Государственный комитет Совета Министров СССР по делам строительства) (USSR Gosstroy ВА-2) |
































































































































