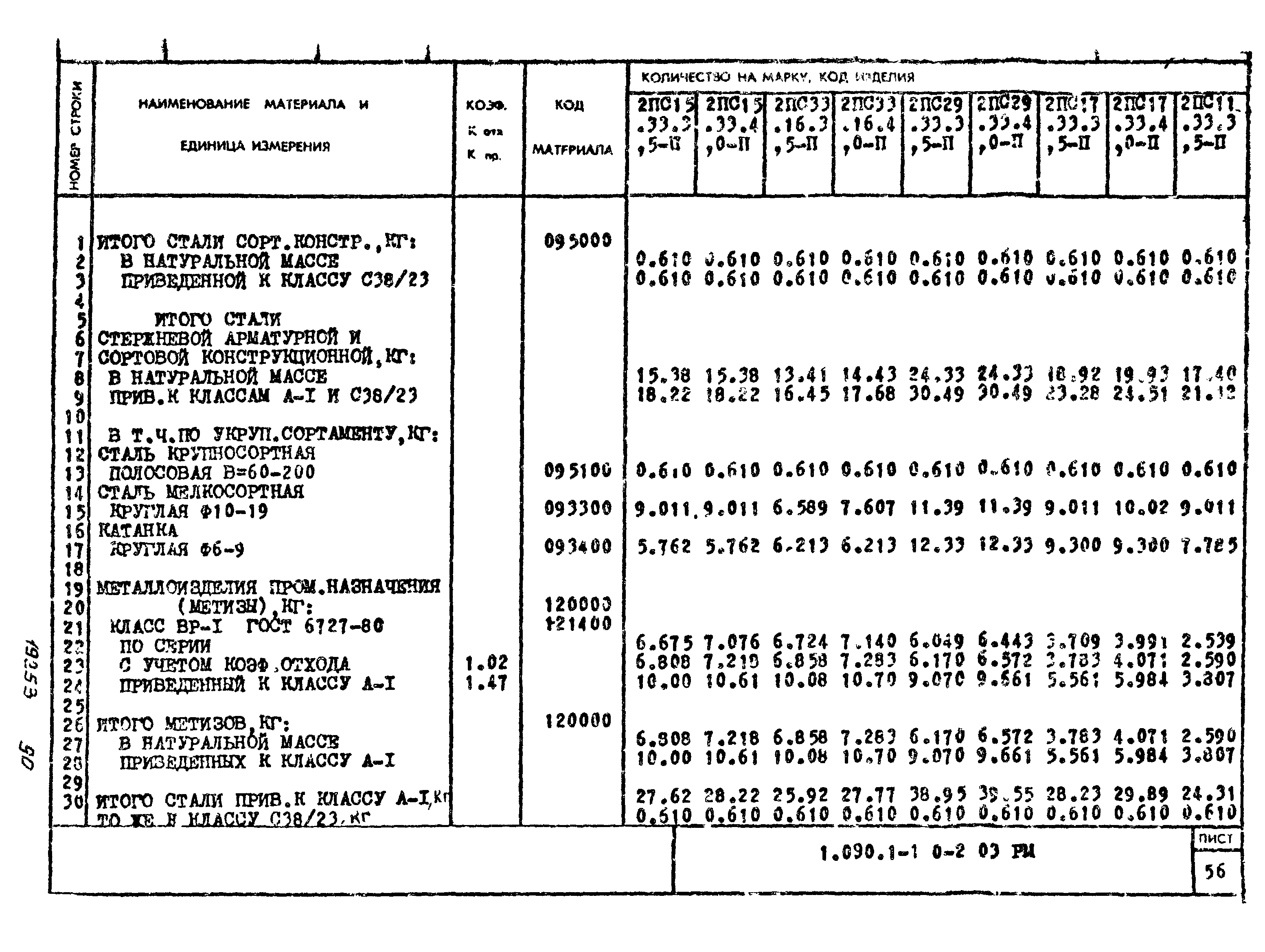
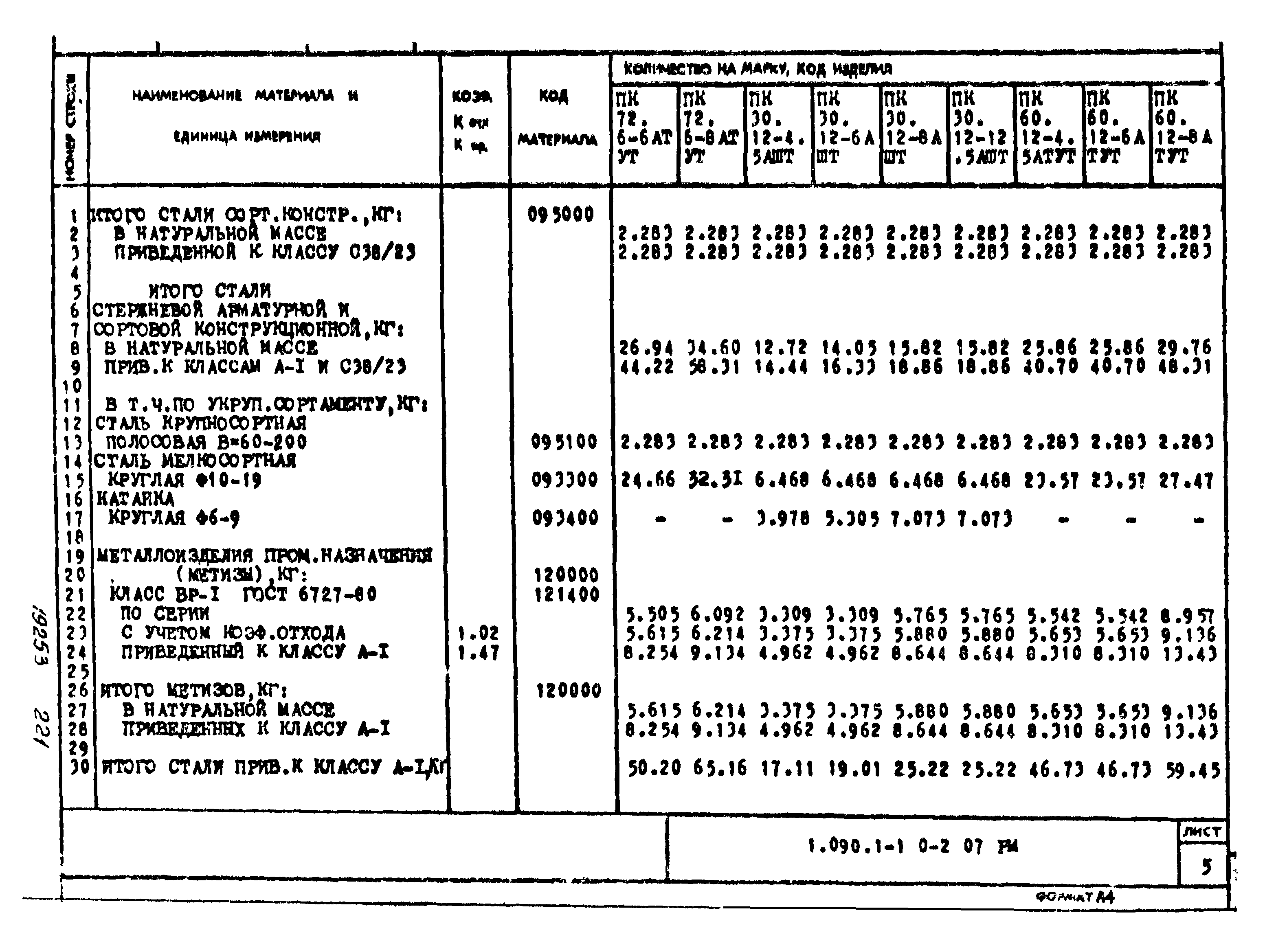
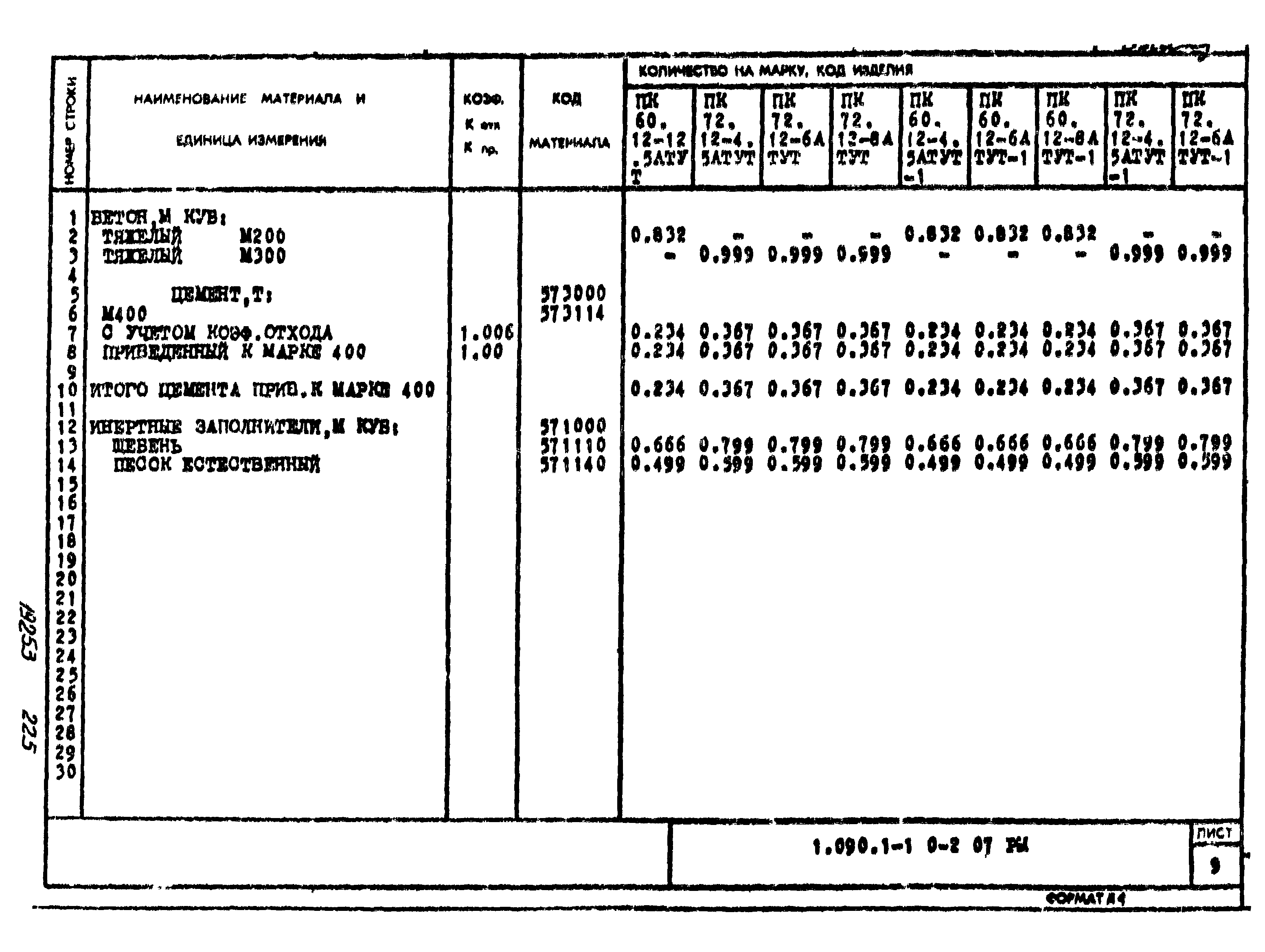
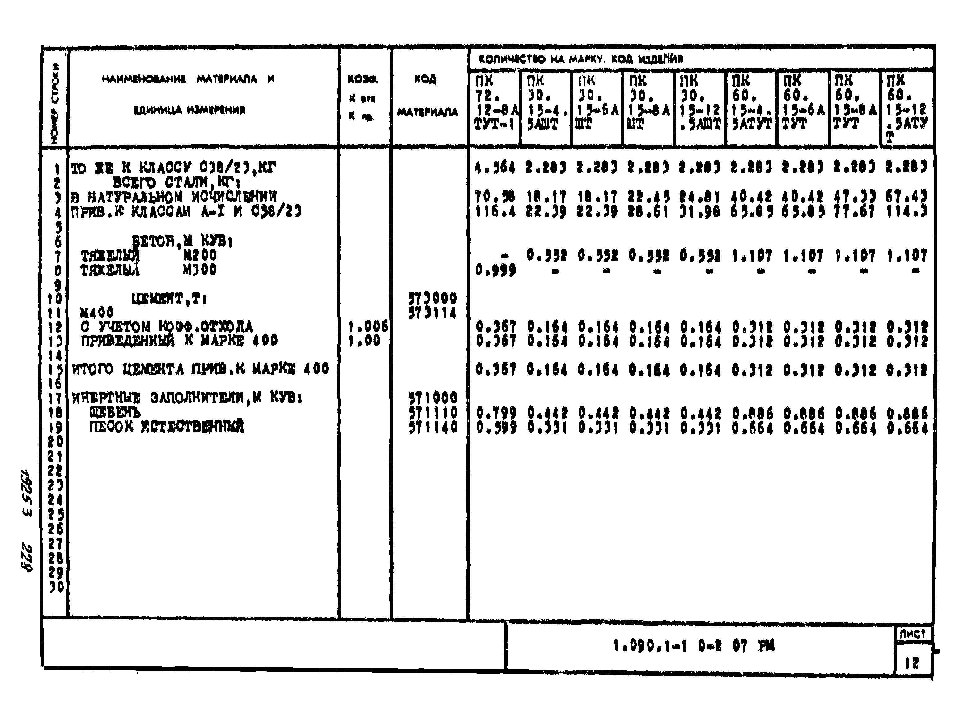
Скачать Серия 1.090.1-1 Выпуск 0-2. Ведомости расхода материалов. Рабочие чертежиДата актуализации: 01.01.2021
|
| Обозначение: | Серия 1.090.1-1 |
| Обозначение англ: | Series 1.090.1-1 |
| Статус: | не действует |
| Название рус.: | Выпуск 0-2. Ведомости расхода материалов. Рабочие чертежи |
| Дата добавления в базу: | 01.09.2013 |
| Дата актуализации: | 01.01.2021 |
| Дата введения: | 01.01.1984 |
| Дата окончания срока действия: | 01.05.1999 |
| Разработан: | КиевЗНИИЭП ЦНИИЭП торгово-бытовых зданий и туристских комплексов |
| Утверждён: | 30.08.1983 Госстрой СССР (Государственный комитет Совета Министров СССР по делам строительства) (USSR Gosstroy ВА-37) |
| Заменяет собой: |



















































































































































































































































