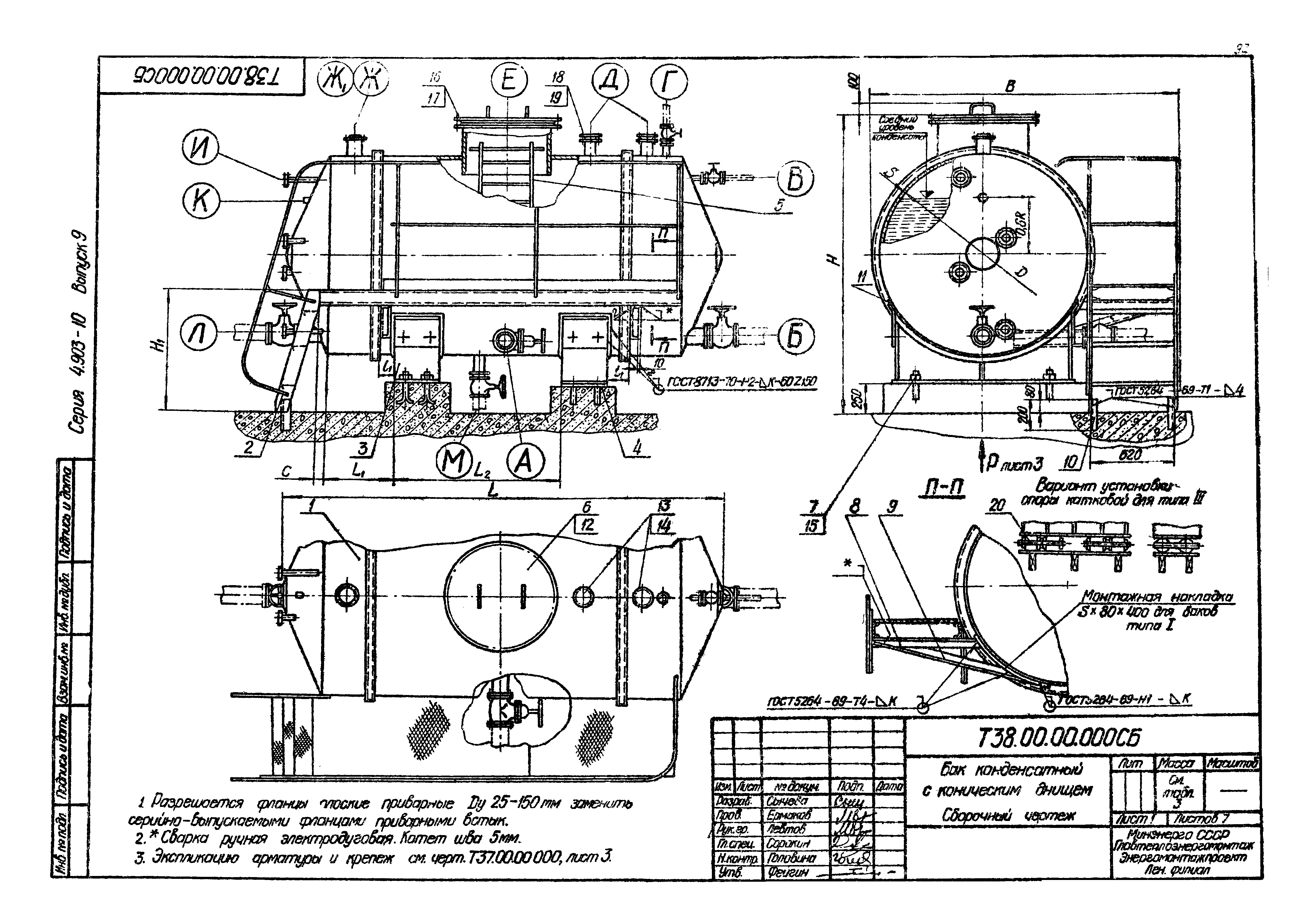
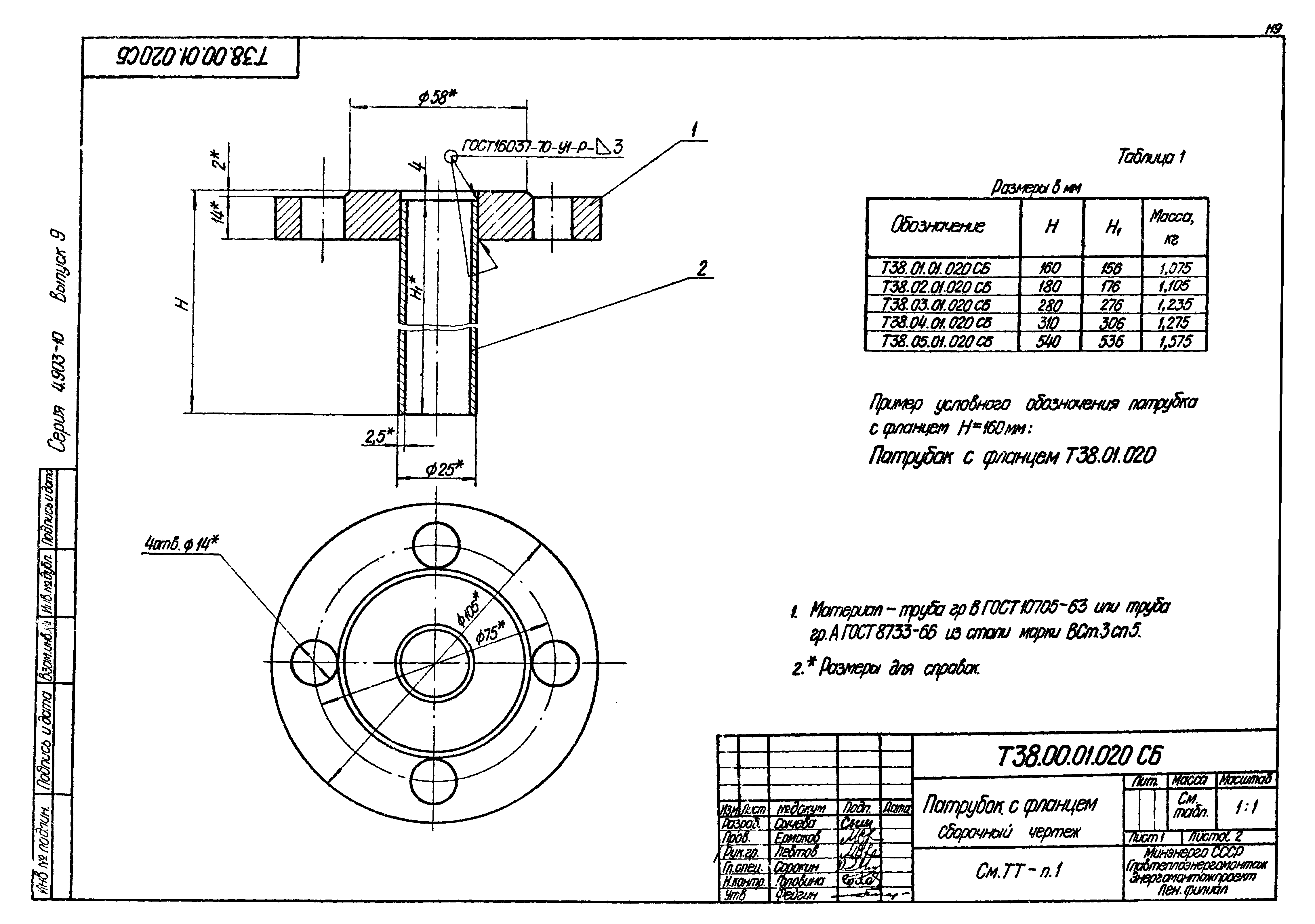
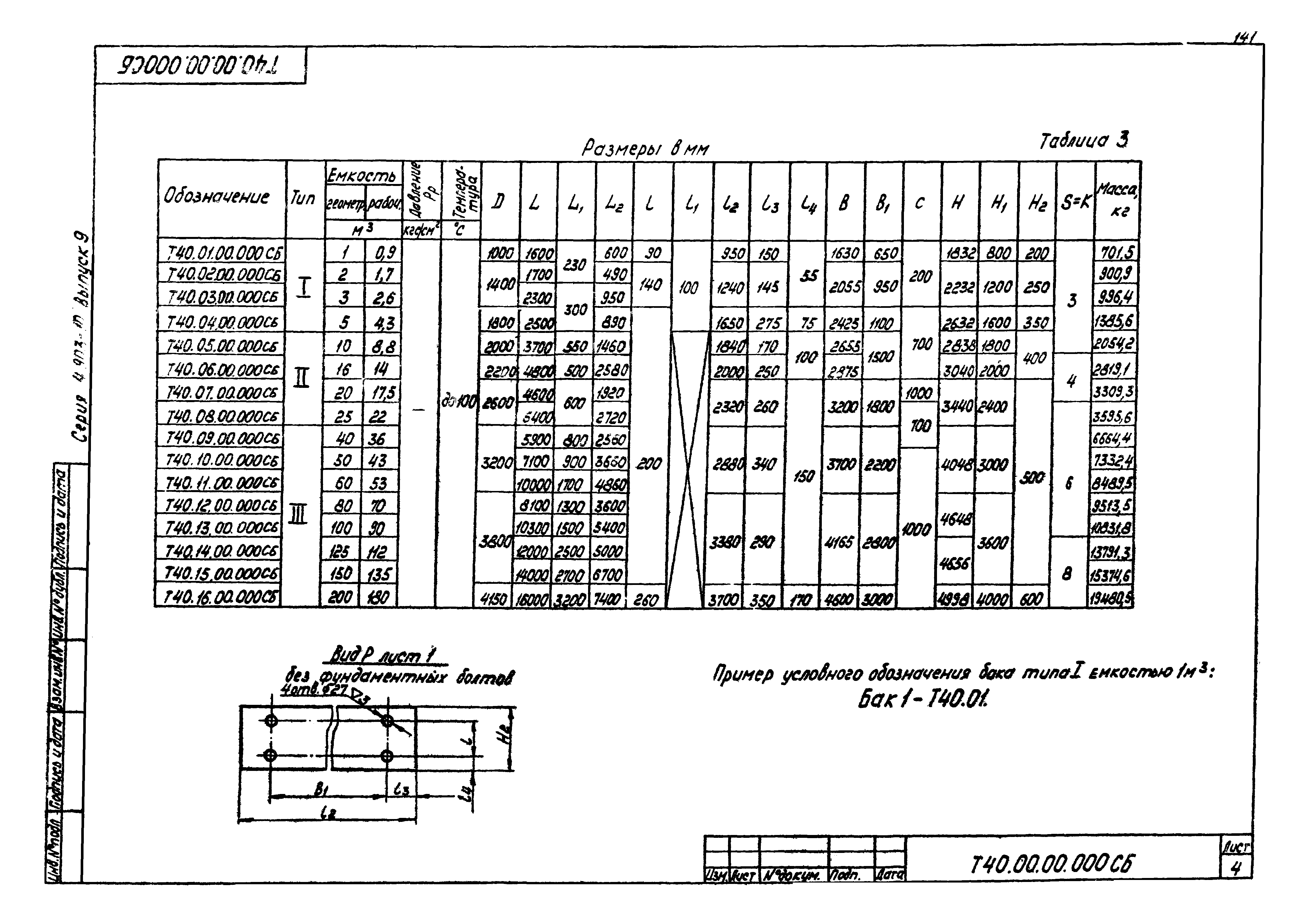
Скачать Серия 4.903-10 Выпуск 9. Баки расширительные и конденсатныеДата актуализации: 01.01.2021 Серия 4.903-10
Выпуск 9. Баки расширительные и конденсатные| Обозначение: | Серия 4.903-10 | | Обозначение англ: | Series 4.903-10 | | Статус: | заменен | | Название рус.: | Выпуск 9. Баки расширительные и конденсатные | | Дата добавления в базу: | 01.09.2013 | | Дата актуализации: | 01.01.2021 | | Дата введения: | 01.10.1972 | | Дата окончания срока действия: | 01.04.1992 | | Разработан: | Теплоэлектропроект Энергомонтажпроект
| | Утверждён: | 17.08.1972 Главпромстройпроект Госстроя СССР (58)
|
                                                                                                                                                                    
|