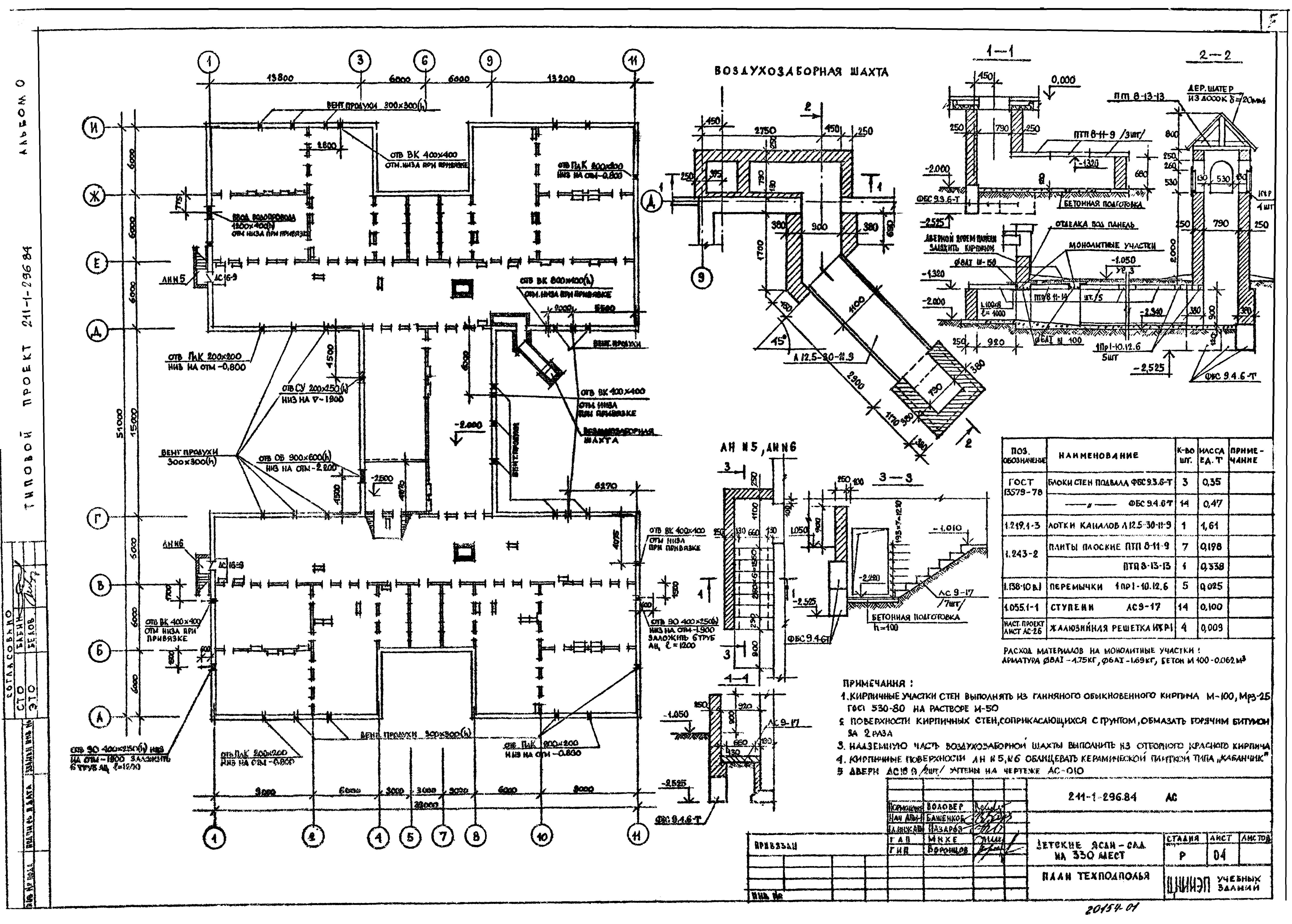
Скачать Типовой проект 211-1-296.84 Альбом 0. Материалы для привязки и чертежи нулевого цикла работДата актуализации: 01.01.2021 Типовой проект 211-1-296.84
Альбом 0. Материалы для привязки и чертежи нулевого цикла работ| Обозначение: | Типовой проект 211-1-296.84 | | Обозначение англ: | 211-1-296.84 | | Статус: | действует | | Название рус.: | Альбом 0. Материалы для привязки и чертежи нулевого цикла работ | | Дата добавления в базу: | 01.09.2013 | | Дата актуализации: | 01.01.2021 | | Дата введения: | 16.11.1984 | | Разработан: | ЦНИИЭП учебных зданий Госгражданстроя
| | Утверждён: | 19.08.1983 Госгражданстрой (Gosgrazhdanstroy 240)
|
               
|