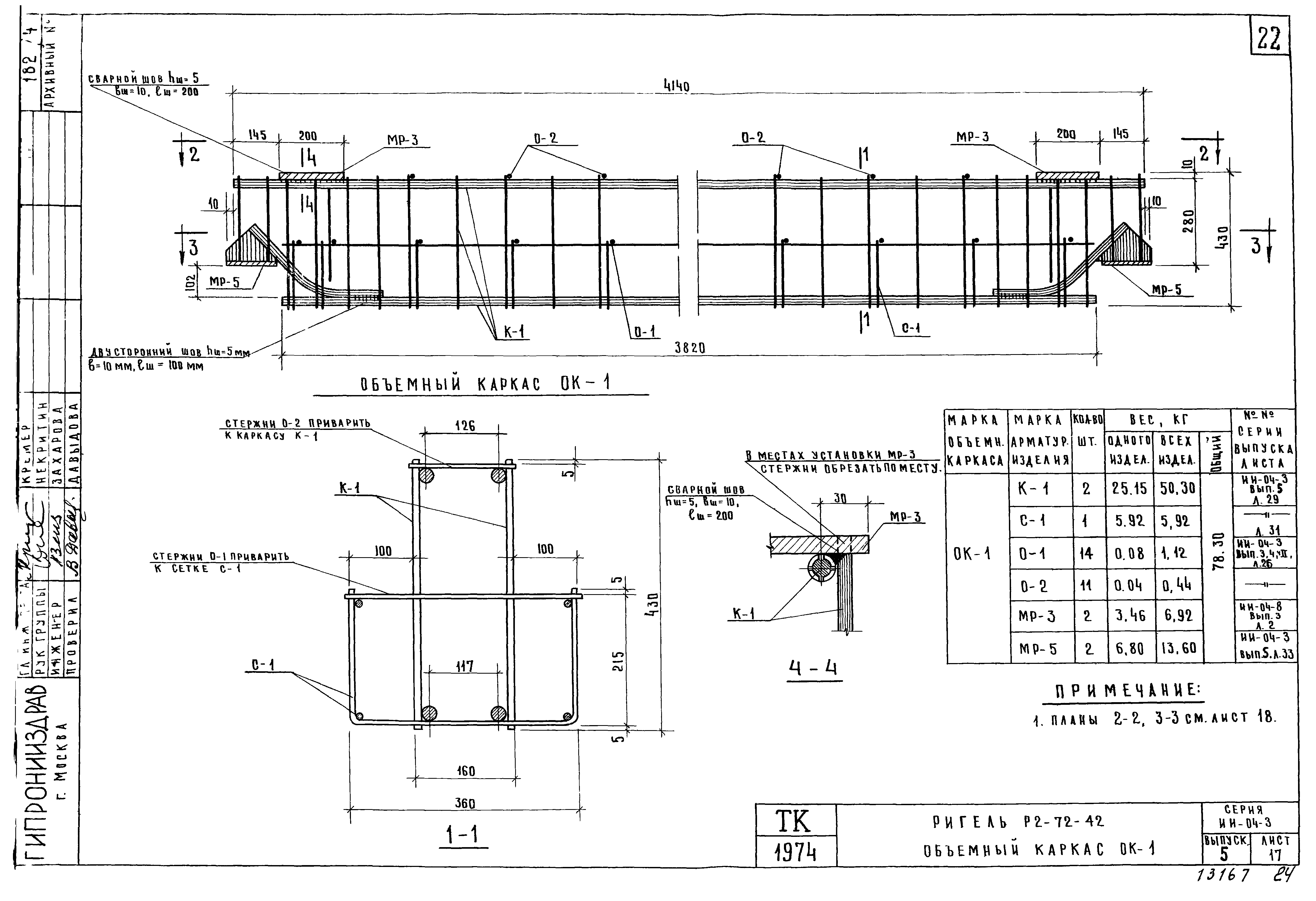
Скачать Серия ИИ-04-3 Выпуск 5. Ригели связевого каркаса с сечением колонн 30х30 и 40х40 см (дополнительные изделия). Опалубка и армирование. Арматурные изделия, закладные детали. Рабочие чертежиДата актуализации: 01.01.2021 Серия ИИ-04-3
Выпуск 5. Ригели связевого каркаса с сечением колонн 30х30 и 40х40 см (дополнительные изделия). Опалубка и армирование. Арматурные изделия, закладные детали. Рабочие чертежи| Обозначение: | Серия ИИ-04-3 | | Обозначение англ: | Series ИИ-04-3 | | Статус: | заменен | | Название рус.: | Выпуск 5. Ригели связевого каркаса с сечением колонн 30х30 и 40х40 см (дополнительные изделия). Опалубка и армирование. Арматурные изделия, закладные детали. Рабочие чертежи | | Дата добавления в базу: | 01.09.2013 | | Дата актуализации: | 01.01.2021 | | Дата введения: | 01.12.1974 | | Дата окончания срока действия: | 01.04.1982 | | Разработан: | ГипроНИИздрав Минздрава СССР
| | Утверждён: | 26.11.1974 Государственный комитет по гражданскому строительству и архитектуре при Госстрое СССР (256)
| | Чем заменён: | |
                                          
|