Скачать Серия 1.117-9 Выпуск 1-1. Панели групп ЦР1, ЦР2, ЦР4, ЦР5 толщиной 250 ммДата актуализации: 01.01.2021 Серия 1.117-9
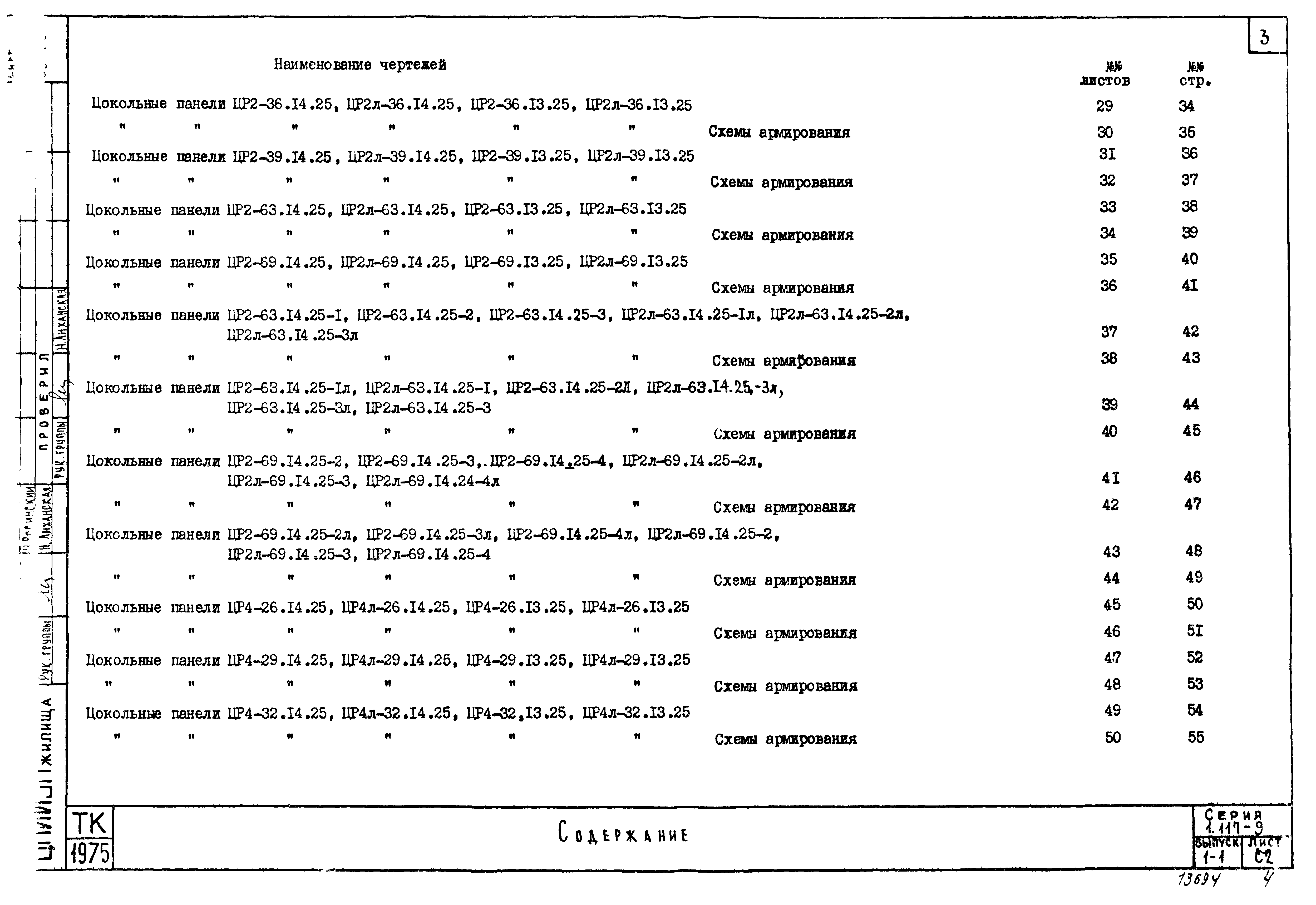
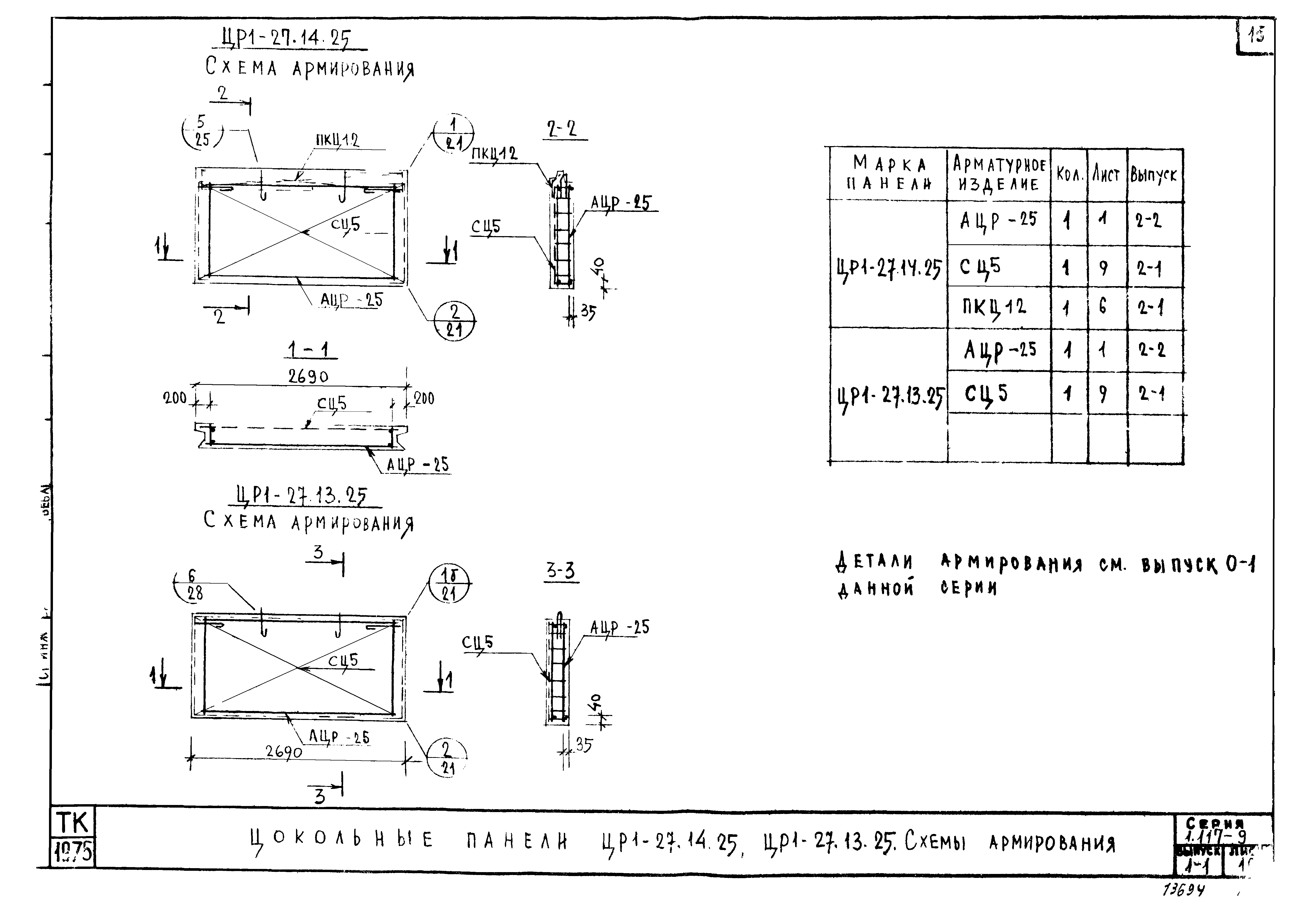
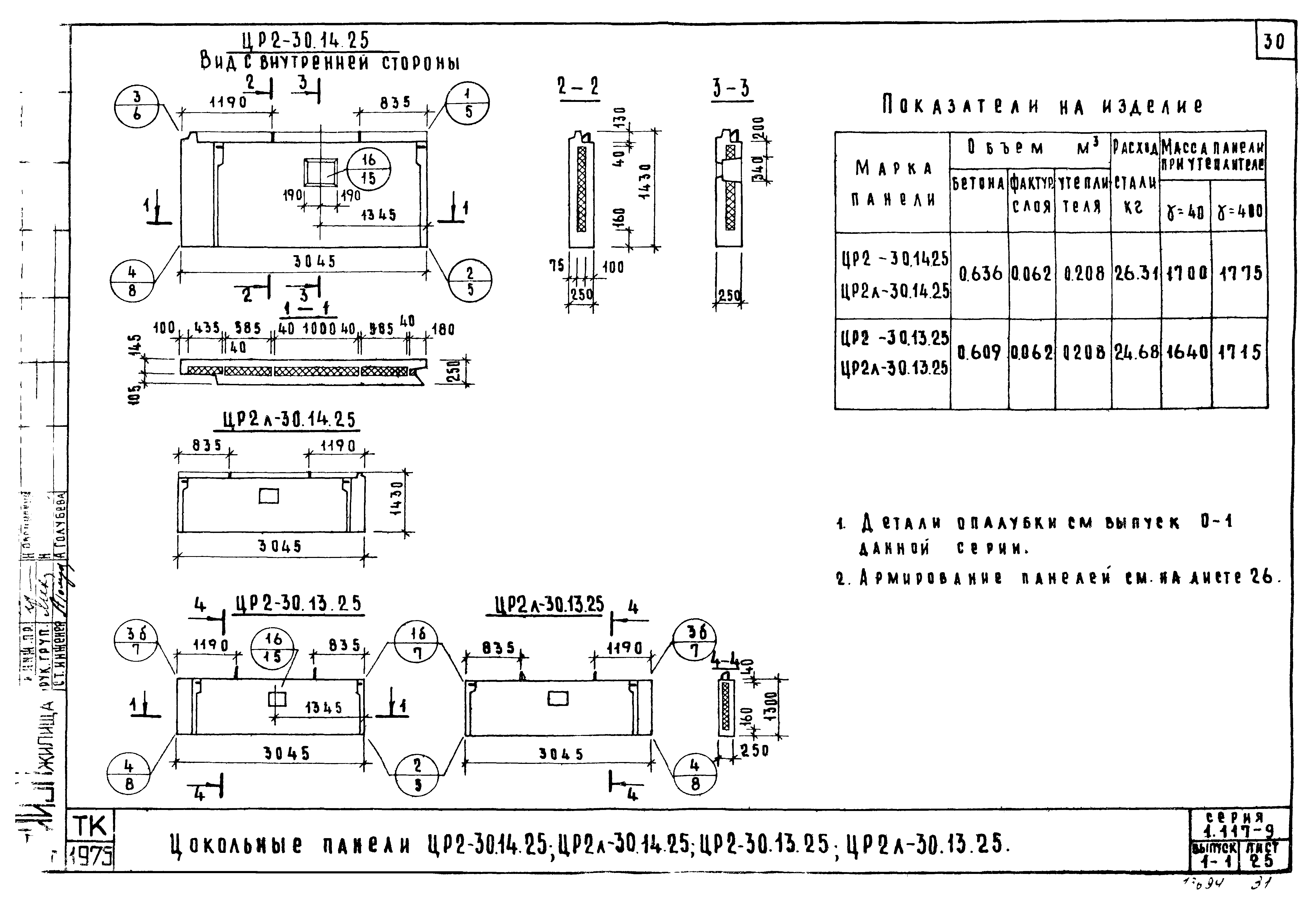
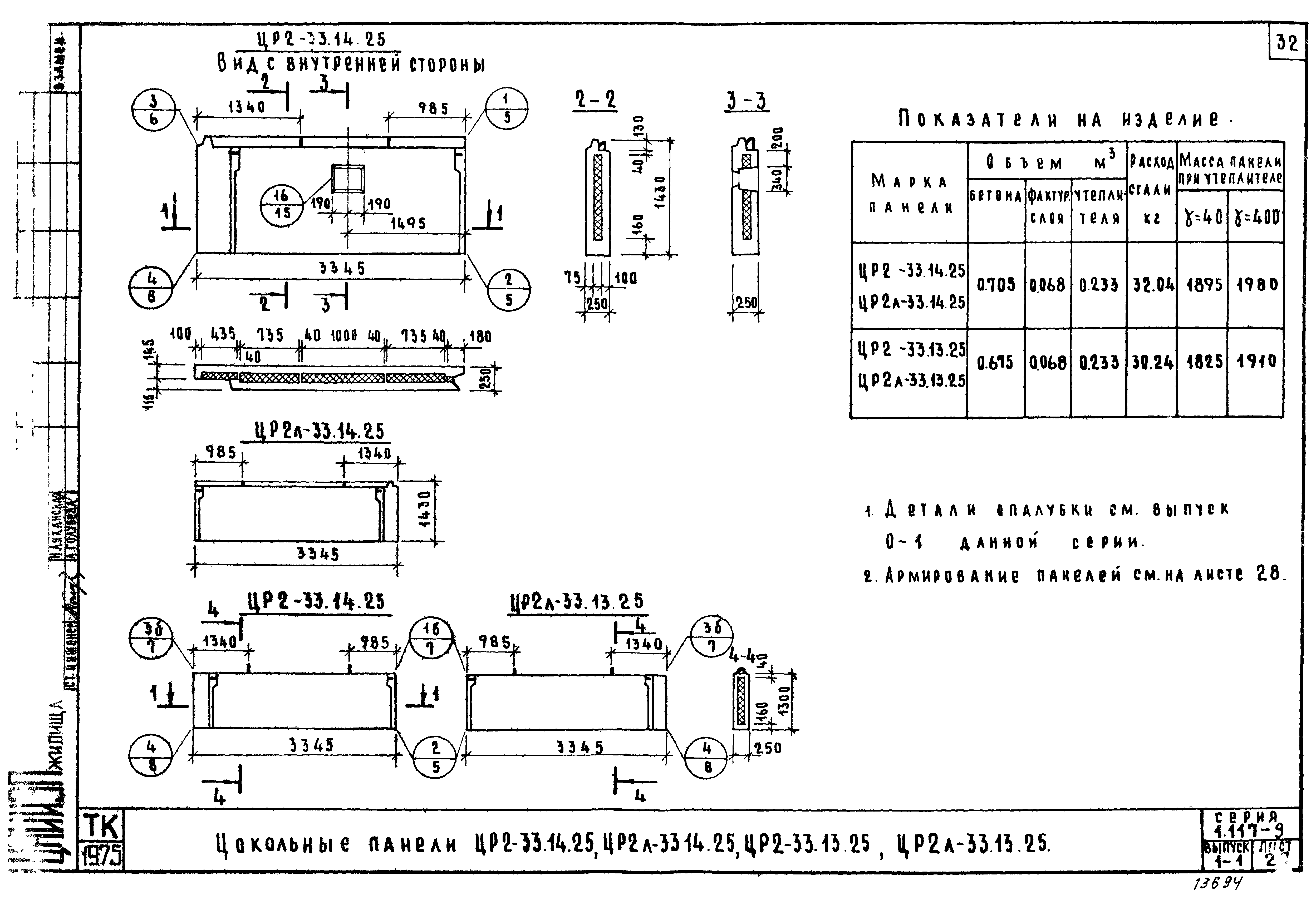
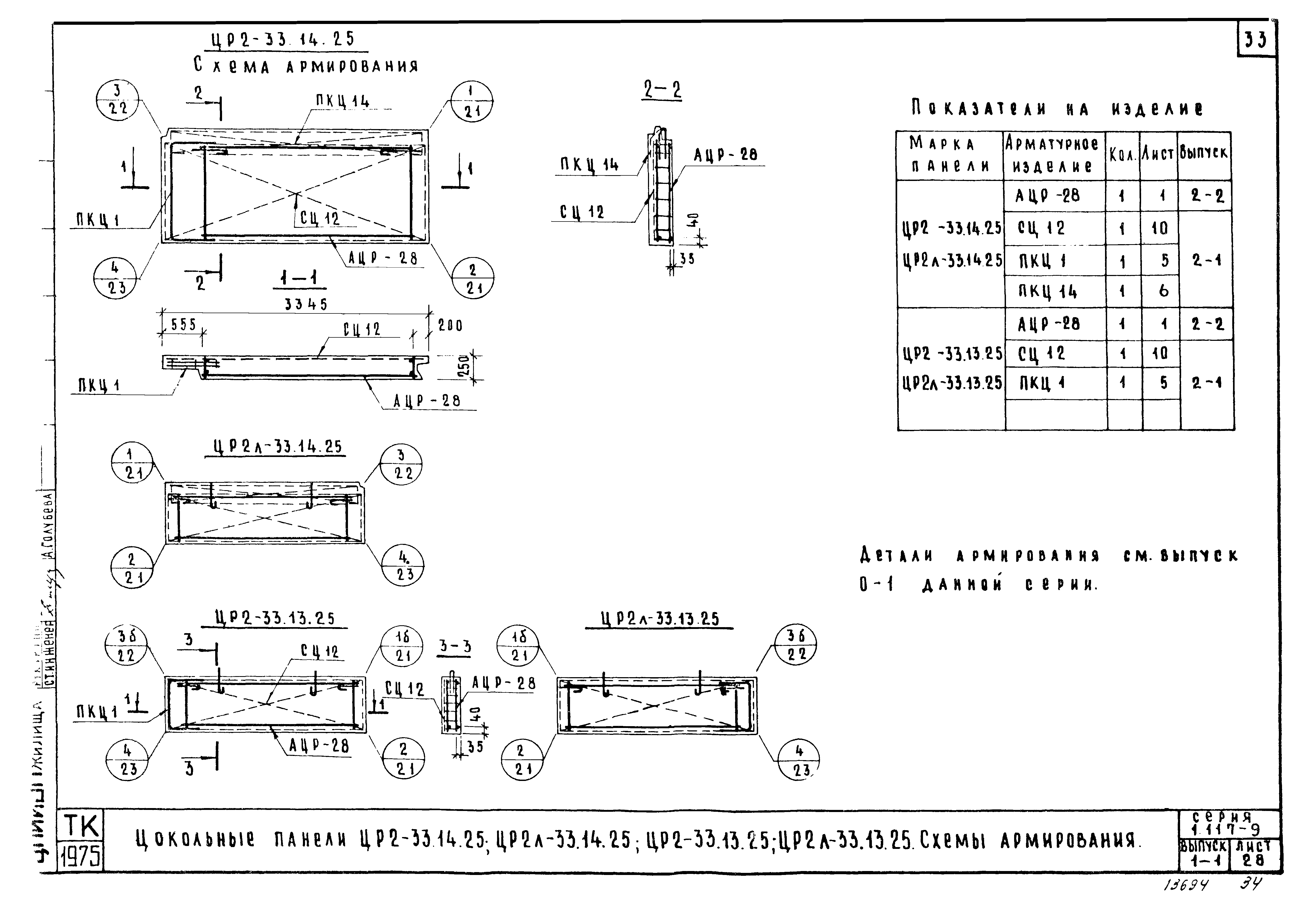
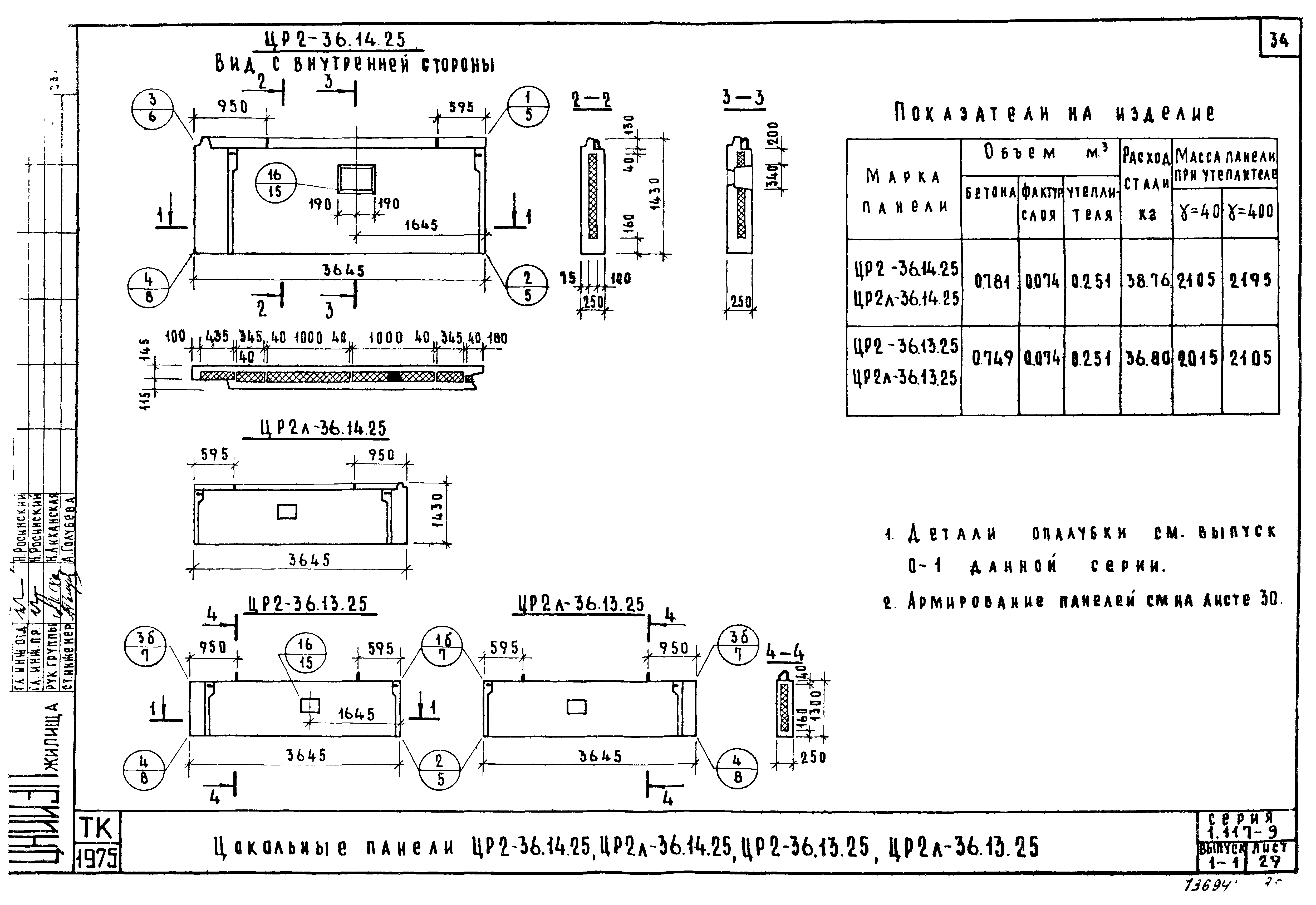
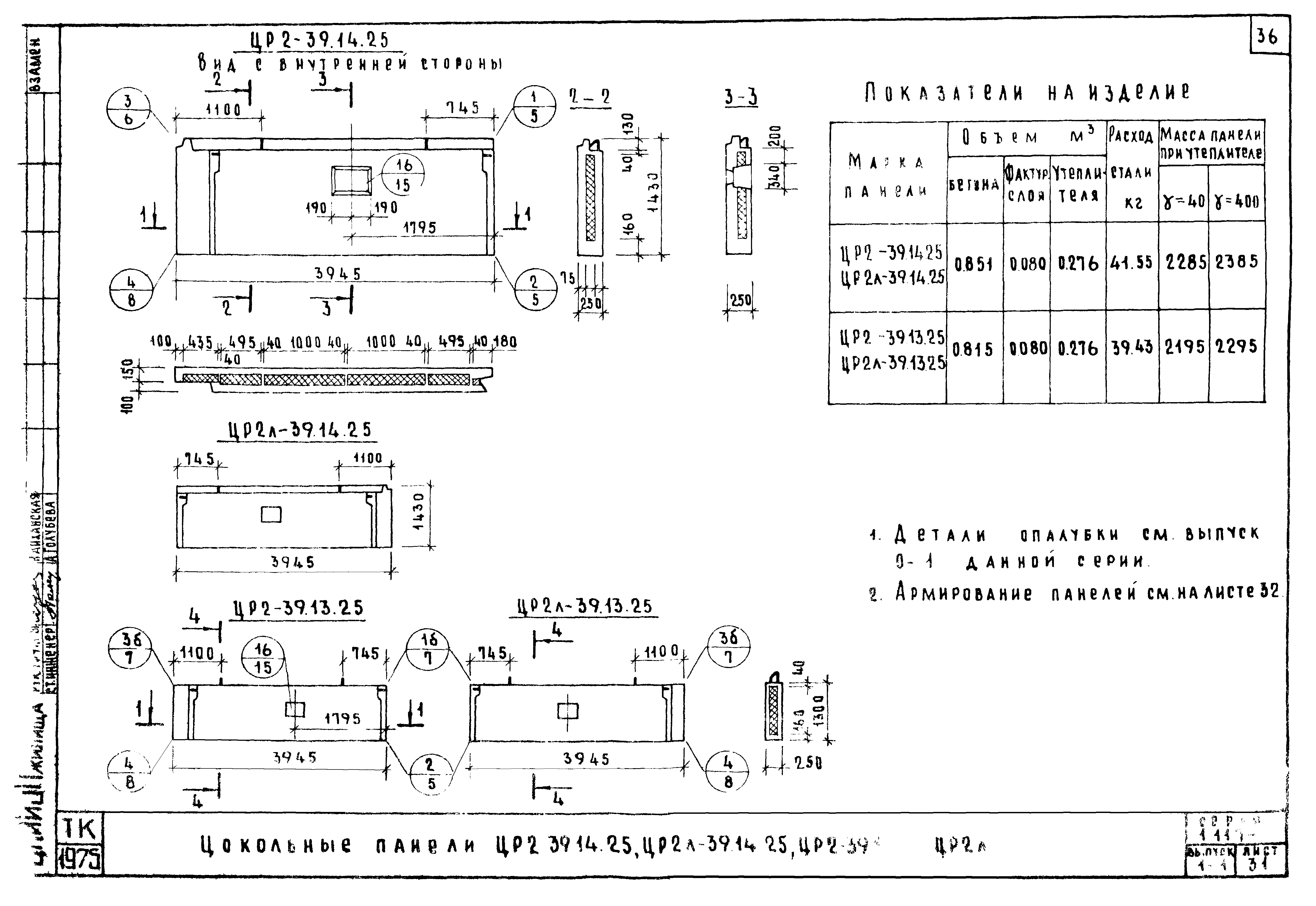
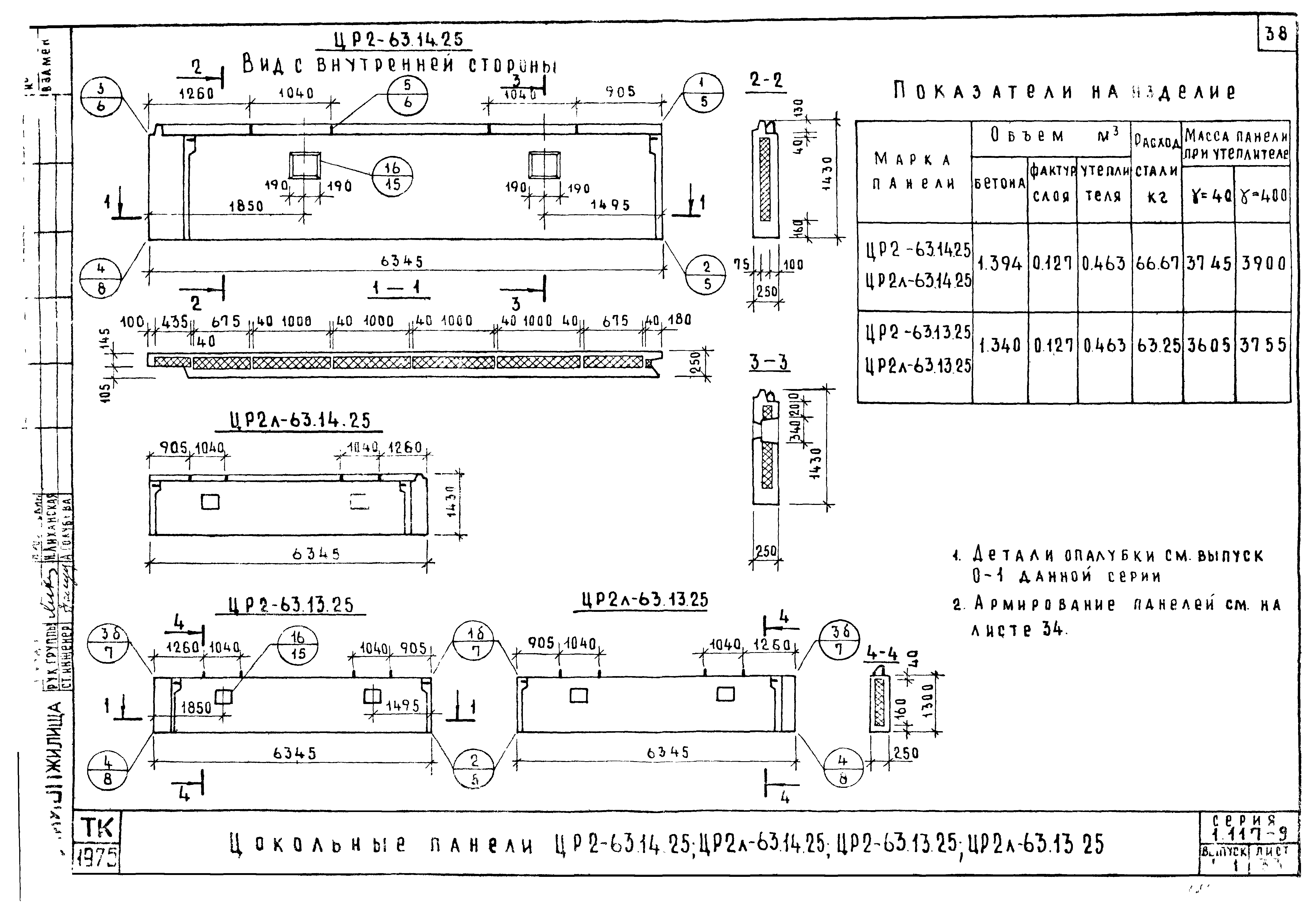
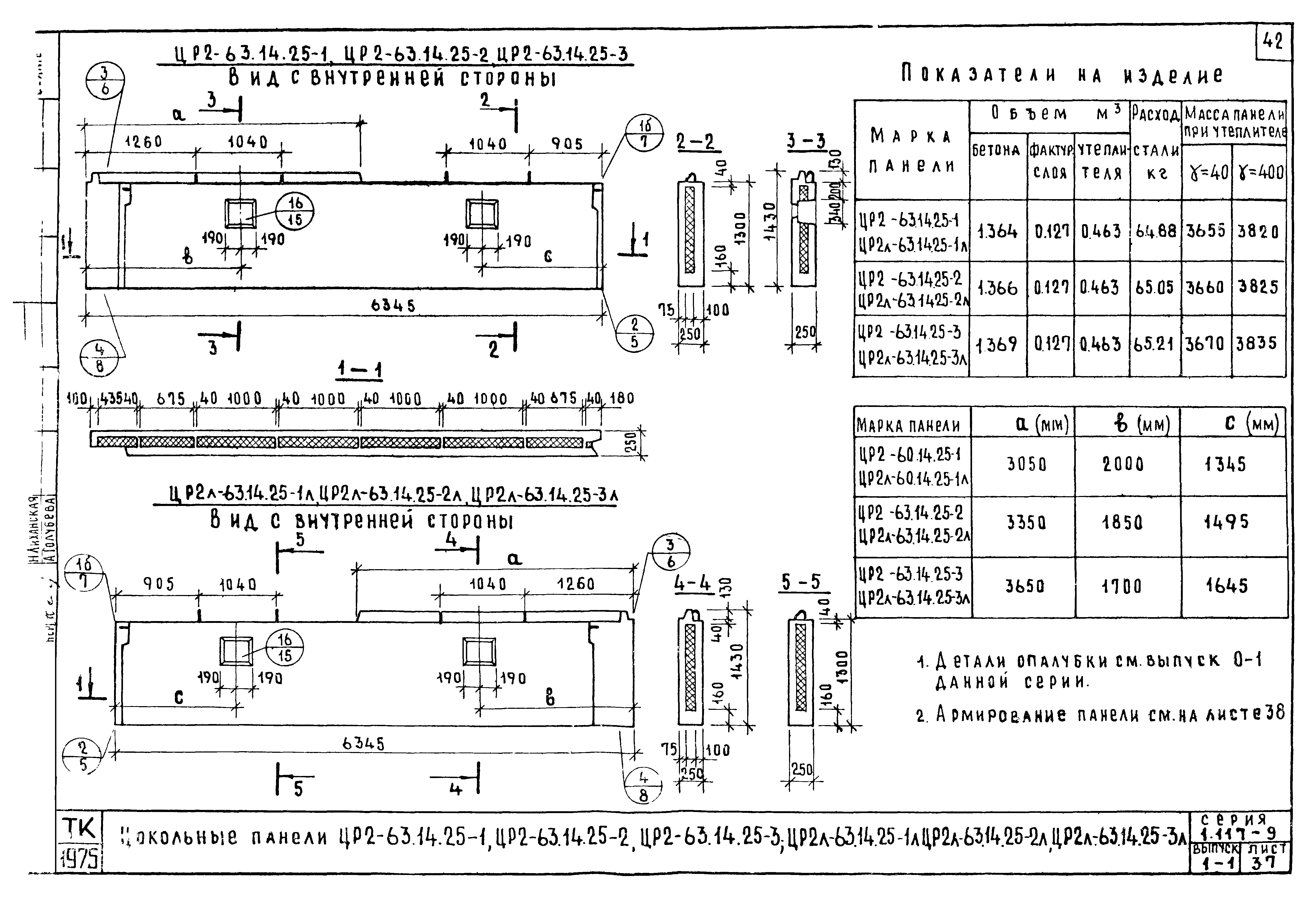
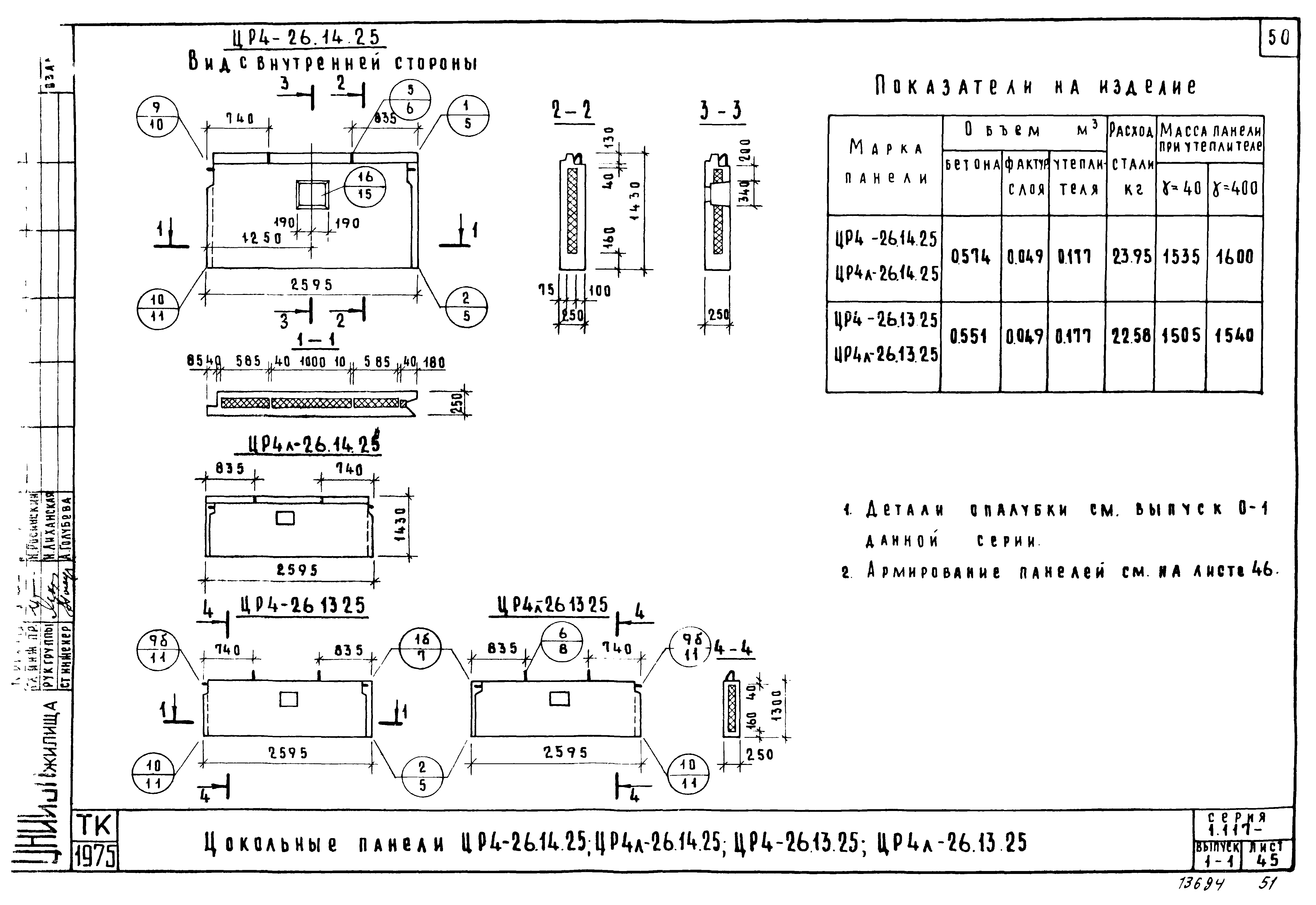
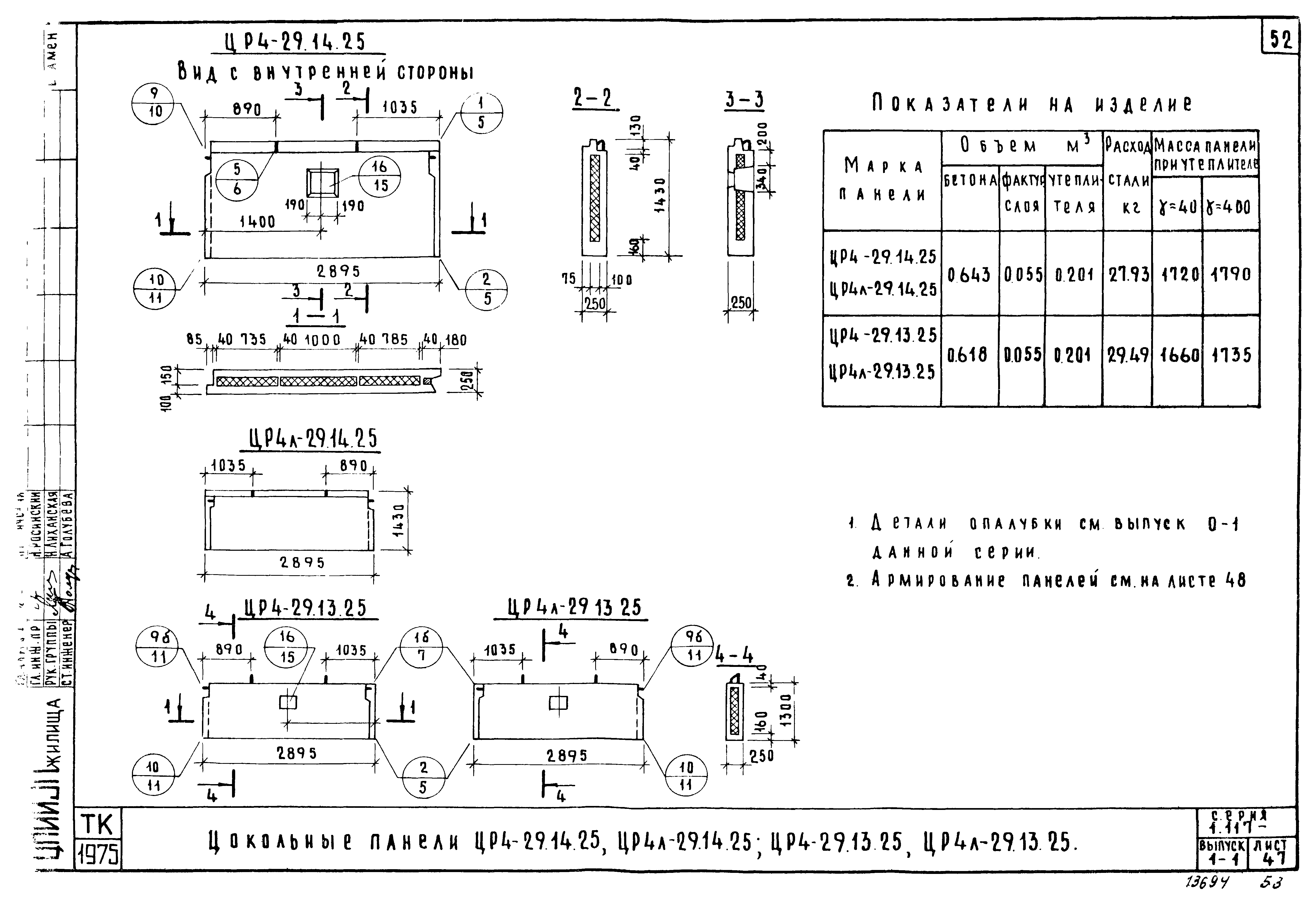
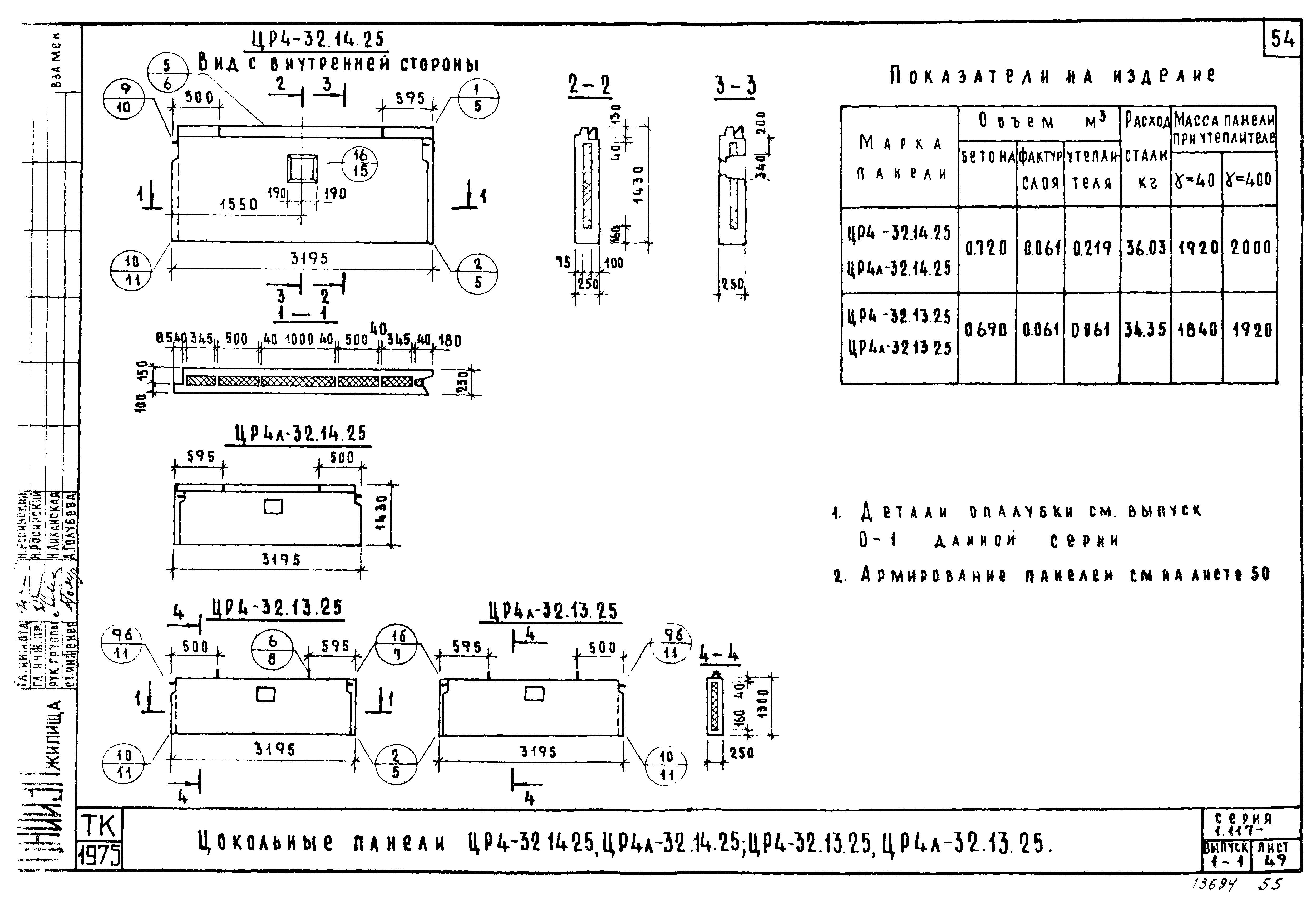
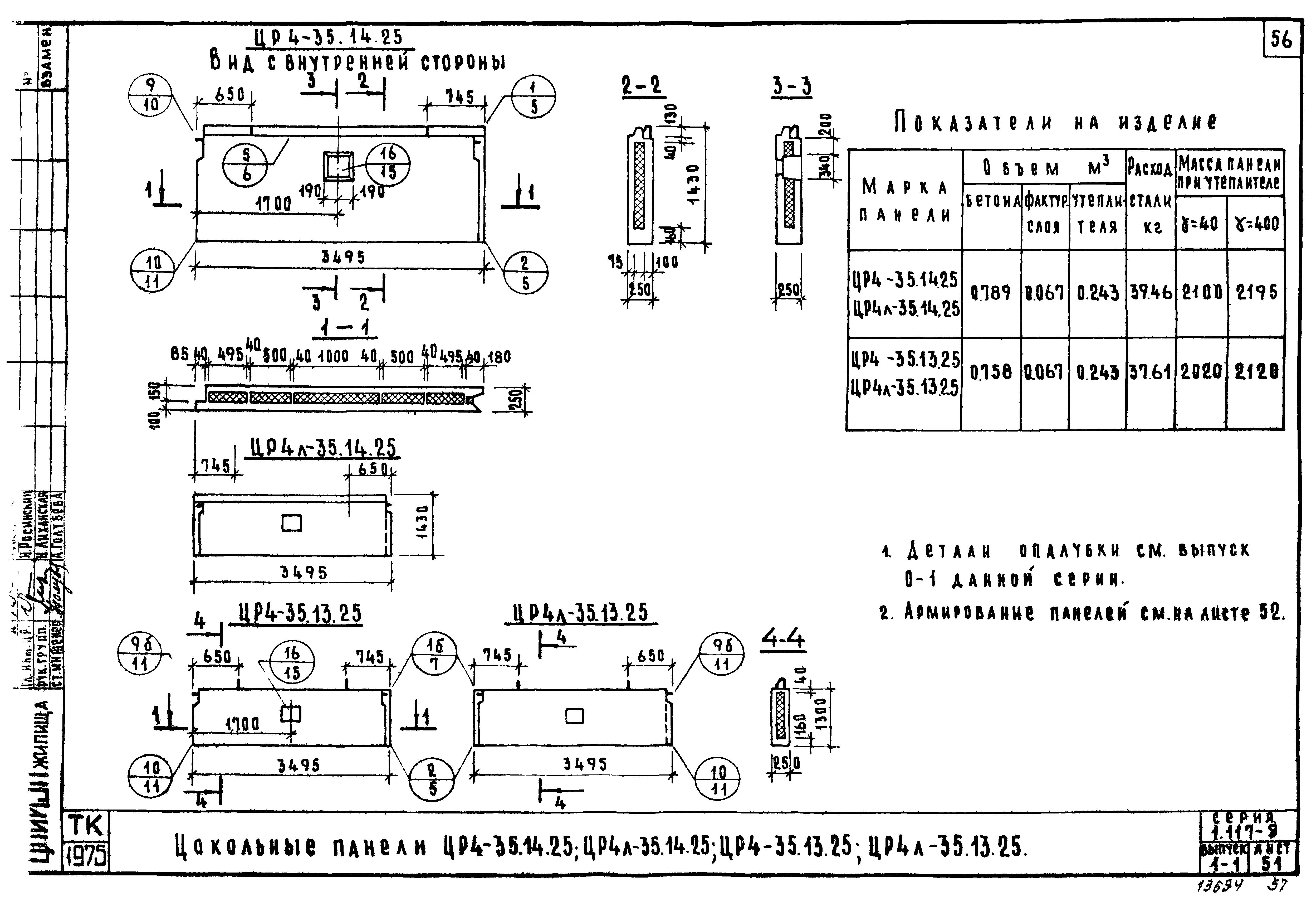
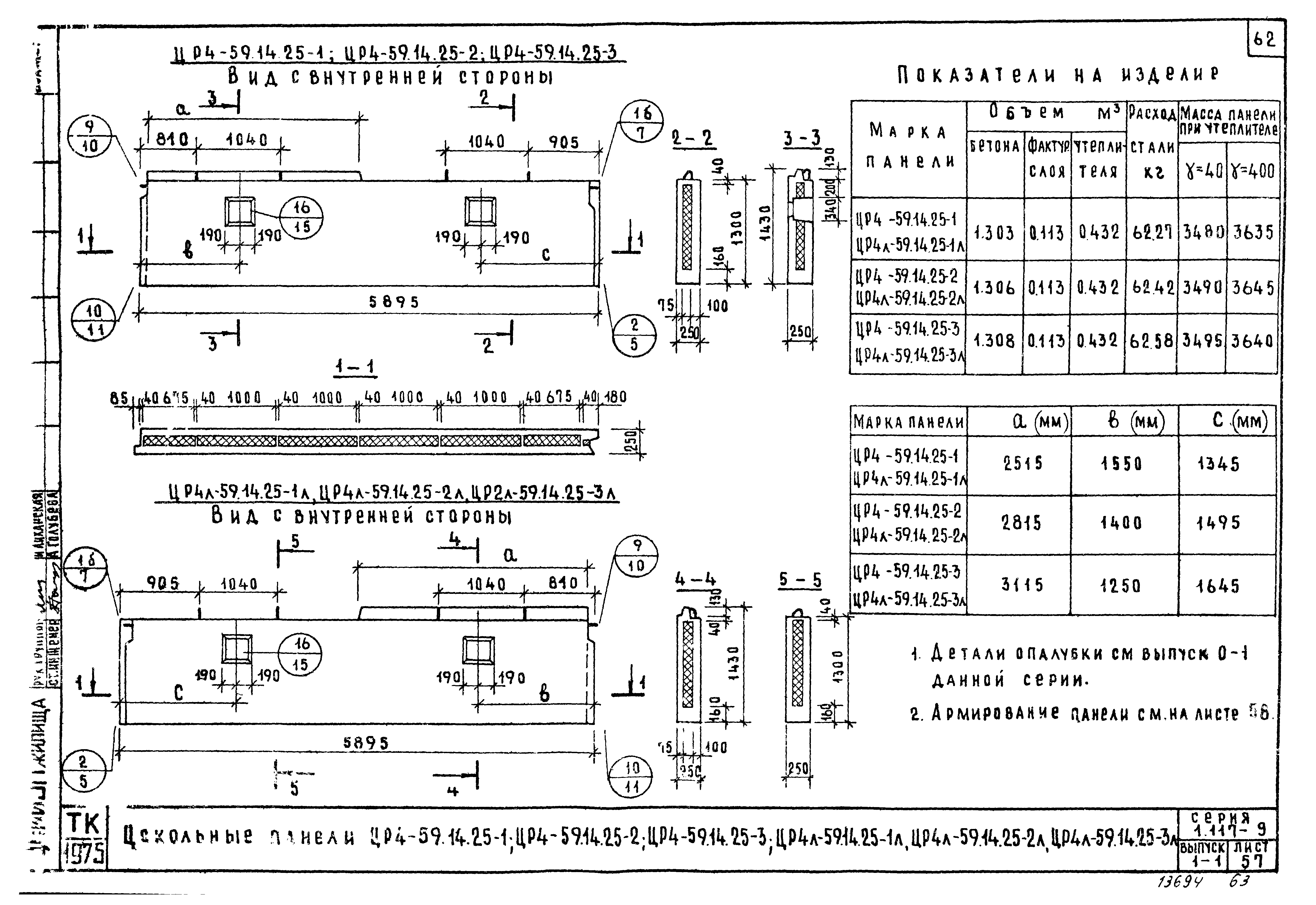
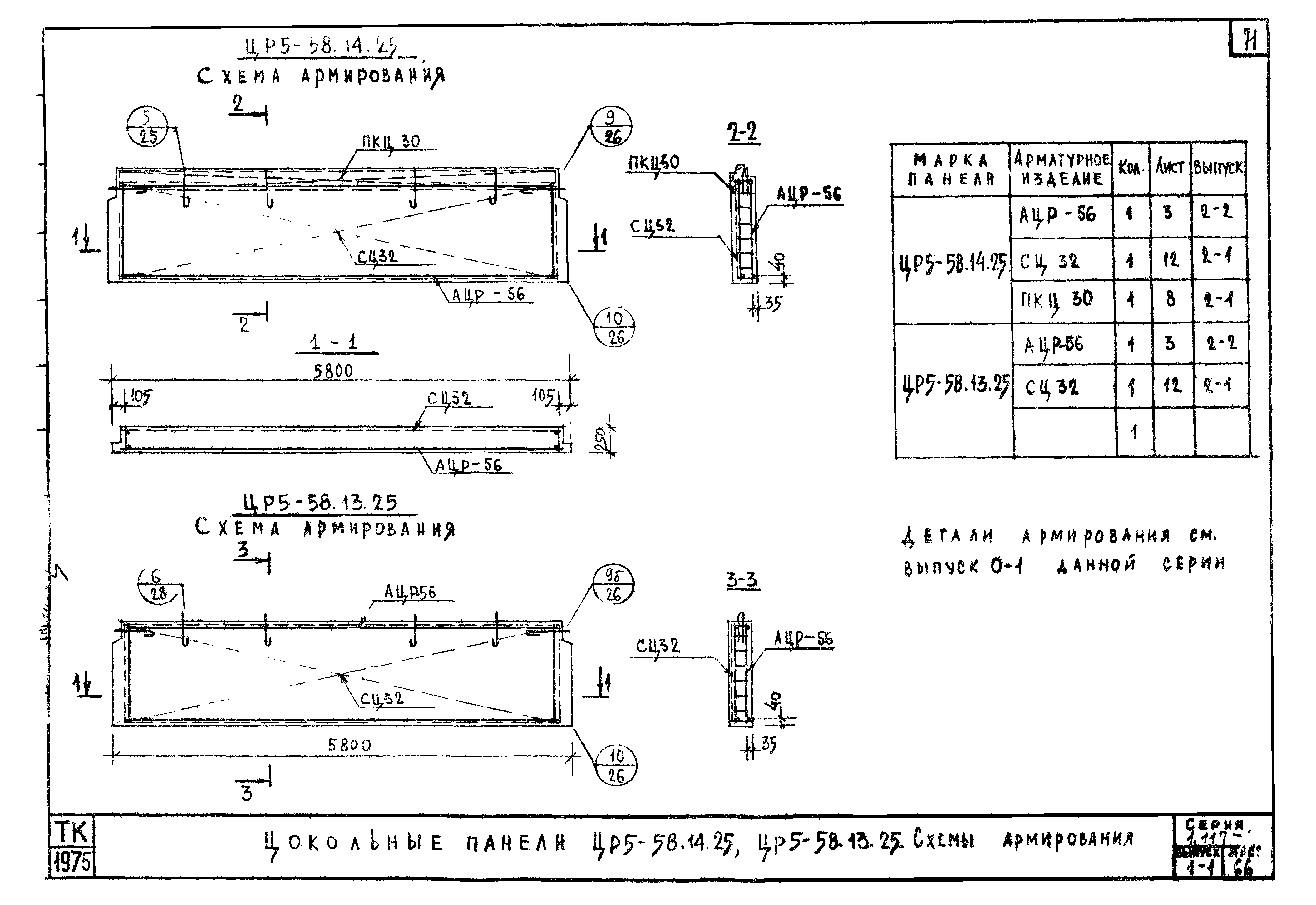
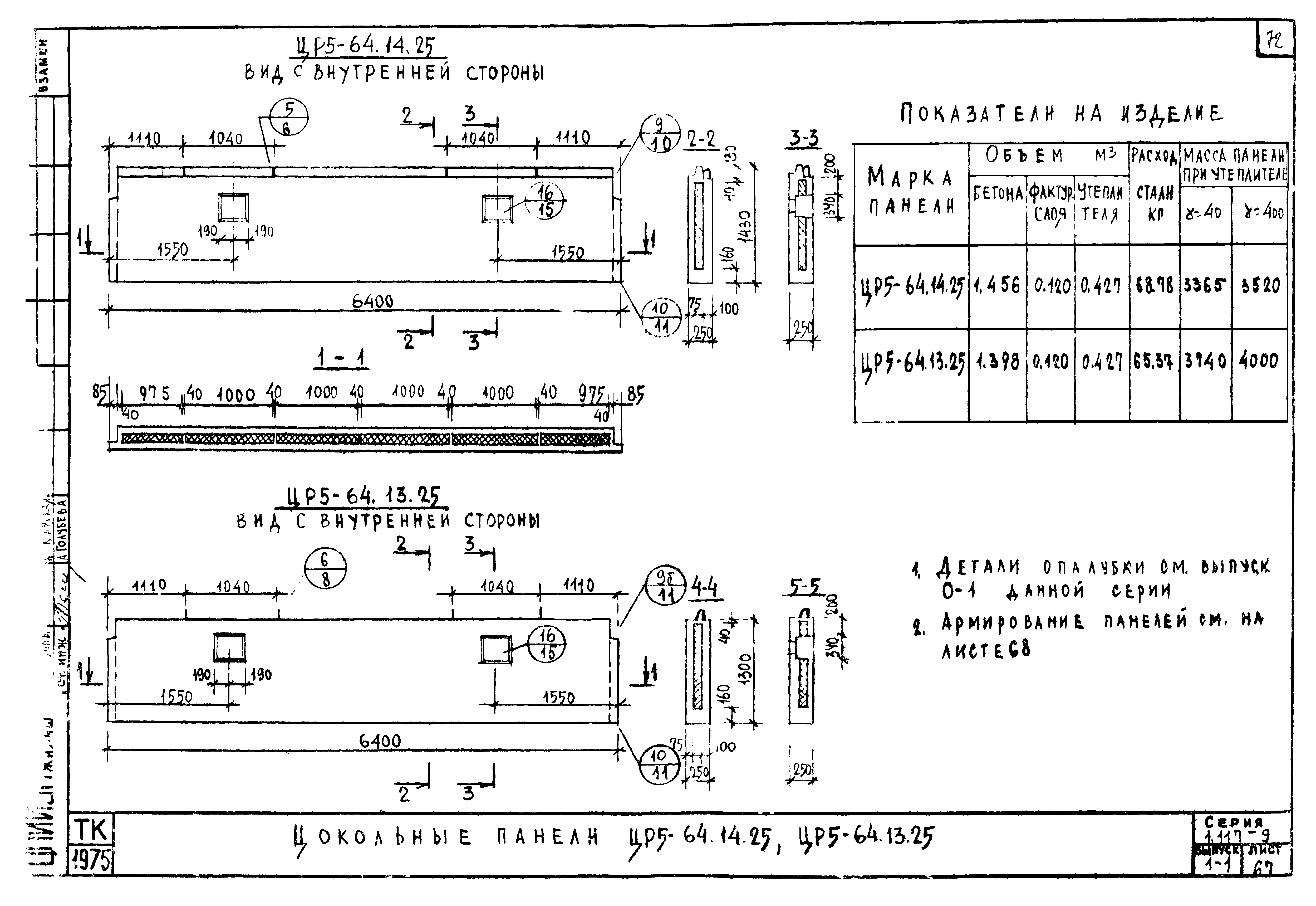
Выпуск 1-1. Панели групп ЦР1, ЦР2, ЦР4, ЦР5 толщиной 250 мм| Обозначение: | Серия 1.117-9 | | Обозначение англ: | Series 1.117-9 | | Статус: | не действует | | Название рус.: | Выпуск 1-1. Панели групп ЦР1, ЦР2, ЦР4, ЦР5 толщиной 250 мм | | Дата добавления в базу: | 01.09.2013 | | Дата актуализации: | 01.01.2021 | | Дата введения: | 30.12.1975 | | Дата окончания срока действия: | 01.06.1987 | | Область применения: | В альбоме серии 1.117-9 выпуск 1-1 представлены рабочие чертежи наружных трехслойных стеновых цокольных панелей групп ЦР1, ЦР2, ЦР4 и ЦР5. Альбомом следует пользоваться совместно с выпусками 0-1; 2-1 и 2-2 настоящей серии | | Разработан: | ЦНИИСК им. В.А. Кучеренко ЦНИИЭП жилища
| | Утверждён: | 16.12.1975 Государственный комитет по гражданскому строительству и архитектуре при Госстрое СССР (289)
| | Нормативные ссылки: | |
                                                                                     
|