Скачать Серия 1.117-9 Выпуск 2-2. Арматурные блоки панелей толщиной 250 мм

Дата актуализации: 01.01.2021

Серия 1.117-9

Выпуск 2-2. Арматурные блоки панелей толщиной 250 мм

Обозначение: Серия 1.117-9
Обозначение англ: Series 1.117-9
Статус:не действует
Название рус.:Выпуск 2-2. Арматурные блоки панелей толщиной 250 мм
Дата добавления в базу:01.09.2013
Дата актуализации:01.01.2021
Дата введения:30.12.1975
Дата окончания срока действия:01.06.1987
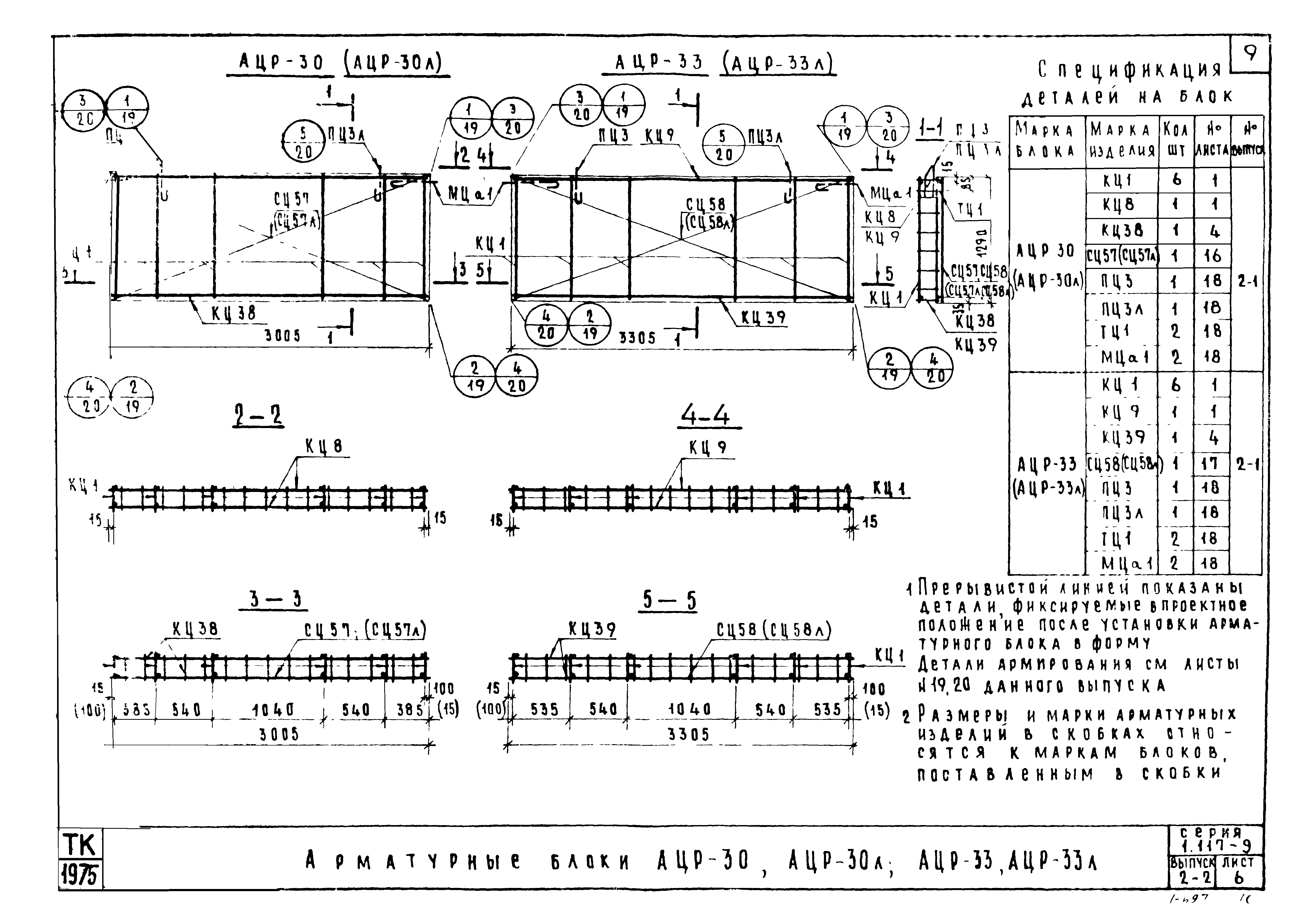
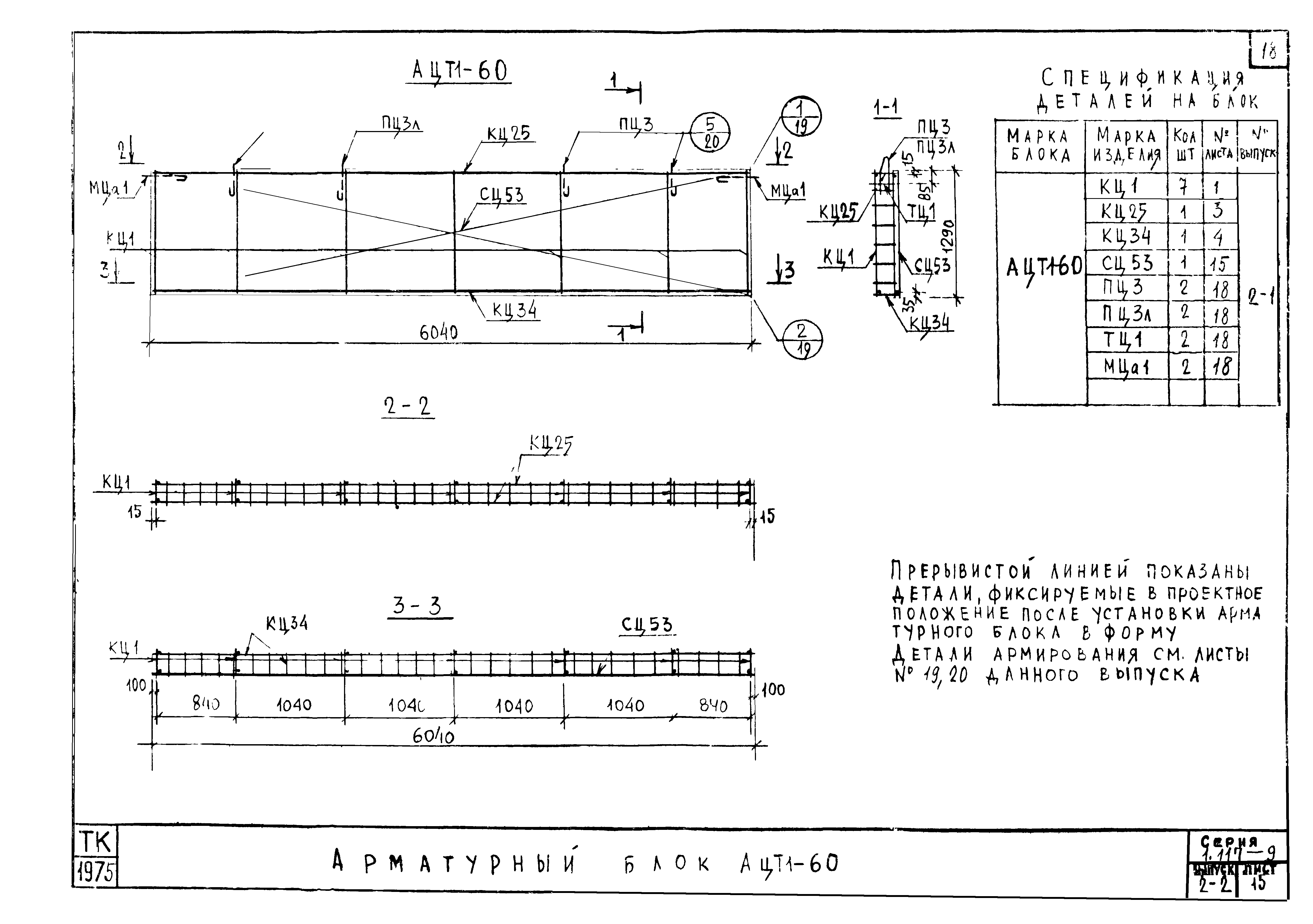
Область применения:Чертежи настоящего выпуска входят в состав серии 1.117-9 трехслойных панелей наружных цокольных стен толщиной 250 мм на свайных фундаментах
Разработан: ЦНИИСК им. В.А. Кучеренко
ЦНИИЭП жилища
Утверждён:16.12.1975 Государственный комитет по гражданскому строительству и архитектуре при Госстрое СССР (289)
Нормативные ссылки:
Серия 1.117-9Серия 1.117-9Серия 1.117-9Серия 1.117-9Серия 1.117-9Серия 1.117-9Серия 1.117-9Серия 1.117-9Серия 1.117-9Серия 1.117-9Серия 1.117-9Серия 1.117-9Серия 1.117-9Серия 1.117-9Серия 1.117-9Серия 1.117-9Серия 1.117-9Серия 1.117-9Серия 1.117-9Серия 1.117-9Серия 1.117-9Серия 1.117-9Серия 1.117-9Серия 1.117-9Серия 1.117-9Серия 1.117-9Серия 1.117-9Серия 1.117-9