Скачать Серия 1.117-13 Выпуск 1-3. Панели групп ЦР2; ЦТ1; ЦТ2 толщиной 350 мм. Рабочие чертежи

Дата актуализации: 01.01.2021

Серия 1.117-13

Выпуск 1-3. Панели групп ЦР2; ЦТ1; ЦТ2 толщиной 350 мм. Рабочие чертежи

Обозначение: Серия 1.117-13
Обозначение англ: Series 1.117-13
Статус:заменен
Название рус.:Выпуск 1-3. Панели групп ЦР2; ЦТ1; ЦТ2 толщиной 350 мм. Рабочие чертежи
Дата добавления в базу:01.09.2013
Дата актуализации:01.01.2021
Дата введения:01.07.1980
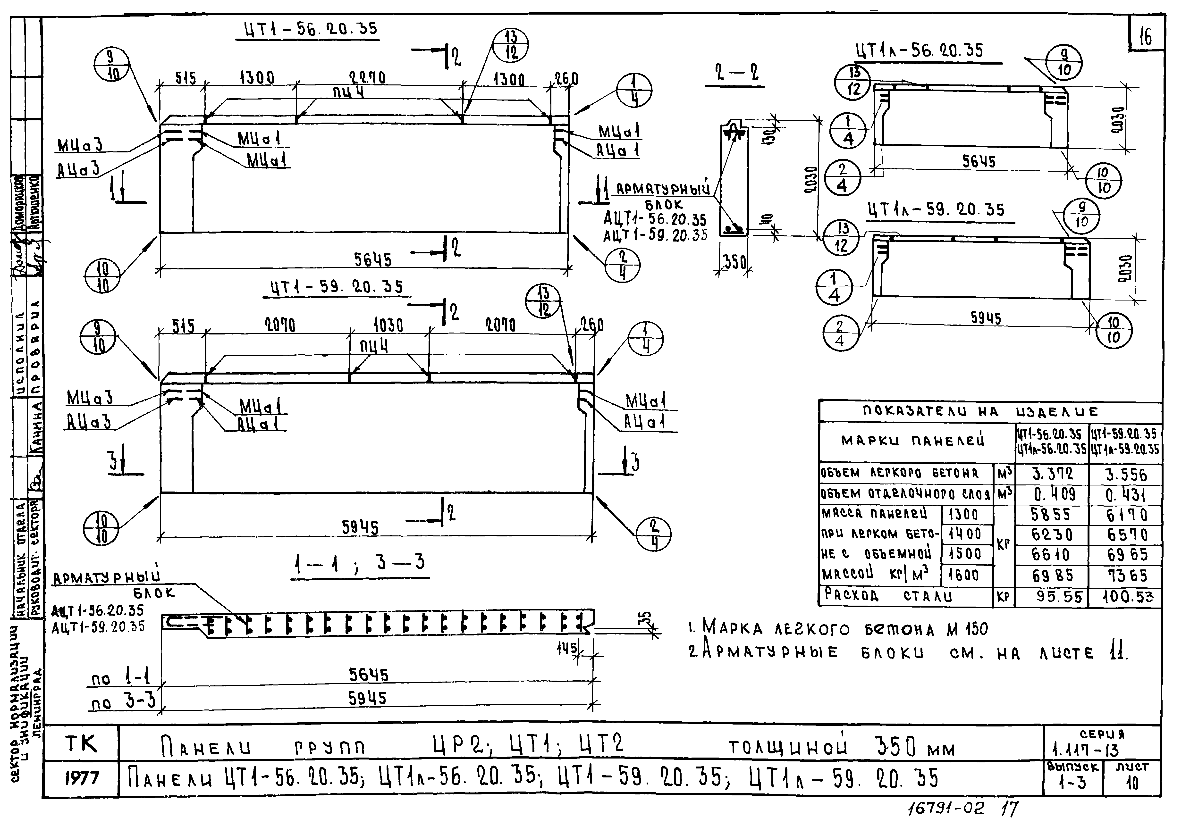
Область применения:В выпуске 1-3 серии 1.117-13 представлены рабочие чертежи наружных цокольных стеновых панелей групп ЦР2, ЦТ1, ЦТ2 толщиной 350мм. Выпуском следует пользоваться совместно с выпусками 0-1; 2-2 настоящей серии
Разработан: ЛенЗНИИЭП Госгражданстроя
Утверждён:06.06.1980 Госгражданстрой (Gosgrazhdanstroy 150)
Чем заменён:
Нормативные ссылки:
Серия 1.117-13Серия 1.117-13Серия 1.117-13Серия 1.117-13Серия 1.117-13Серия 1.117-13Серия 1.117-13Серия 1.117-13Серия 1.117-13Серия 1.117-13Серия 1.117-13Серия 1.117-13Серия 1.117-13Серия 1.117-13Серия 1.117-13Серия 1.117-13Серия 1.117-13Серия 1.117-13Серия 1.117-13Серия 1.117-13Серия 1.117-13Серия 1.117-13Серия 1.117-13Серия 1.117-13Серия 1.117-13