Скачать Серия 1.131-1 Выпуск 1-1. Панели толщиной 120 мм

Дата актуализации: 01.01.2021

Серия 1.131-1

Выпуск 1-1. Панели толщиной 120 мм

Обозначение: Серия 1.131-1
Обозначение англ: Series 1.131-1
Статус:заменен
Название рус.:Выпуск 1-1. Панели толщиной 120 мм
Дата добавления в базу:01.09.2013
Дата актуализации:01.01.2021
Дата введения:01.01.1972
Дата окончания срока действия:01.03.1985
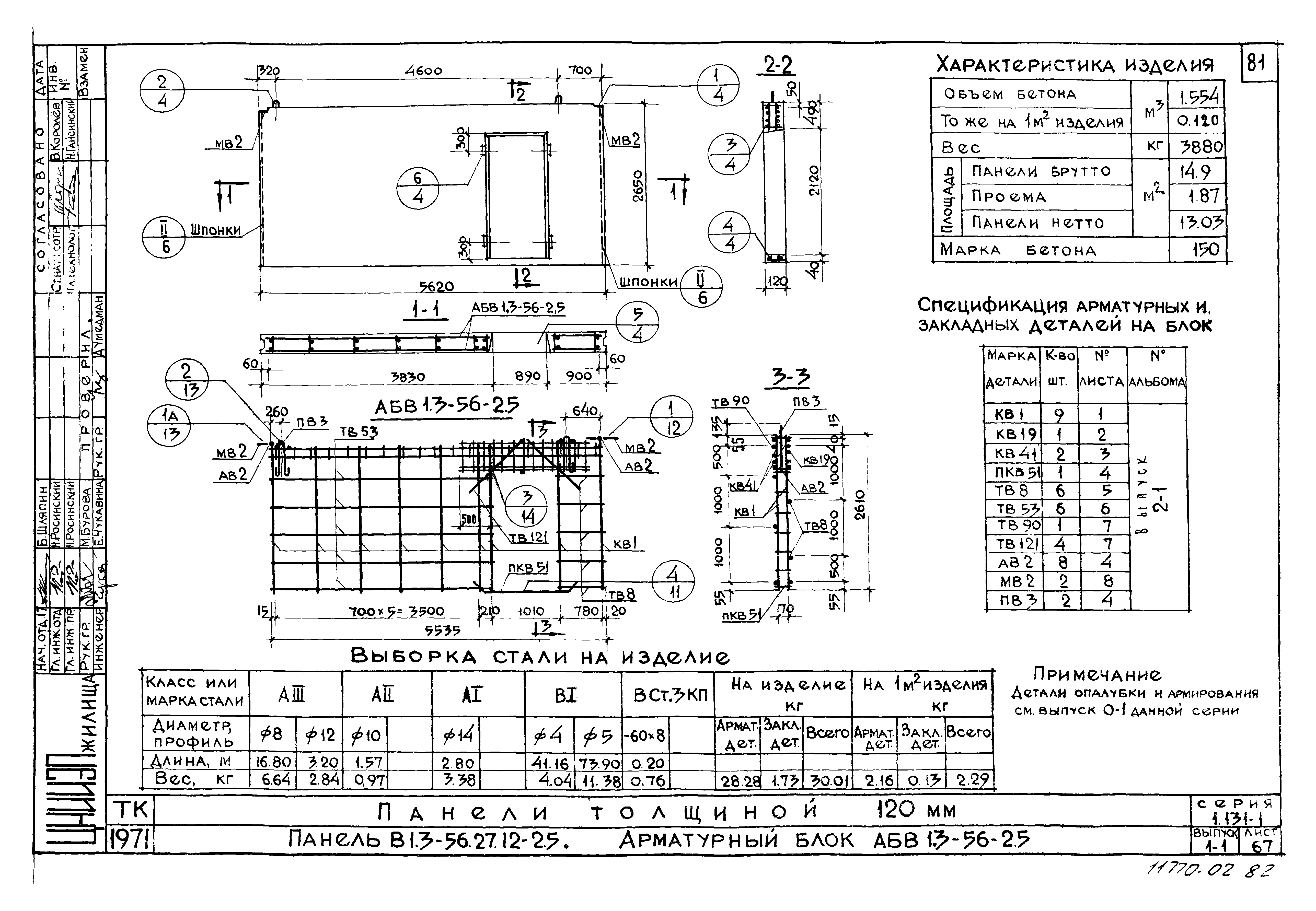
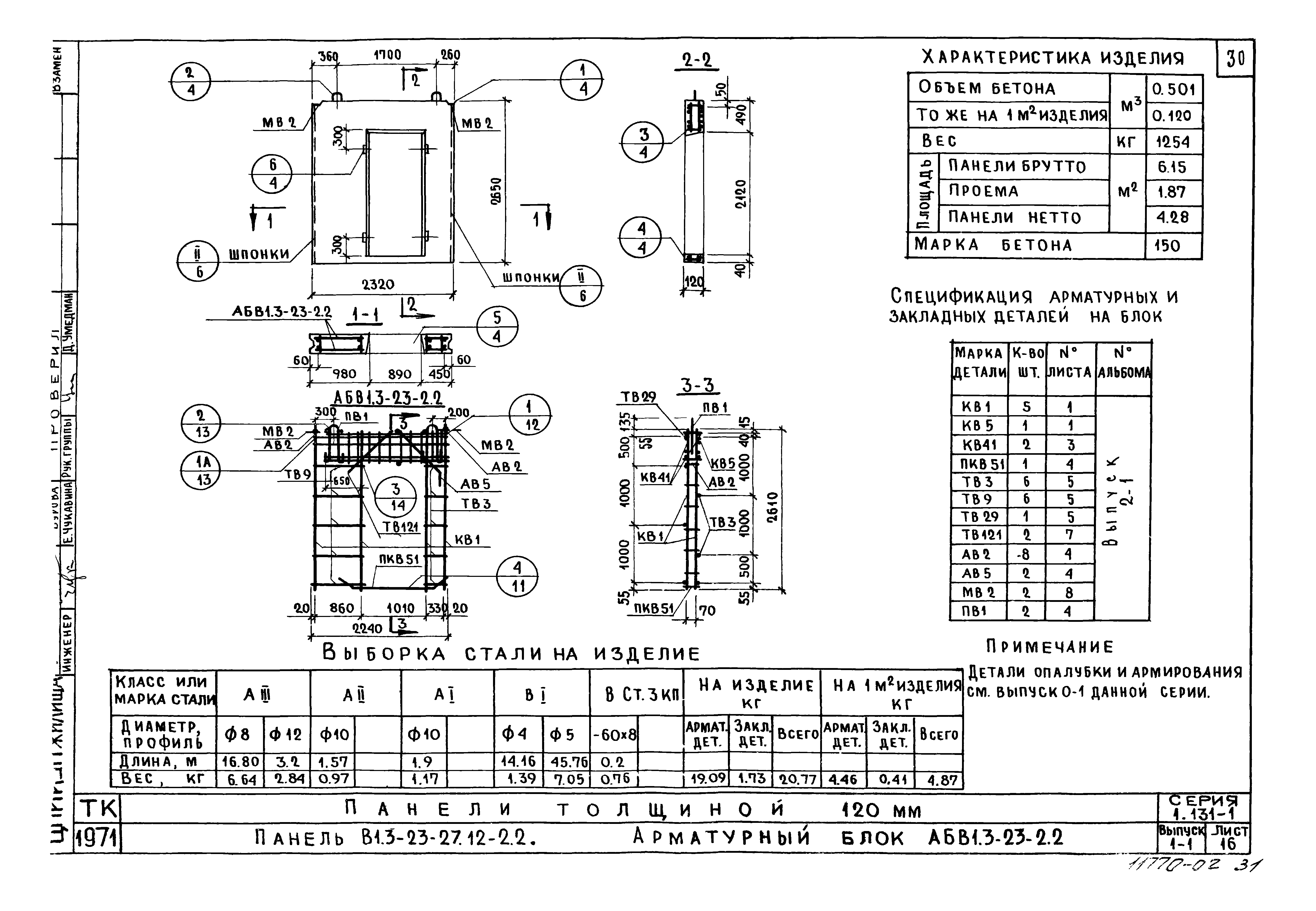
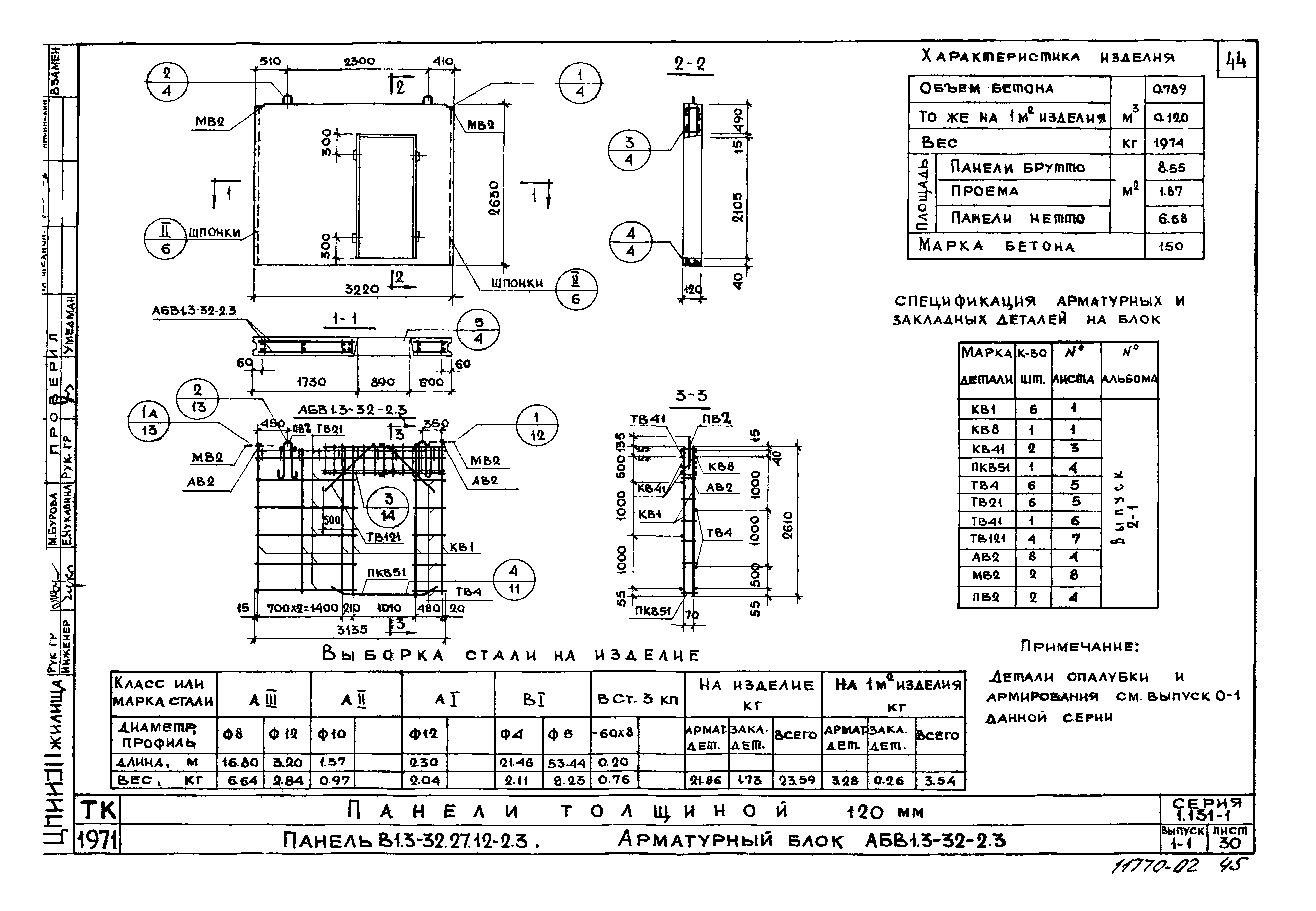
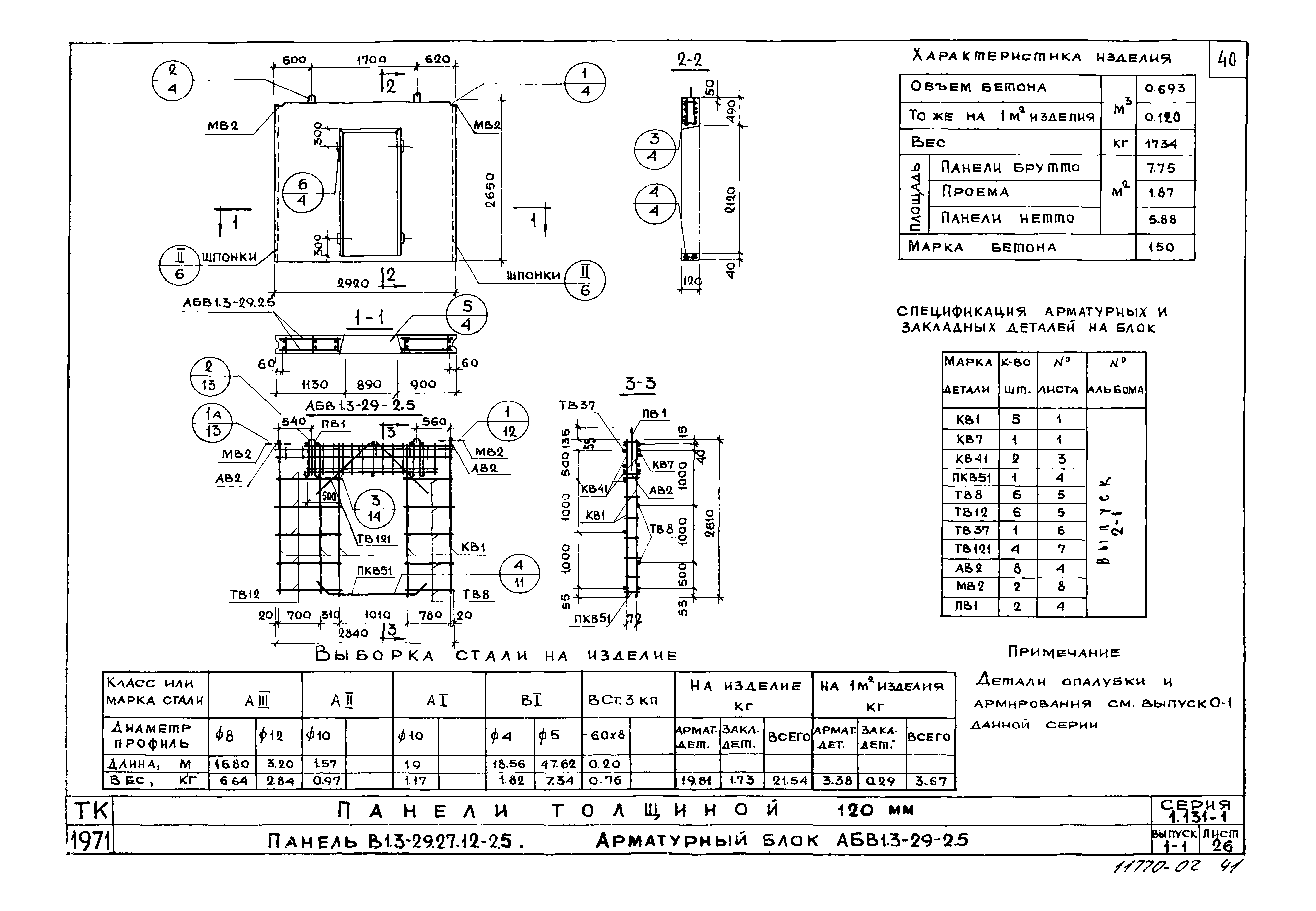
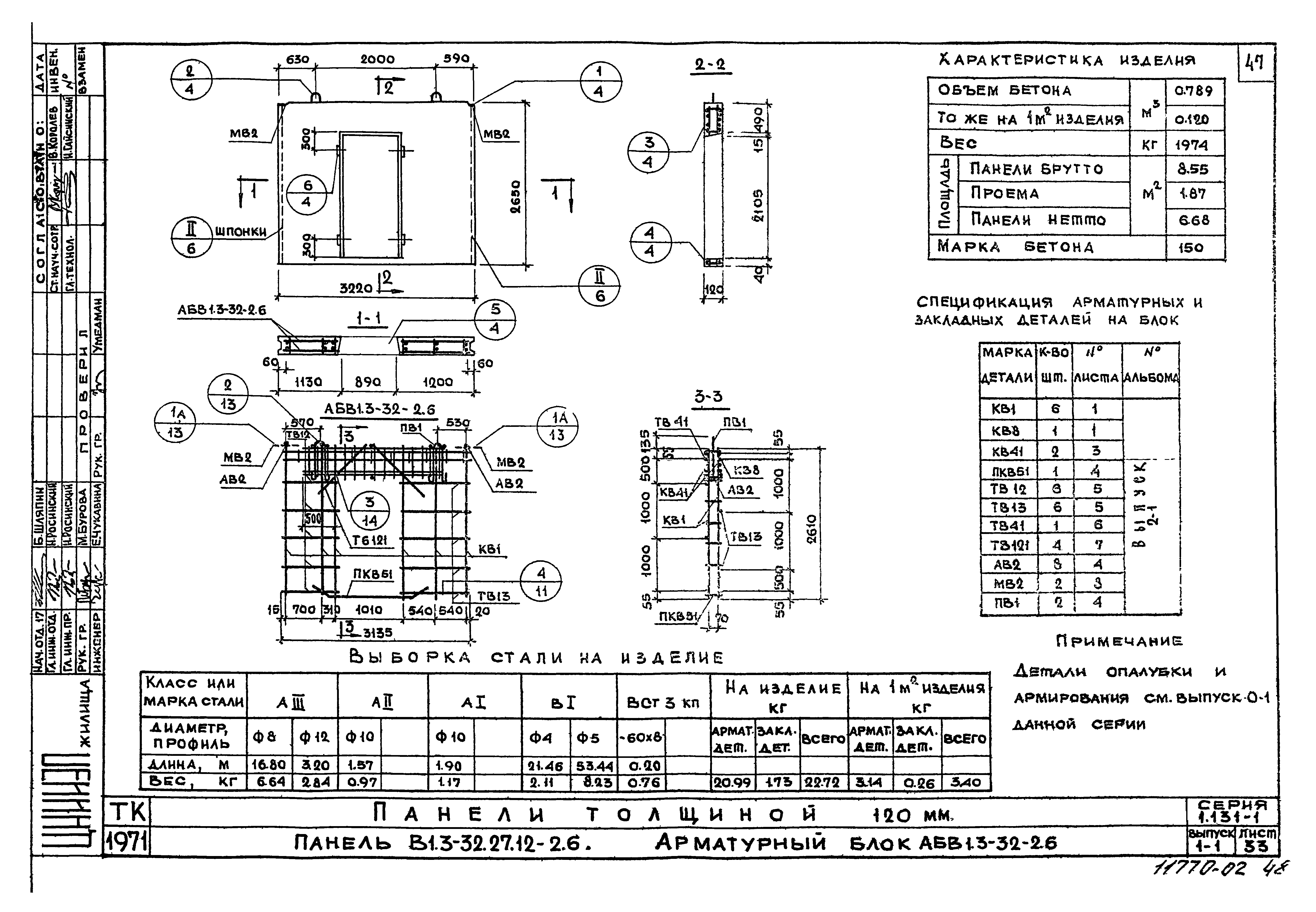
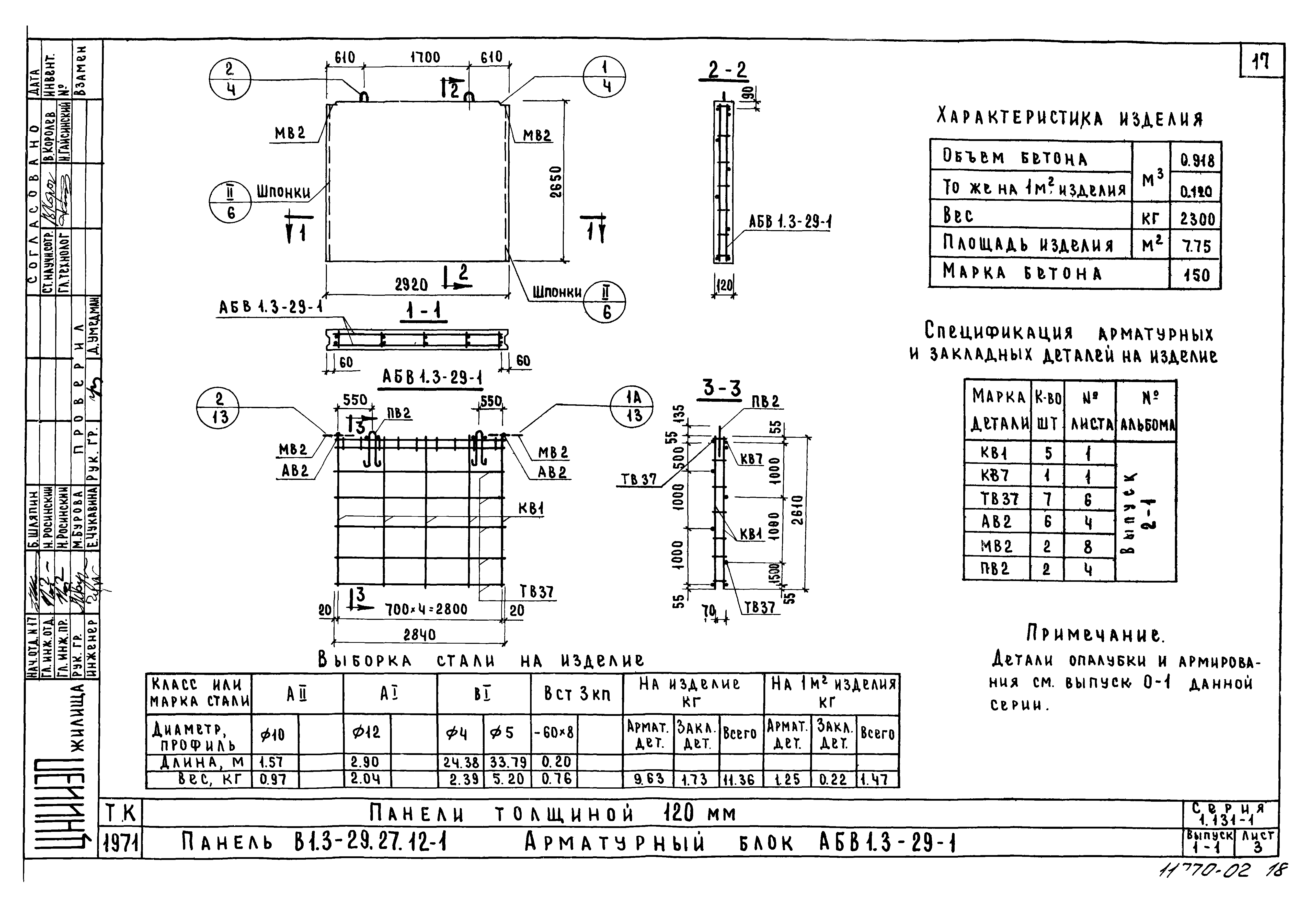
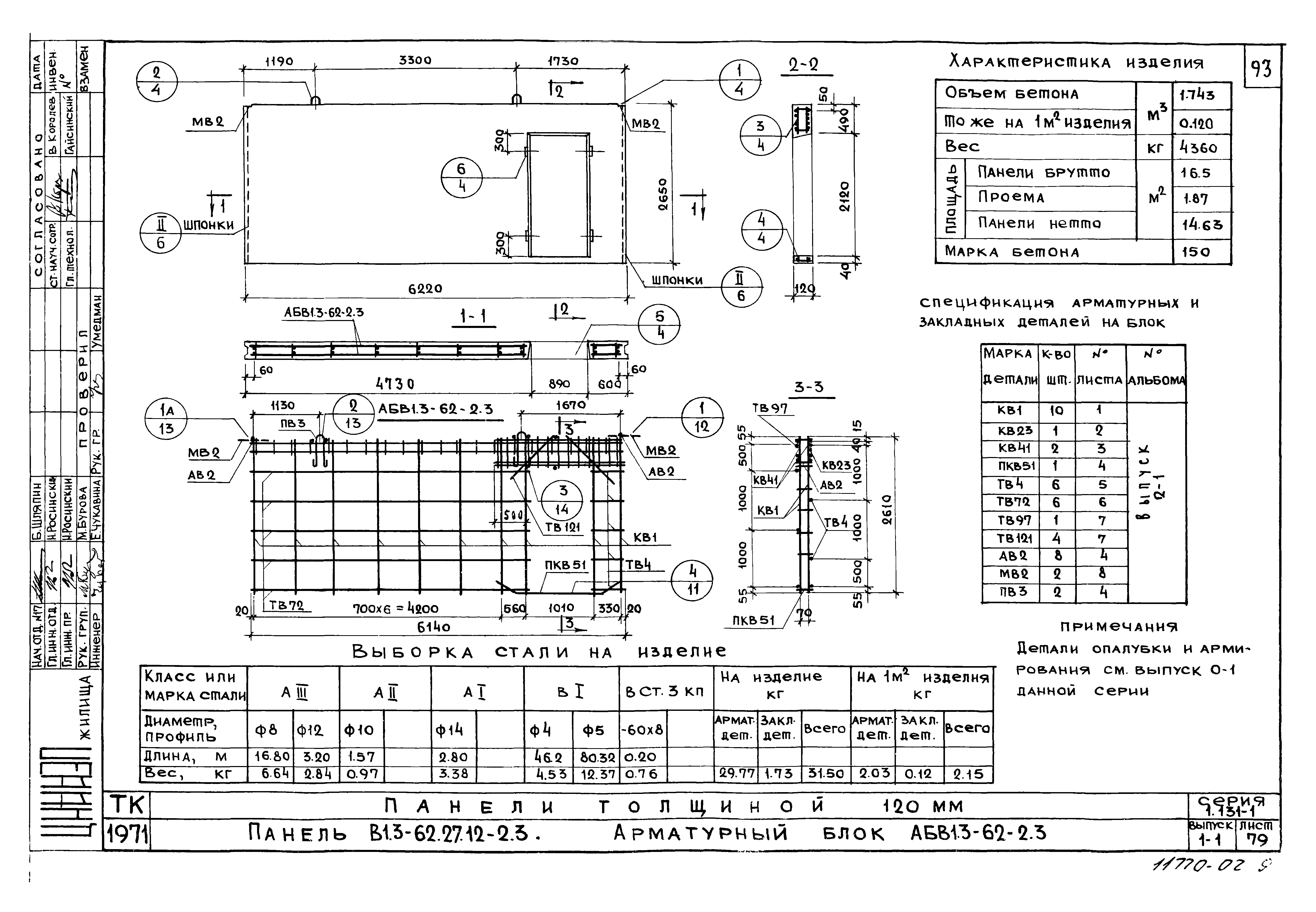
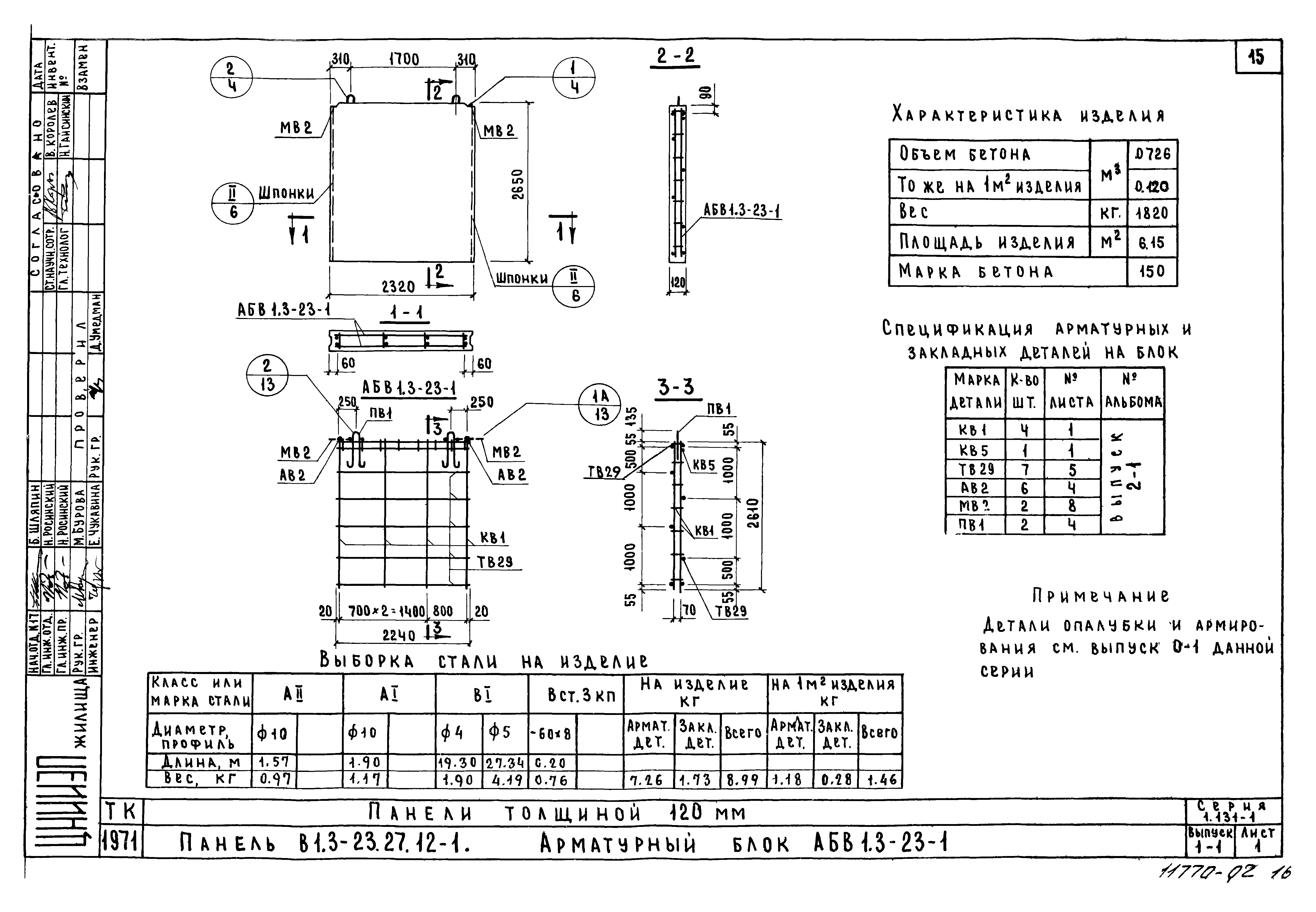
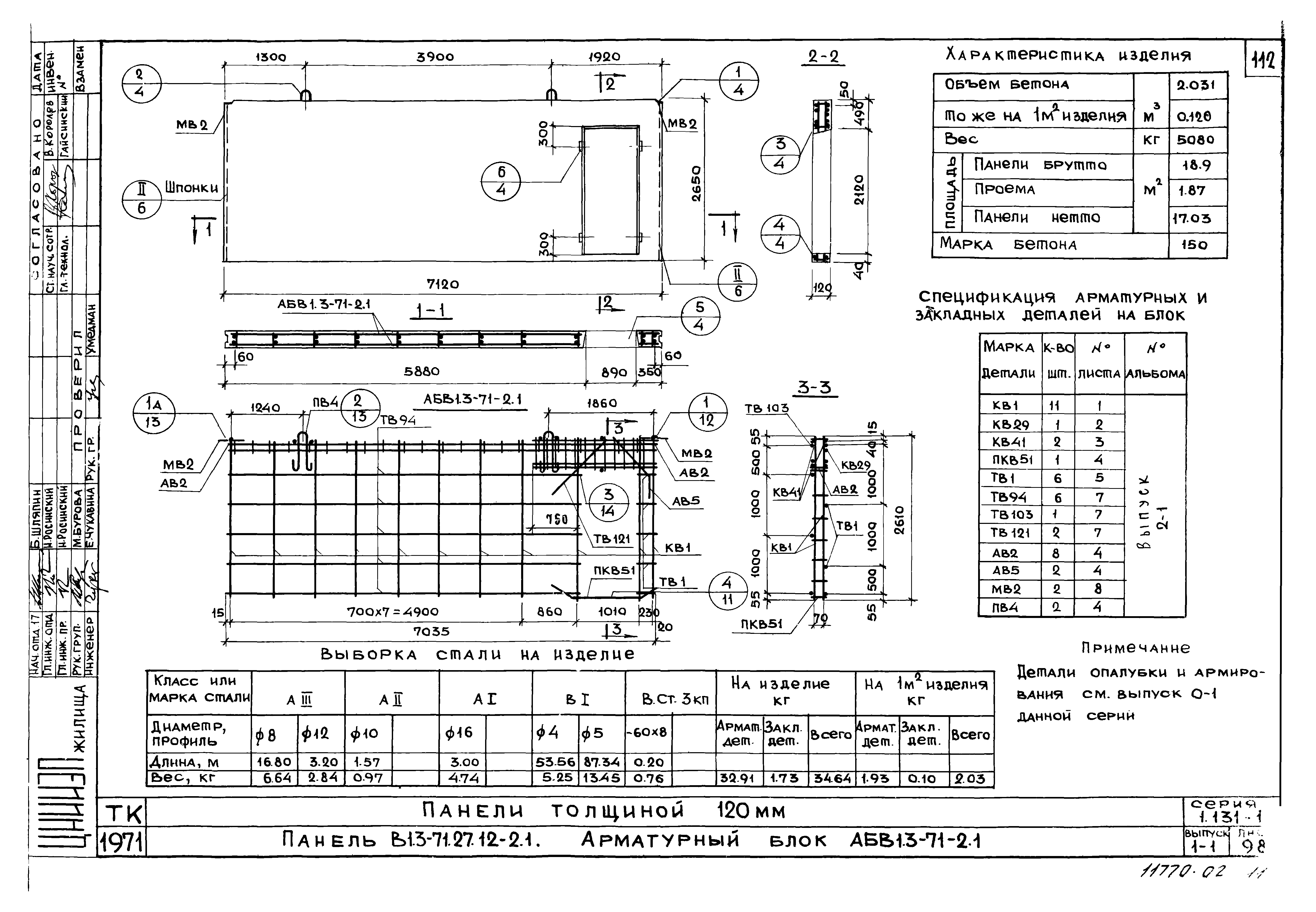
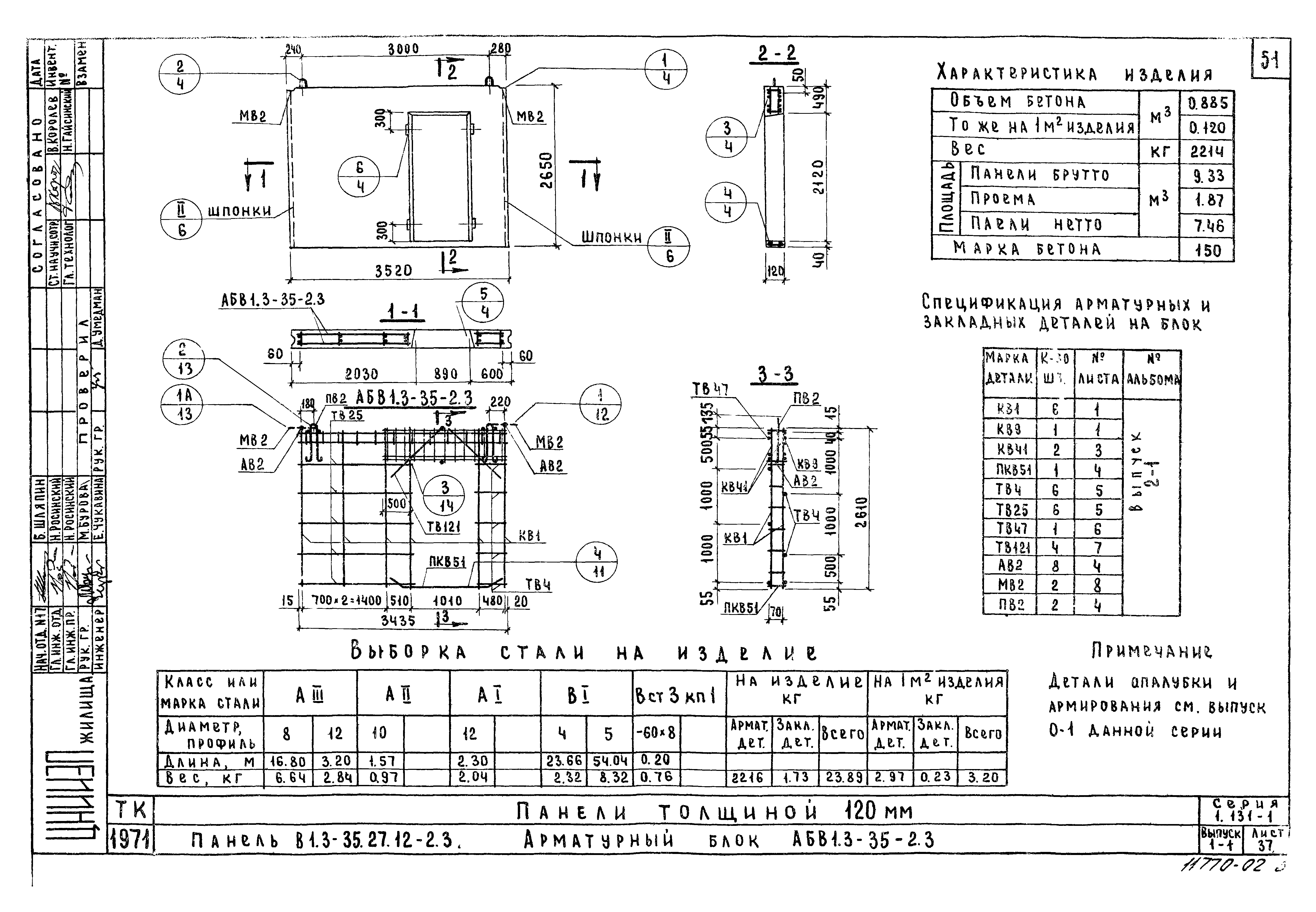
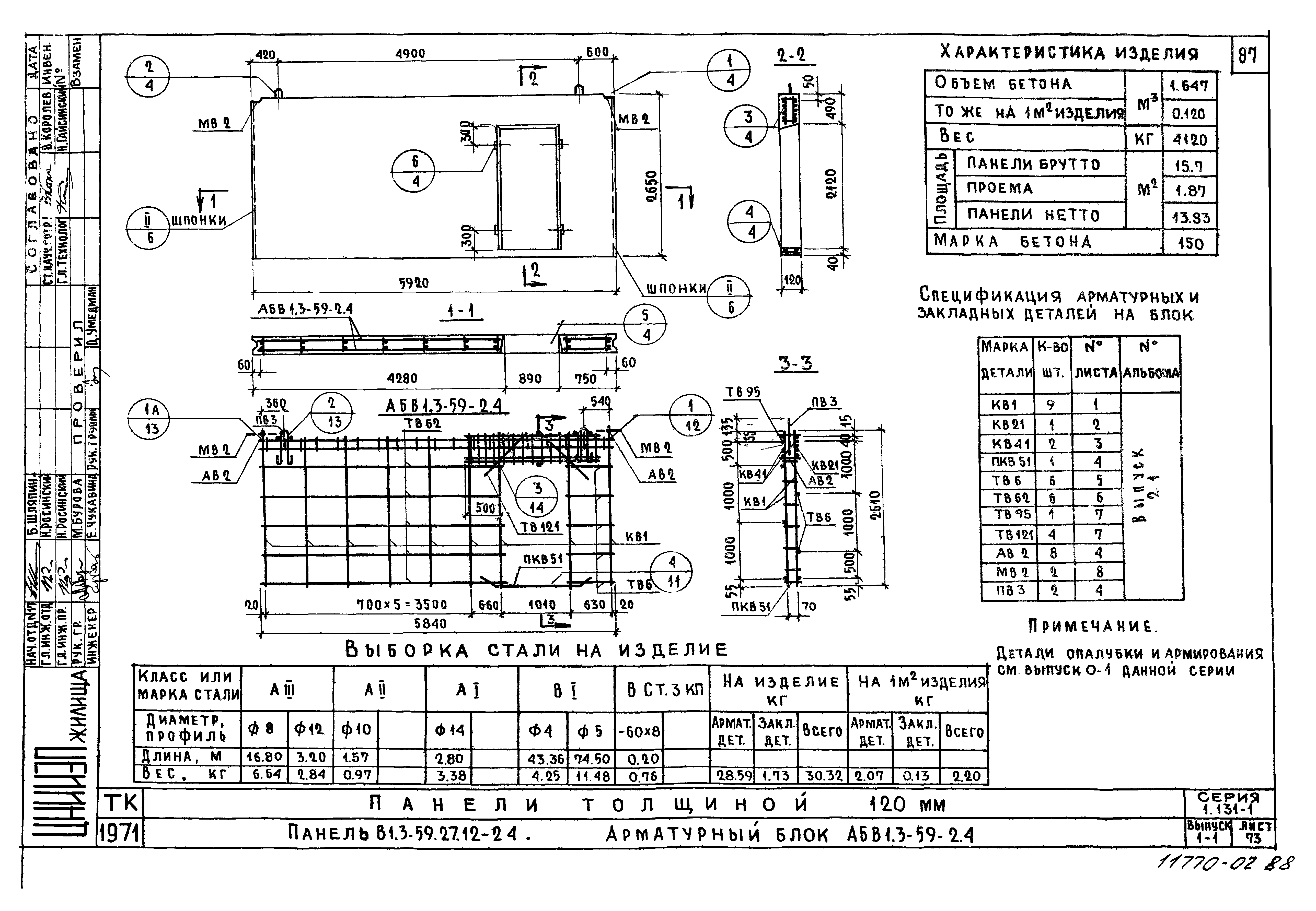
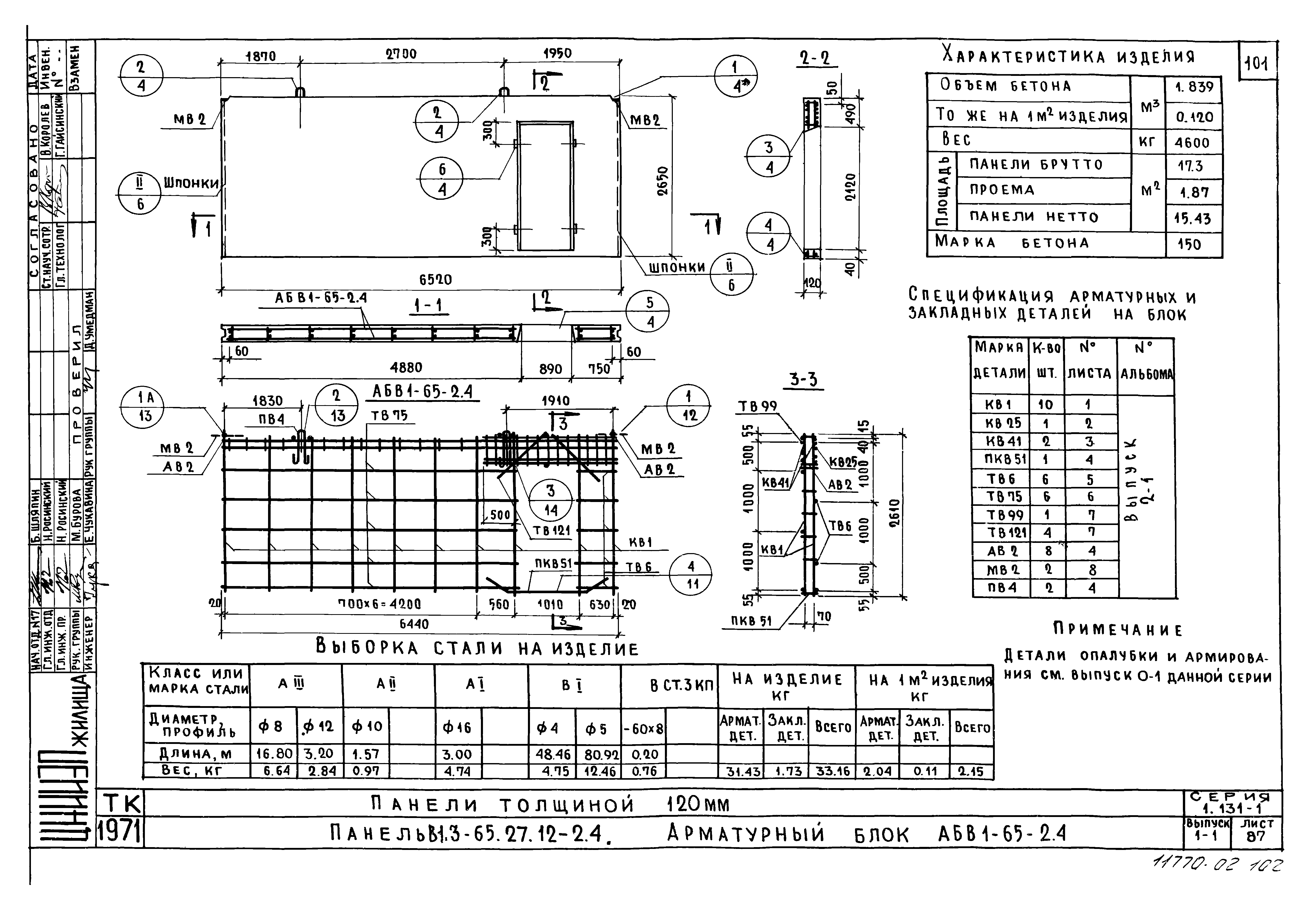
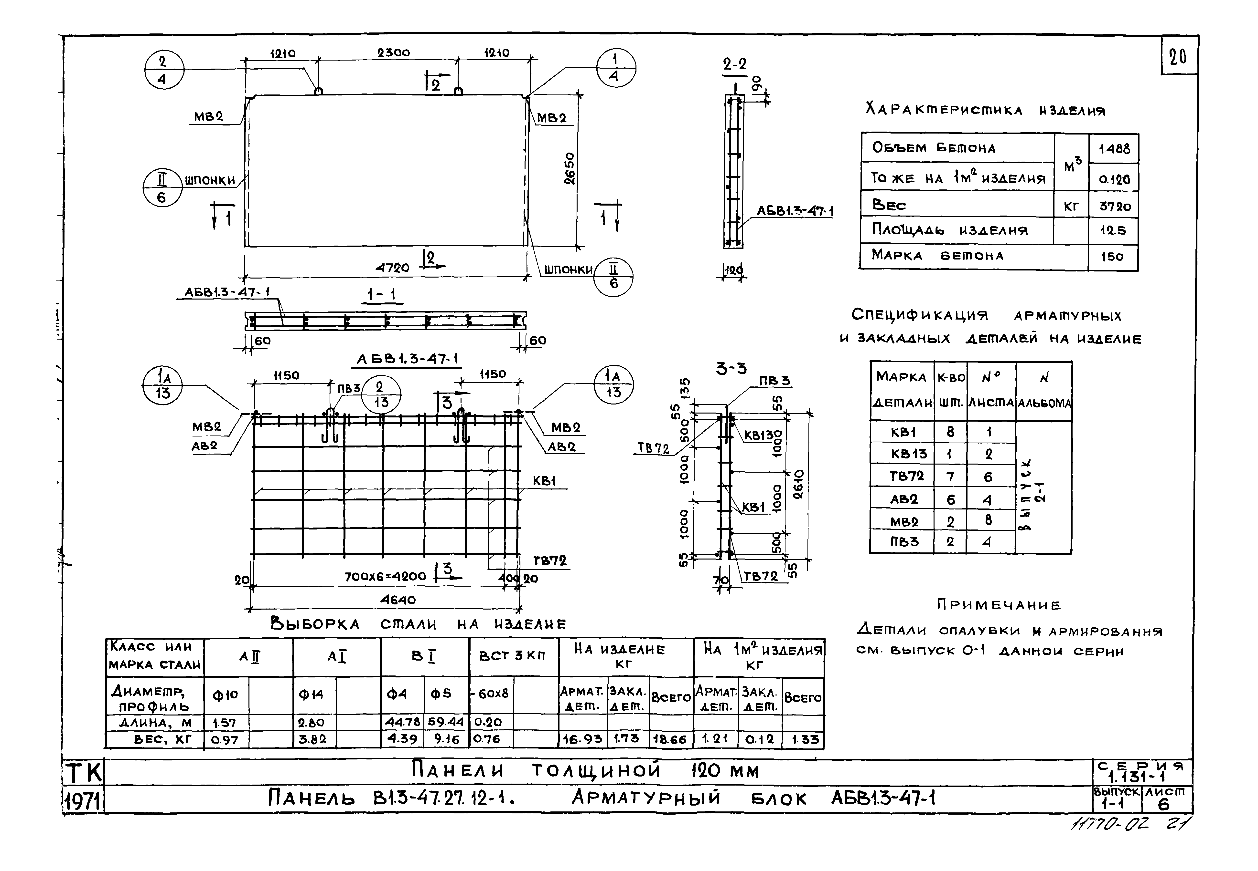
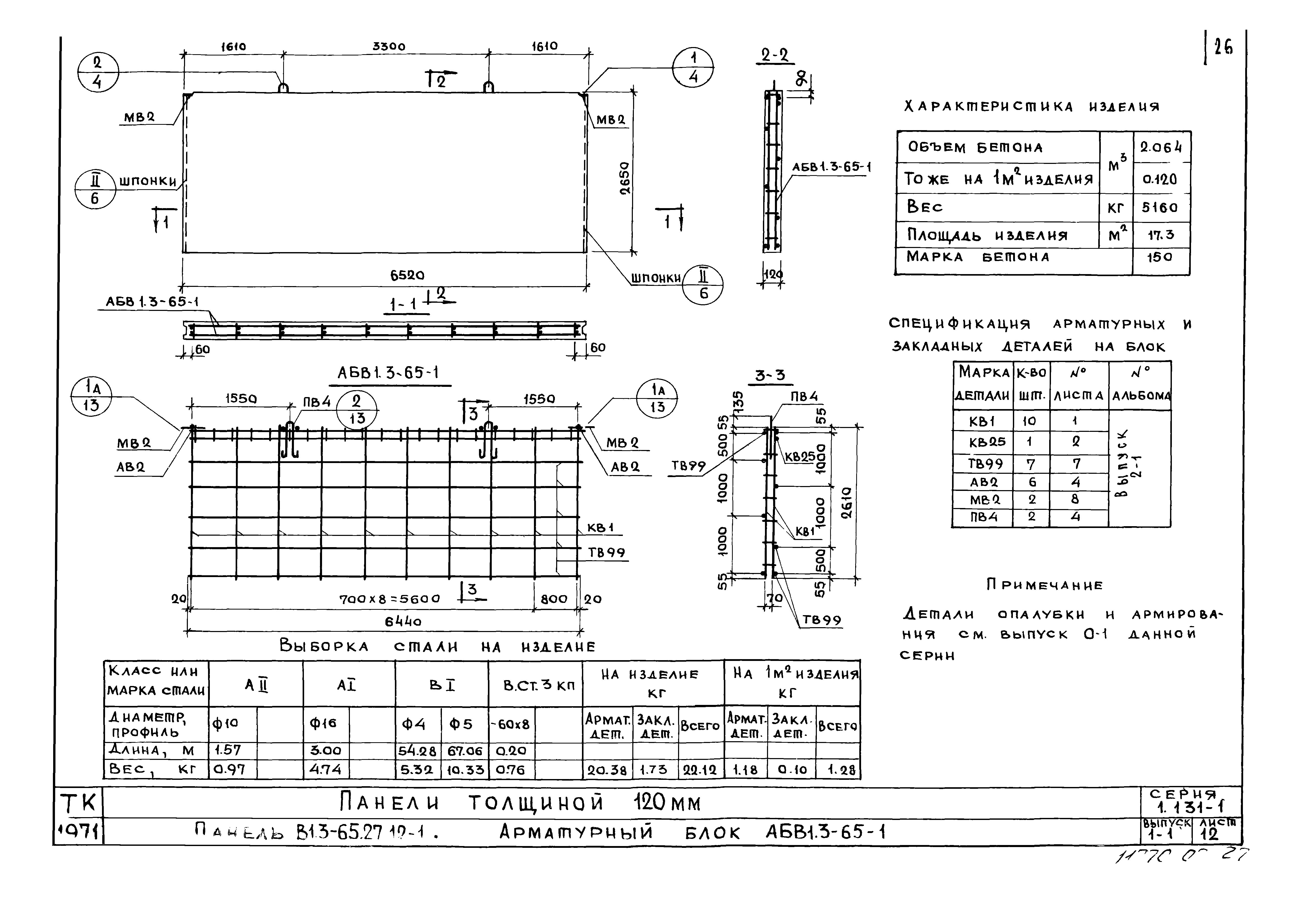
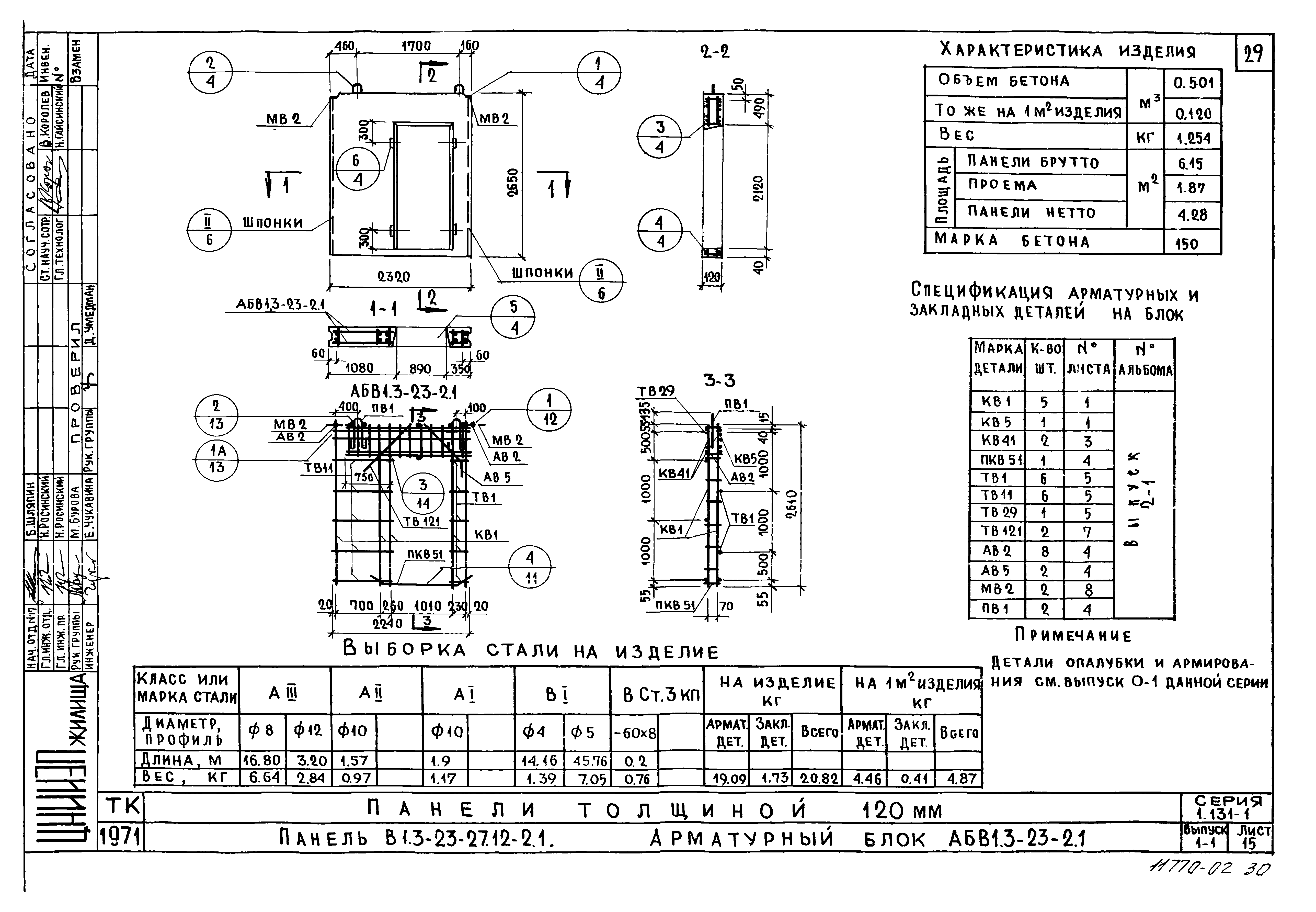
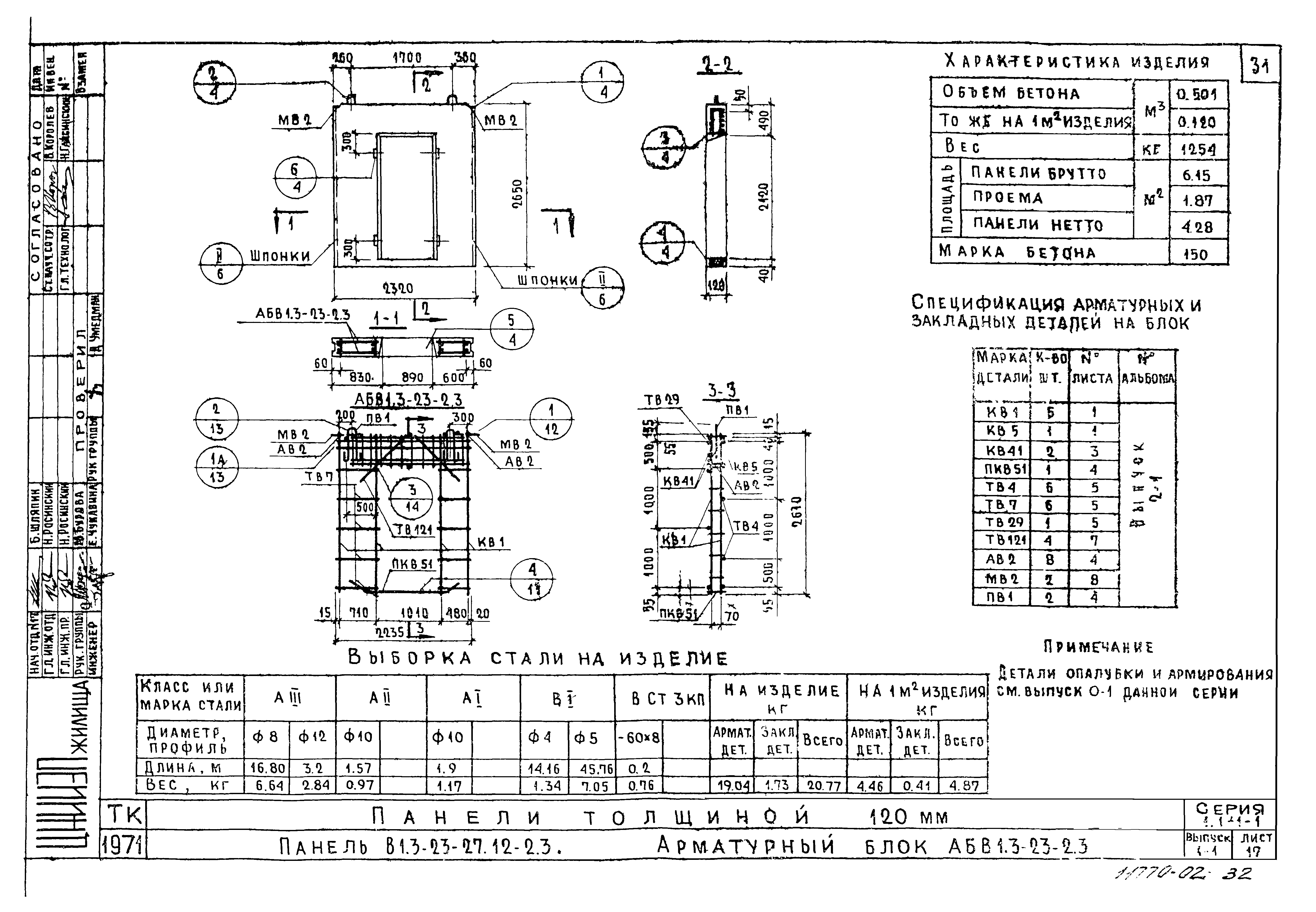
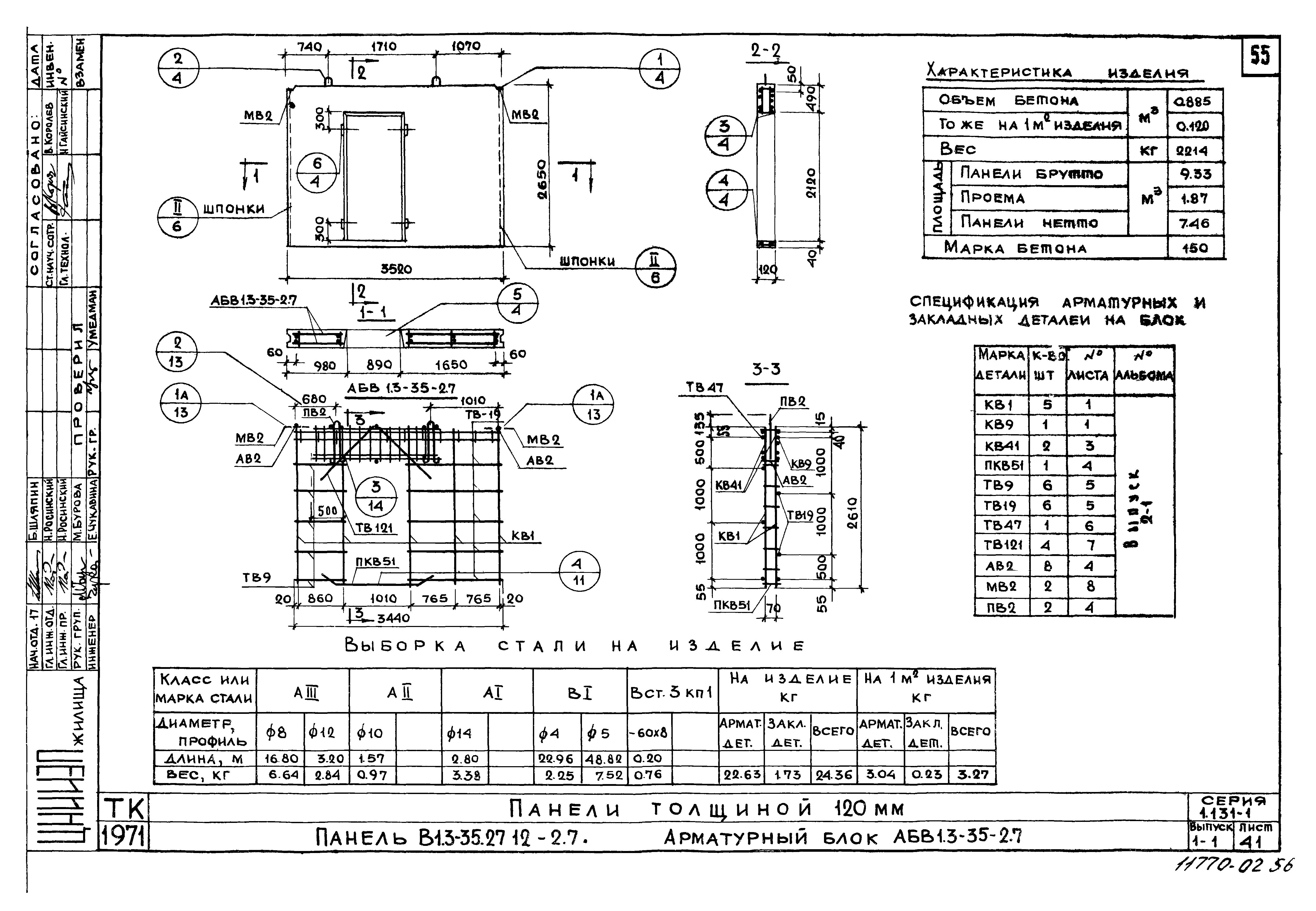
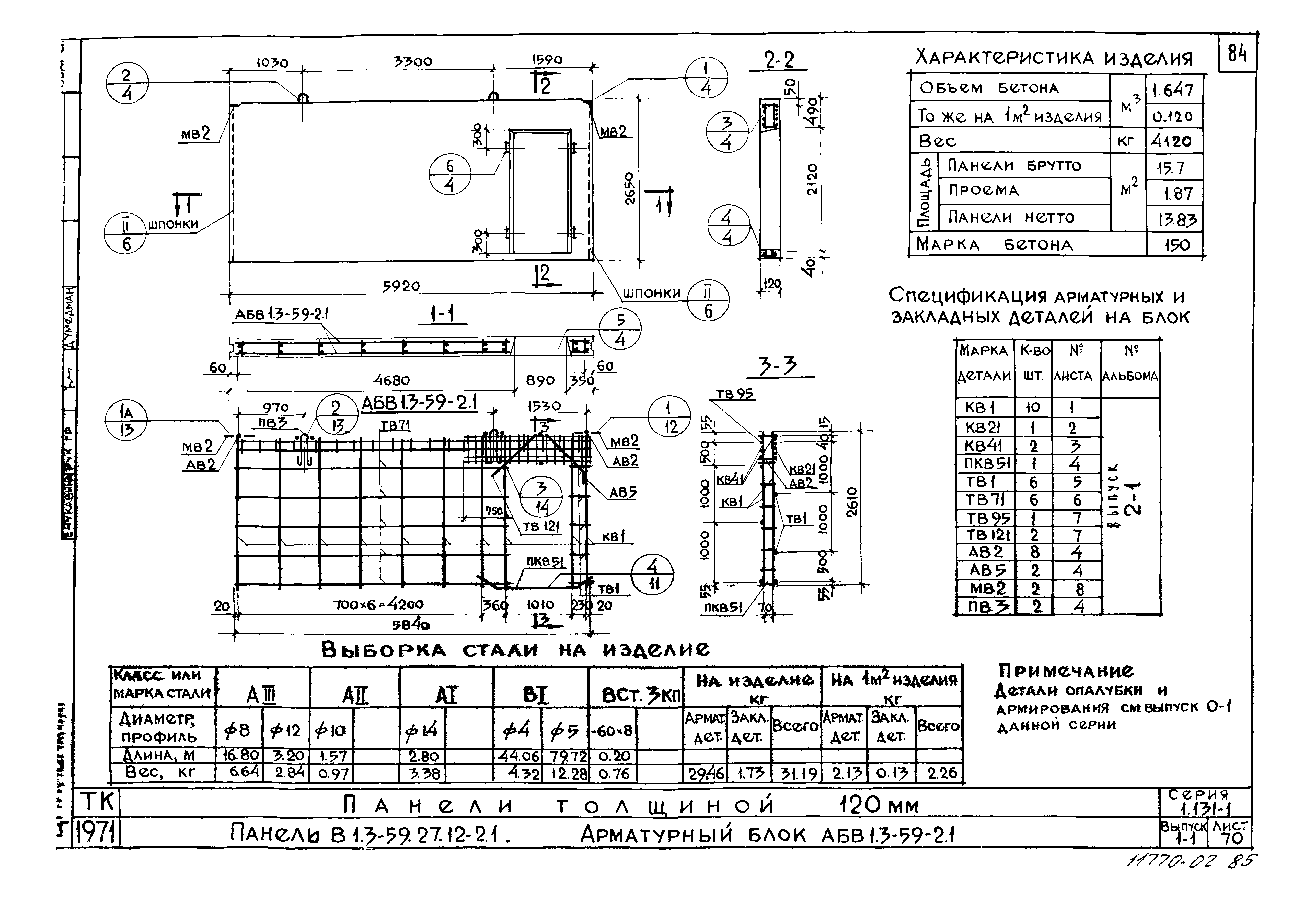
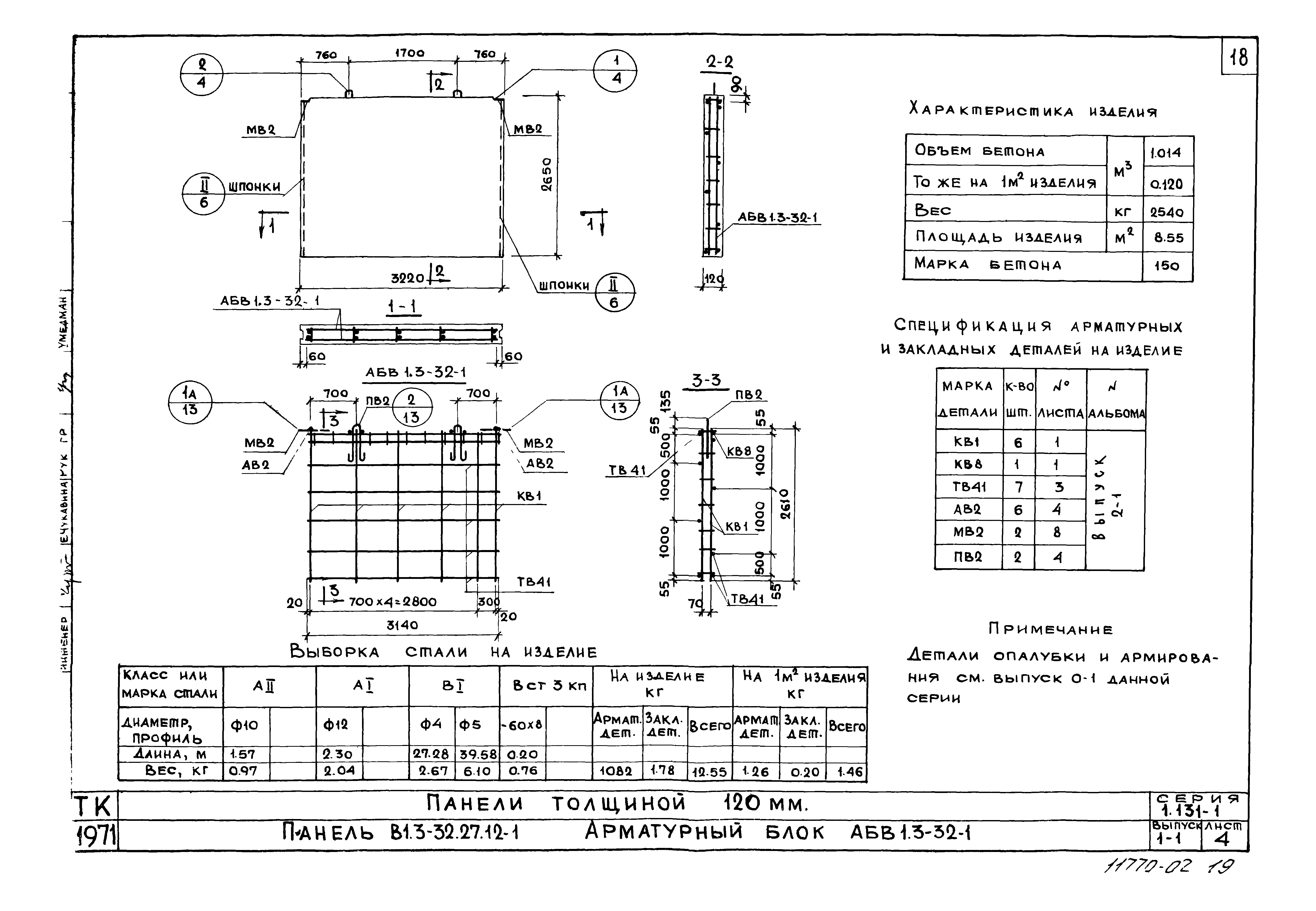
Область применения:В данном выпуске представлены рабочие чертежи несущих панелей внутренних продольных стен толщиной 120 мм из тяжелого бетона для домов с шагом поперечных несущих стен 2,4 - 3,6 м
Разработан: ЦНИИСК им. В.А. Кучеренко
ЦНИИЭП жилища
Утверждён:26.10.1971 Государственный комитет по гражданскому строительству и архитектуре при Госстрое СССР (190)
Чем заменён:
Нормативные ссылки:
Серия 1.131-1Серия 1.131-1Серия 1.131-1Серия 1.131-1Серия 1.131-1Серия 1.131-1Серия 1.131-1Серия 1.131-1Серия 1.131-1Серия 1.131-1Серия 1.131-1Серия 1.131-1Серия 1.131-1Серия 1.131-1Серия 1.131-1Серия 1.131-1Серия 1.131-1Серия 1.131-1Серия 1.131-1Серия 1.131-1Серия 1.131-1Серия 1.131-1Серия 1.131-1Серия 1.131-1Серия 1.131-1Серия 1.131-1Серия 1.131-1Серия 1.131-1Серия 1.131-1Серия 1.131-1Серия 1.131-1Серия 1.131-1Серия 1.131-1Серия 1.131-1Серия 1.131-1Серия 1.131-1Серия 1.131-1Серия 1.131-1Серия 1.131-1Серия 1.131-1Серия 1.131-1Серия 1.131-1Серия 1.131-1Серия 1.131-1Серия 1.131-1Серия 1.131-1Серия 1.131-1Серия 1.131-1Серия 1.131-1Серия 1.131-1Серия 1.131-1Серия 1.131-1Серия 1.131-1Серия 1.131-1Серия 1.131-1Серия 1.131-1Серия 1.131-1Серия 1.131-1Серия 1.131-1Серия 1.131-1Серия 1.131-1Серия 1.131-1Серия 1.131-1Серия 1.131-1Серия 1.131-1Серия 1.131-1Серия 1.131-1Серия 1.131-1Серия 1.131-1Серия 1.131-1Серия 1.131-1Серия 1.131-1Серия 1.131-1Серия 1.131-1Серия 1.131-1Серия 1.131-1Серия 1.131-1Серия 1.131-1Серия 1.131-1Серия 1.131-1Серия 1.131-1Серия 1.131-1Серия 1.131-1Серия 1.131-1Серия 1.131-1Серия 1.131-1Серия 1.131-1Серия 1.131-1Серия 1.131-1Серия 1.131-1Серия 1.131-1Серия 1.131-1Серия 1.131-1Серия 1.131-1Серия 1.131-1Серия 1.131-1Серия 1.131-1Серия 1.131-1Серия 1.131-1Серия 1.131-1Серия 1.131-1Серия 1.131-1Серия 1.131-1Серия 1.131-1Серия 1.131-1Серия 1.131-1Серия 1.131-1Серия 1.131-1Серия 1.131-1Серия 1.131-1Серия 1.131-1Серия 1.131-1Серия 1.131-1Серия 1.131-1Серия 1.131-1Серия 1.131-1Серия 1.131-1Серия 1.131-1Серия 1.131-1Серия 1.131-1