Скачать Серия 1.131-1 Выпуск 1-2. Панели толщиной 160 мм

Дата актуализации: 01.01.2021

Серия 1.131-1

Выпуск 1-2. Панели толщиной 160 мм

Обозначение: Серия 1.131-1
Обозначение англ: Series 1.131-1
Статус:заменен
Название рус.:Выпуск 1-2. Панели толщиной 160 мм
Дата добавления в базу:01.09.2013
Дата актуализации:01.01.2021
Дата введения:01.01.1972
Дата окончания срока действия:01.03.1985
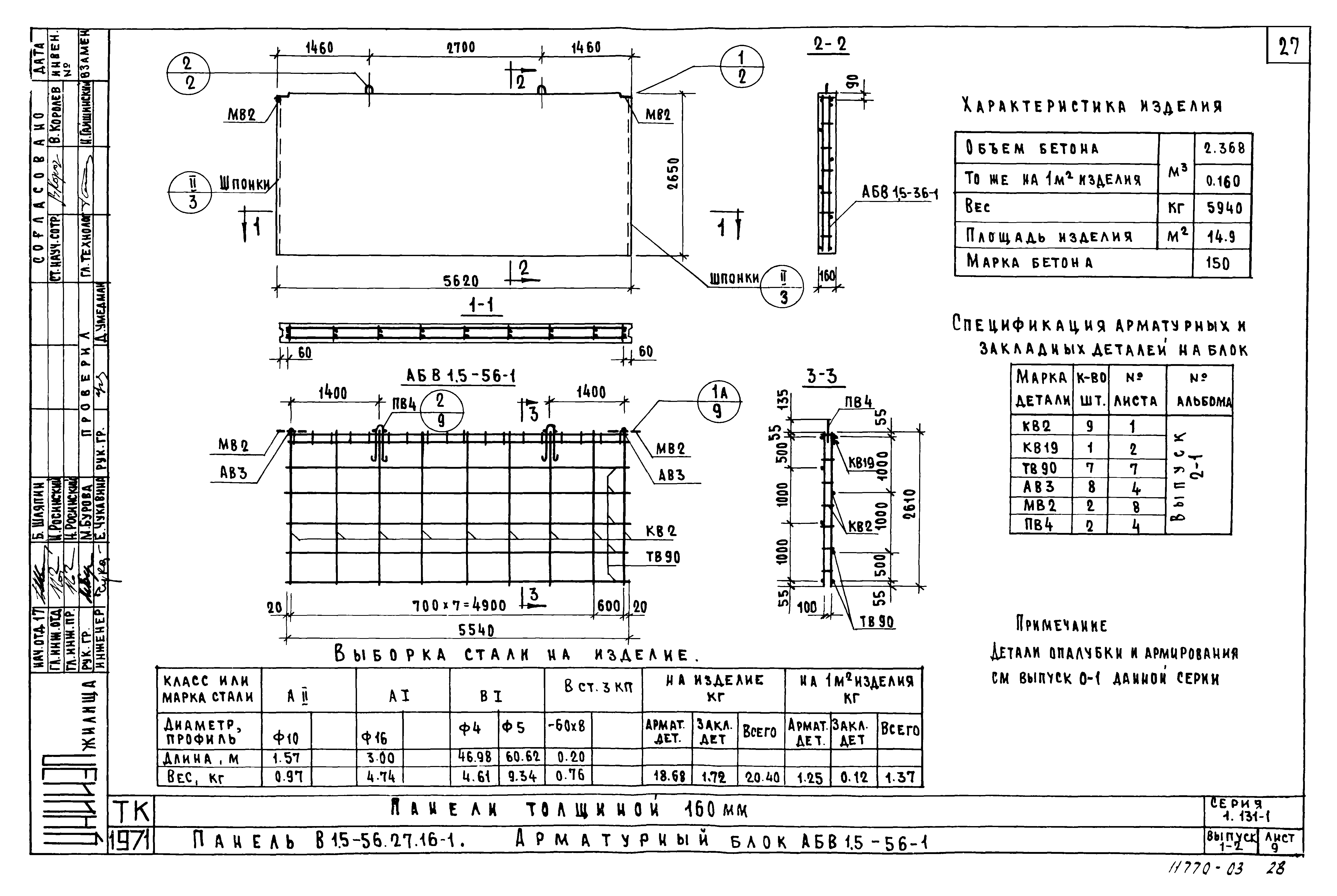
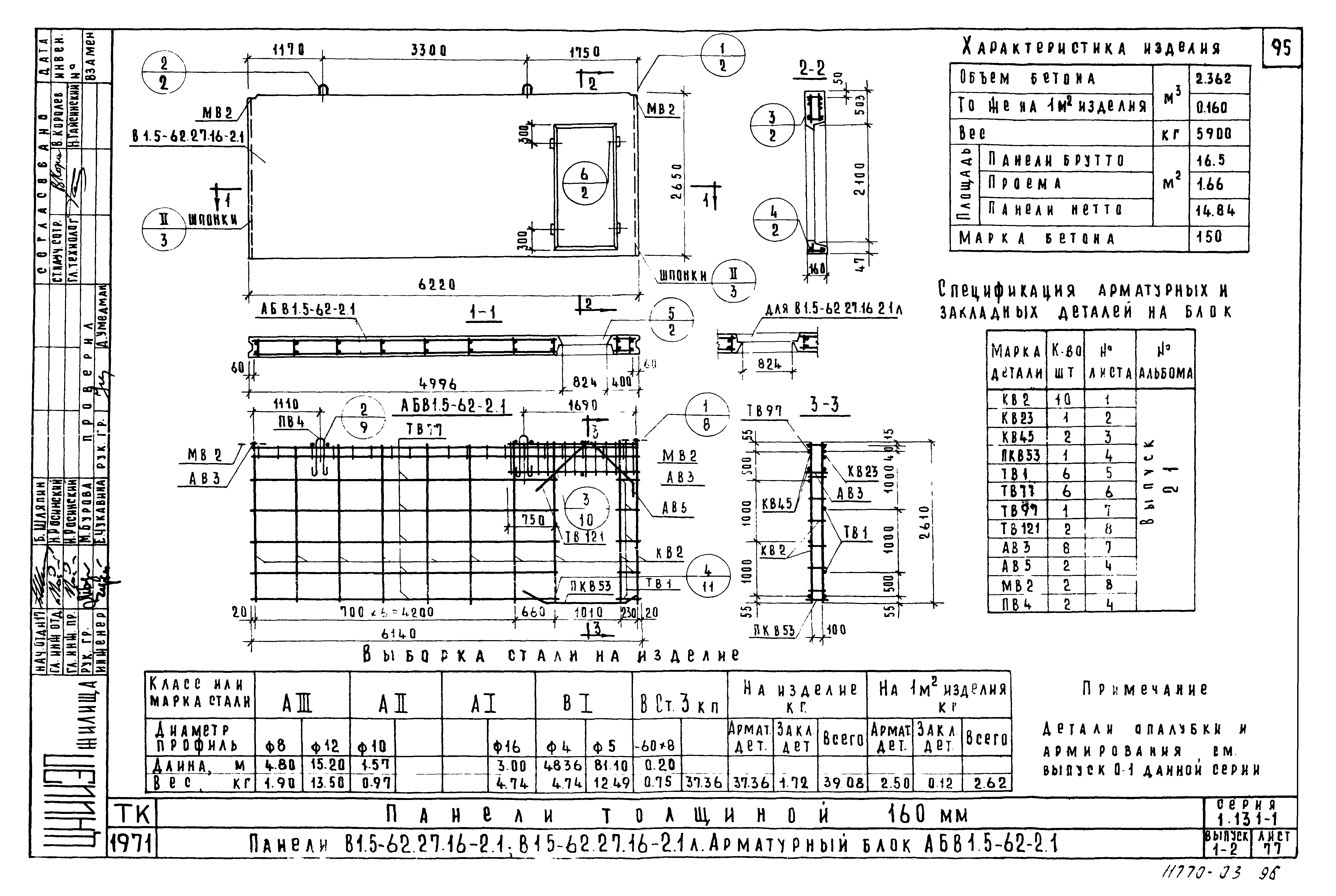
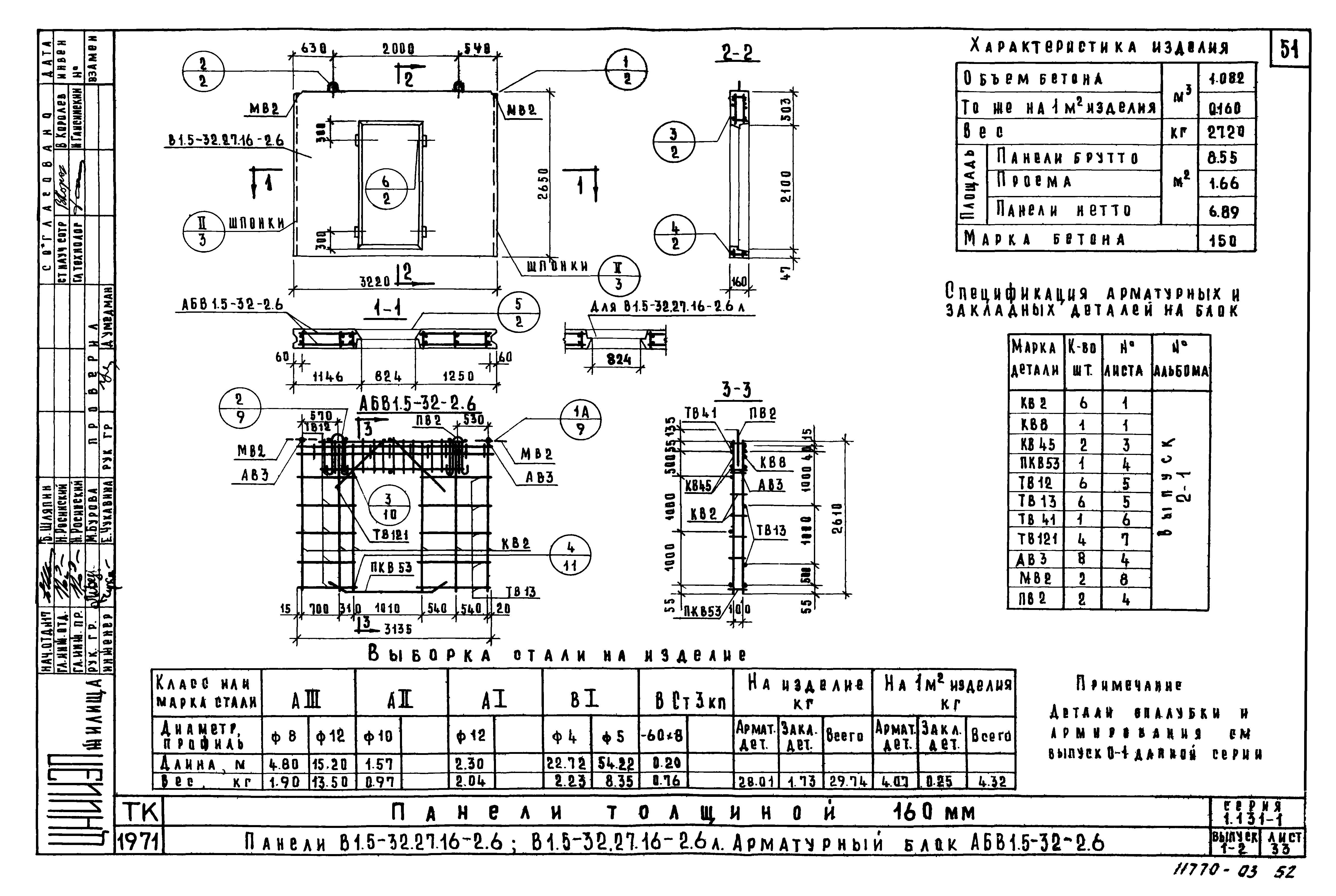
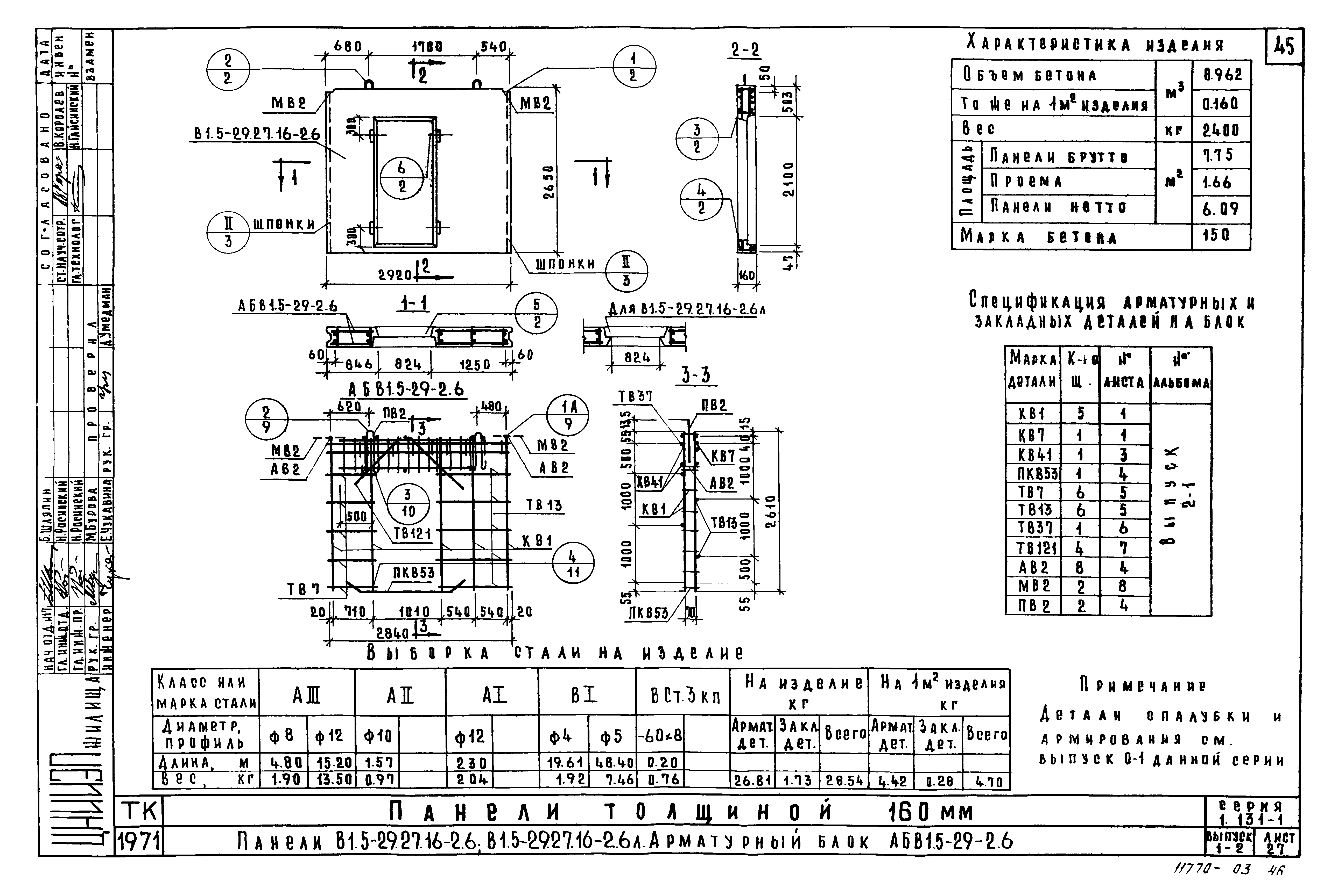
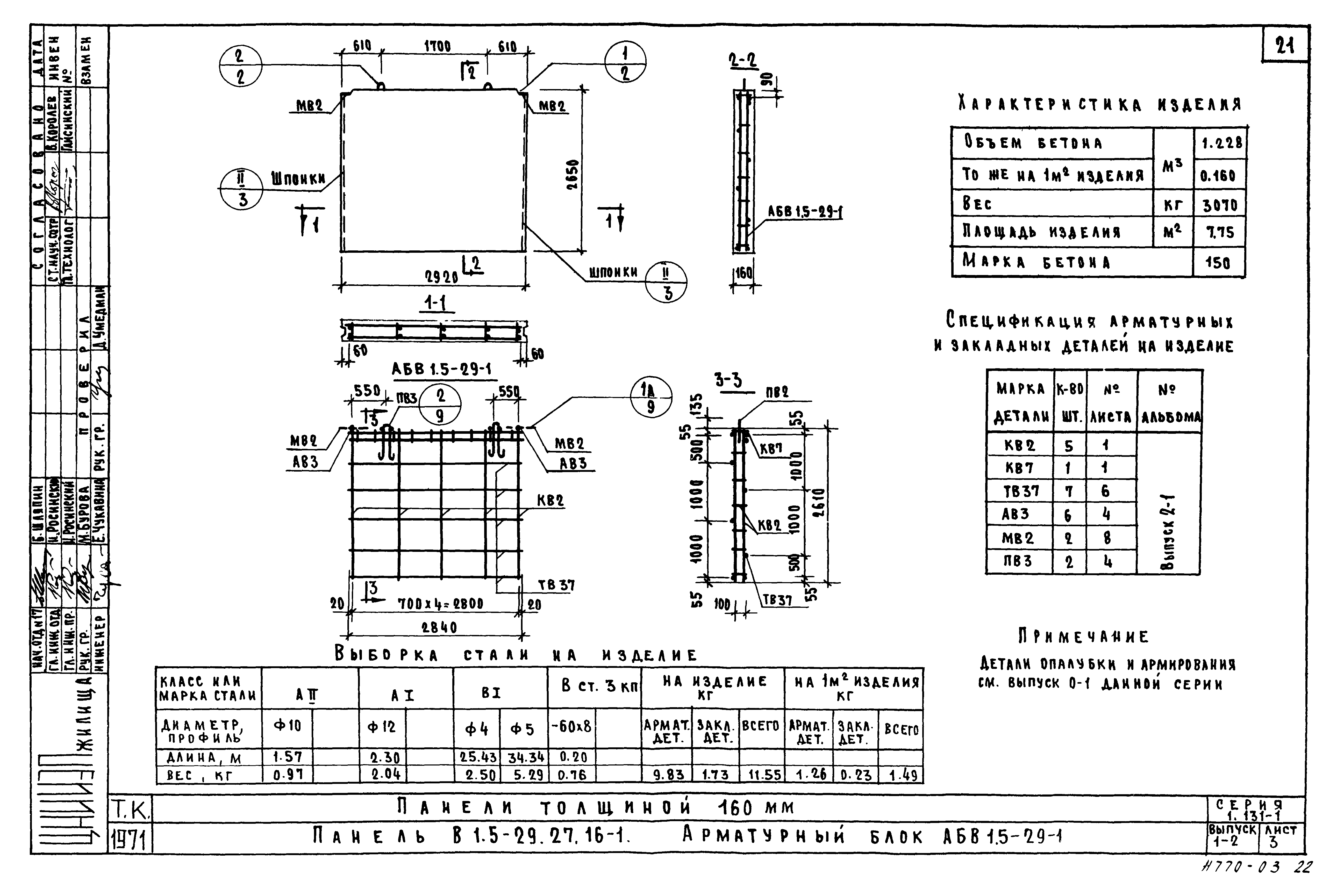
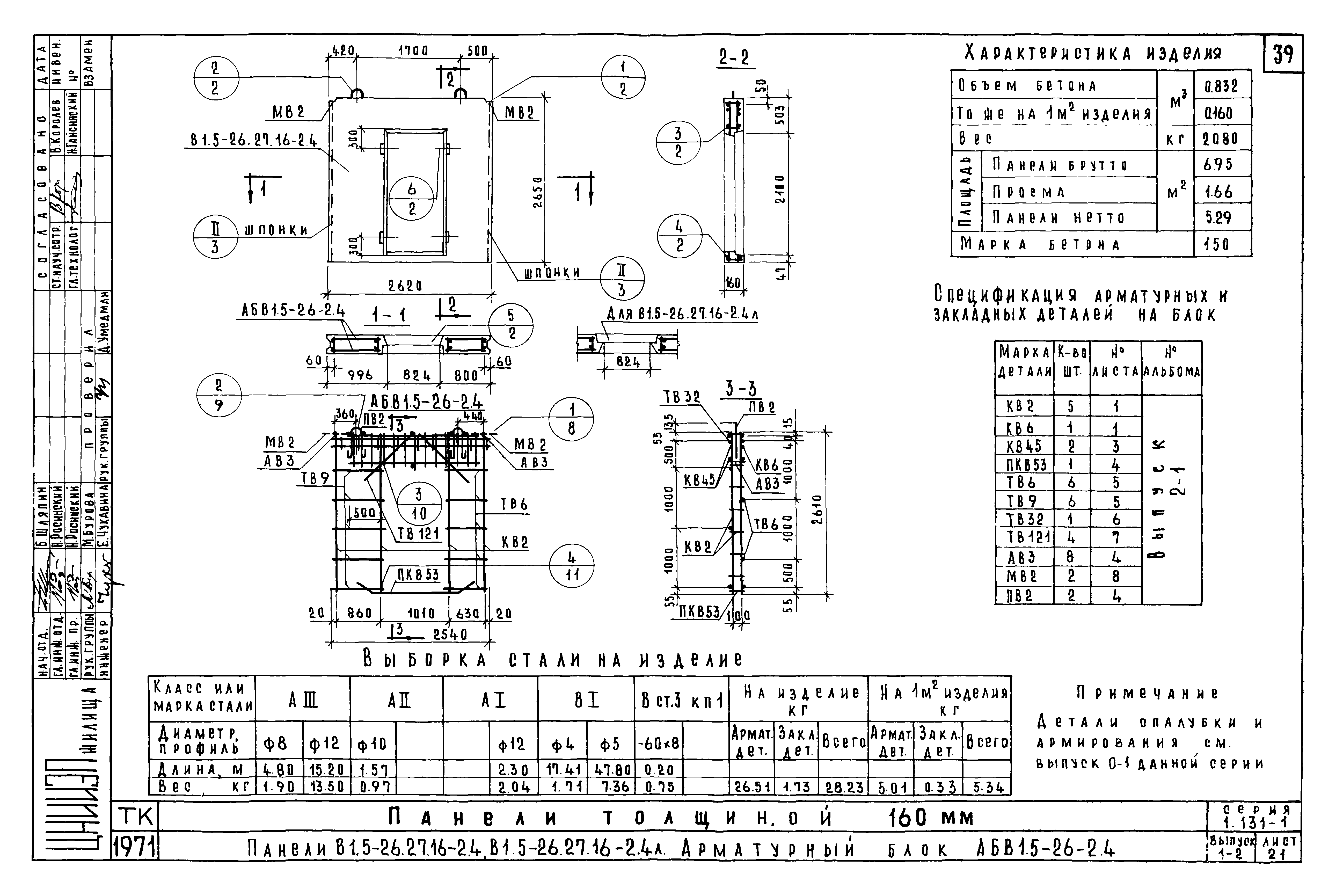
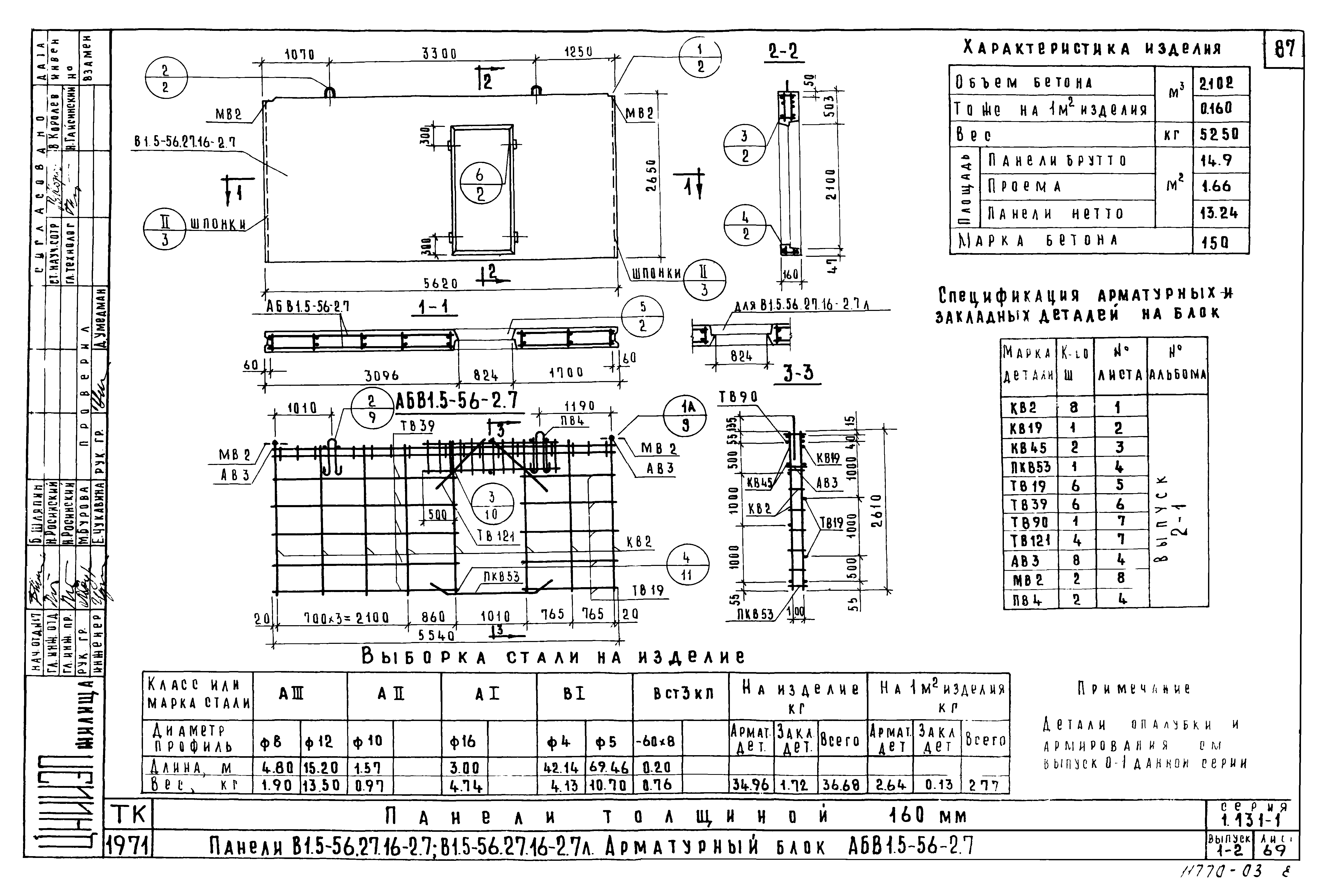
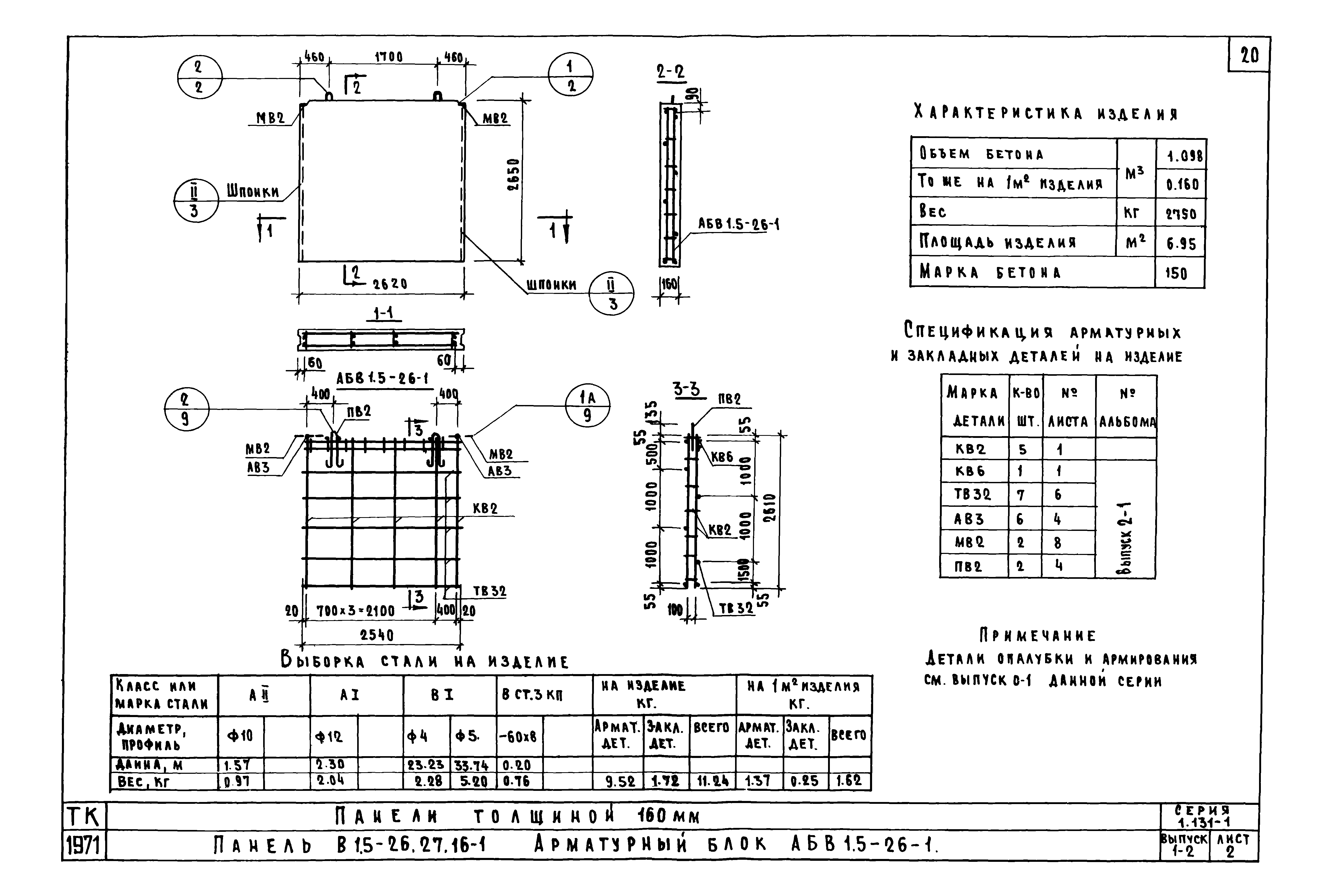
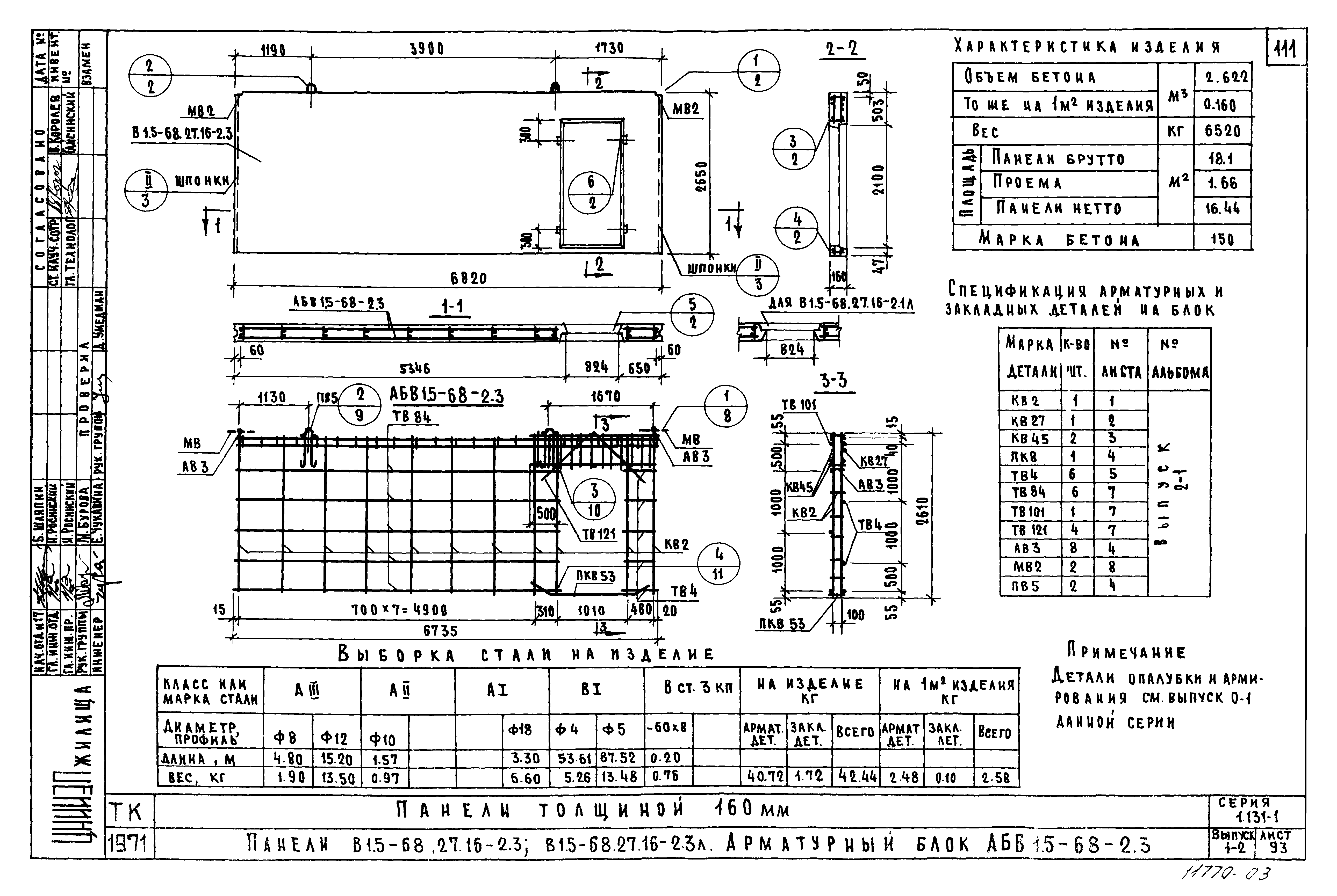
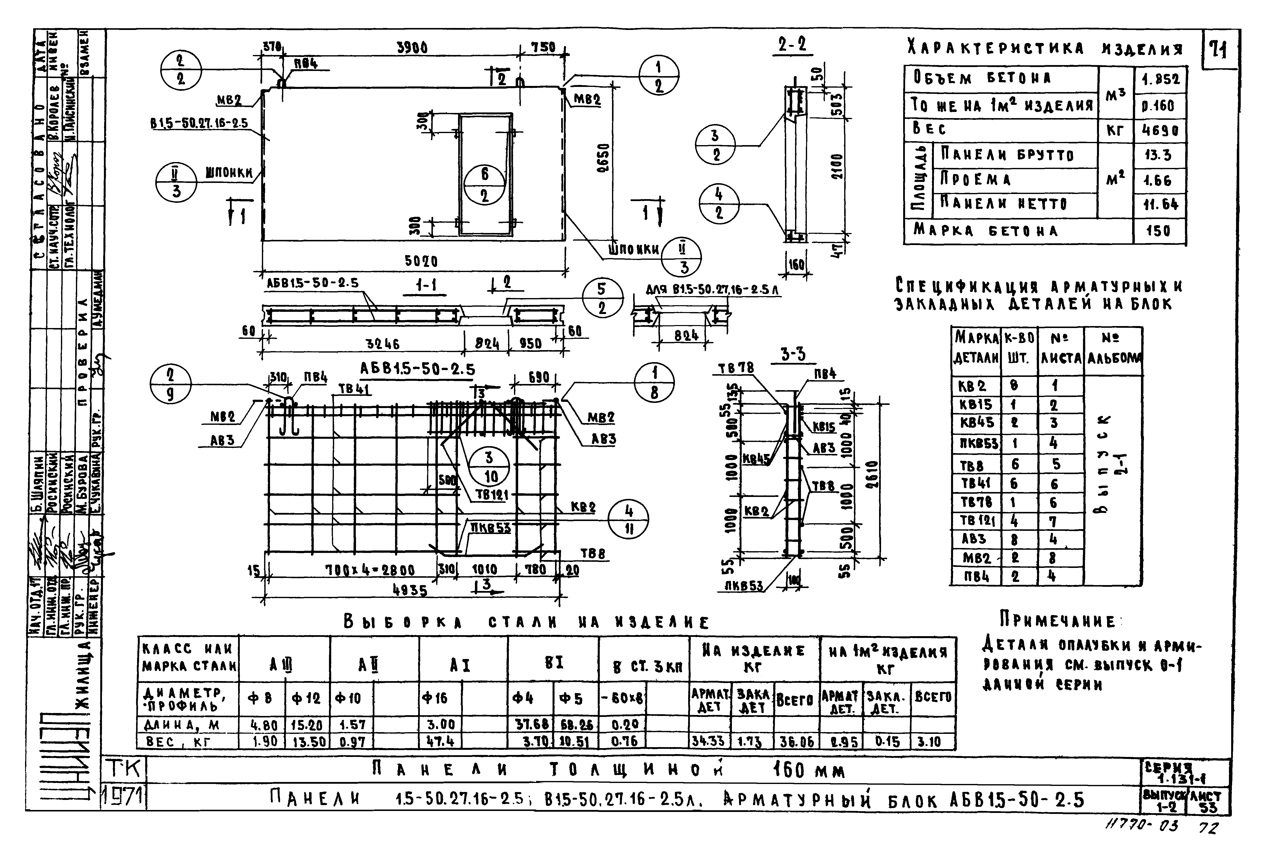
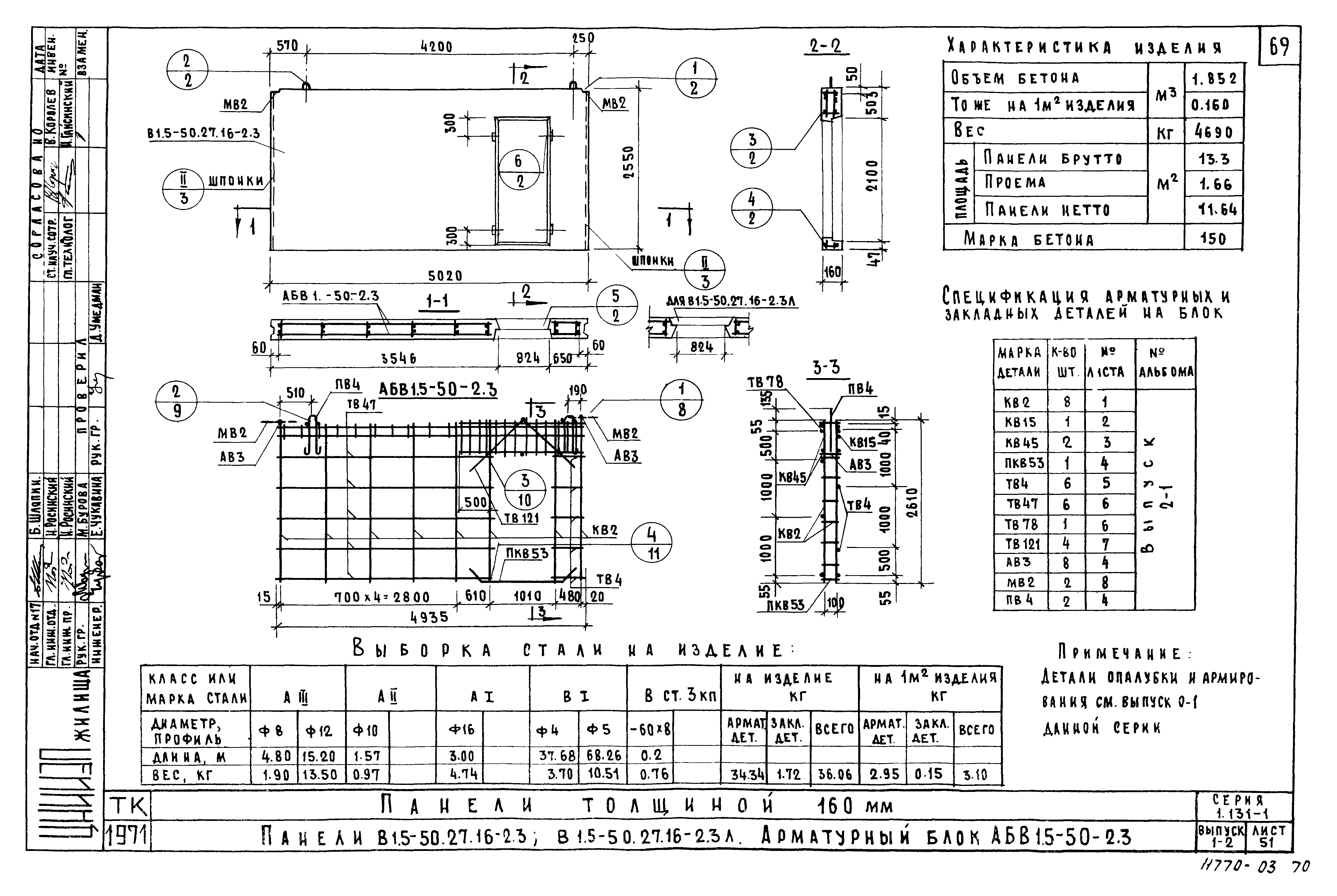
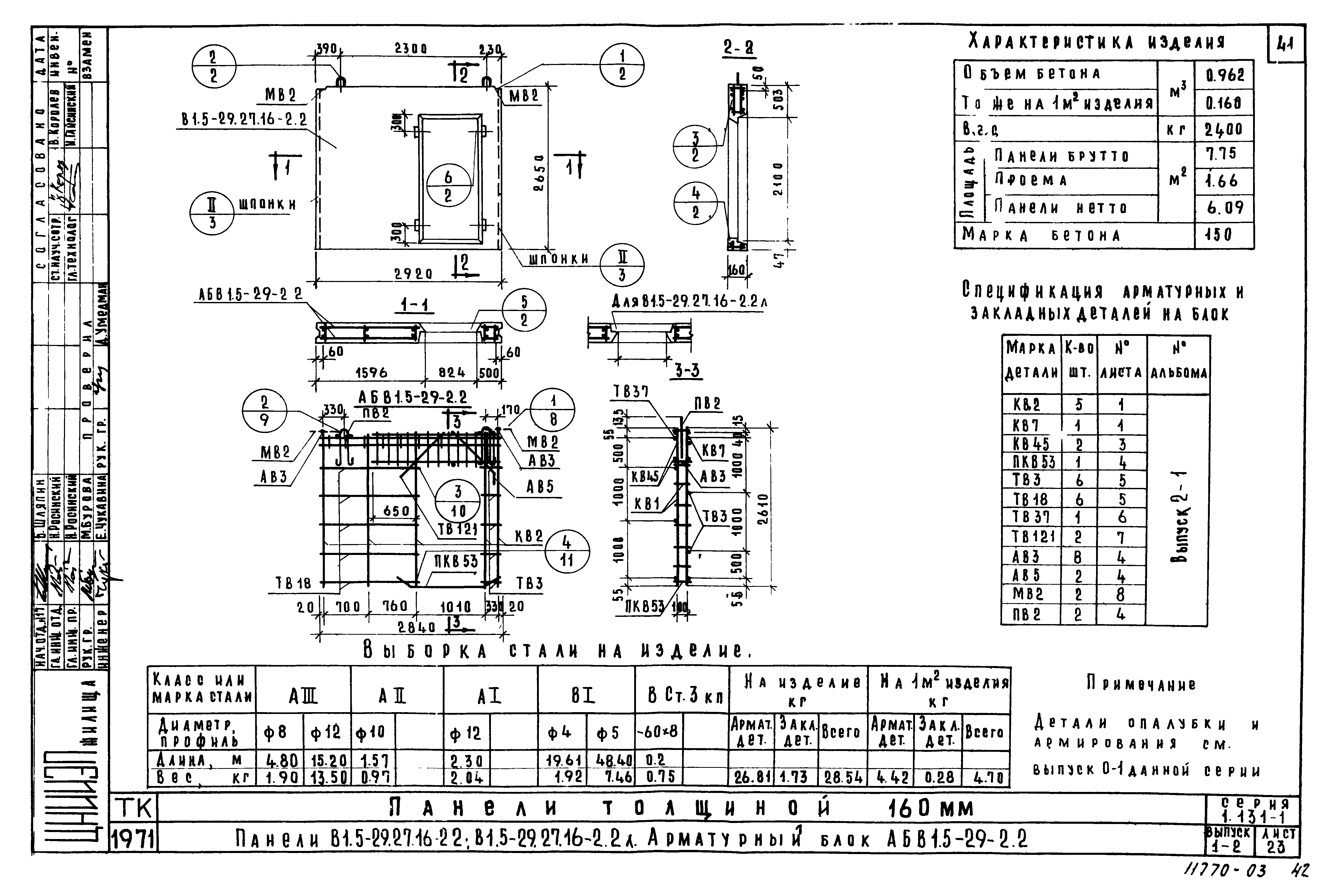
Область применения:В данном выпуске приведены опалубочные и арматурные изделия (каркасы и закладные детали) и указания по их изготовлению и маркировке
Разработан: ЦНИИСК им. В.А. Кучеренко
ЦНИИЭП жилища
Утверждён:26.10.1971 Государственный комитет по гражданскому строительству и архитектуре при Госстрое СССР (190)
Чем заменён:
Нормативные ссылки:
Серия 1.131-1Серия 1.131-1Серия 1.131-1Серия 1.131-1Серия 1.131-1Серия 1.131-1Серия 1.131-1Серия 1.131-1Серия 1.131-1Серия 1.131-1Серия 1.131-1Серия 1.131-1Серия 1.131-1Серия 1.131-1Серия 1.131-1Серия 1.131-1Серия 1.131-1Серия 1.131-1Серия 1.131-1Серия 1.131-1Серия 1.131-1Серия 1.131-1Серия 1.131-1Серия 1.131-1Серия 1.131-1Серия 1.131-1Серия 1.131-1Серия 1.131-1Серия 1.131-1Серия 1.131-1Серия 1.131-1Серия 1.131-1Серия 1.131-1Серия 1.131-1Серия 1.131-1Серия 1.131-1Серия 1.131-1Серия 1.131-1Серия 1.131-1Серия 1.131-1Серия 1.131-1Серия 1.131-1Серия 1.131-1Серия 1.131-1Серия 1.131-1Серия 1.131-1Серия 1.131-1Серия 1.131-1Серия 1.131-1Серия 1.131-1Серия 1.131-1Серия 1.131-1Серия 1.131-1Серия 1.131-1Серия 1.131-1Серия 1.131-1Серия 1.131-1Серия 1.131-1Серия 1.131-1Серия 1.131-1Серия 1.131-1Серия 1.131-1Серия 1.131-1Серия 1.131-1Серия 1.131-1Серия 1.131-1Серия 1.131-1Серия 1.131-1Серия 1.131-1Серия 1.131-1Серия 1.131-1Серия 1.131-1Серия 1.131-1Серия 1.131-1Серия 1.131-1Серия 1.131-1Серия 1.131-1Серия 1.131-1Серия 1.131-1Серия 1.131-1Серия 1.131-1Серия 1.131-1Серия 1.131-1Серия 1.131-1Серия 1.131-1Серия 1.131-1Серия 1.131-1Серия 1.131-1Серия 1.131-1Серия 1.131-1Серия 1.131-1Серия 1.131-1Серия 1.131-1Серия 1.131-1Серия 1.131-1Серия 1.131-1Серия 1.131-1Серия 1.131-1Серия 1.131-1Серия 1.131-1Серия 1.131-1Серия 1.131-1Серия 1.131-1Серия 1.131-1Серия 1.131-1Серия 1.131-1Серия 1.131-1Серия 1.131-1Серия 1.131-1Серия 1.131-1Серия 1.131-1Серия 1.131-1Серия 1.131-1Серия 1.131-1Серия 1.131-1Серия 1.131-1Серия 1.131-1Серия 1.131-1Серия 1.131-1Серия 1.131-1Серия 1.131-1Серия 1.131-1Серия 1.131-1