Скачать Серия 1.132-1 Выпуск 1-1. Панели группы НР1 одношаговые толщиной 300, 350, 400 ммДата актуализации: 01.01.2021 Серия 1.132-1
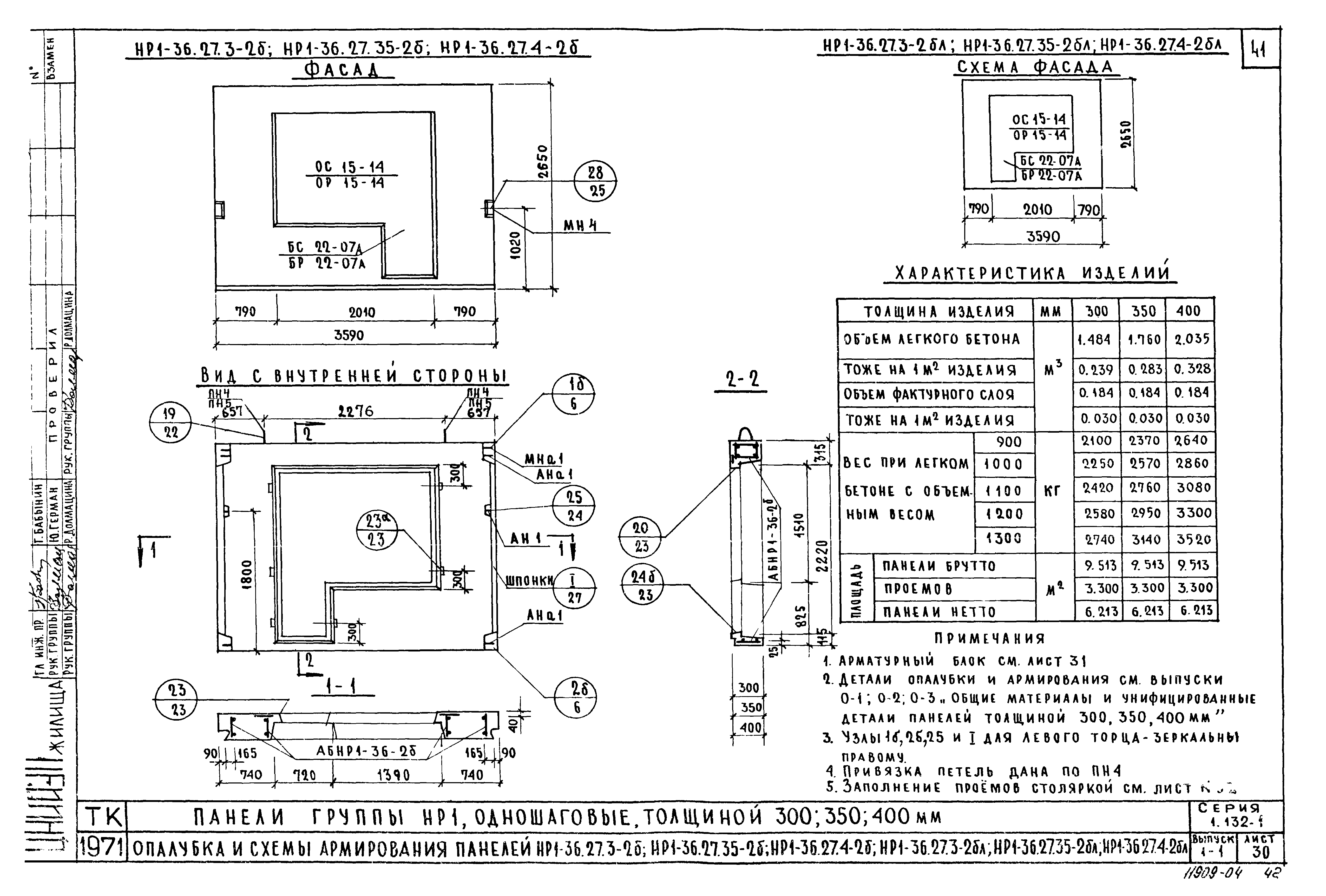
Выпуск 1-1. Панели группы НР1 одношаговые толщиной 300, 350, 400 мм| Обозначение: | Серия 1.132-1 | | Обозначение англ: | Series 1.132-1 | | Статус: | заменен | | Название рус.: | Выпуск 1-1. Панели группы НР1 одношаговые толщиной 300, 350, 400 мм | | Дата добавления в базу: | 01.09.2013 | | Дата актуализации: | 01.01.2021 | | Дата введения: | 01.01.1972 | | Дата окончания срока действия: | 01.10.1983 | | Область применения: | В выпуске 1-1 представлены рабочие чертежи наружных стеновых панелей группы НР1 одношаговые толщиной 300, 350, 400 мм | | Разработан: | ЦНИИСК им. В.А. Кучеренко ЦНИИЭП жилища
| | Утверждён: | 26.10.1971 Государственный комитет по гражданскому строительству и архитектуре при Госстрое СССР (190)
| | Чем заменён: | | | Нормативные ссылки: | |
                                           
|