Скачать Серия 1.132-1 Выпуск 1-7. Панели группы НР2 одношаговые толщиной 400 мм

Дата актуализации: 01.01.2021

Серия 1.132-1

Выпуск 1-7. Панели группы НР2 одношаговые толщиной 400 мм

Обозначение: Серия 1.132-1
Обозначение англ: Series 1.132-1
Статус:заменен
Название рус.:Выпуск 1-7. Панели группы НР2 одношаговые толщиной 400 мм
Дата добавления в базу:01.09.2013
Дата актуализации:01.01.2021
Дата введения:01.01.1972
Дата окончания срока действия:01.10.1983
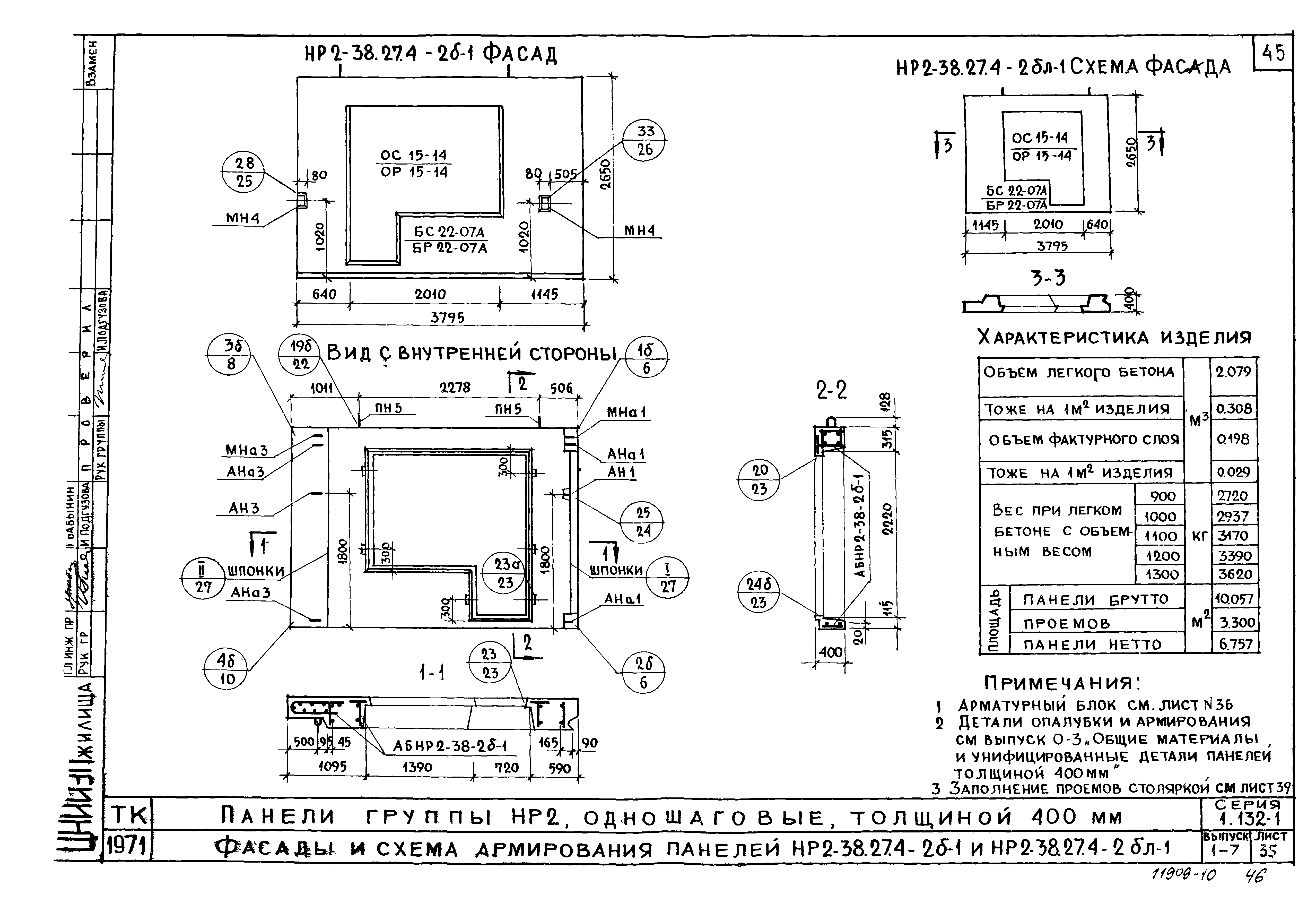
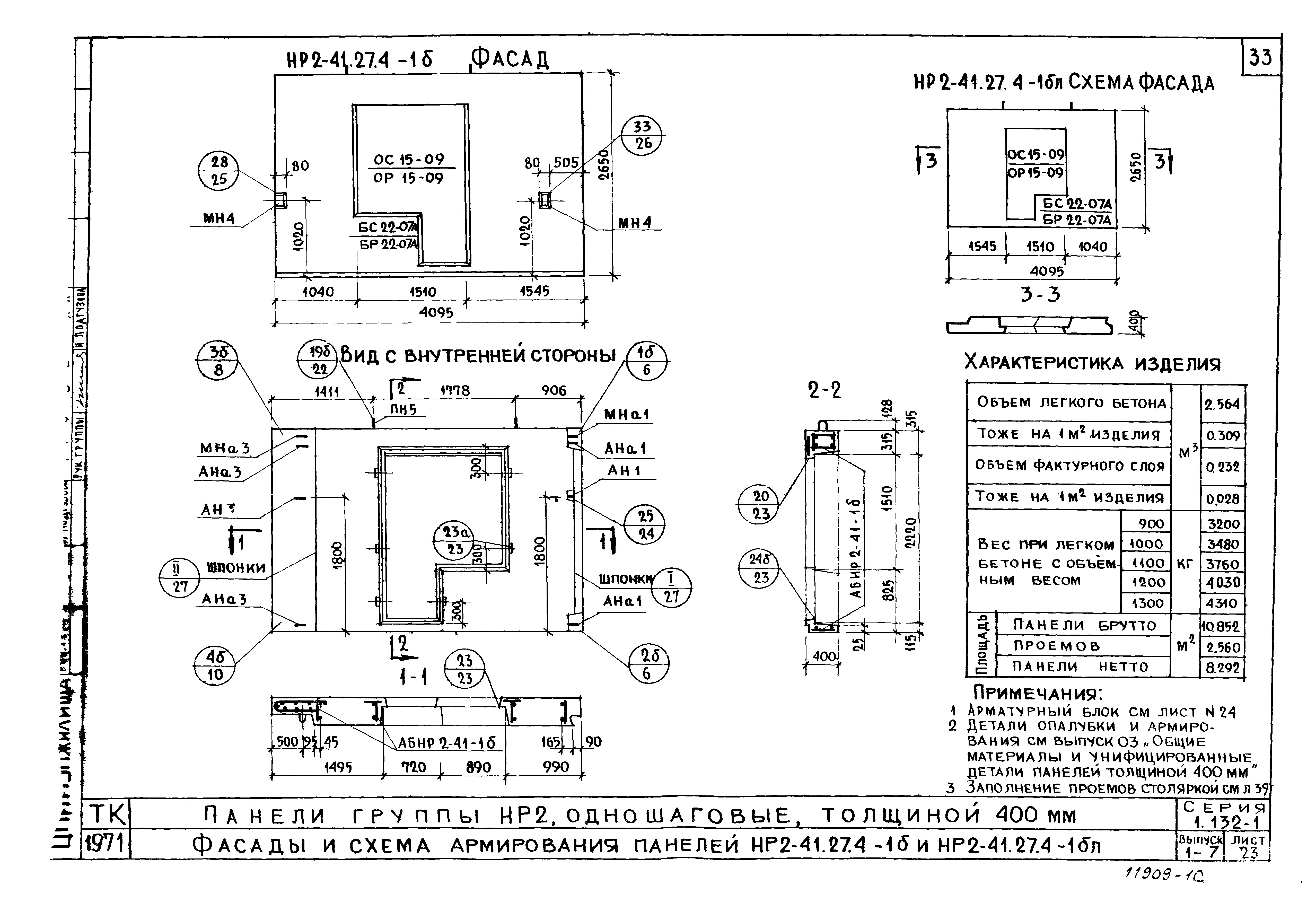
Область применения:В выпуске 1-7 представлены рабочие чертежи наружных стеновых панелей группы НР2одношаговых, толщиной 400 мм
Разработан: ЦНИИСК им. В.А. Кучеренко
ЦНИИЭП жилища
Утверждён:26.10.1971 Государственный комитет по гражданскому строительству и архитектуре при Госстрое СССР (190)
Чем заменён:
  • Серия 1.132-1/82
Нормативные ссылки:
Серия 1.132-1Серия 1.132-1Серия 1.132-1Серия 1.132-1Серия 1.132-1Серия 1.132-1Серия 1.132-1Серия 1.132-1Серия 1.132-1Серия 1.132-1Серия 1.132-1Серия 1.132-1Серия 1.132-1Серия 1.132-1Серия 1.132-1Серия 1.132-1Серия 1.132-1Серия 1.132-1Серия 1.132-1Серия 1.132-1Серия 1.132-1Серия 1.132-1Серия 1.132-1Серия 1.132-1Серия 1.132-1Серия 1.132-1Серия 1.132-1Серия 1.132-1Серия 1.132-1Серия 1.132-1Серия 1.132-1Серия 1.132-1Серия 1.132-1Серия 1.132-1Серия 1.132-1Серия 1.132-1Серия 1.132-1Серия 1.132-1Серия 1.132-1Серия 1.132-1Серия 1.132-1Серия 1.132-1Серия 1.132-1Серия 1.132-1Серия 1.132-1Серия 1.132-1Серия 1.132-1Серия 1.132-1Серия 1.132-1Серия 1.132-1Серия 1.132-1