Скачать Серия 1.132-2 Выпуск 1-2. Панели группы НР2 длиной до 6,0 м и толщиной 300 ммДата актуализации: 01.01.2021 Серия 1.132-2
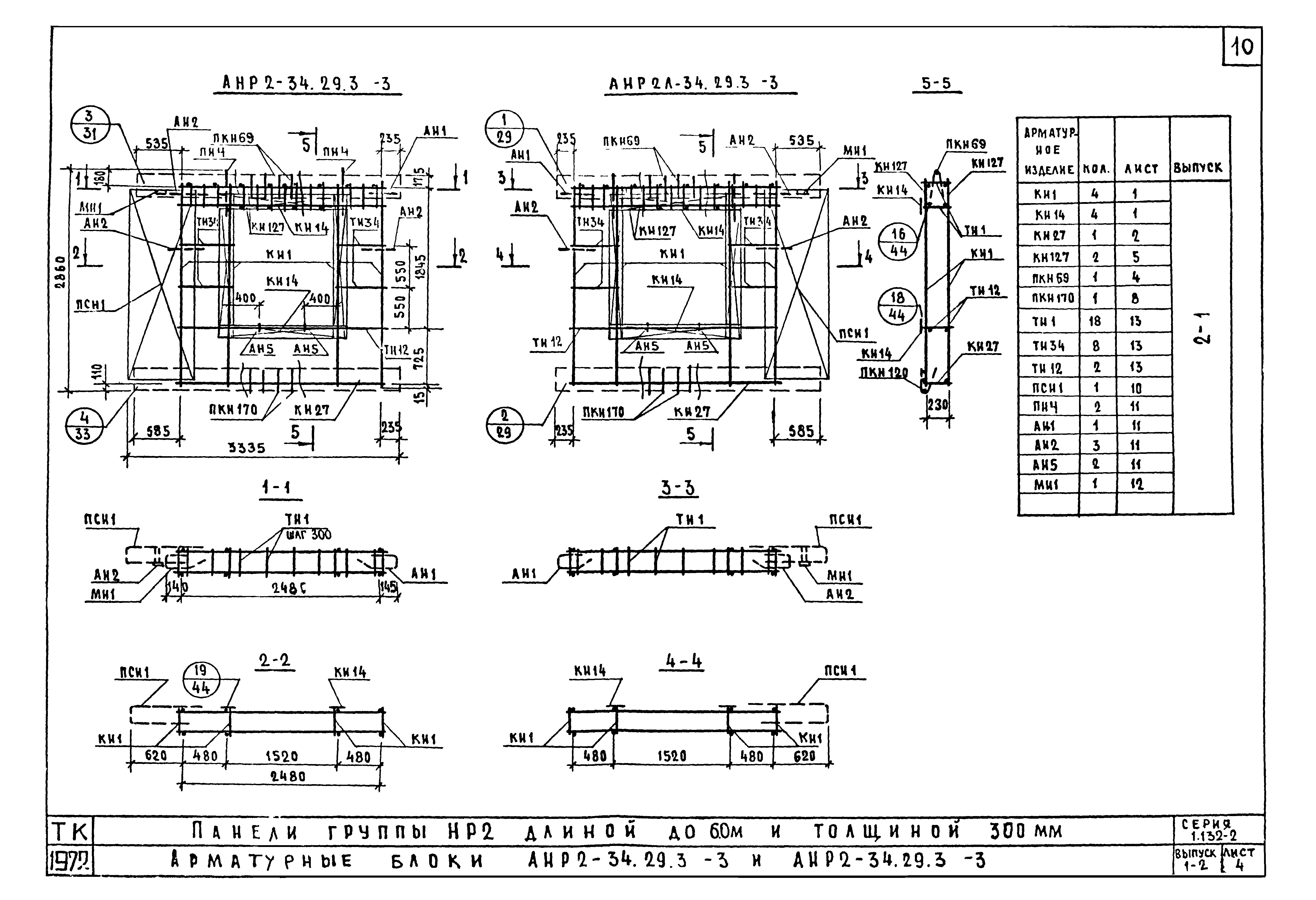
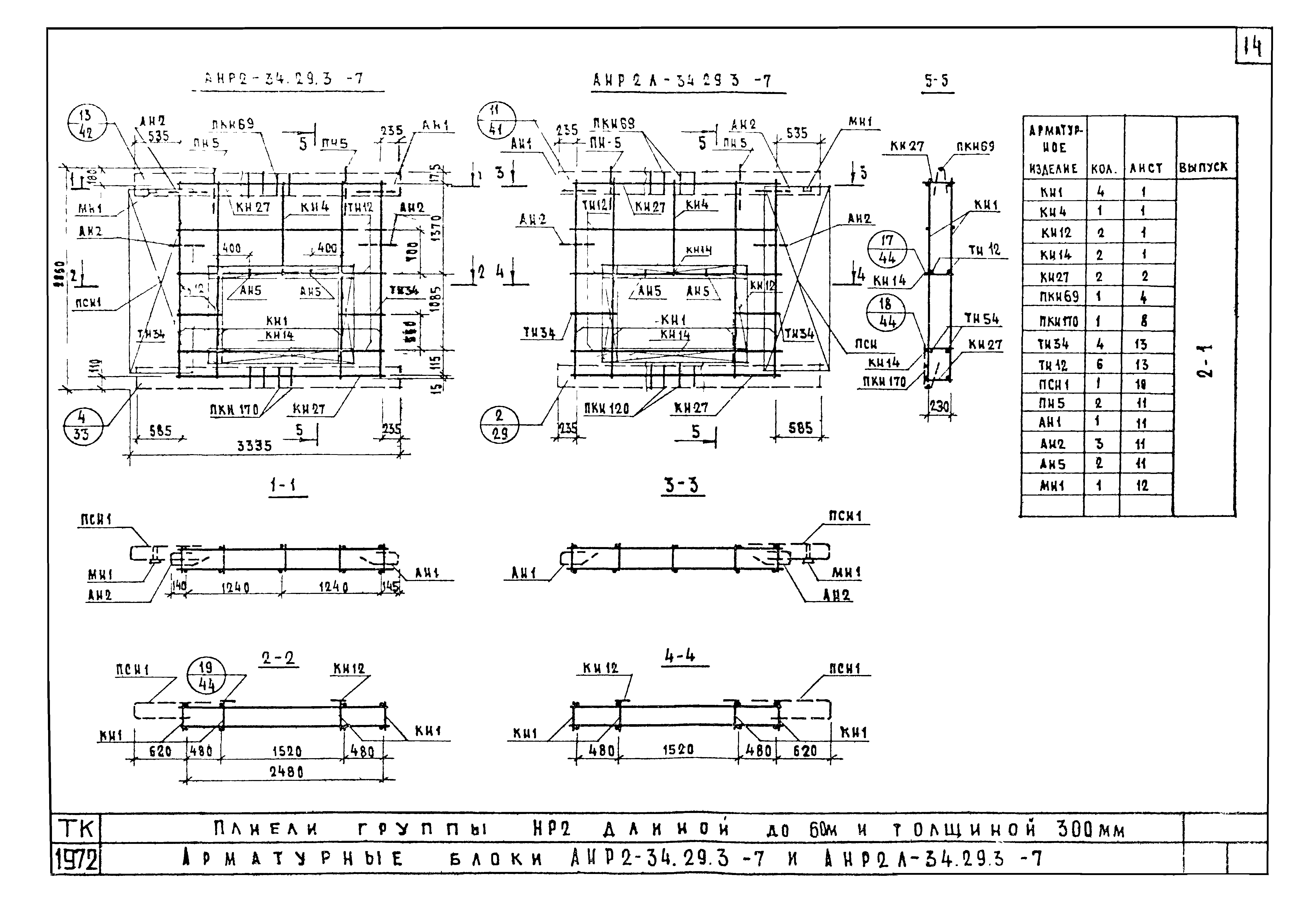
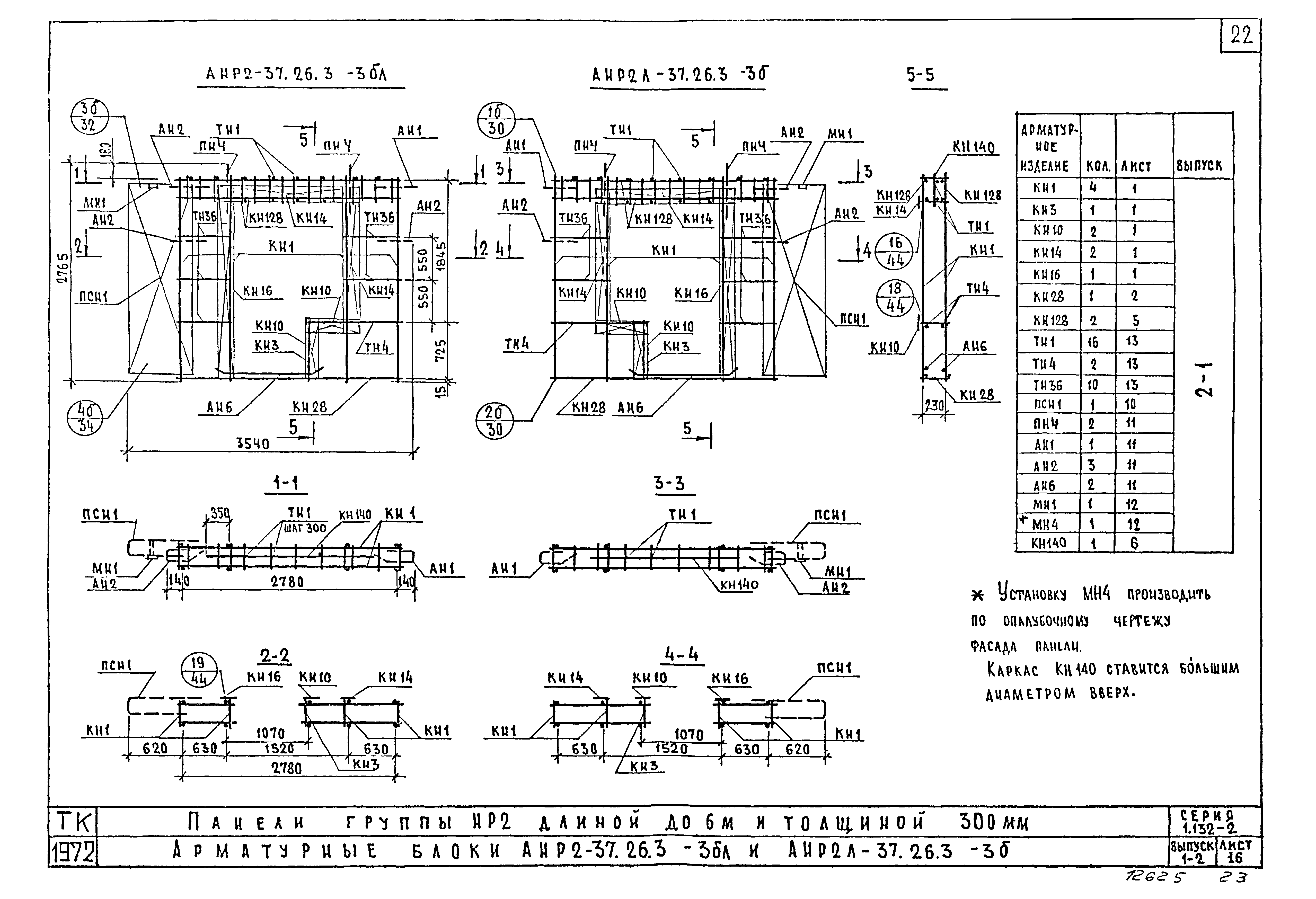
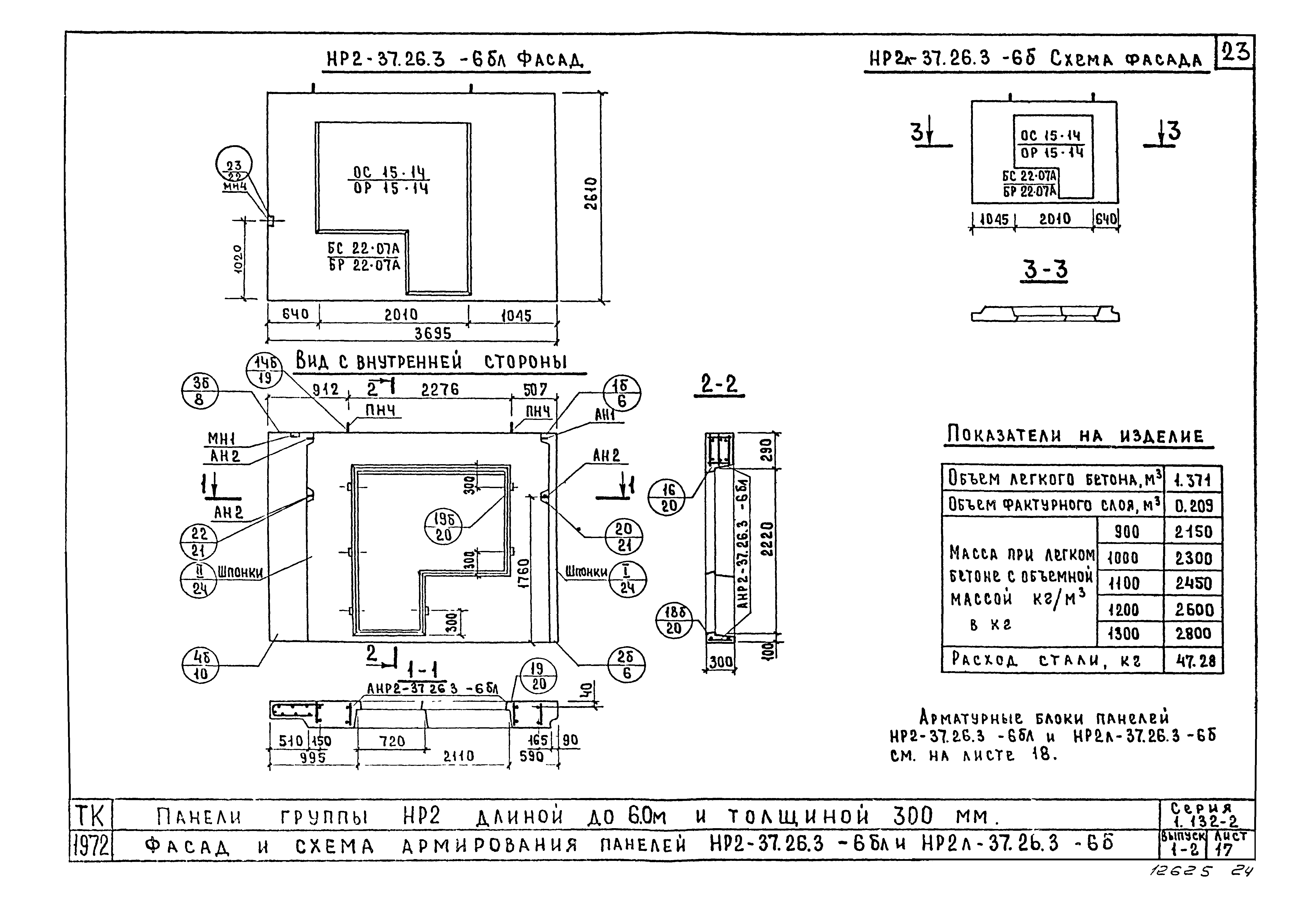
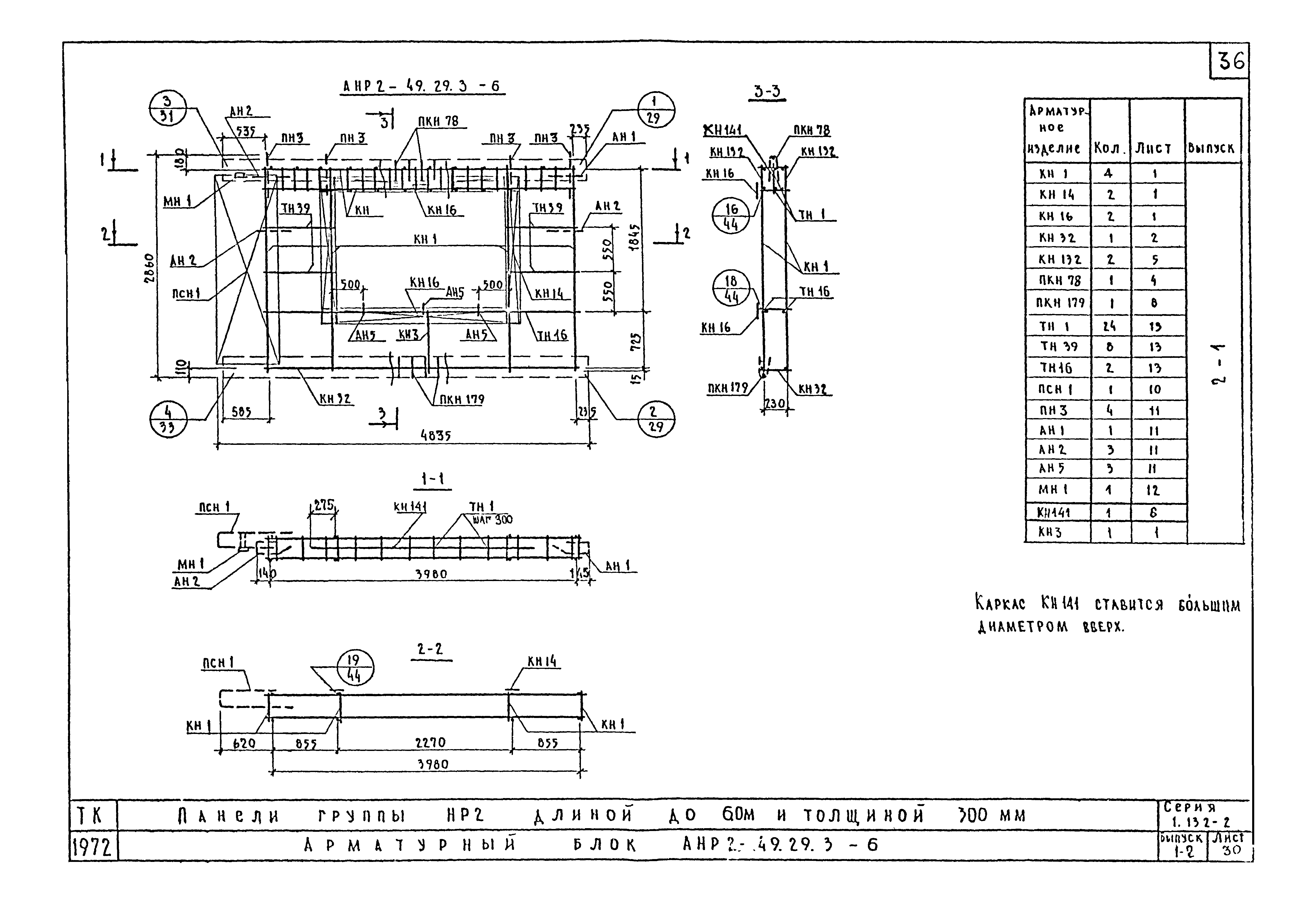
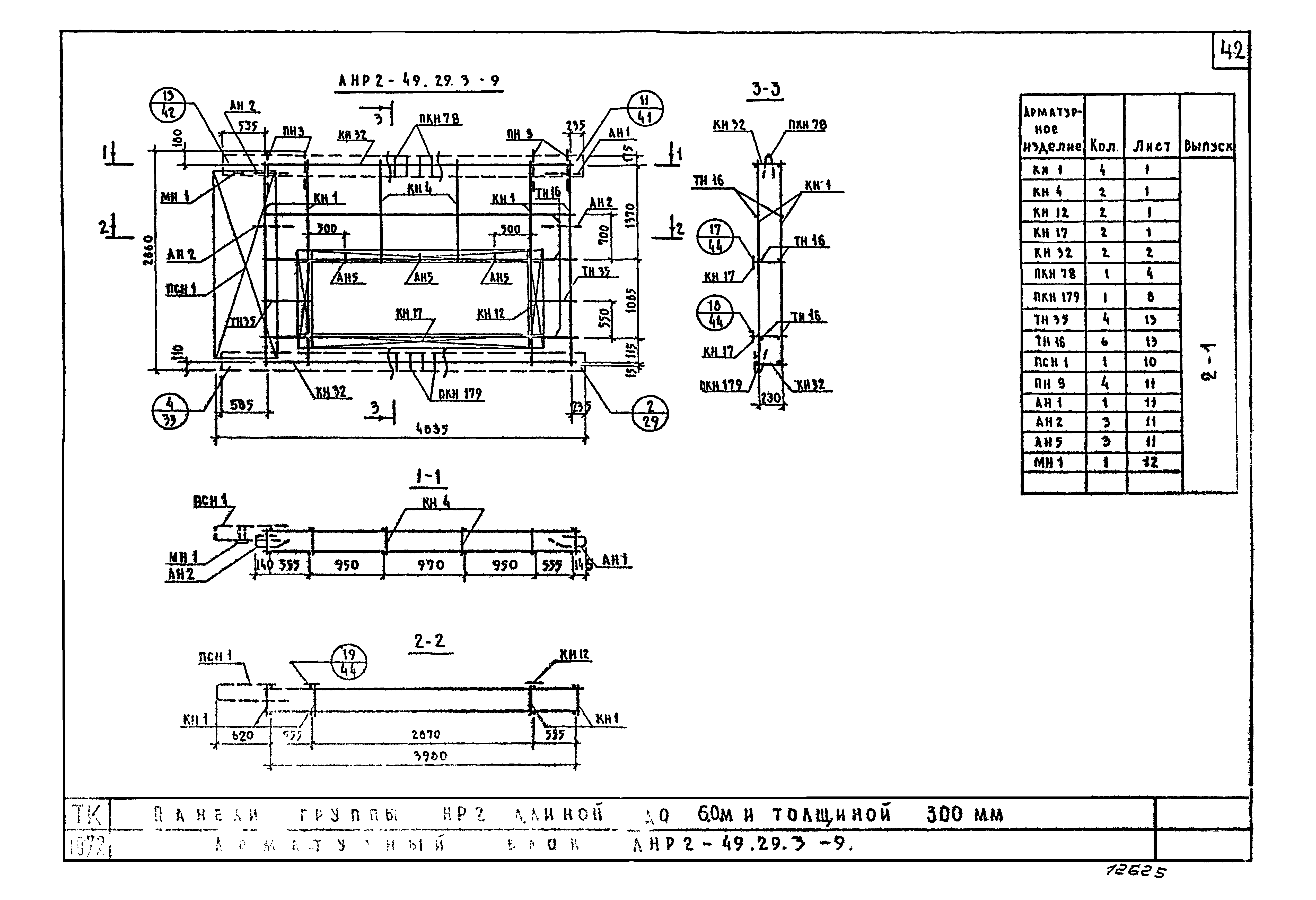
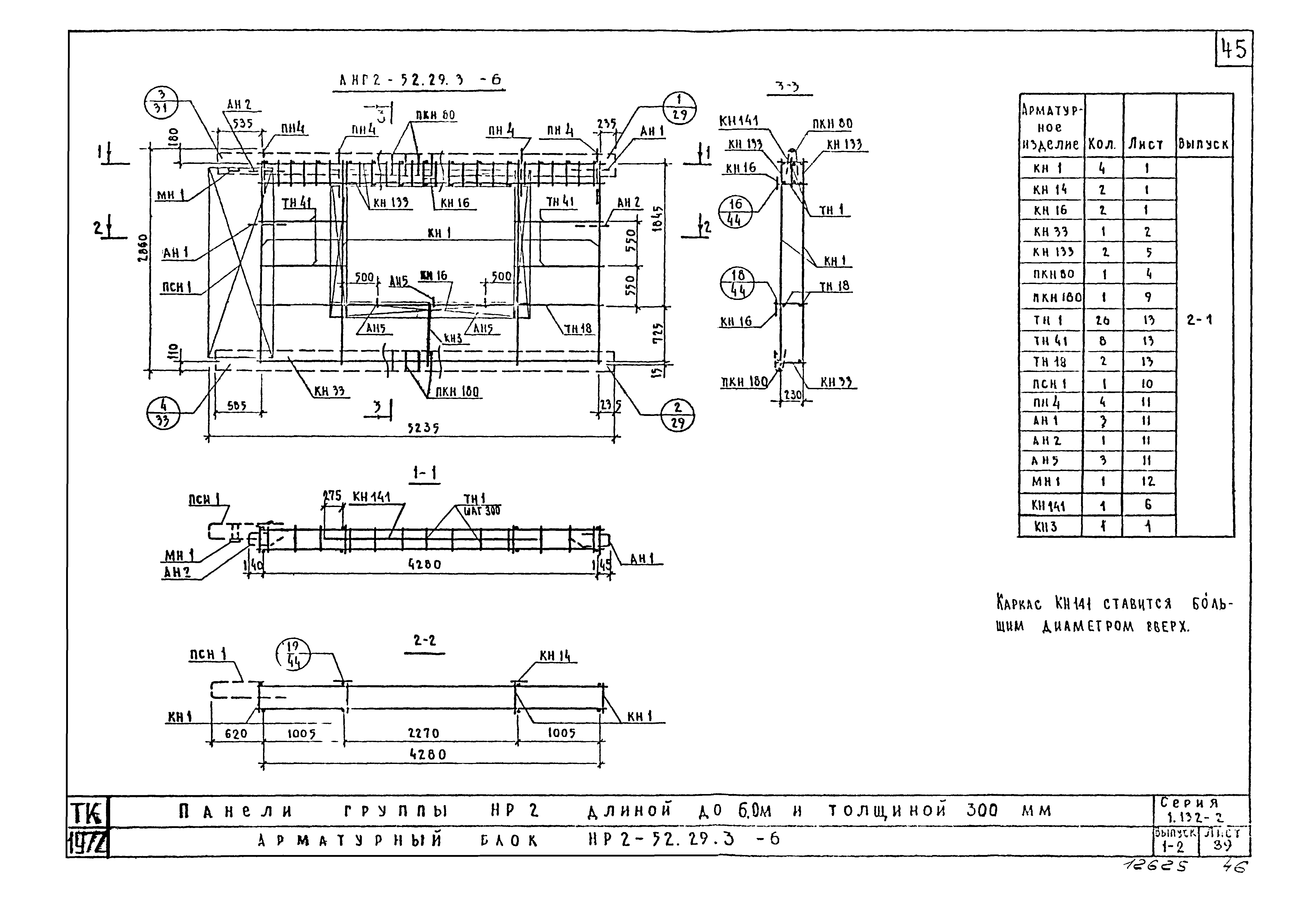
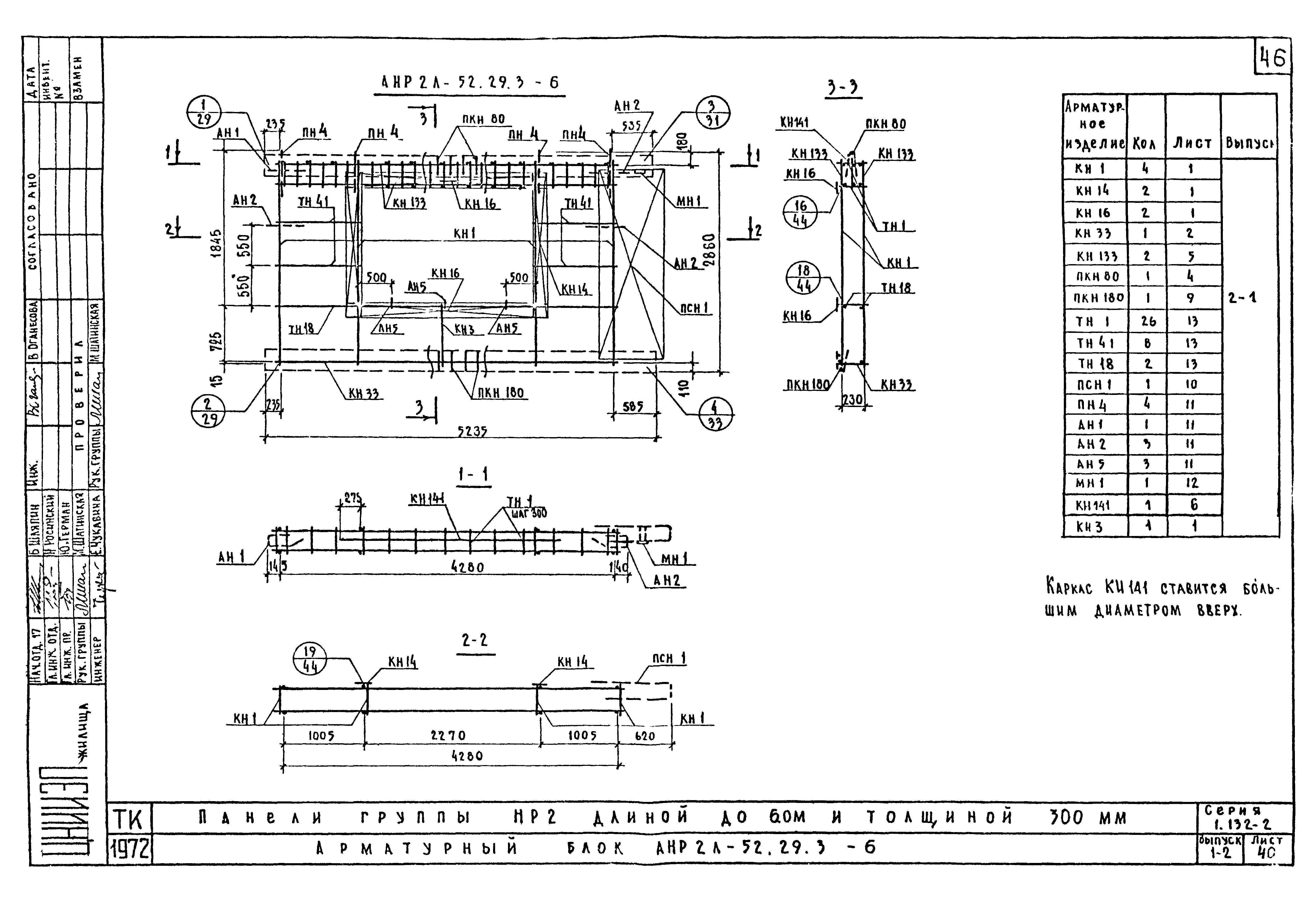
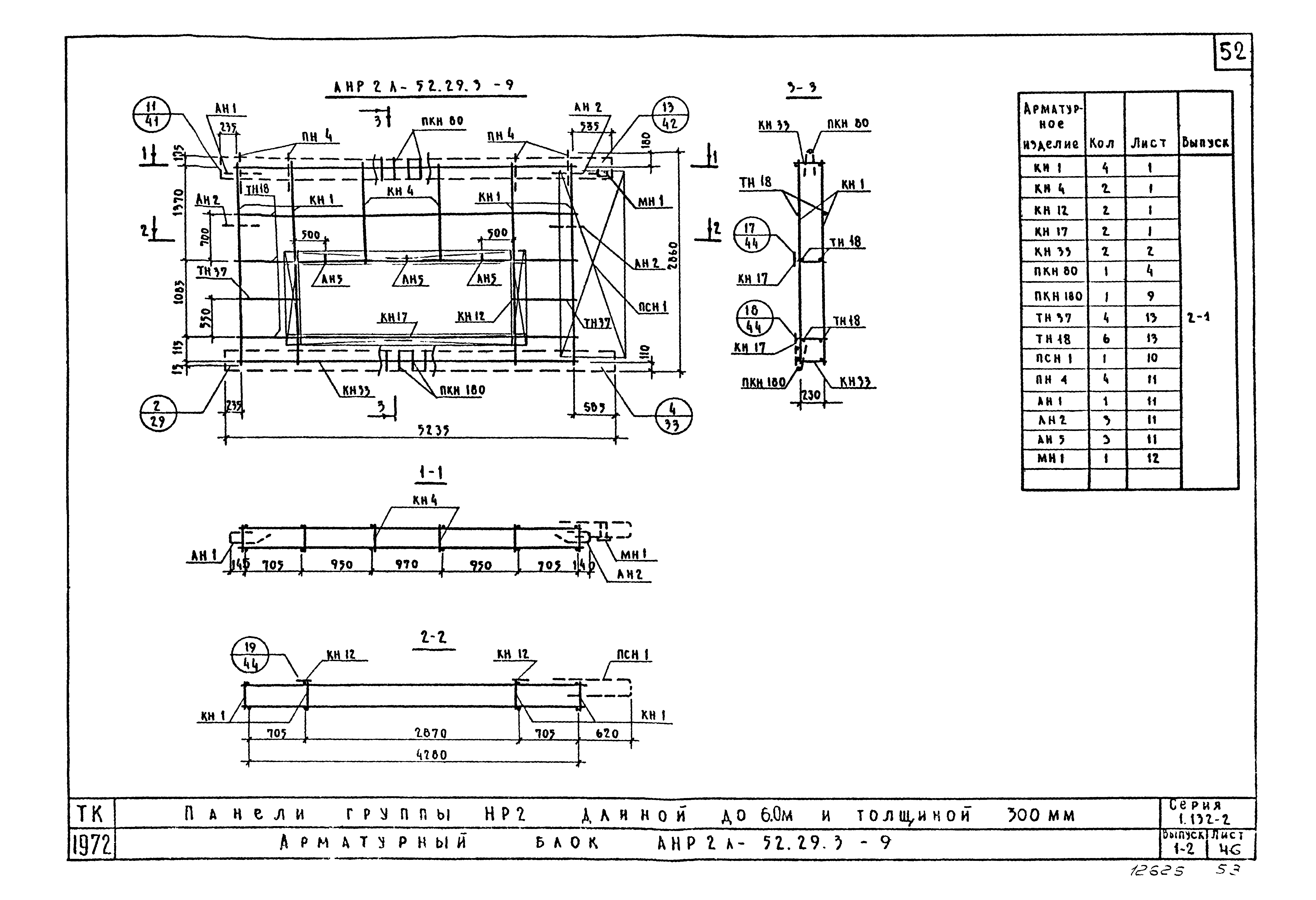
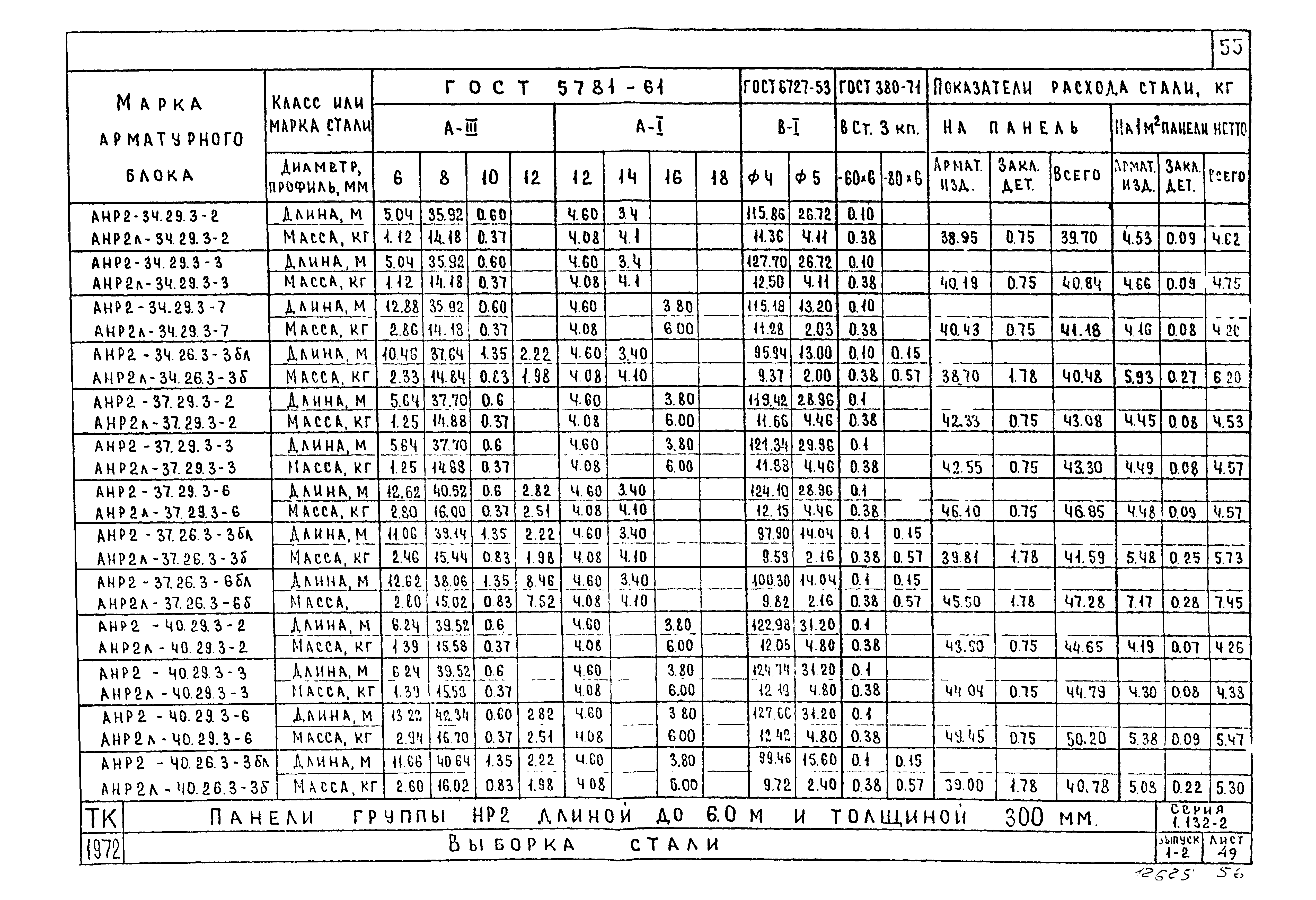
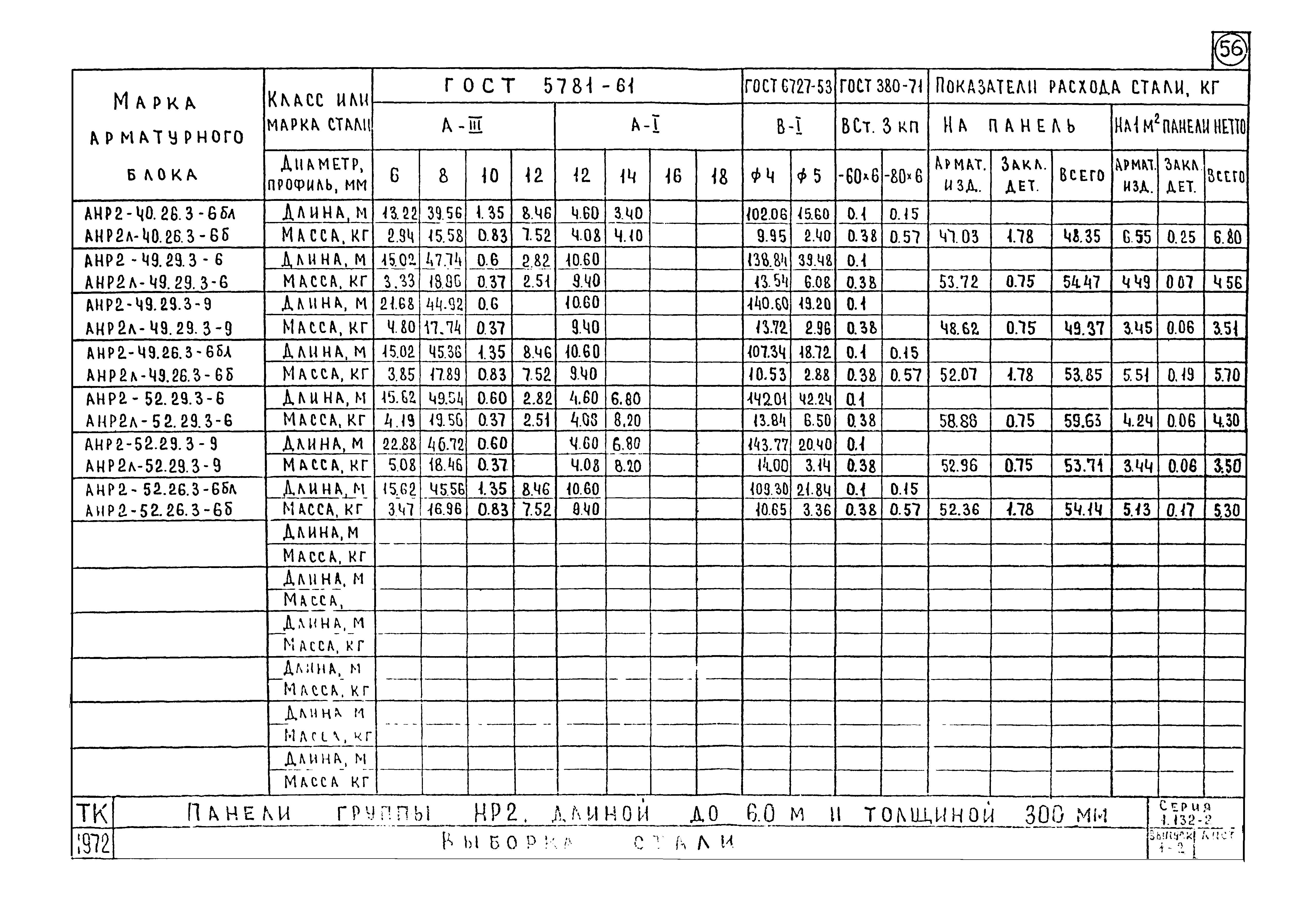
Выпуск 1-2. Панели группы НР2 длиной до 6,0 м и толщиной 300 мм| Обозначение: | Серия 1.132-2 | | Обозначение англ: | Series 1.132-2 | | Статус: | действует | | Название рус.: | Выпуск 1-2. Панели группы НР2 длиной до 6,0 м и толщиной 300 мм | | Дата добавления в базу: | 01.09.2013 | | Дата актуализации: | 01.01.2021 | | Дата введения: | 01.12.1973 | | Область применения: | В выпуске 1-2 представлены рабочие чертежи наружных стеновых панелей группы НР2 длиной до 6,0 м и толщиной 300 мм | | Разработан: | ЦНИИСК им. В.А. Кучеренко ЦНИИЭП жилища
| | Утверждён: | 19.10.1973 Государственный комитет по гражданскому строительству и архитектуре при Госстрое СССР (246)
| | Чем заменён: | |
                                                        
|