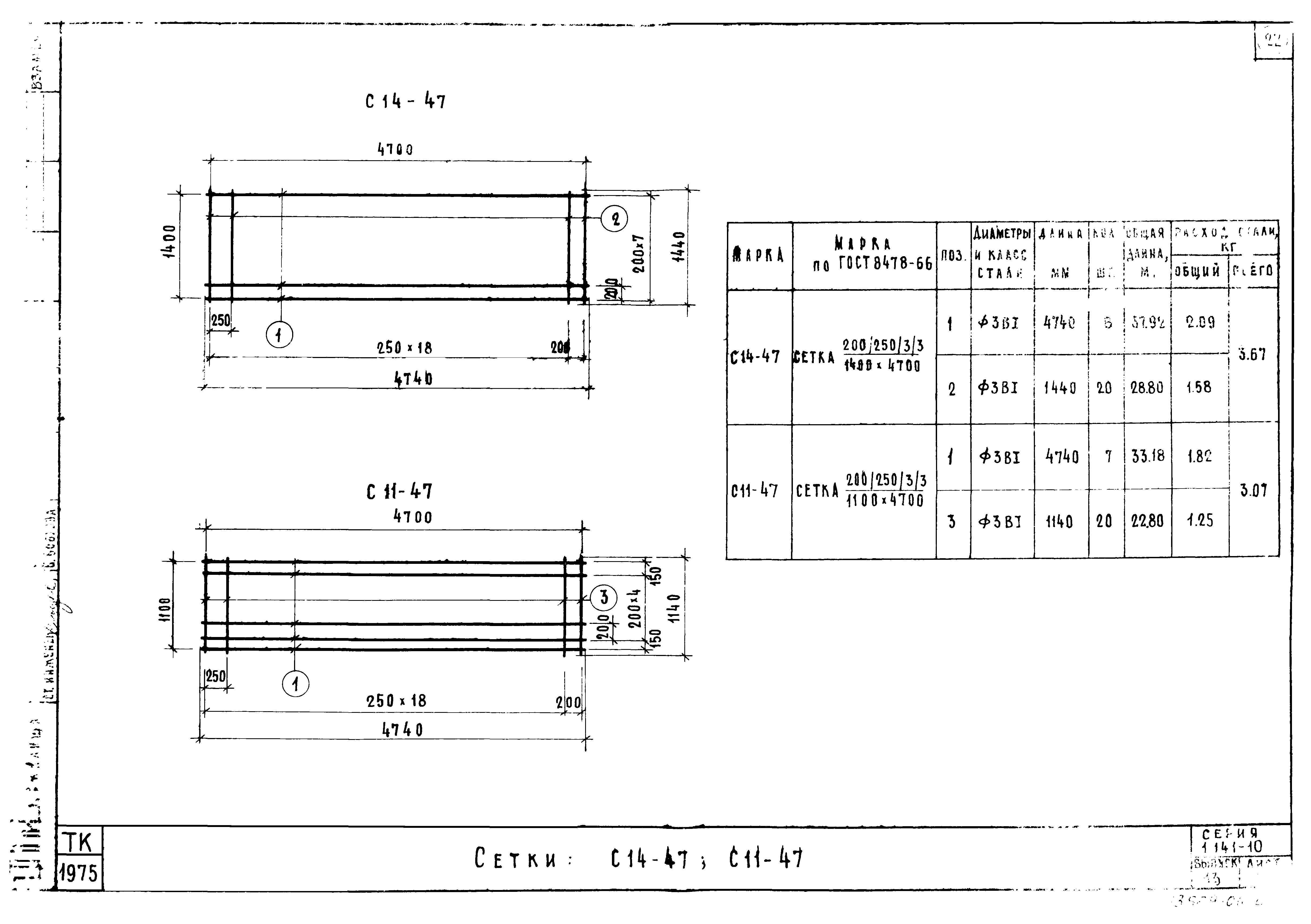
Скачать Серия 1.141-10 Выпуск 13. Панели с круглыми пустотами длиной 508 и 478 см, шириной 149 и 119 см, армированные стержнями из термически упрочненной стали класса Ат-V. Методы натяжения - механический и электротермическийДата актуализации: 01.01.2021 Серия 1.141-10
Выпуск 13. Панели с круглыми пустотами длиной 508 и 478 см, шириной 149 и 119 см, армированные стержнями из термически упрочненной стали класса Ат-V. Методы натяжения - механический и электротермический| Обозначение: | Серия 1.141-10 | | Обозначение англ: | Series 1.141-10 | | Статус: | не действует | | Название рус.: | Выпуск 13. Панели с круглыми пустотами длиной 508 и 478 см, шириной 149 и 119 см, армированные стержнями из термически упрочненной стали класса Ат-V. Методы натяжения - механический и электротермический | | Дата добавления в базу: | 01.09.2013 | | Дата актуализации: | 01.01.2021 | | Дата введения: | 01.09.1975 | | Дата окончания срока действия: | 01.04.1989 | | Разработан: | НИИЖБ Госстроя СССР ЦНИИЭП жилища
| | Утверждён: | 01.08.1975 Государственный комитет по гражданскому строительству и архитектуре при Госстрое СССР (166)
|
                      
|