Скачать Рекомендации по кодированию информации о дефектах и повреждениях металлических конструкций

Дата актуализации: 01.01.2021

Рекомендации по кодированию информации о дефектах и повреждениях металлических конструкций

Статус:не действует
Название рус.:Рекомендации по кодированию информации о дефектах и повреждениях металлических конструкций
Дата добавления в базу:01.09.2013
Дата актуализации:01.01.2021
Оглавление:I Правила маркировки металлоконструкций производственных зданий и их элементов
   1.1 Разбивочные оси здания и системы координат
   1.2 Маркировка конструкций в системе всего здания
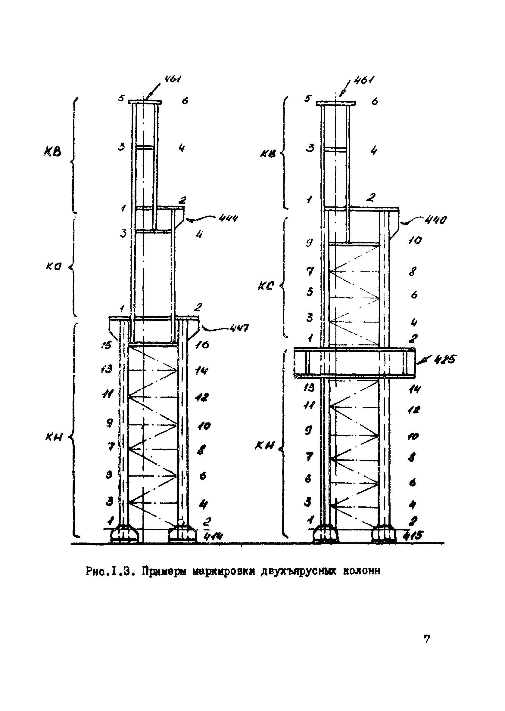
   1.3 Маркировка узлов и элементов конструкций
   1.4 Особенности маркировки конструкций
   1.5 Назначение разбивочных осей здания при отсутствии проектной документации
II Правила кодирования информации о дефектах и повреждениях
   2.1 Общие указания
   2.2 Порядок заполнения бланка SIGM - 1/1Б
   2.3 Порядок выполнения бланка SIGM - 2/1Б
   2.4 Порядок заполнения бланка SIGM - 3/1Б
Приложение 1. Таблицы для кодирования условий эксплуатации конструкций
Приложение 2. Коды основных параметров конструкций
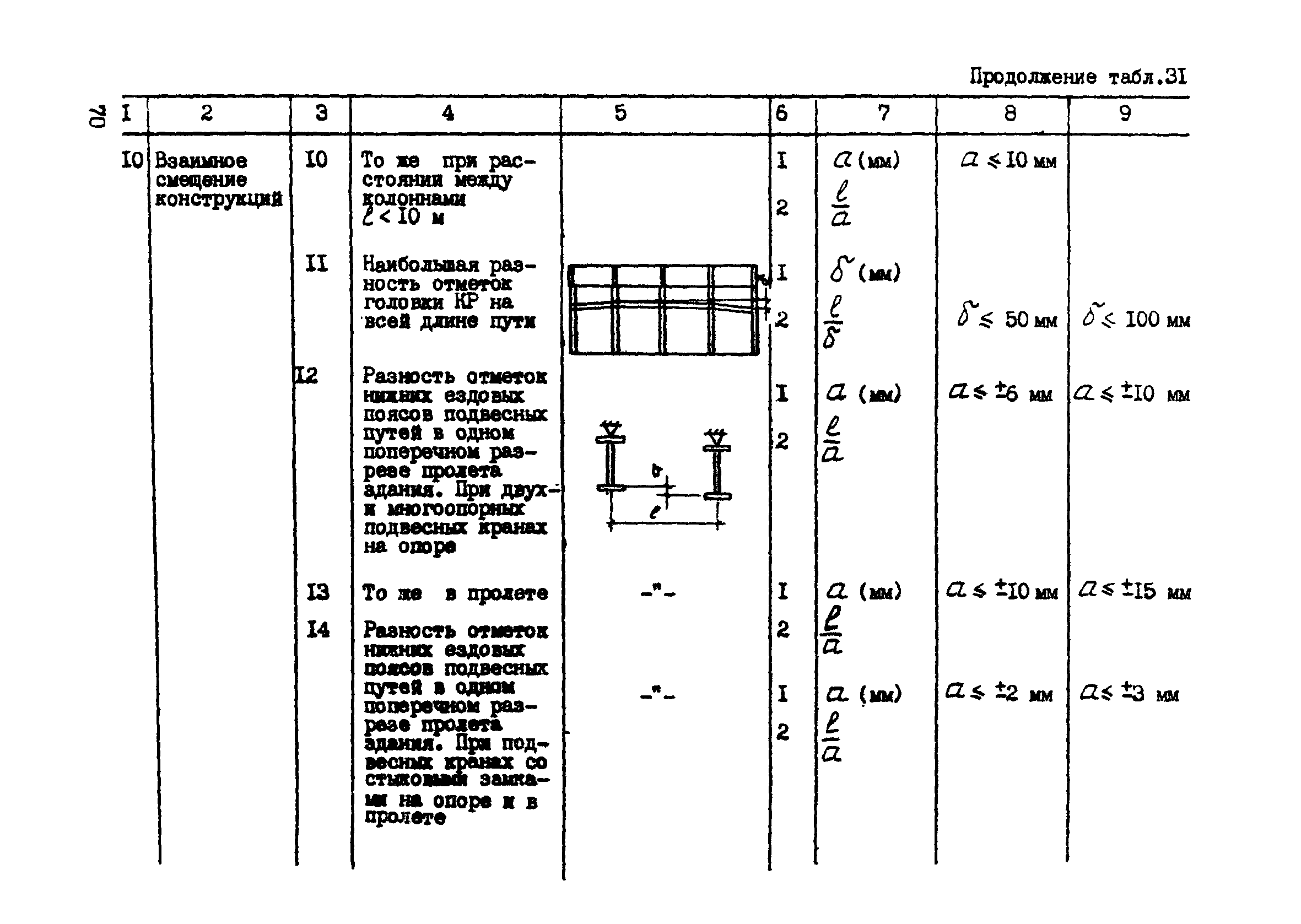
Приложение 3. Классификация дефектов и повреждений металлических конструкций
Приложение 4. Маркировка конструктивных узлов колонн
приложение 5. Пример заполнения бланков кодирования
Разработан: ЦНИИпроектстальконструкция Госстроя
Утверждён:05.10.1984 Союзметаллостройниипроект (Soyuzmetallostroyniiproject )