Скачать ЕНВиР-П Часть 1 ГидроэлектростанцииДата актуализации: 01.01.2021
|
| Обозначение: | ЕНВиР-П Часть 1 |
| Обозначение англ: | Часть 1 |
| Статус: | отменен |
| Название рус.: | Гидроэлектростанции |
| Дата добавления в базу: | 01.10.2014 |
| Дата актуализации: | 01.01.2021 |
| Дата введения: | 07.03.1989 |
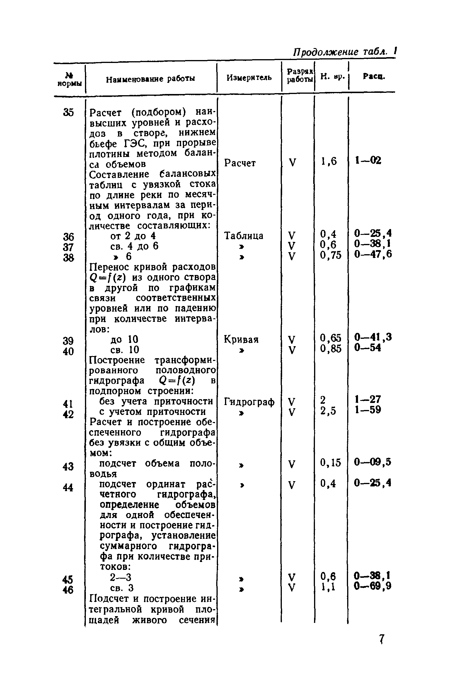
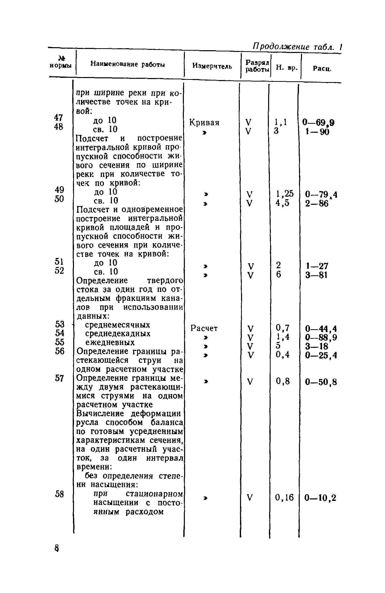
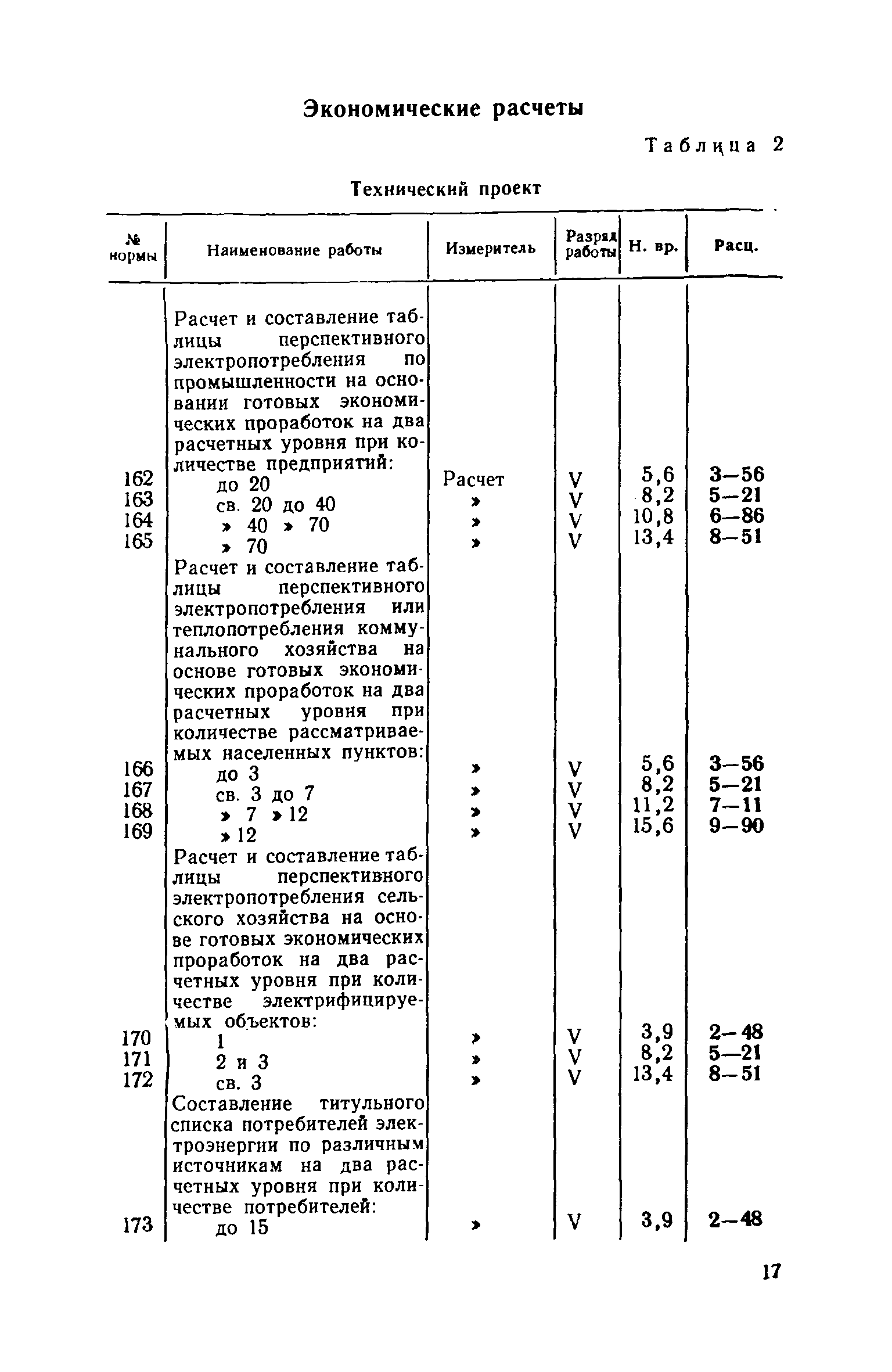
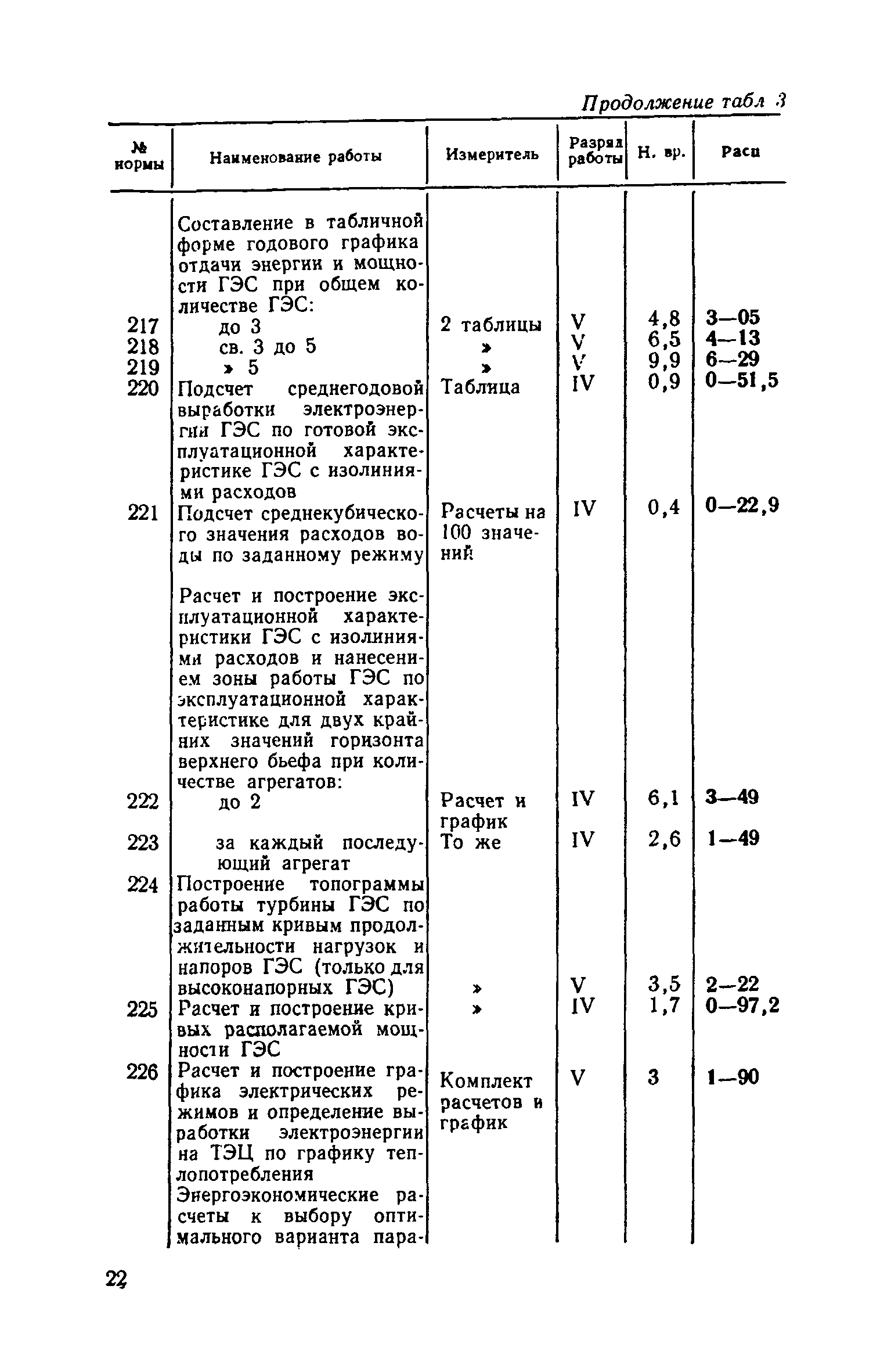
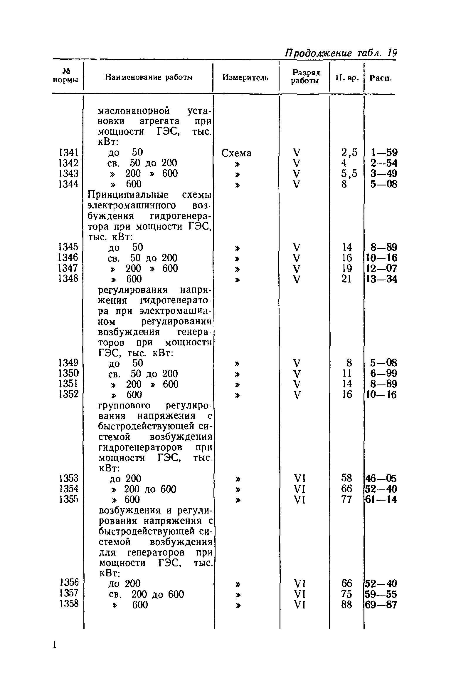
| Область применения: | Документом предусматриваются нормы времени и расценки на работы по проектированию гидроэлектростанций: водохозяйственные, экономические и энергетические расчеты, конструктивная разработка и расчеты гидротехнических сооружений, установка основного гидросилового и вспомогательного оборудования; автоматизация гидроэлектростанций; организация строительства и производство работ. |
| Оглавление: | Общие указания 1. Водохозяйственные, экономические и энергетические расчеты Водохозяйственные и водно-энергетические расчеты Экономические расчеты Энергетические расчеты 2. Гидротехнические сооружения гидроэлектростанций Конструктивная разработка гидротехнических сооружений гидроэлектростанций Расчеты Затворы, металлические конструкции с механическим оборудованием Секторные затворы Двустворчатые ворота судоходных шлюзов, основные ригельные Стальные трубопроводы Откатные и опускные ворота Составление компоновок гидромеханического оборудования Сборочные чертежи механизмов 3. Установка основного гидросилового и вспомогательного оборудования гидроэлектростанций Сборочные и компоновочные чертежи 4. Автоматизация гидроэлектростанций и механизмов гидросооружений 5. Проекты организации строительства и производства работ по возведению гидротехнических сооружений гидроэлектростанций Организация строительства гидротехнических сооружений Схема метода производства работ и строительный генеральный план Проекты производства работ Производство земляных работ и возведение набросных и каменно-набросных сооружений способом экскавации и малой механизации Производство бетонных работ Чертежи отдельных вспомогательных конструкций и приспособлений для производства строительно-монтажных работ Организация и производство работ по подземным сооружениям гидроузла |
| Разработан: | Гидропроект им. С.Я. Жука |
| Утверждён: | 30.11.1978 Госстрой СССР (Государственный комитет Совета Министров СССР по делам строительства) (USSR Gosstroy 223) 30.11.1978 Госкомтруд СССР (USSR Goskomtrud 356) 30.11.1978 Секретариат ВЦСПС (28) |
| Издан: | Стройиздат (1979 г. ) |
| Заменяет собой: | |
| Нормативные ссылки: |



































































































































