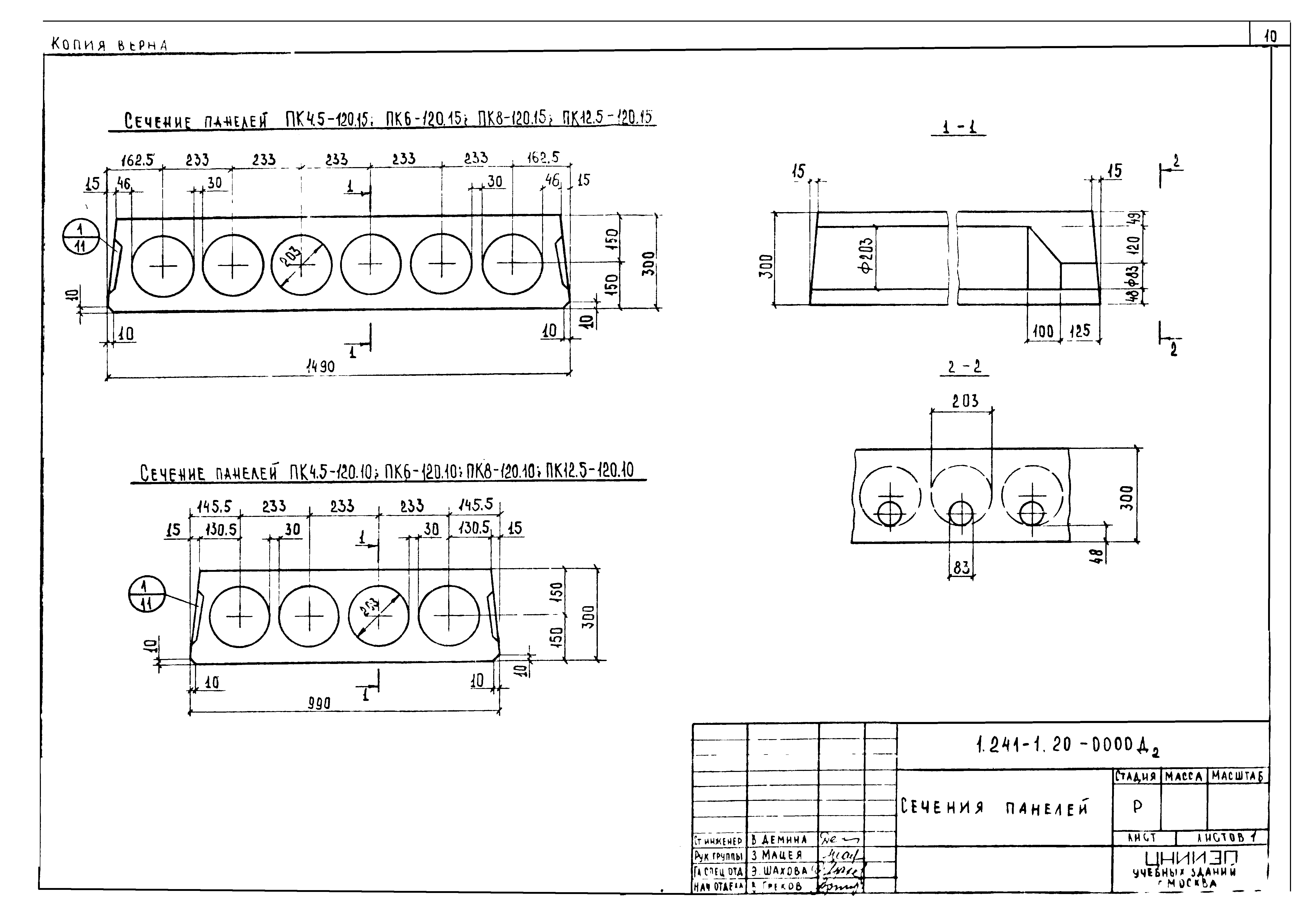
Скачать Серия 1.241-1 Выпуск 20. Предварительно напряженные панели длиной 1198 см, шириной 149 и 99 см, армированные высокопрочной проволокой сечением 5 класса Вр-II с линейно-групповым расположением арматуры. Метод натяжения - механический. Рабочие чертежиДата актуализации: 01.01.2021 Серия 1.241-1
Выпуск 20. Предварительно напряженные панели длиной 1198 см, шириной 149 и 99 см, армированные высокопрочной проволокой сечением 5 класса Вр-II с линейно-групповым расположением арматуры. Метод натяжения - механический. Рабочие чертежи| Обозначение: | Серия 1.241-1 | | Обозначение англ: | Series 1.241-1 | | Статус: | не действует | | Название рус.: | Выпуск 20. Предварительно напряженные панели длиной 1198 см, шириной 149 и 99 см, армированные высокопрочной проволокой сечением 5 класса Вр-II с линейно-групповым расположением арматуры. Метод натяжения - механический. Рабочие чертежи | | Дата добавления в базу: | 01.09.2013 | | Дата актуализации: | 01.01.2021 | | Дата окончания срока действия: | 01.06.1986 | | Разработан: | ЦНИИЭП учебных зданий Госгражданстроя
| | Утверждён: | 14.01.1980 Государственный комитет по гражданскому строительству и архитектуре при Госстрое СССР (17)
| | Заменяет собой: | - Серия 1.241-1 «Выпуск 4. Предварительно напряженные панели длиной 1198 см, шириной 99 и 149 см, армированные высокопрочной проволокой сечением 5 класса Вр-II и семипроволочными прядями сечением 15 класса П-7 с линейно-групповым расположением арматуры. Метод натяжения механический»
|
                     
|