Скачать Серия ИИ-04-5 Выпуск 31. Дополнительные стеновые панели из легких бетонов толщиной 300 мм для общественных и производственных зданий. Опалубочные и арматурные чертежи. Рабочие чертежи

Дата актуализации: 01.01.2021

Серия ИИ-04-5

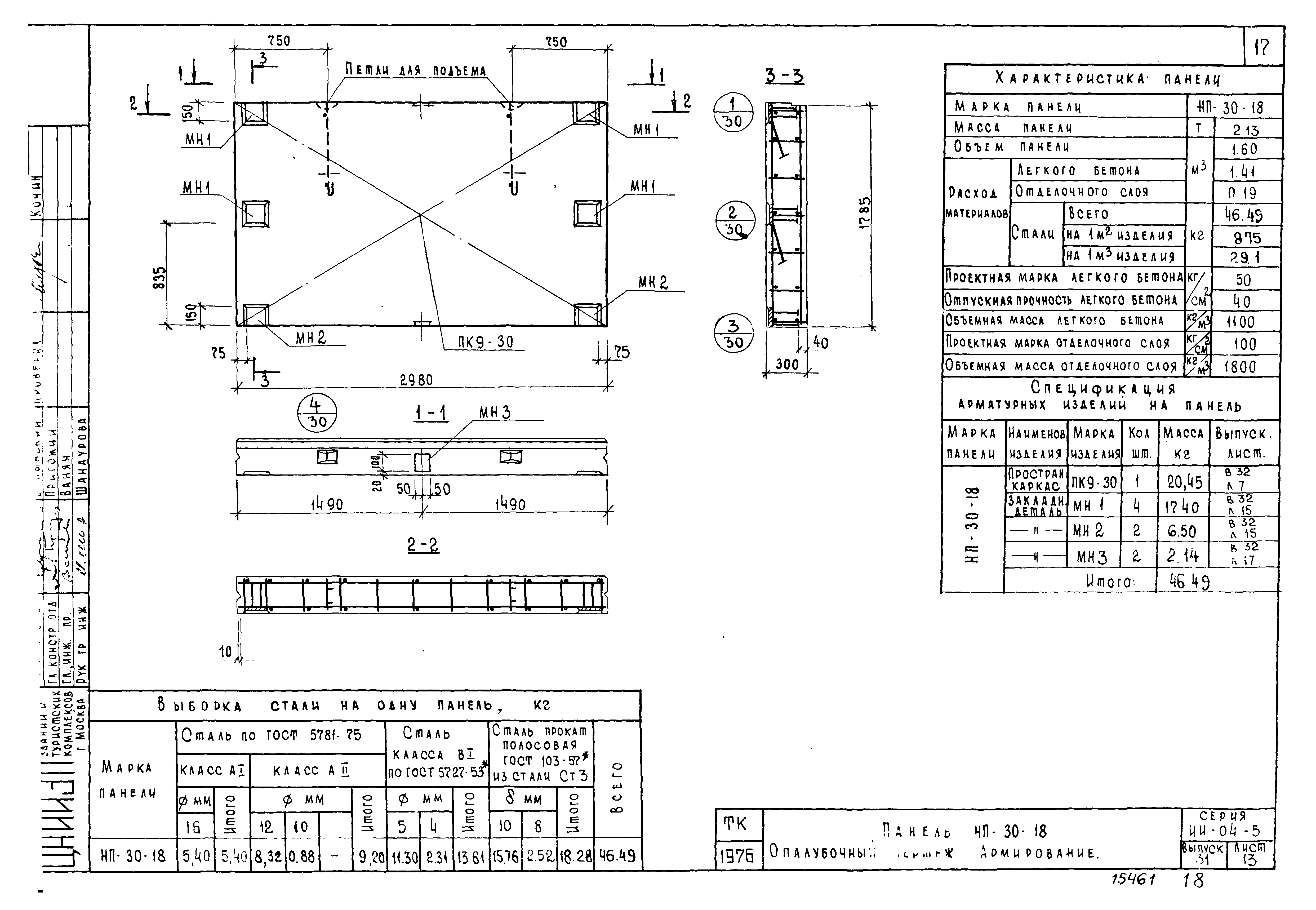
Выпуск 31. Дополнительные стеновые панели из легких бетонов толщиной 300 мм для общественных и производственных зданий. Опалубочные и арматурные чертежи. Рабочие чертежи

Обозначение: Серия ИИ-04-5
Обозначение англ: Series ИИ-04-5
Статус:не действует
Название рус.:Выпуск 31. Дополнительные стеновые панели из легких бетонов толщиной 300 мм для общественных и производственных зданий. Опалубочные и арматурные чертежи. Рабочие чертежи
Дата добавления в базу:01.09.2013
Дата актуализации:01.01.2021
Дата введения:01.07.1978
Дата окончания срока действия:01.04.1982
Разработан: ЦНИИЭП торгово-бытовых зданий и туристских комплексов
Утверждён:17.05.1978 Государственный комитет по гражданскому строительству и архитектуре при Госстрое СССР (103)
Чем заменён:
Серия ИИ-04-5Серия ИИ-04-5Серия ИИ-04-5Серия ИИ-04-5Серия ИИ-04-5Серия ИИ-04-5Серия ИИ-04-5Серия ИИ-04-5Серия ИИ-04-5Серия ИИ-04-5Серия ИИ-04-5Серия ИИ-04-5Серия ИИ-04-5Серия ИИ-04-5Серия ИИ-04-5Серия ИИ-04-5Серия ИИ-04-5Серия ИИ-04-5Серия ИИ-04-5Серия ИИ-04-5Серия ИИ-04-5Серия ИИ-04-5Серия ИИ-04-5Серия ИИ-04-5Серия ИИ-04-5Серия ИИ-04-5Серия ИИ-04-5Серия ИИ-04-5Серия ИИ-04-5Серия ИИ-04-5Серия ИИ-04-5Серия ИИ-04-5Серия ИИ-04-5Серия ИИ-04-5Серия ИИ-04-5Серия ИИ-04-5Серия ИИ-04-5Серия ИИ-04-5Серия ИИ-04-5