Скачать Серия 7.401-2 Выпуск 4. Узлы крепления трубопроводов Ду250. Рабочие чертежиДата актуализации: 01.01.2021
|
| Обозначение: | Серия 7.401-2 |
| Обозначение англ: | Series 7.401-2 |
| Статус: | не определен законодательством |
| Название рус.: | Выпуск 4. Узлы крепления трубопроводов Ду250. Рабочие чертежи |
| Дата добавления в базу: | 01.09.2013 |
| Дата актуализации: | 01.01.2021 |
| Дата введения: | 25.10.1990 |
| Дата окончания срока действия: | 30.06.2003 |
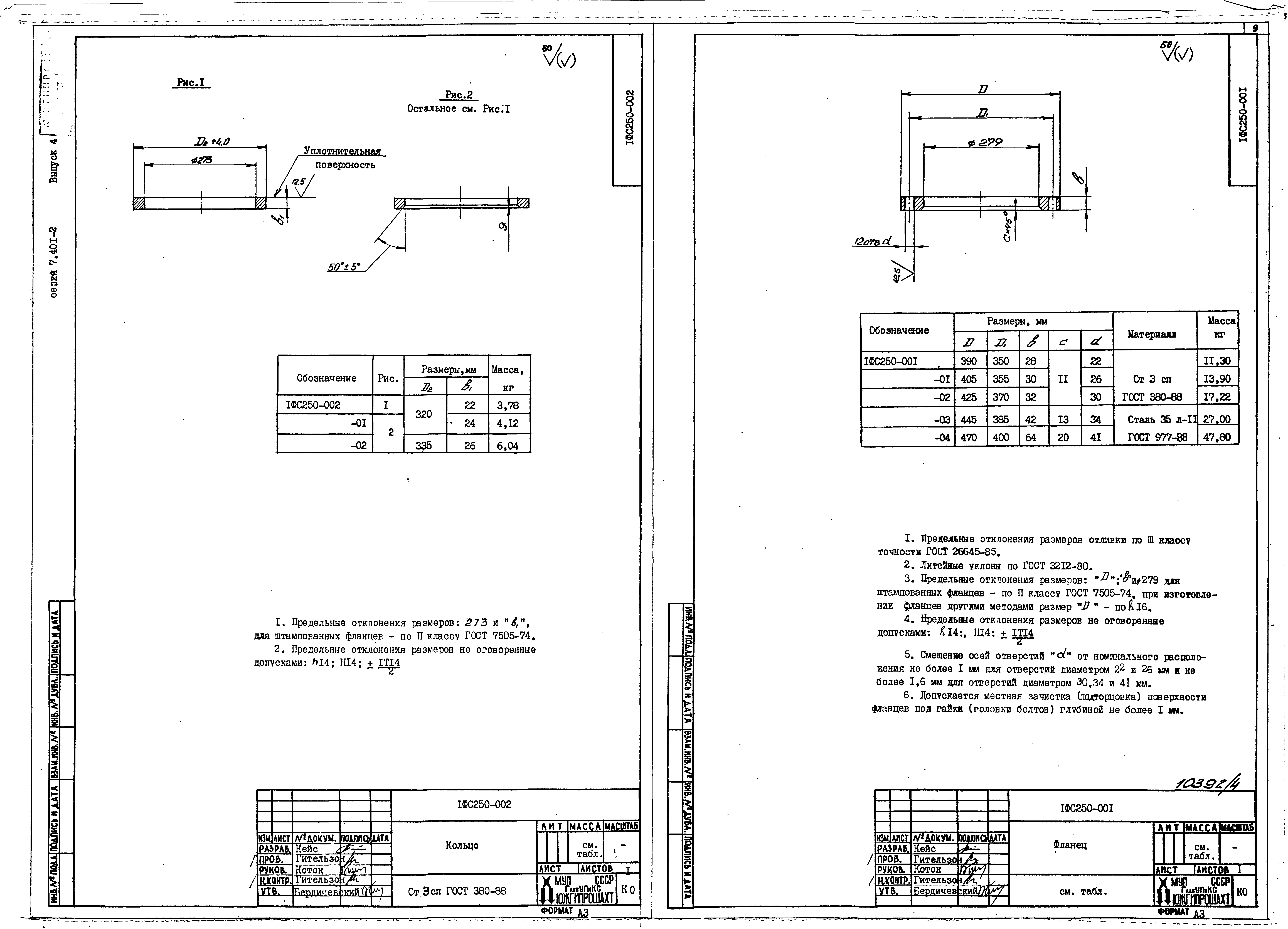
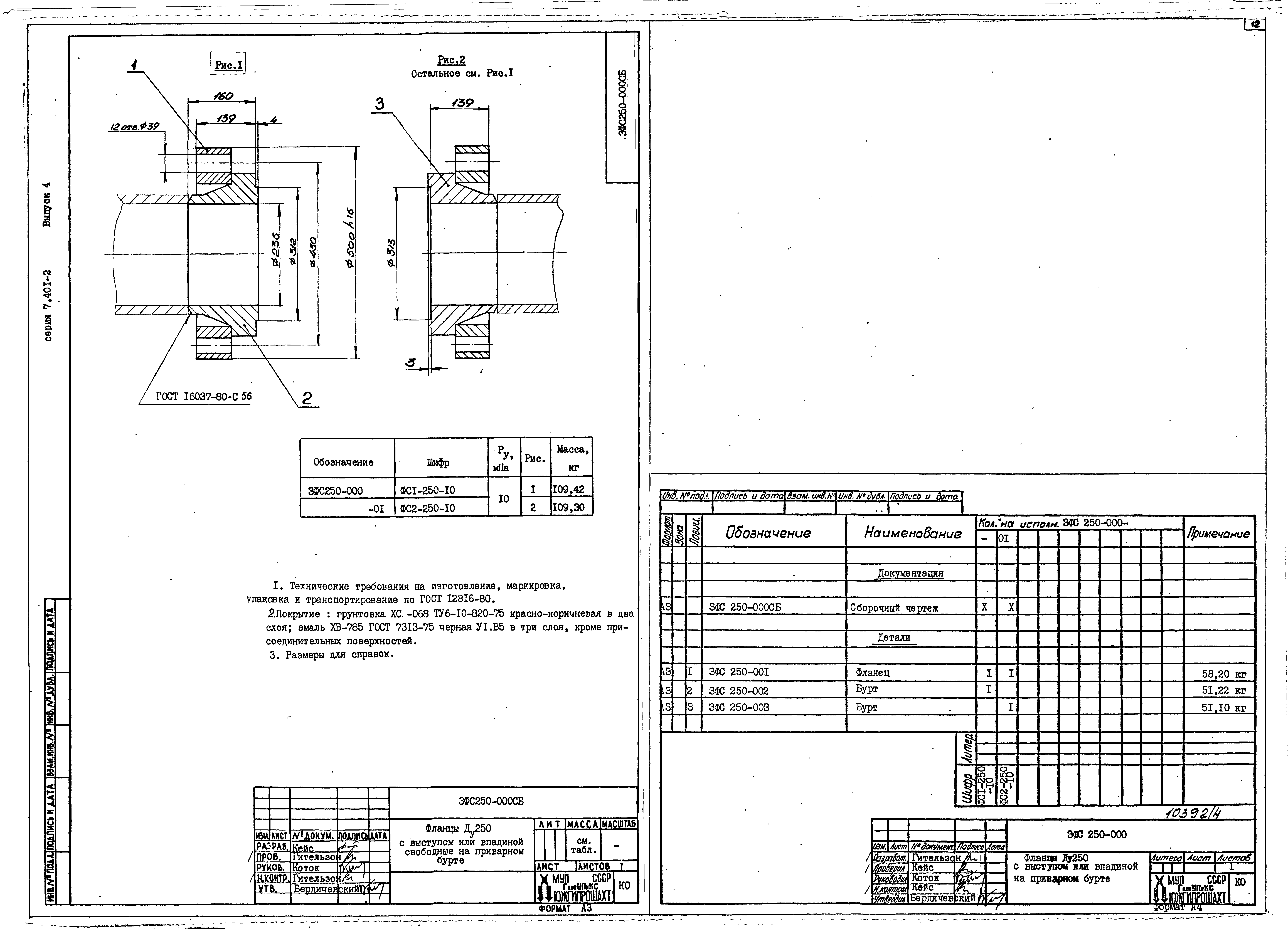
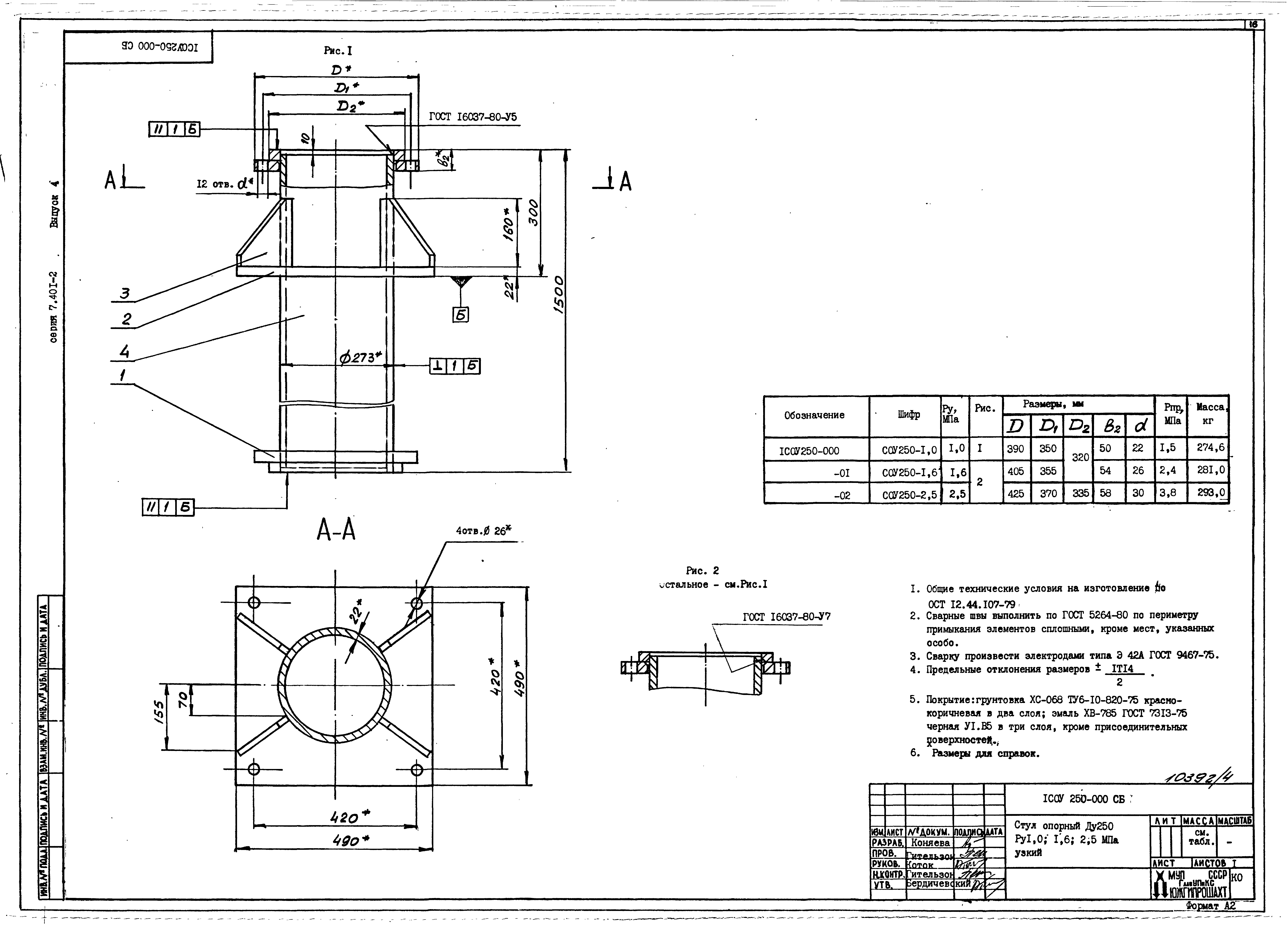
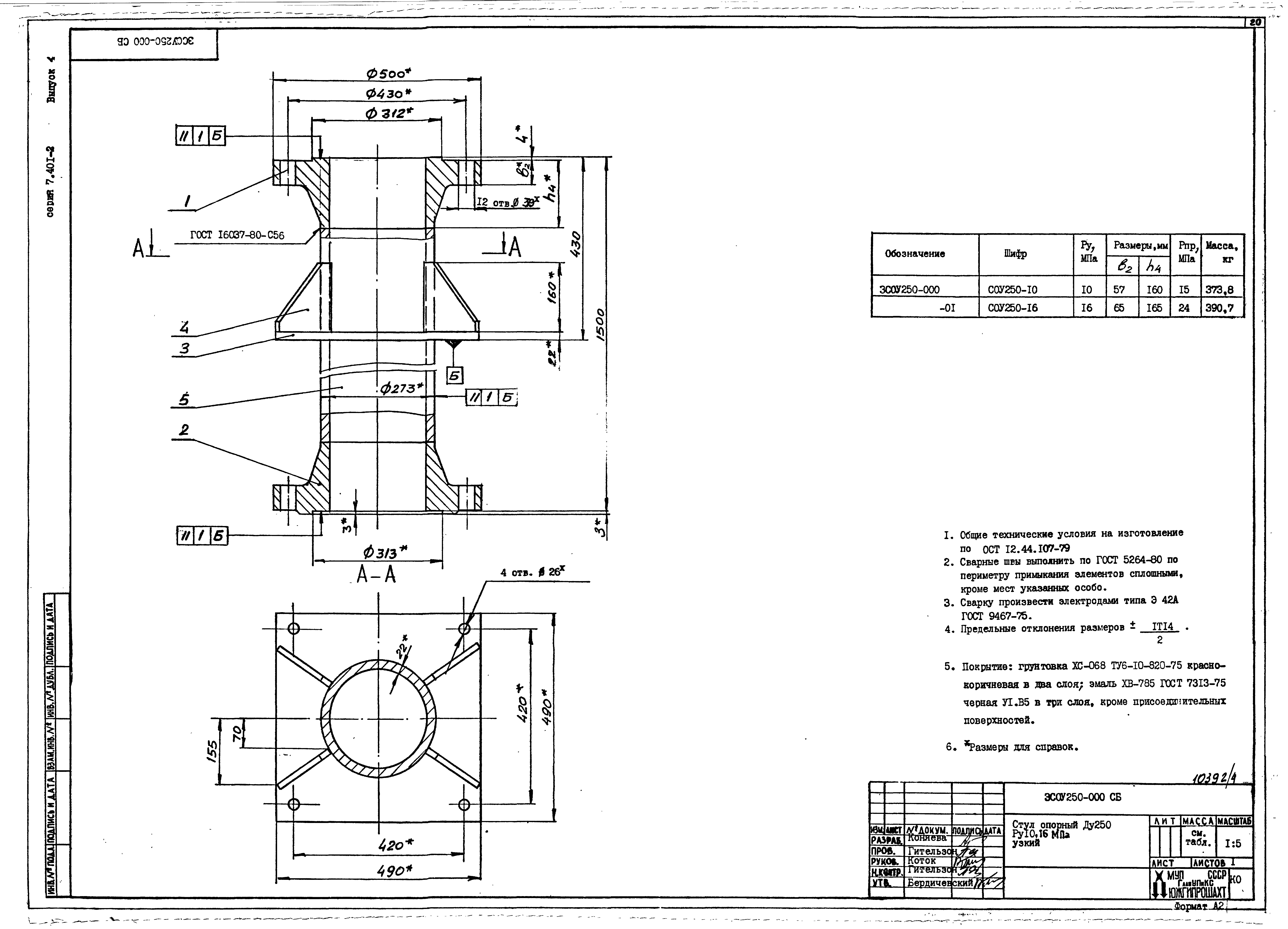
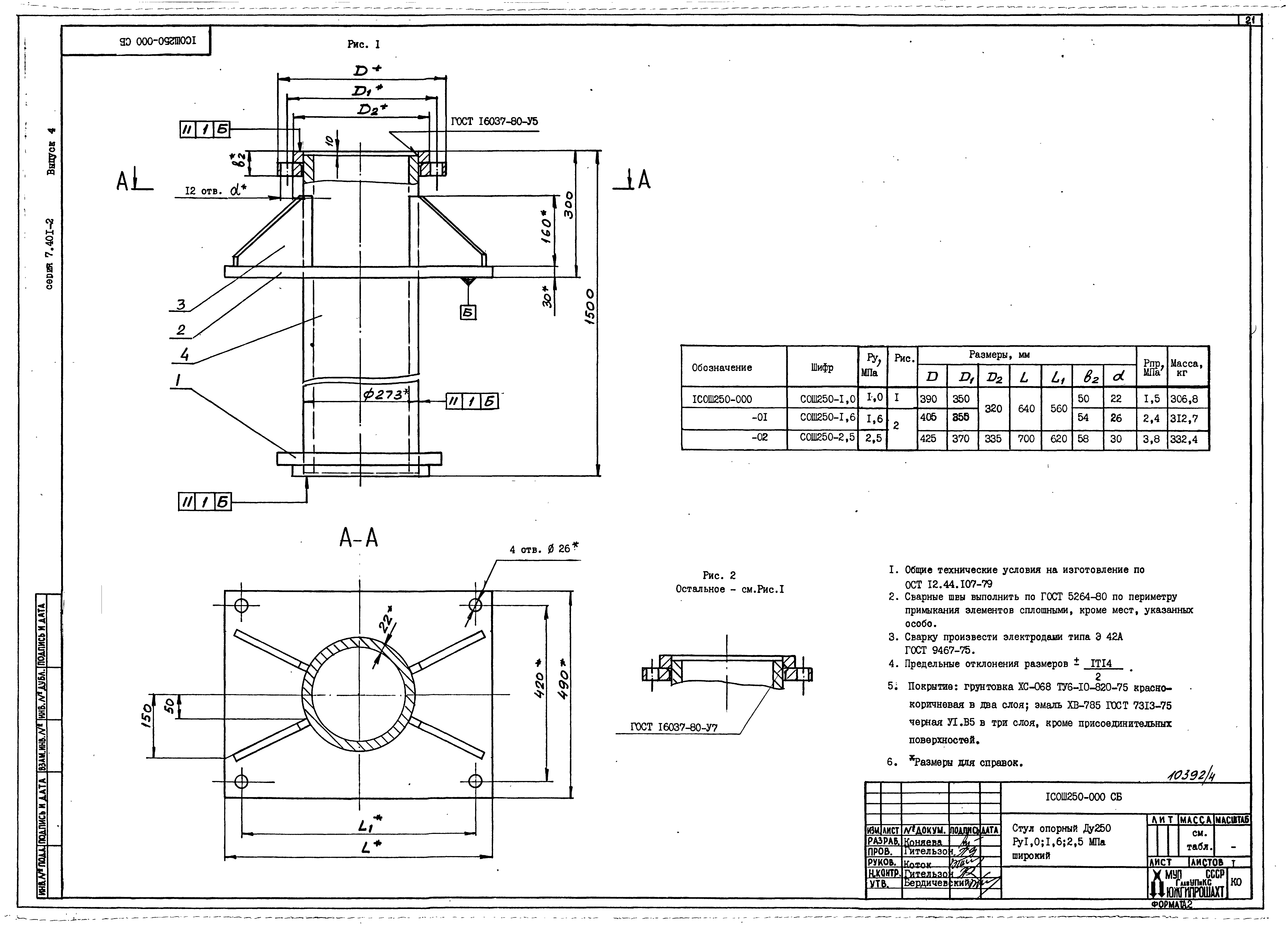
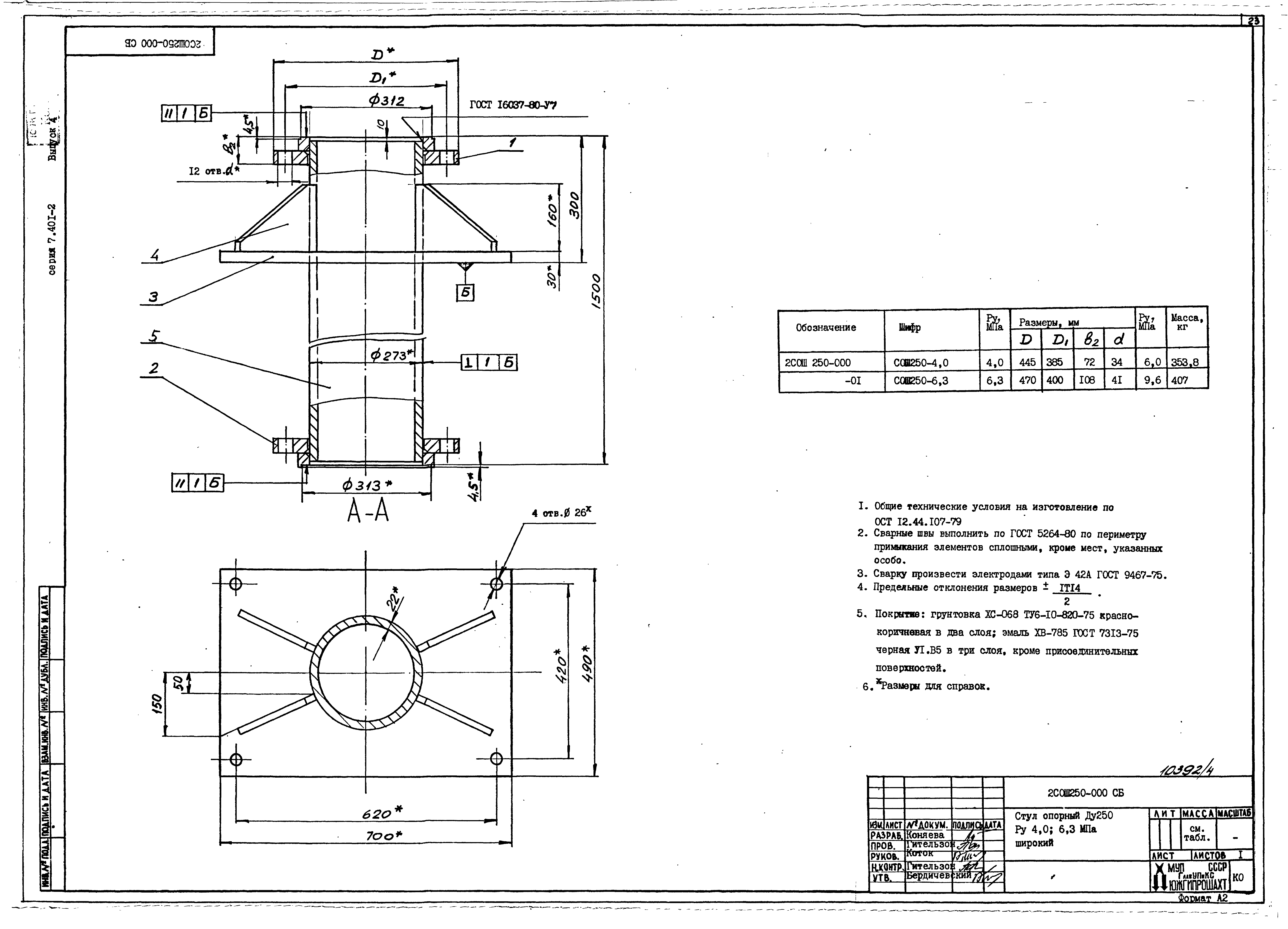
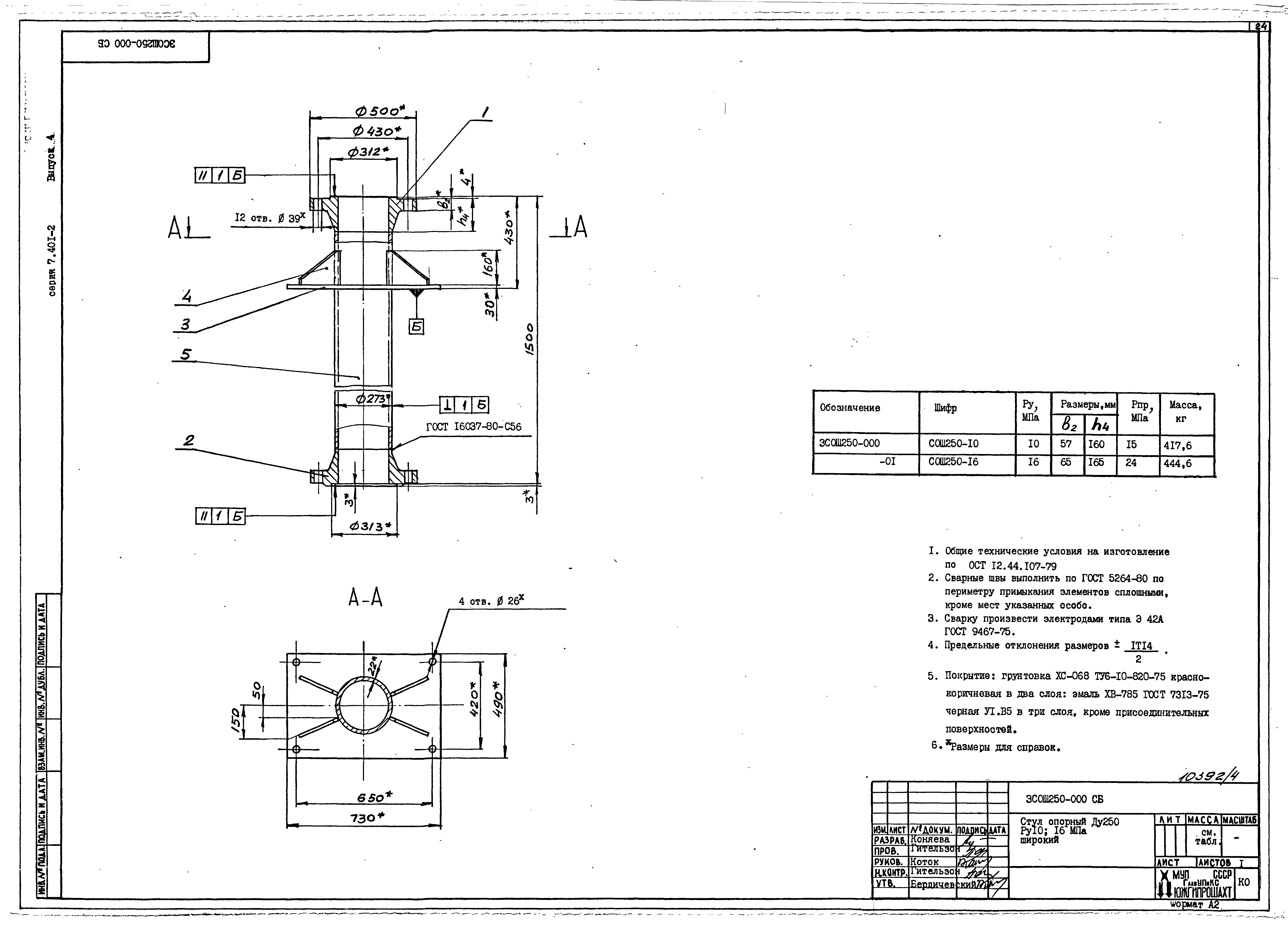
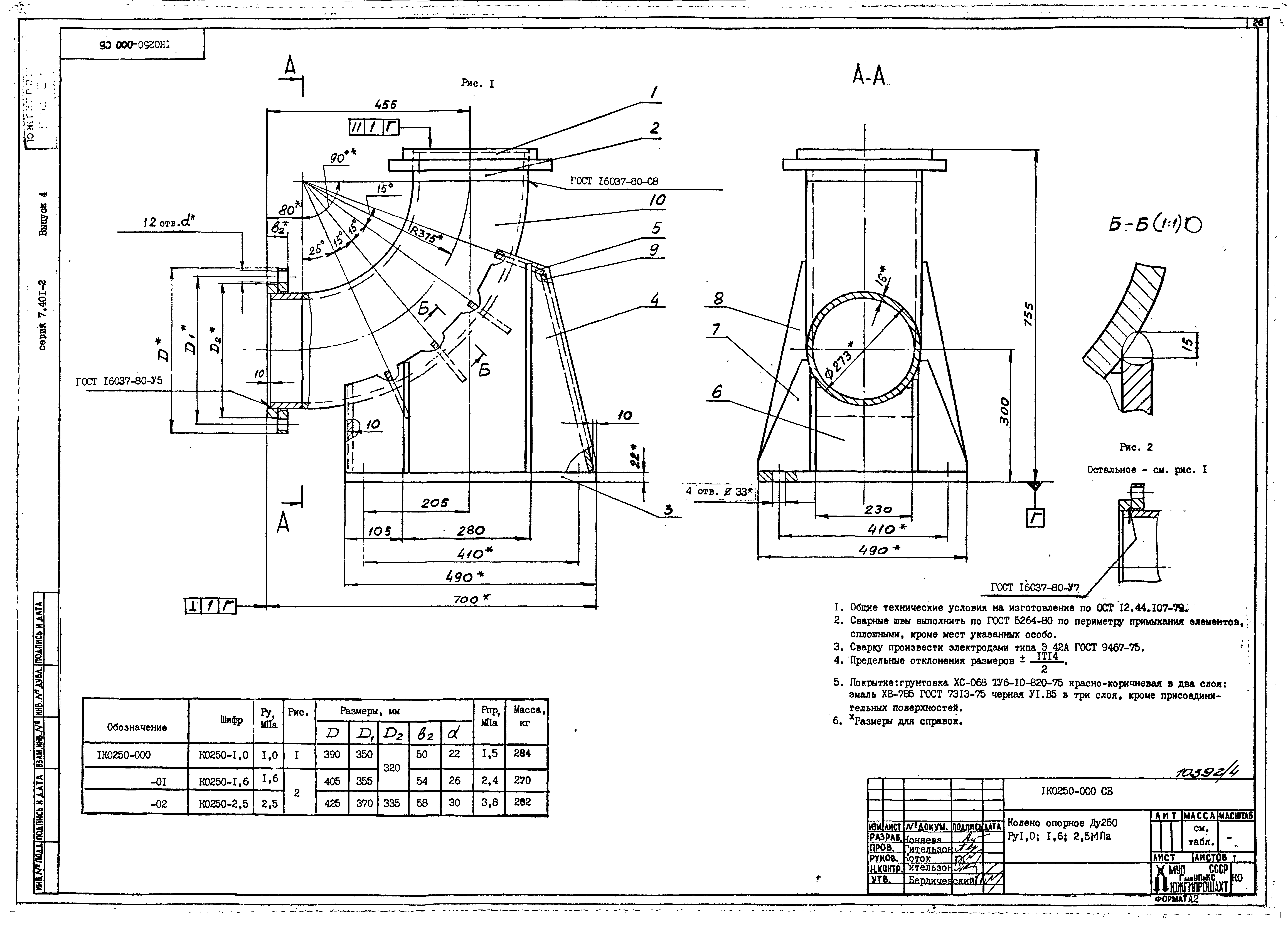
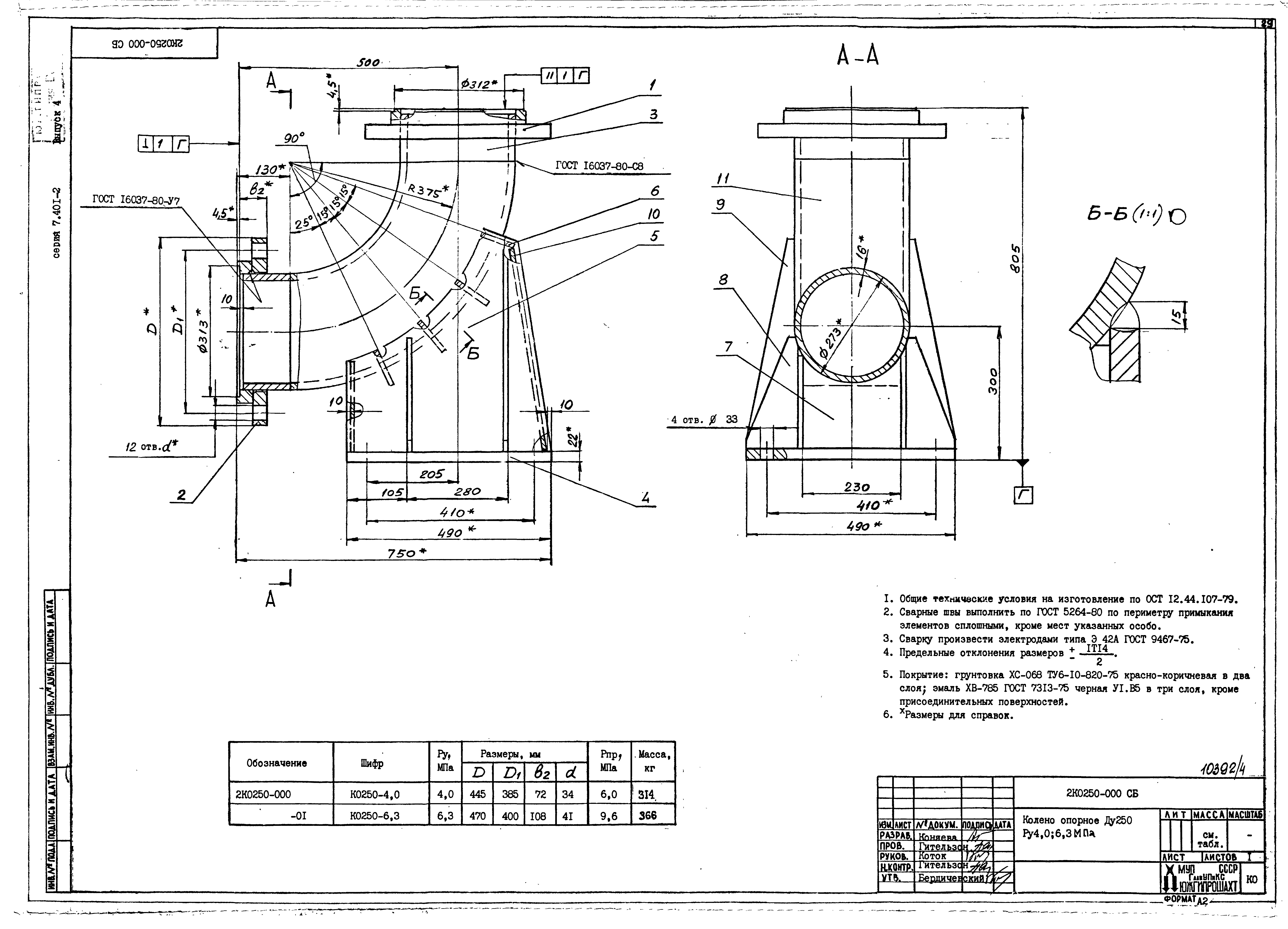
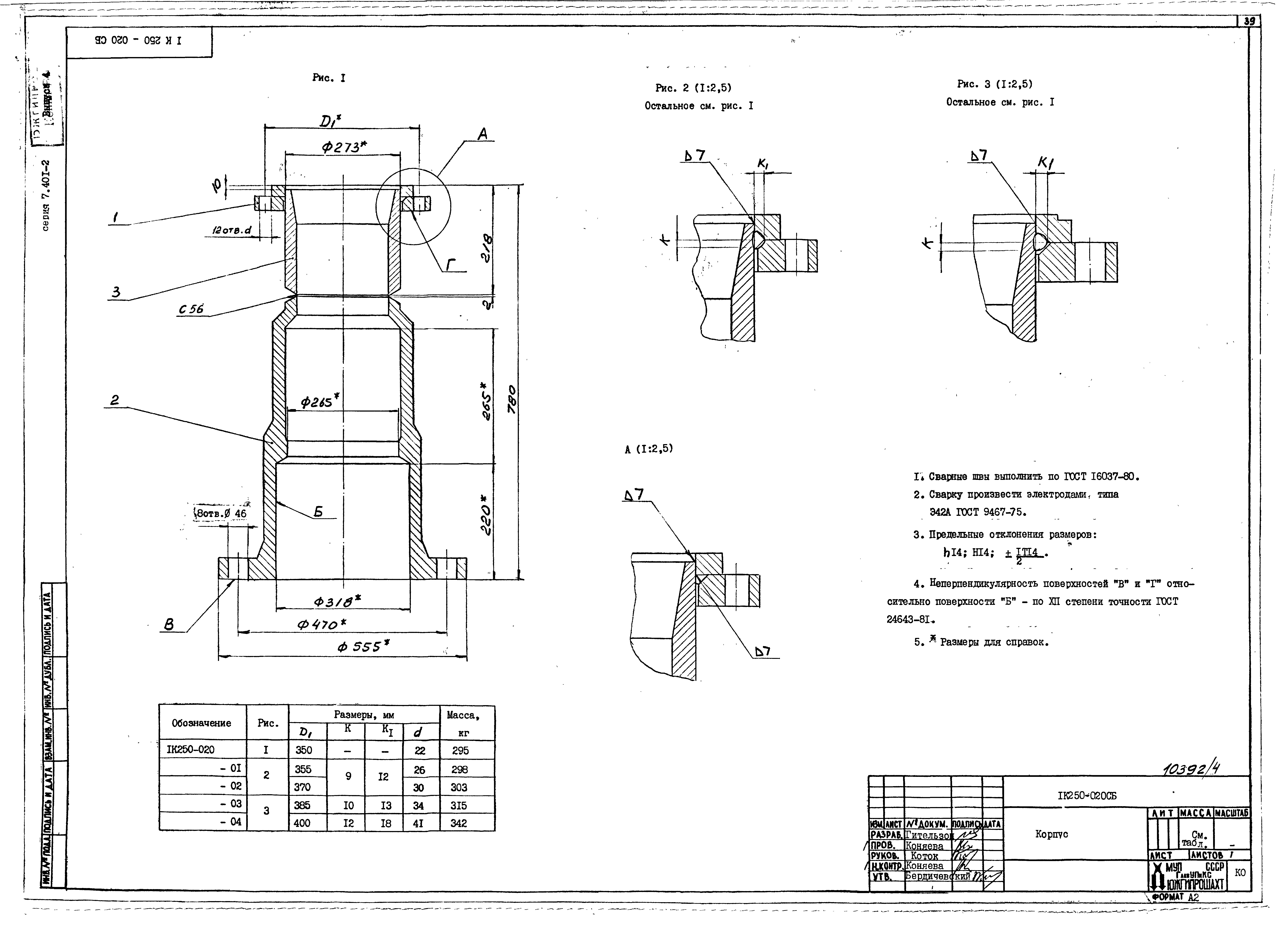
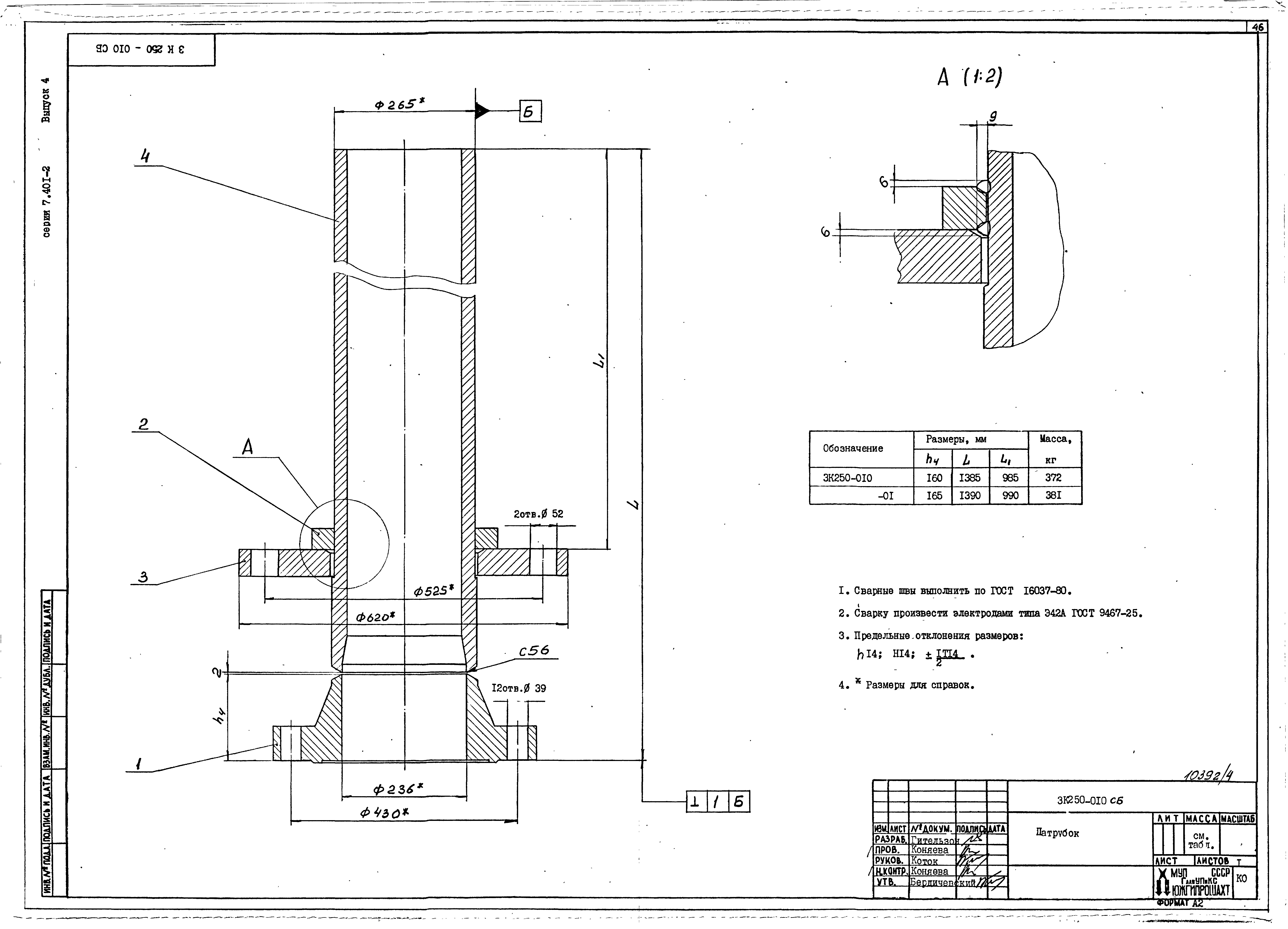
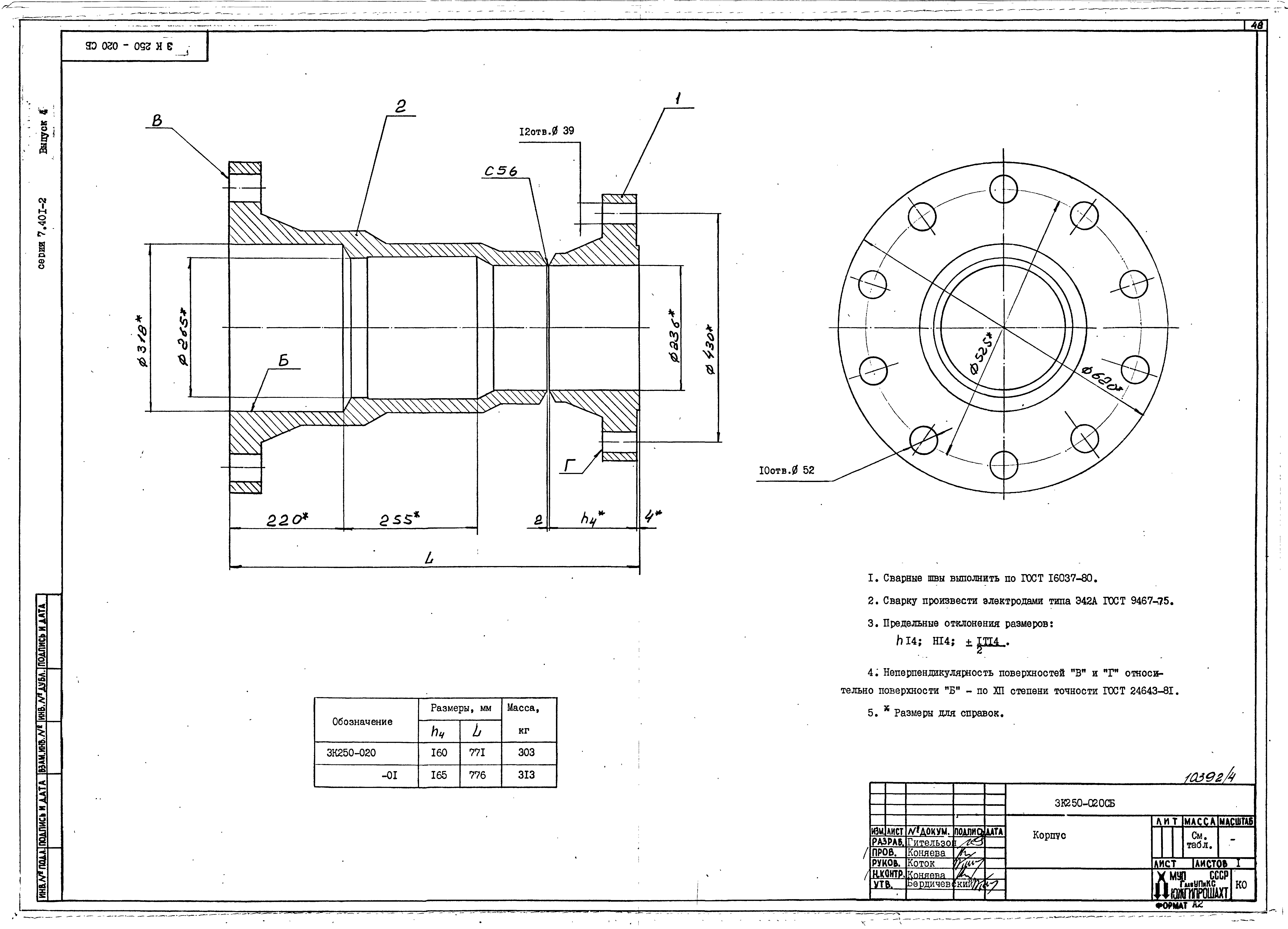
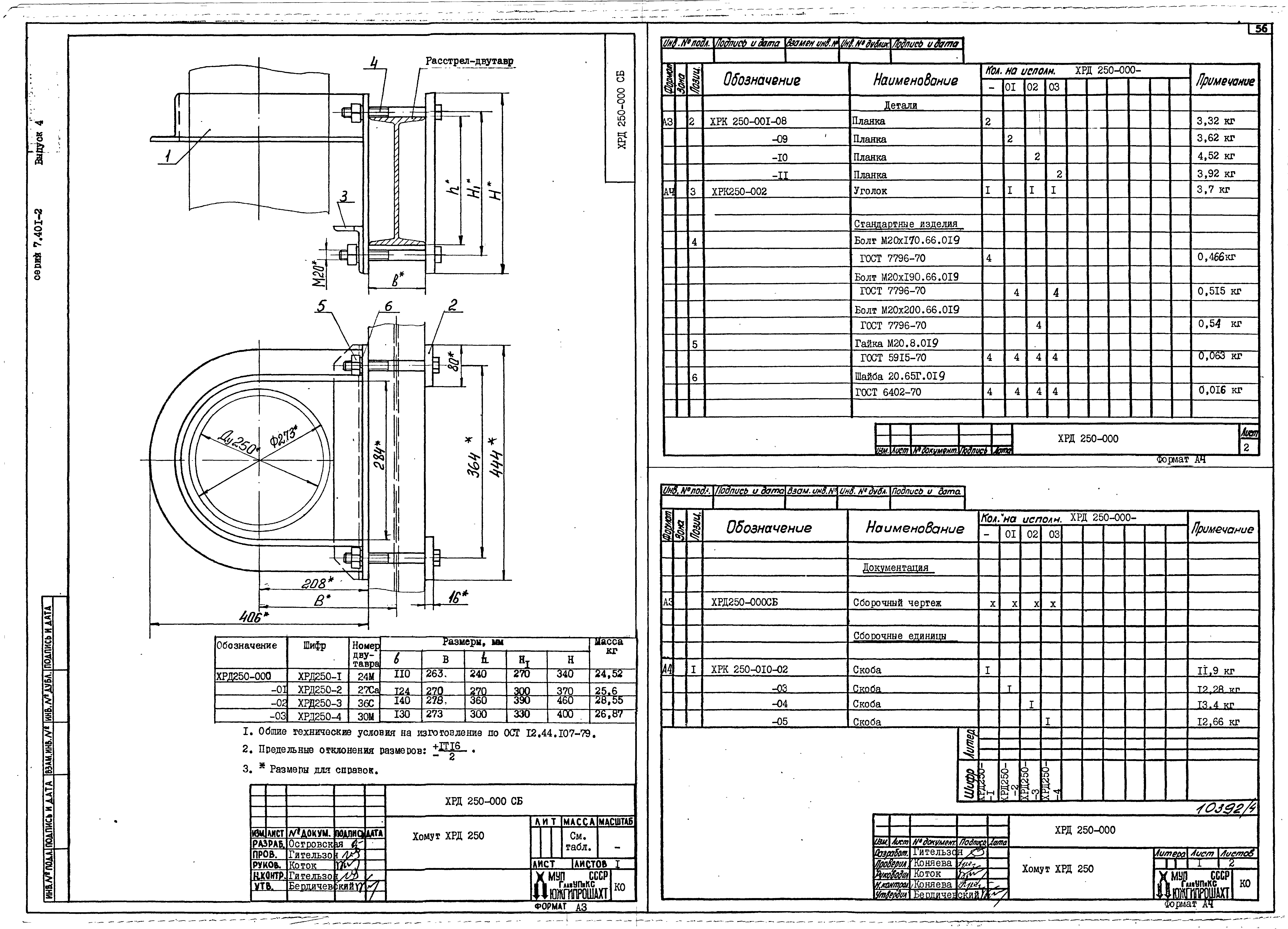
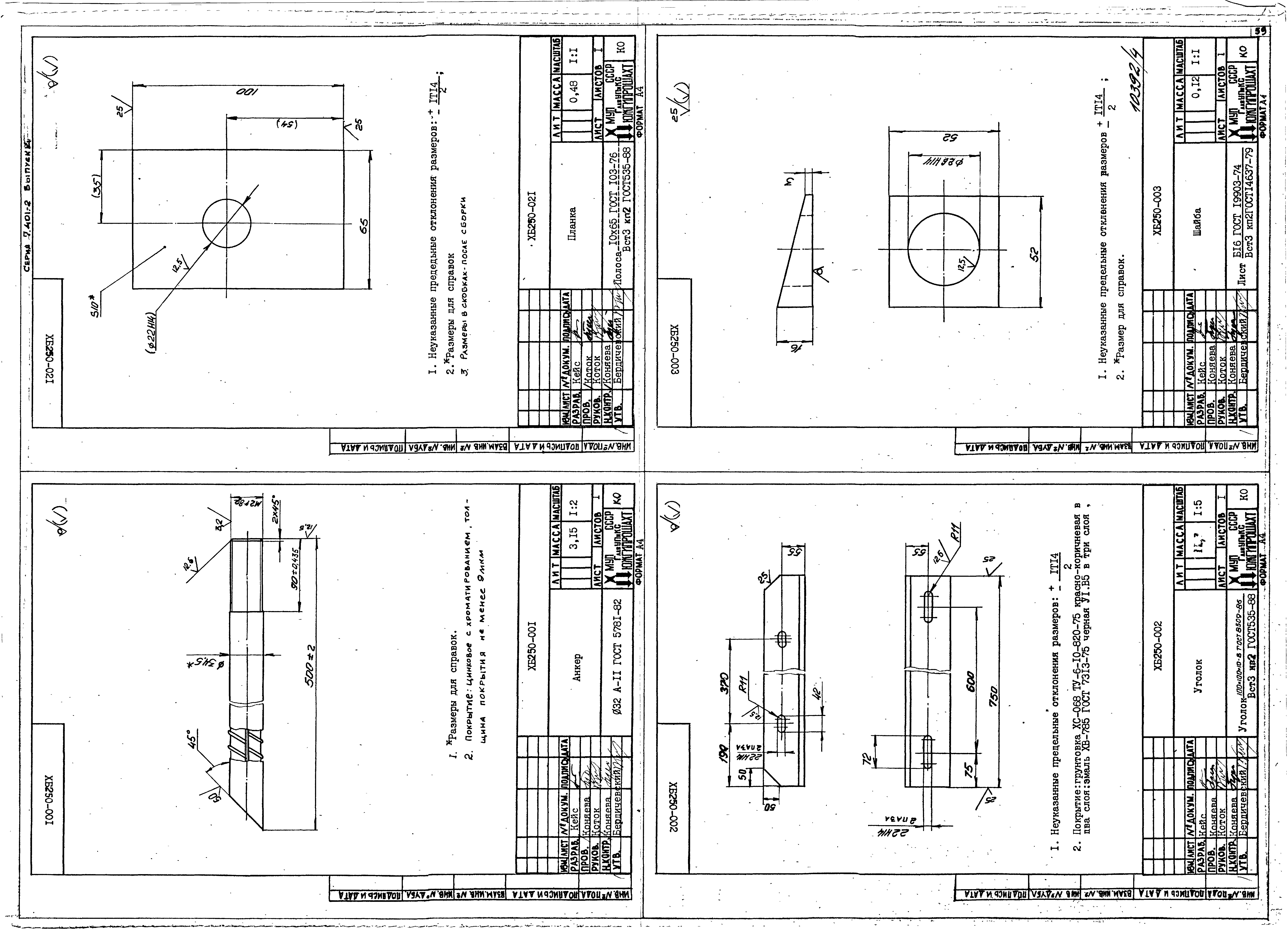
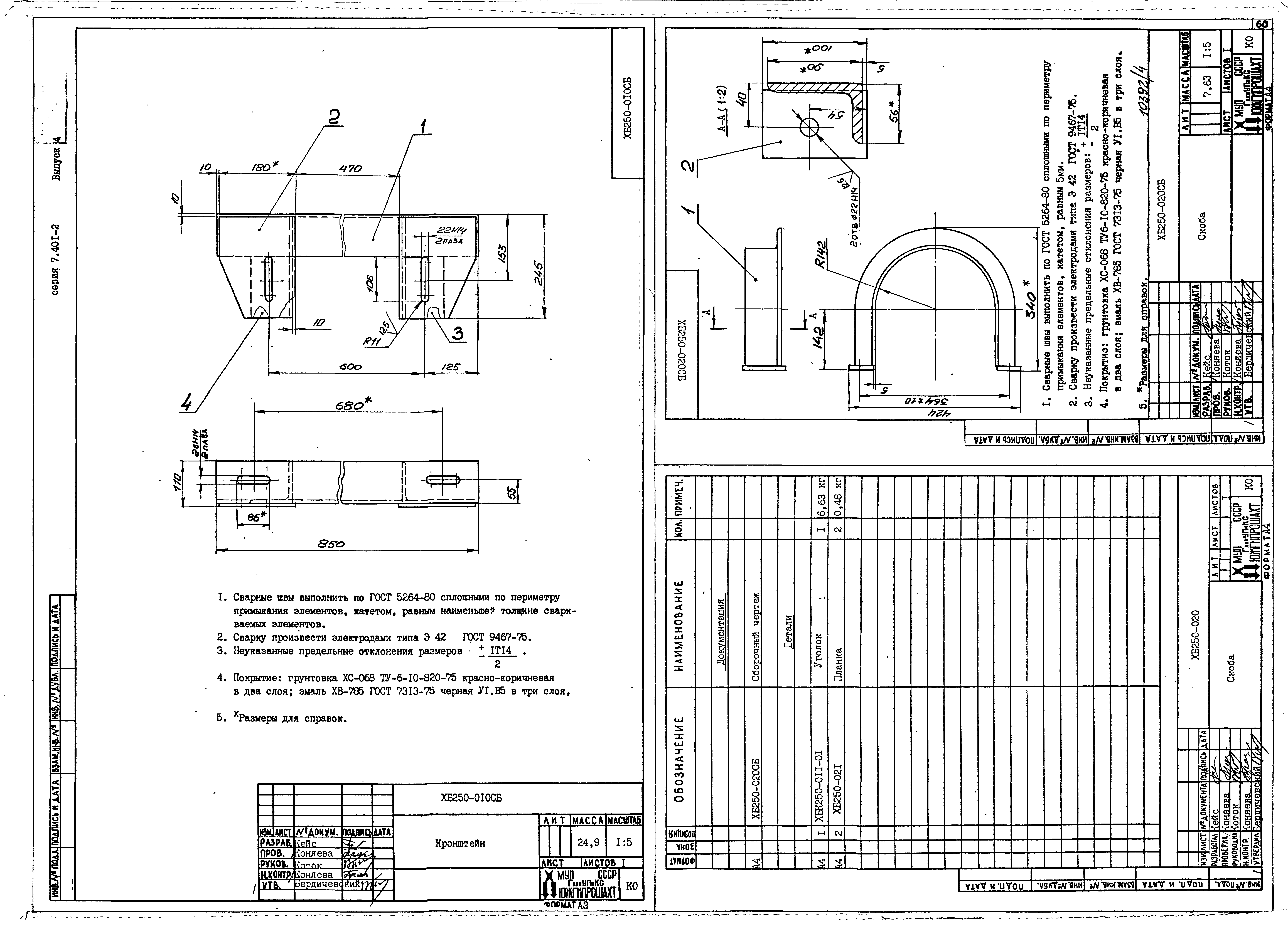
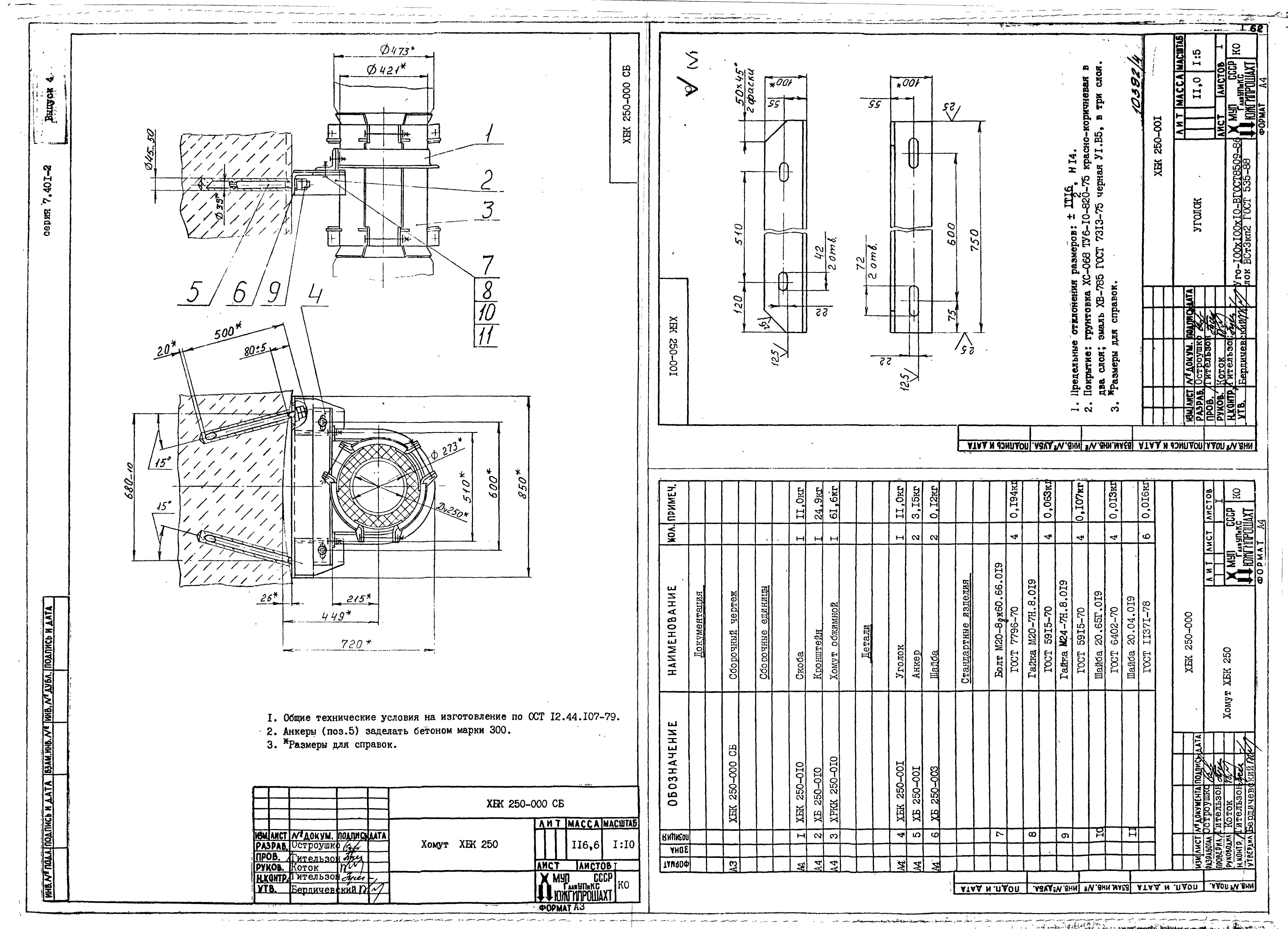
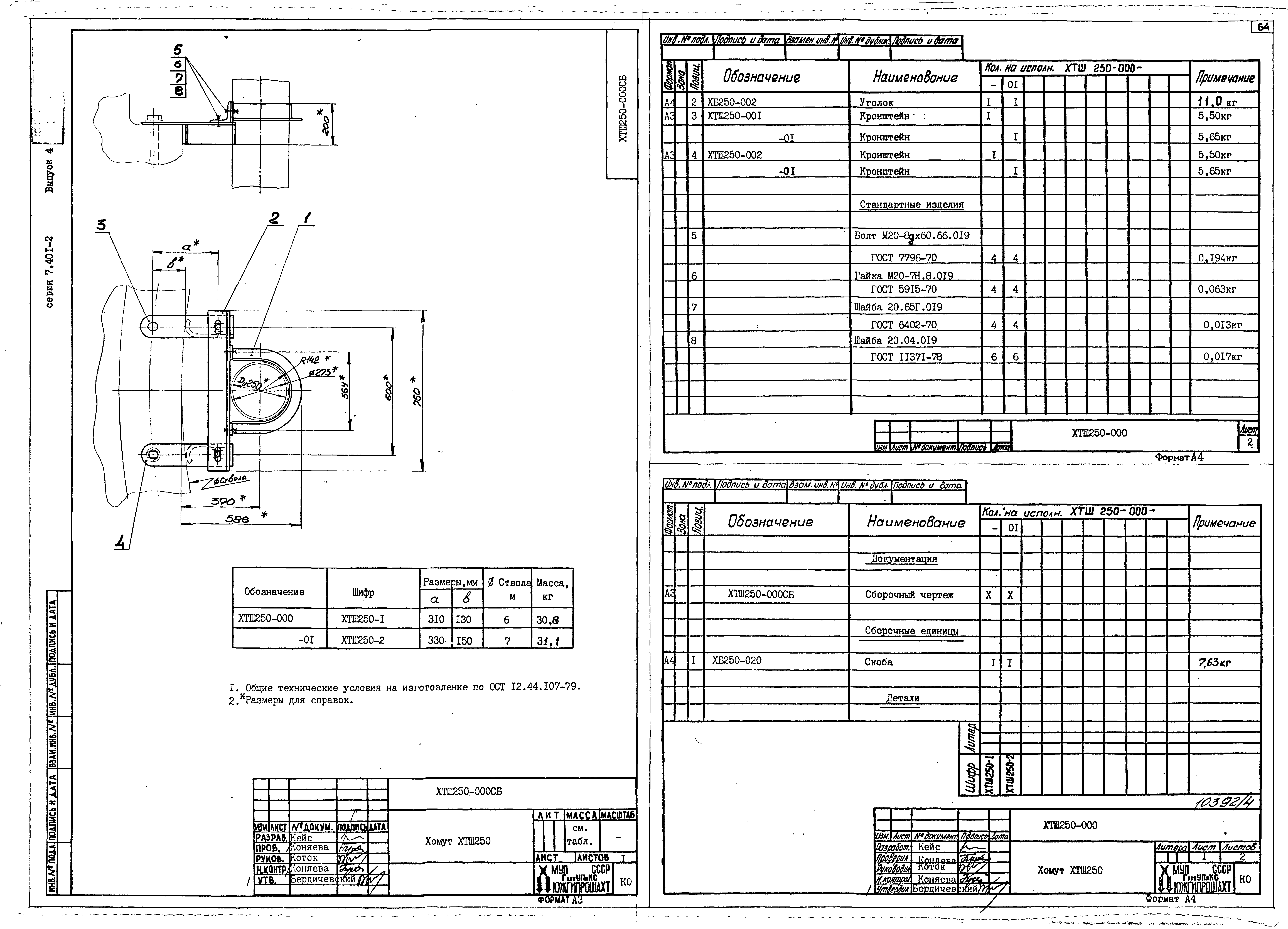
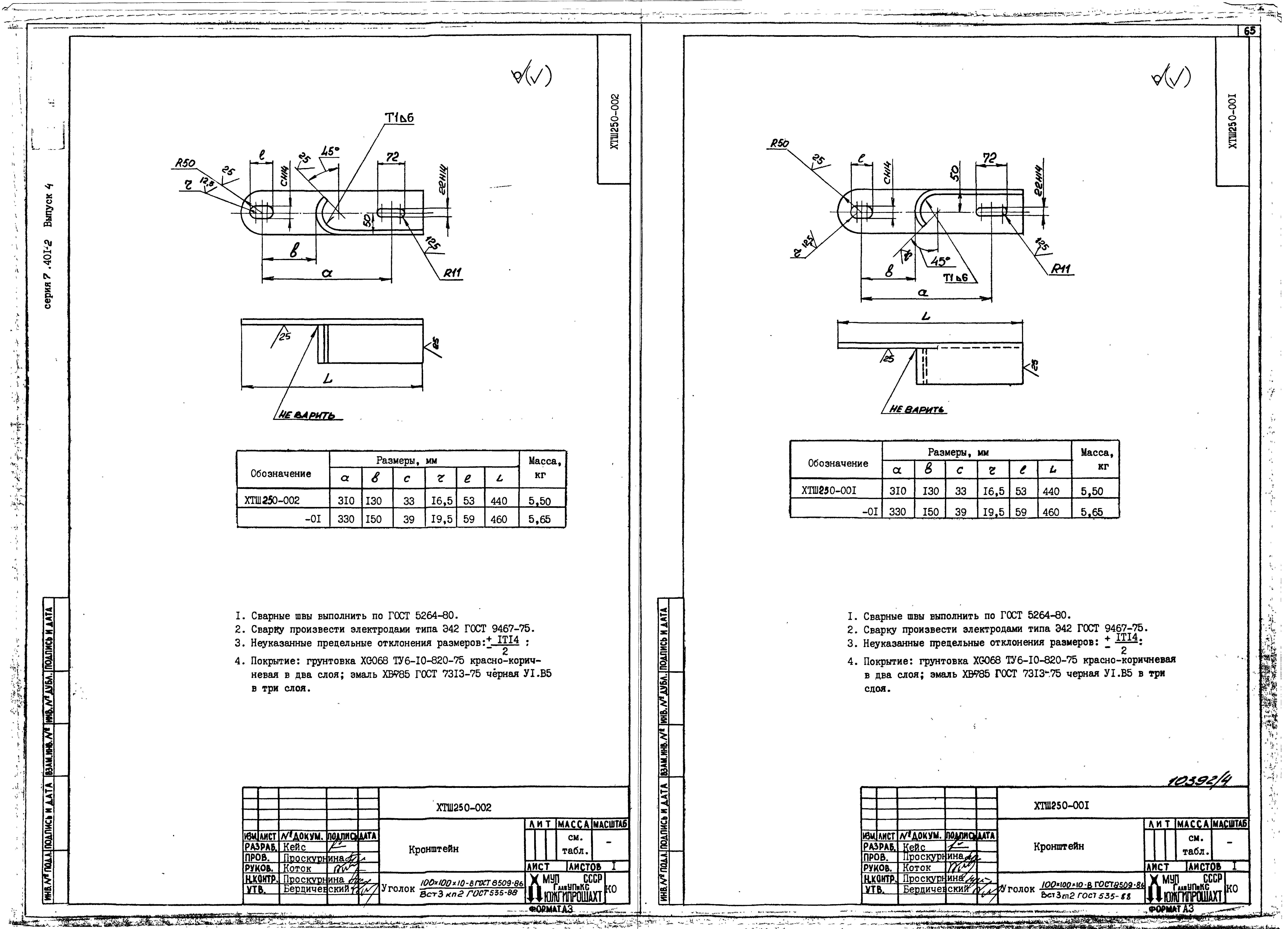
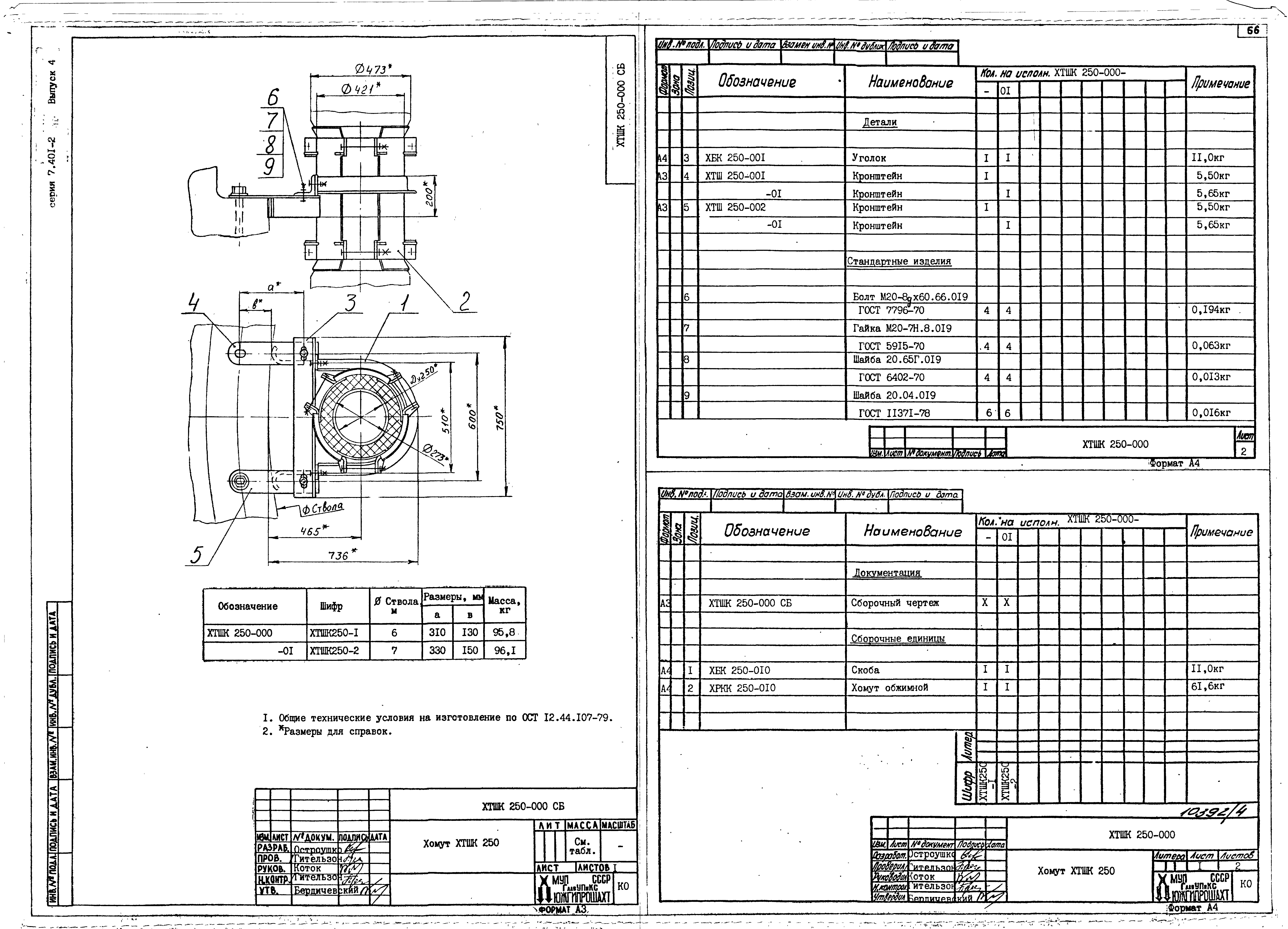
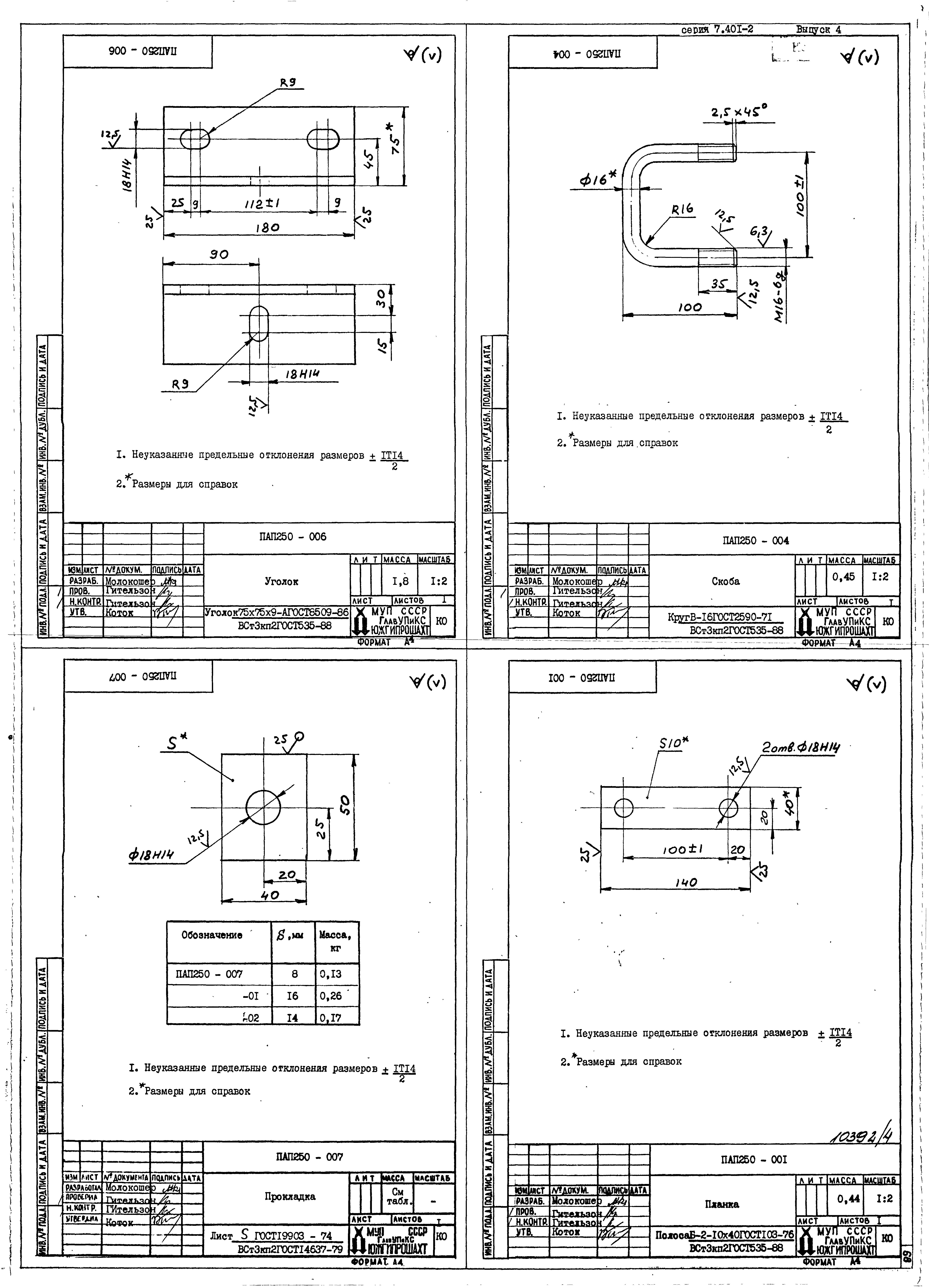
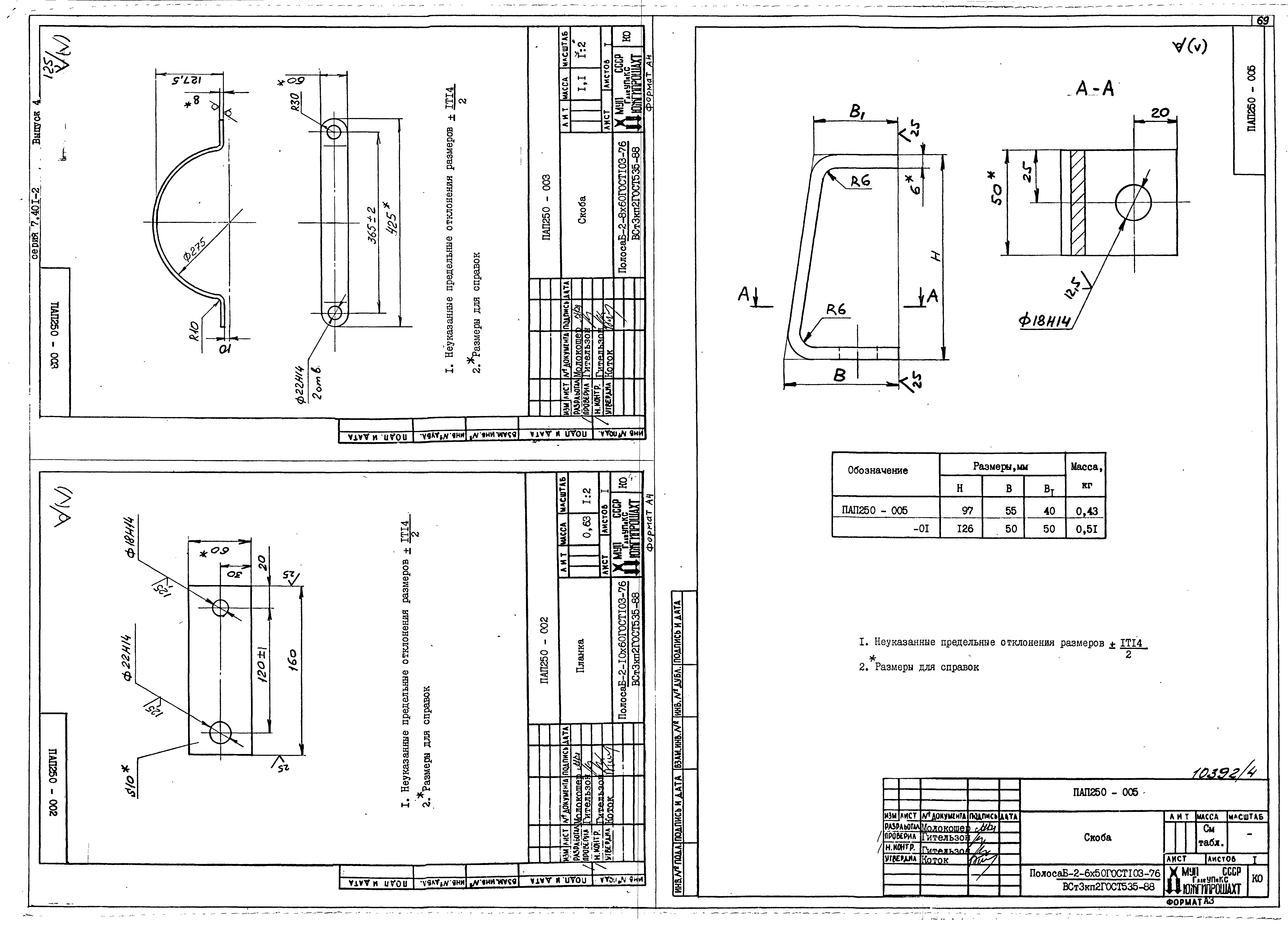
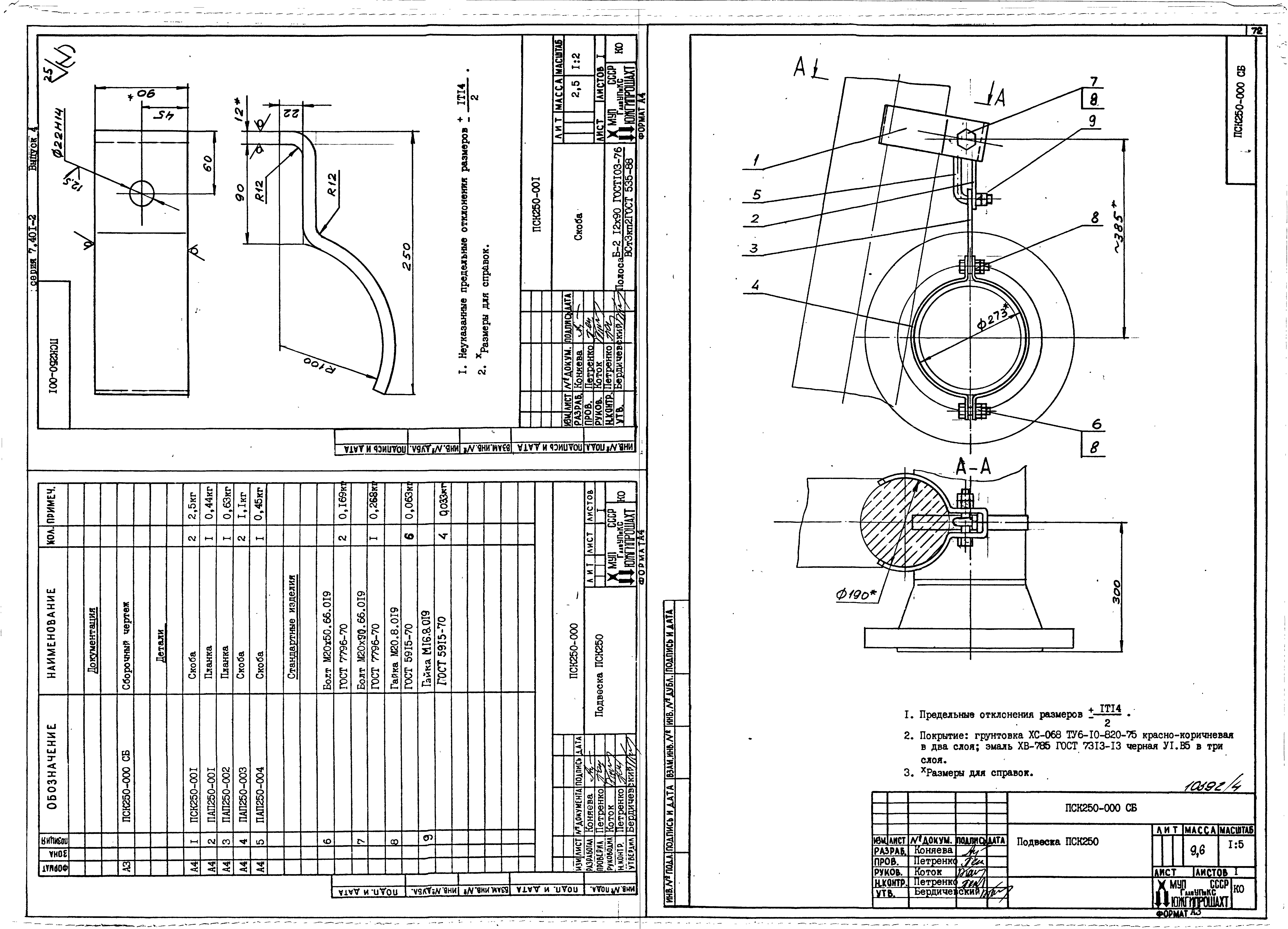
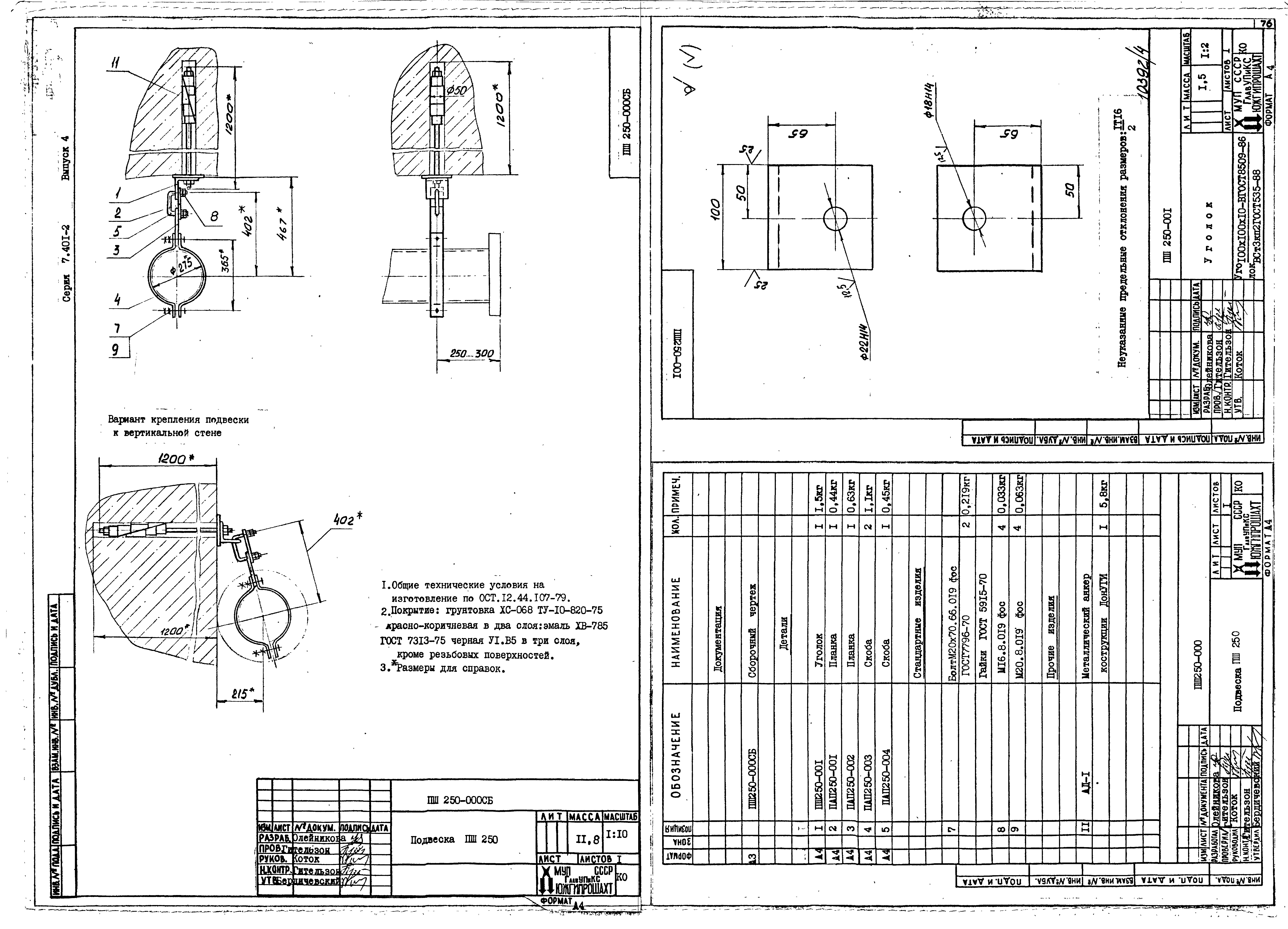
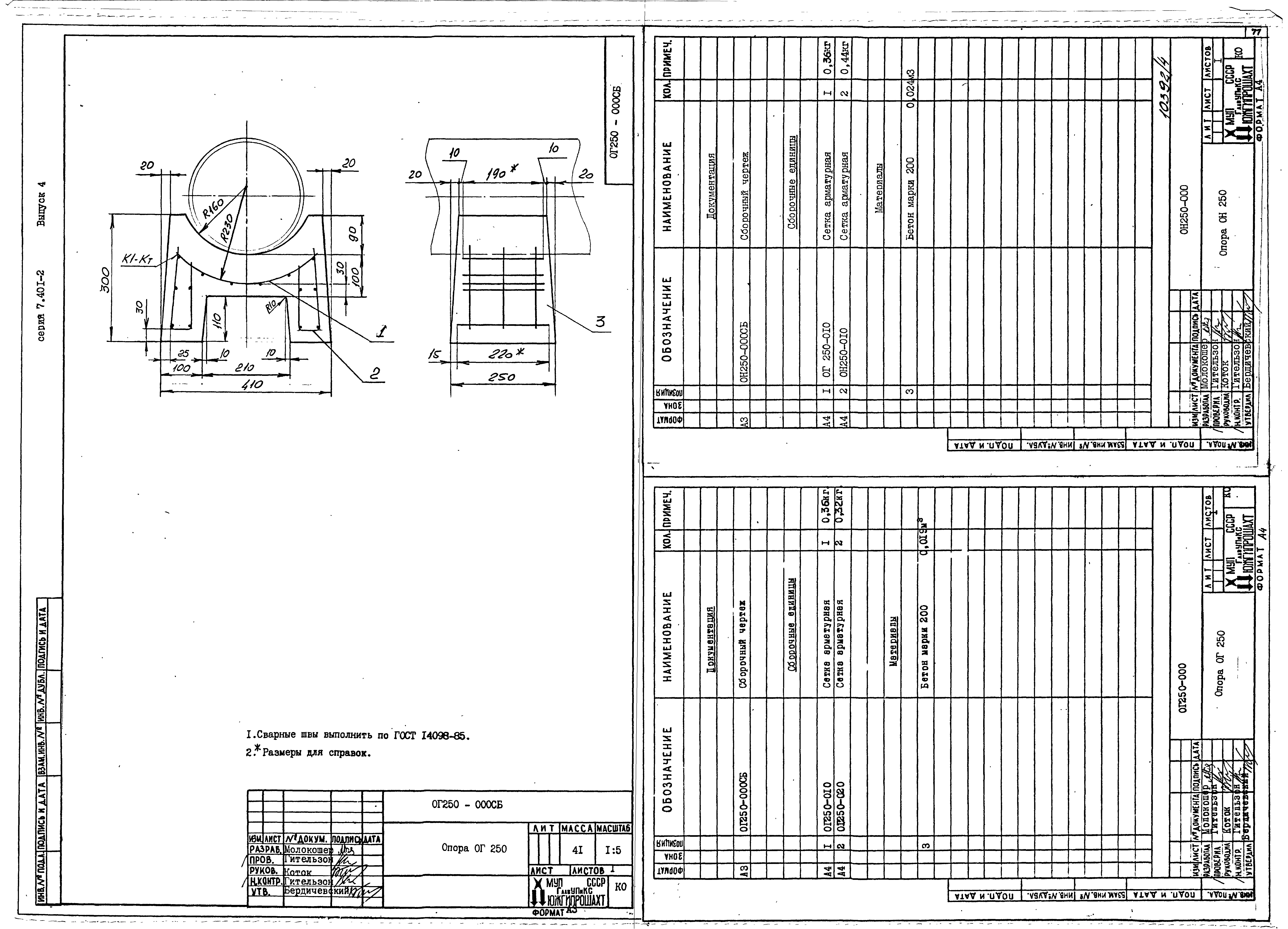
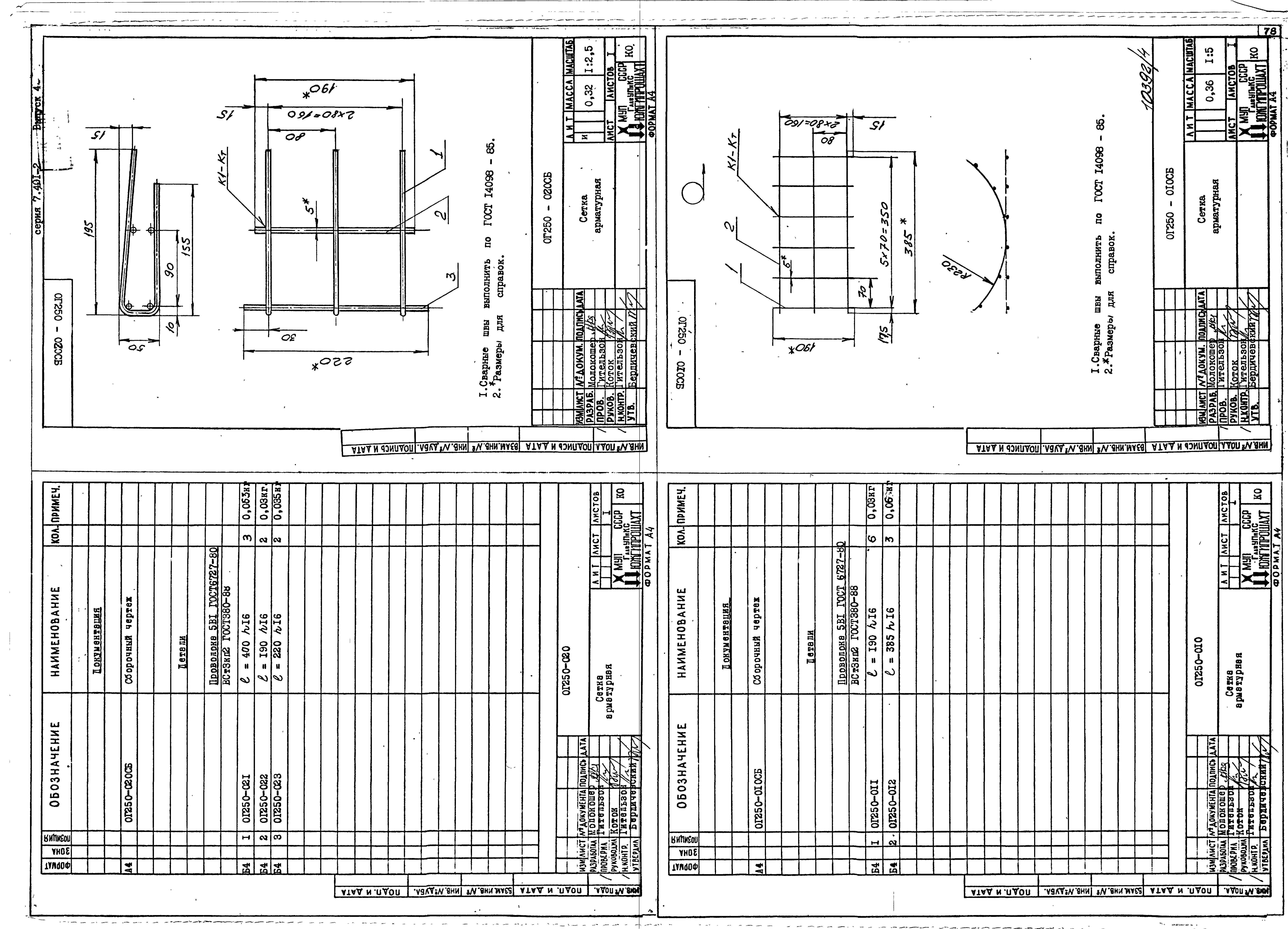
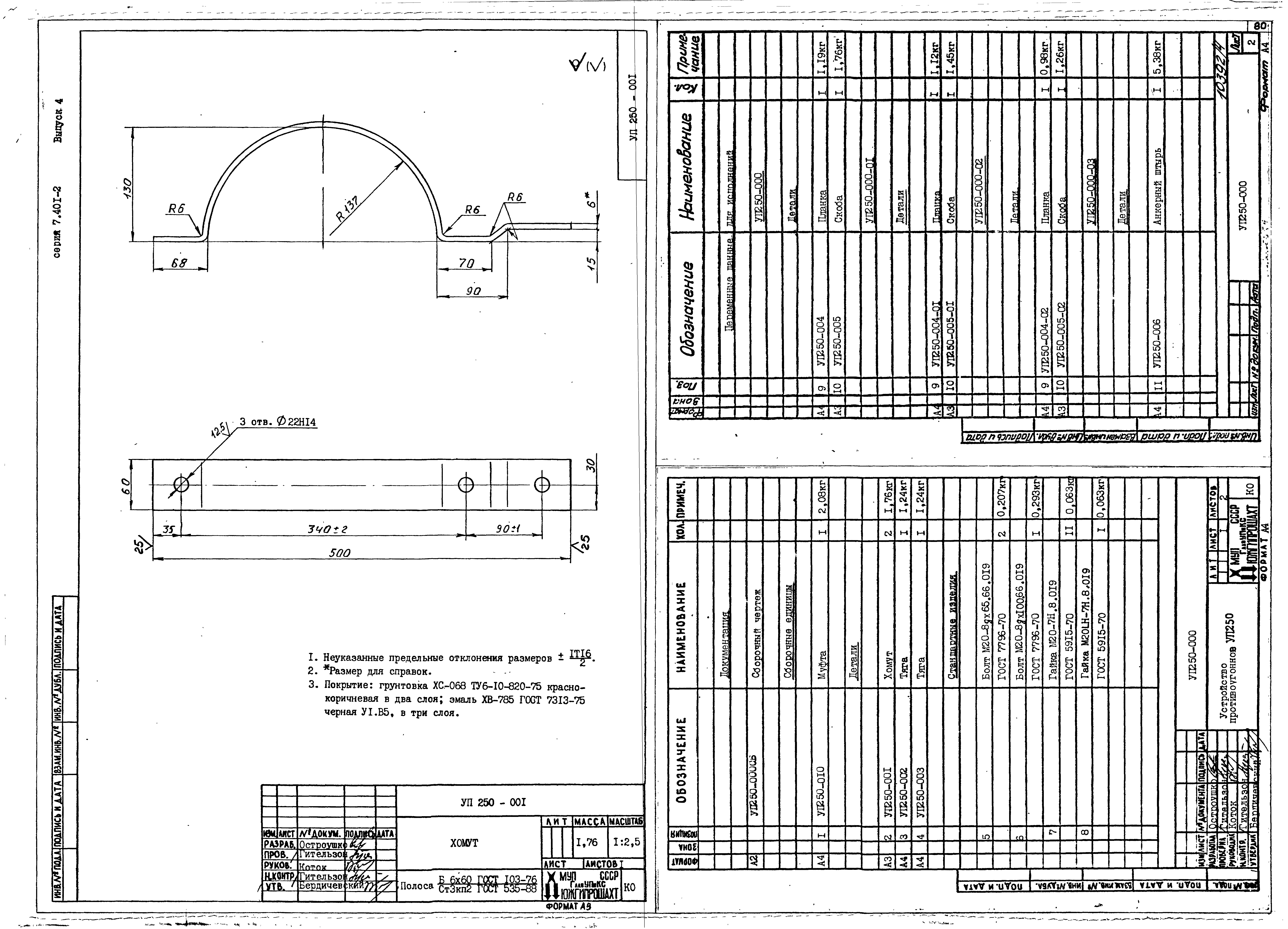
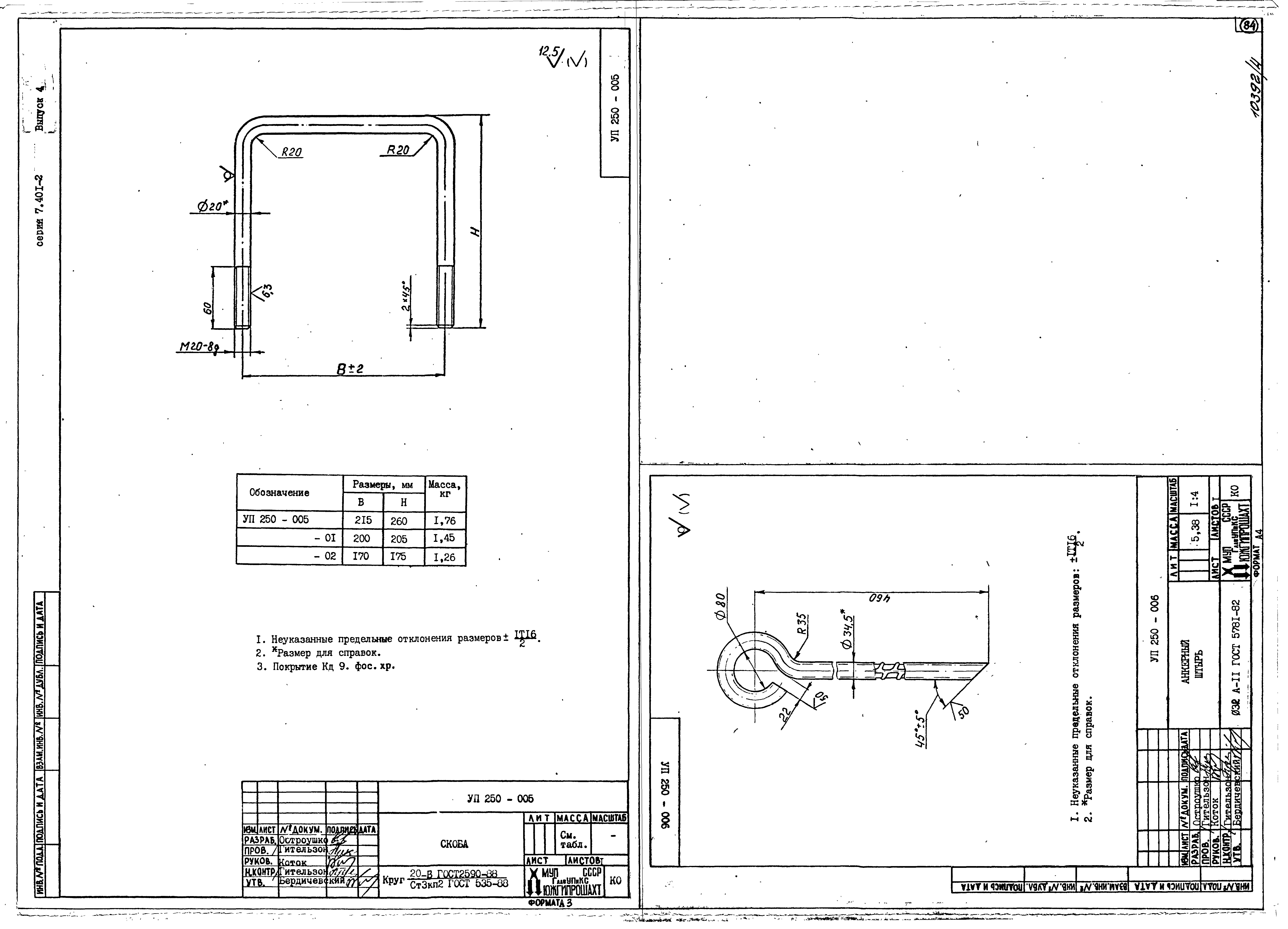
| Оглавление: | Содержание ПЗ Пояснительная записка 1ФС250-000 Фланцы Ду250 стальные свободные на приварном кольце 2ФС250-000 Фланцы Ду250 с выступом или впадиной свободные на приварном кольце 3ФС250-000 Фланцы Ду250 с выступом или впадиной свободные на приварном бурте ФП250-001 Фланцы Ду250 с выступом или впадиной стальные приварные встык 1СОУ250-000 Стул опорный Ду250 Ру 1,0; 1,6; 2,5 МПа узкий 2СОУ250-000 Стул опорный Ду250 Ру 4,0; 6,3 МПа узкий 3СОУ250-000 Стул опорный Ду250 Ру 10; 16 МПа узкий 1СОШ250-000 Стул опорный Ду250 Ру 1,0; 1,6; 2,5 МПа широкий 2СОШ250-000 Стул опорный Ду250 Ру 4,0; 6,3 МПа широкий 3СОШ250-000 Стул опорный Ду250 Ру 10; 16 МПа широкий 1КО250-000 Колено опорное Ду250 Ру 1,0; 1,6; 2,5 МПа 2КО250-000 Колено опорное Ду250 Ру 4,0; 6,3 МПа 3КО250-000 Колено опорное Ду250 Ру 10 МПа 4КО250-000 Колено опорное Ду250 Ру 16 МПа 1К250-000 Компенсатор Ду250 Ру 1,0; 1,6; 2,5 МПа 2К250-000 Компенсатор Ду250 Ру 4,0; 6,3 МПа 3К250-000 Компенсатор Ду250 Ру 10; 16 МПа ХРК250-000 Хомут ХРК 250 ХРКК250-000 Хомут ХРКК 250 ХРД250-000 Хомут ХРД 250 ХРДК250-000 Хомут ХРДК 250 ХБ250-000 Хомут ХБ 250 ХБК250-000 Хомут ХБК 250 ХТШ250-000 Хомут ХТШ 250 ХТШК250-000 Хомут ХТШК 250 ПАП250-000 Подвеска ПАП 250 ПАКП250-000 Подвеска ПАКП 250 ПСК250-000 Подвеска ПСК 250 ПВ250-000 Подвеска ПВ 250 ПБ250-000 Подвеска ПБ 250 ПШ250-000 Подвеска ПШ 250 ОГ250-000 Опоры ОГ 250 ОН250-000 Опоры ОН 250 УП250-000 Устройство противоугонное УП 250 |
| Разработан: | Южгипрошахт Минуглепрома СССР |
| Утверждён: | 25.10.1990 Минуглепром СССР (USSR Minugleprom 3-35-18/1079) |
| Издан: | Госстрой СССР (1991 г. ) |
| Заменяет собой: |
|




















































































