Скачать Серия 7.401-2 Выпуск 5. Узлы крепления трубопроводов Ду300. Рабочие чертежиДата актуализации: 01.01.2021
|
| Обозначение: | Серия 7.401-2 |
| Обозначение англ: | Series 7.401-2 |
| Статус: | не определен законодательством |
| Название рус.: | Выпуск 5. Узлы крепления трубопроводов Ду300. Рабочие чертежи |
| Дата добавления в базу: | 01.09.2013 |
| Дата актуализации: | 01.01.2021 |
| Дата введения: | 25.10.1990 |
| Дата окончания срока действия: | 30.06.2003 |
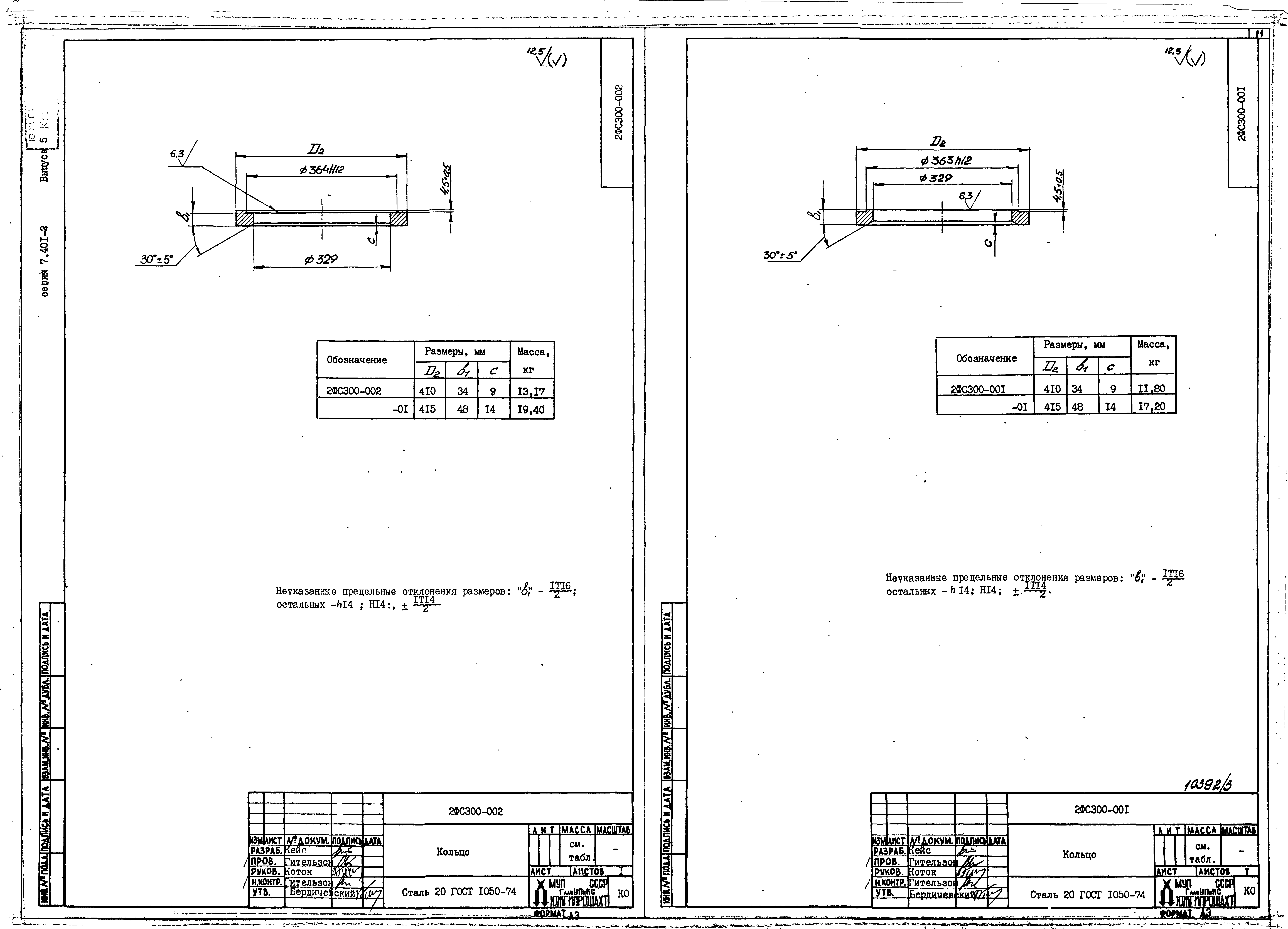
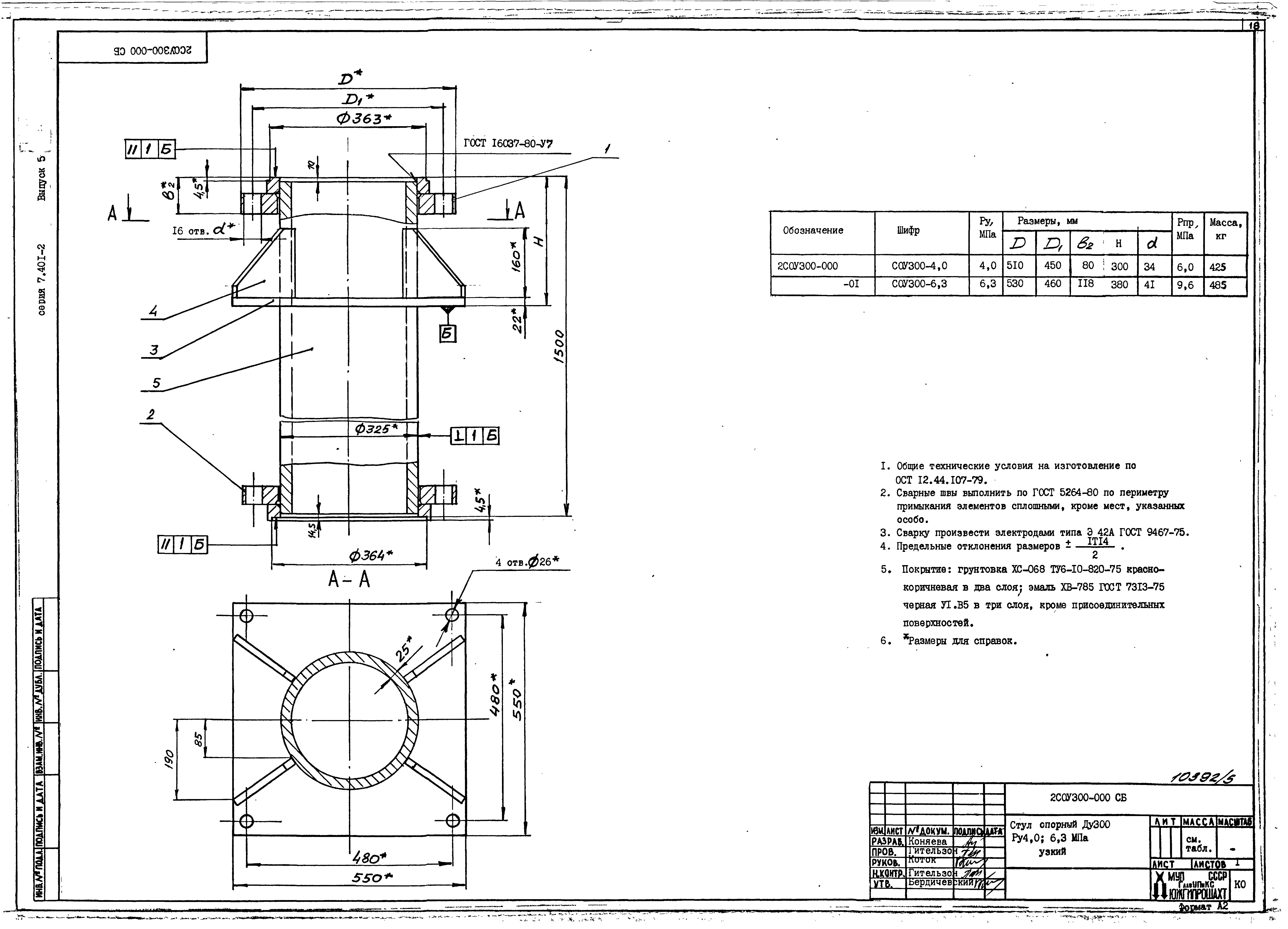
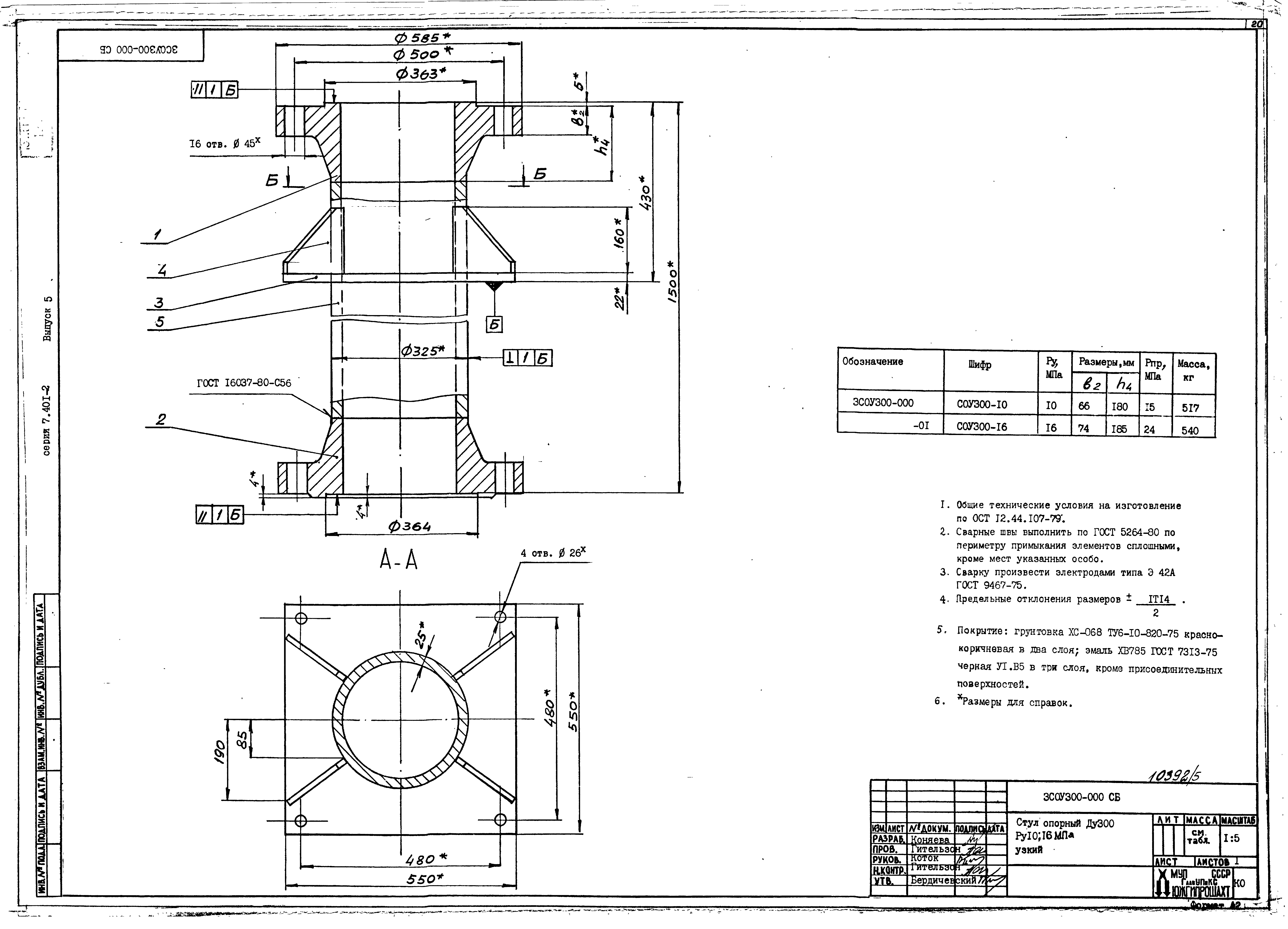
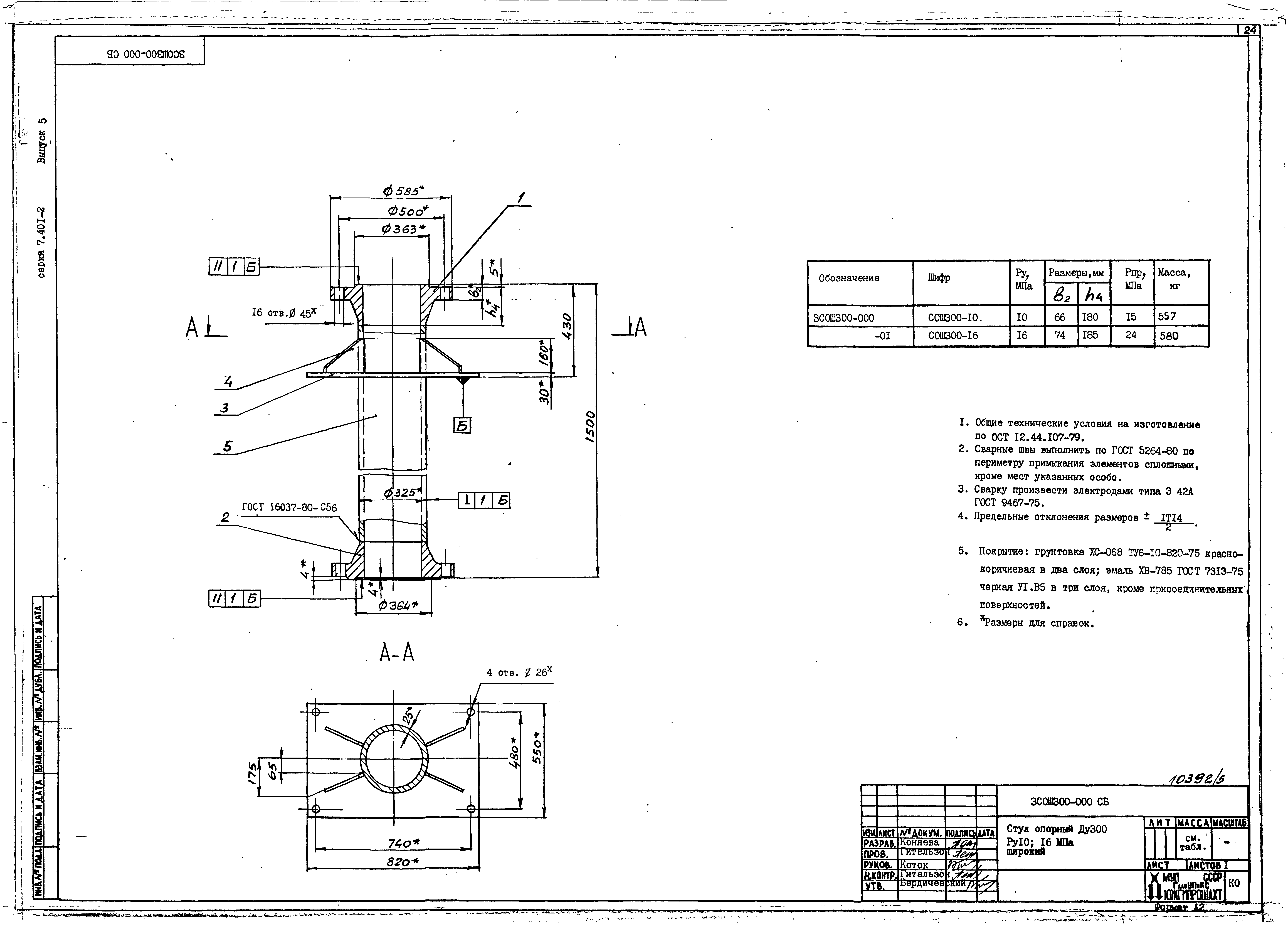
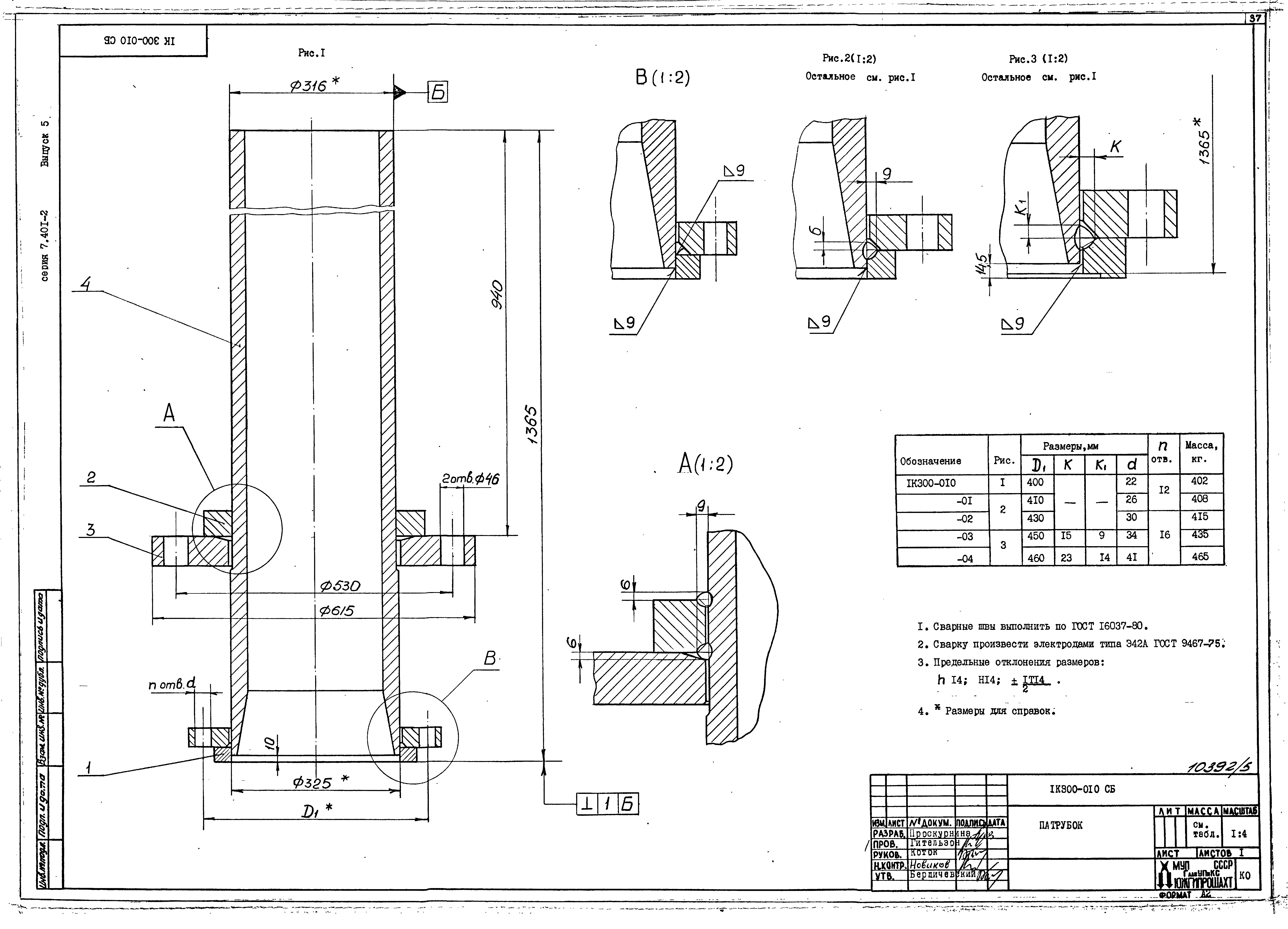
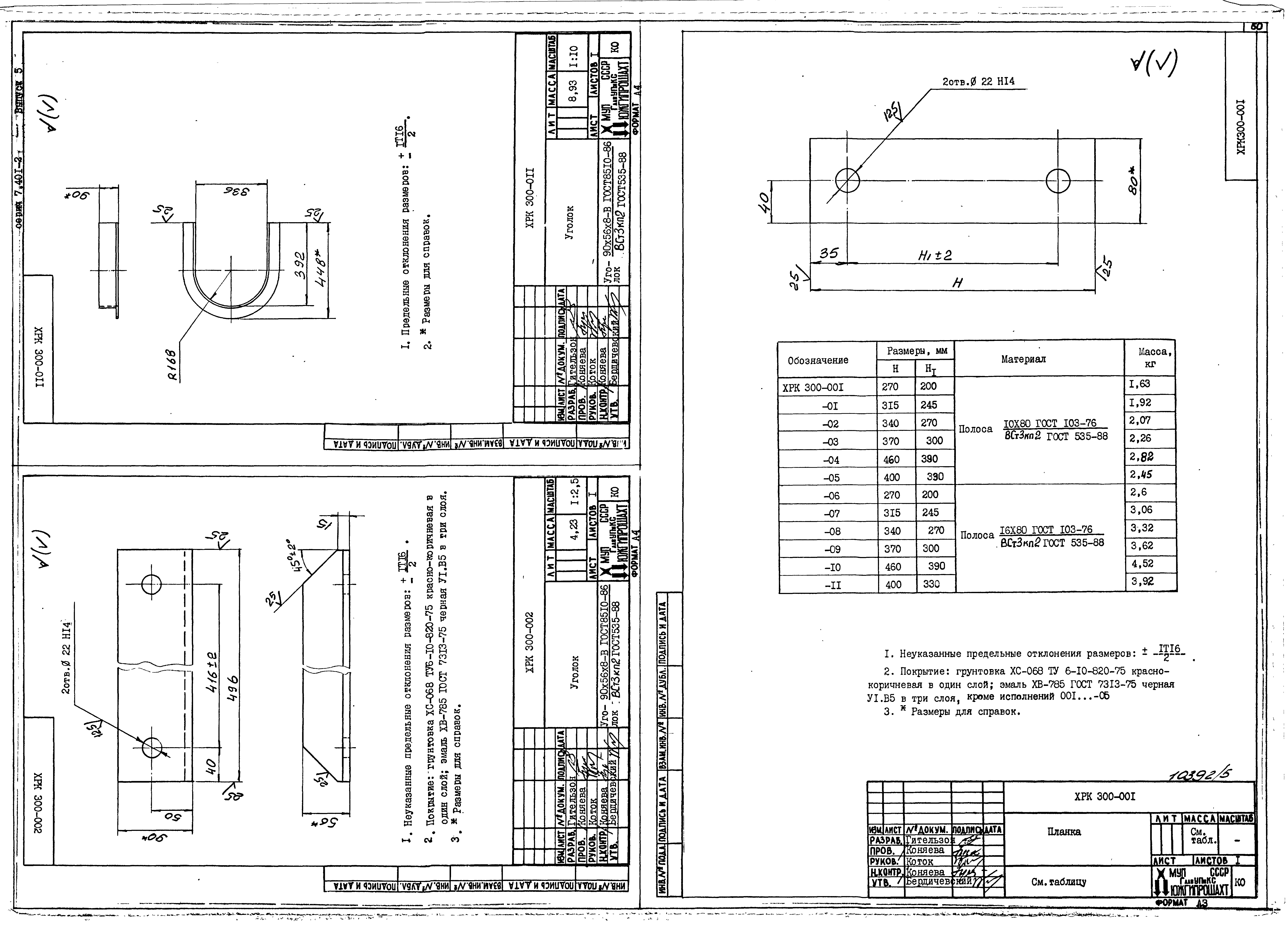
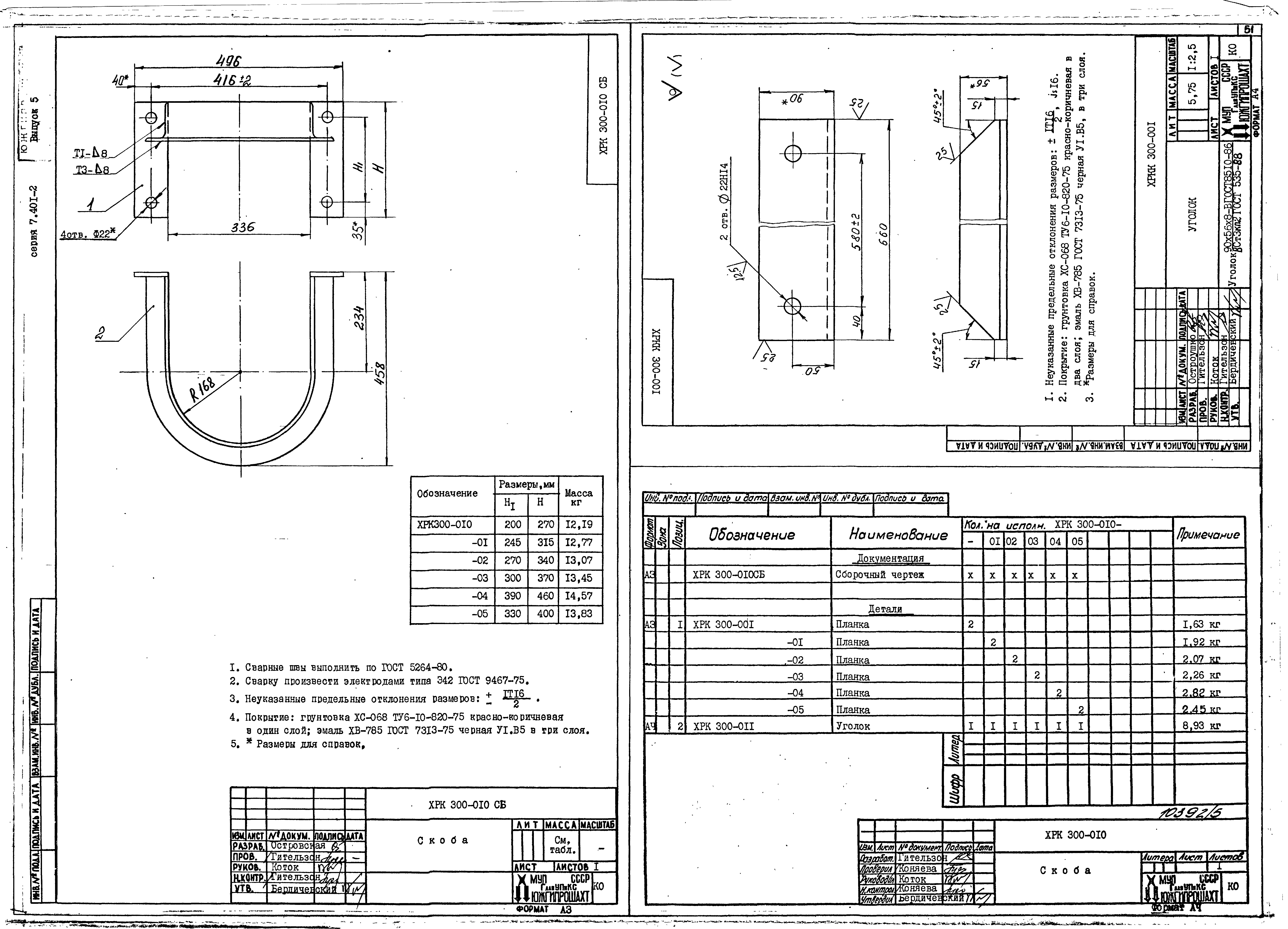
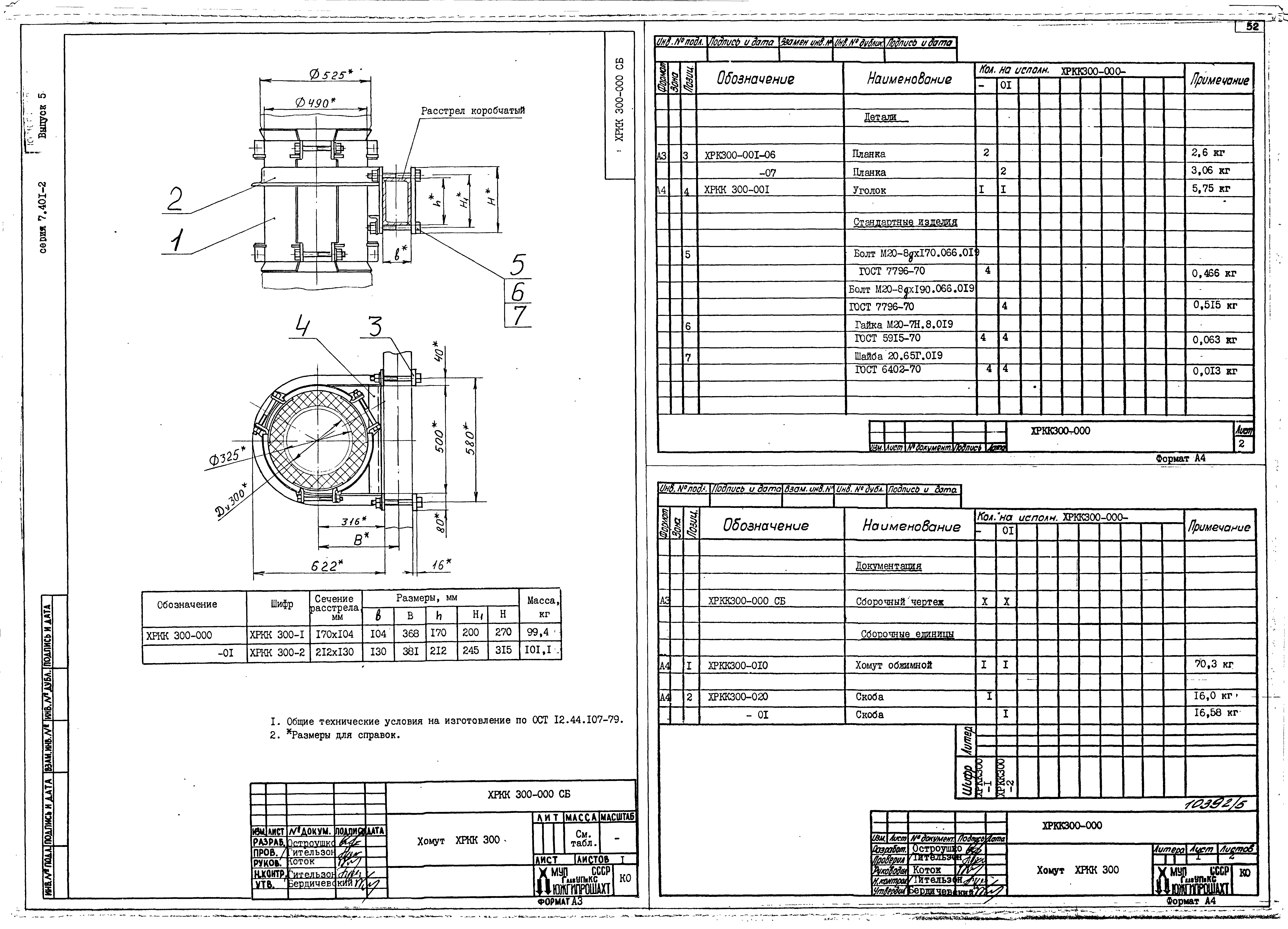
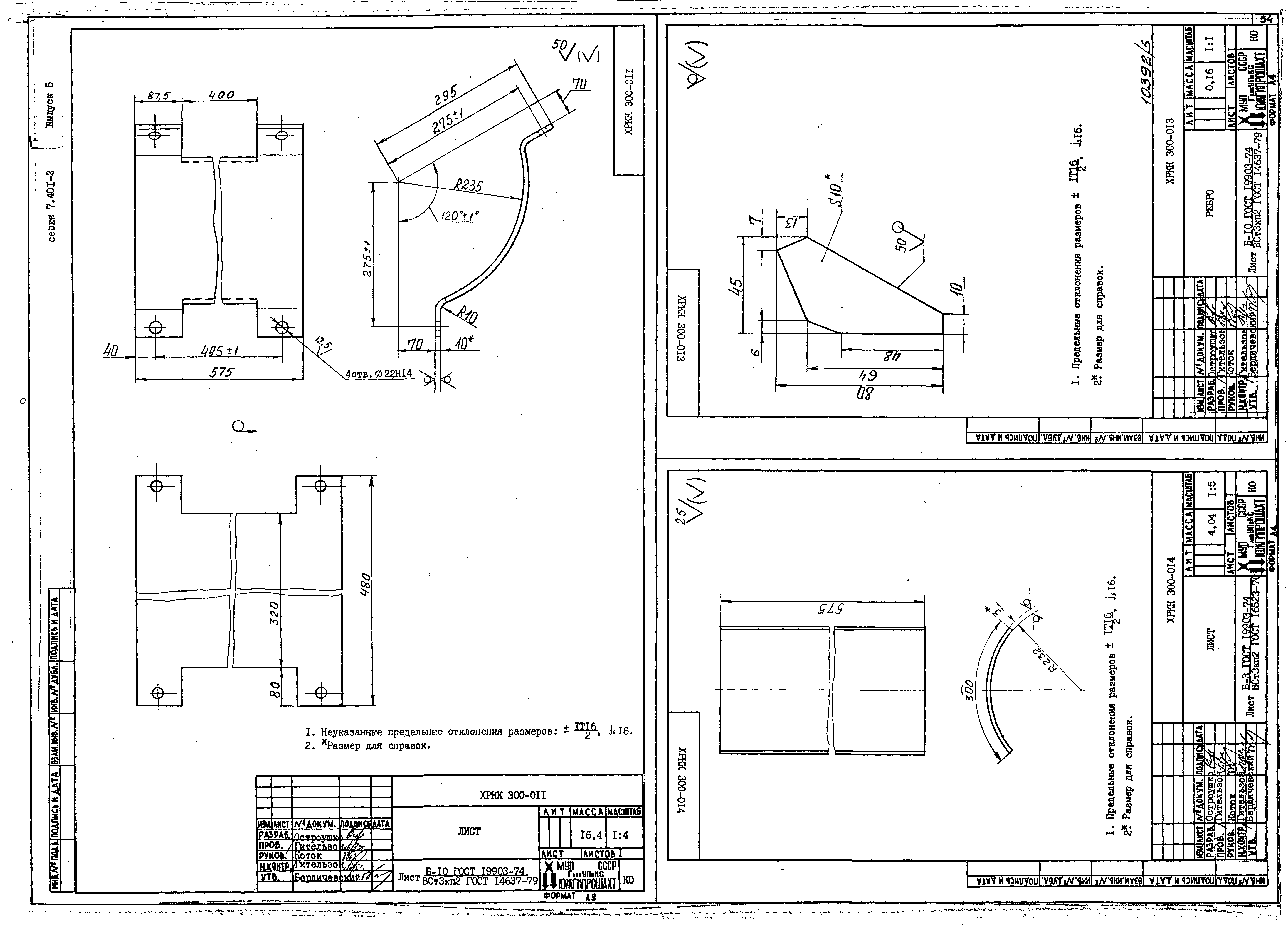
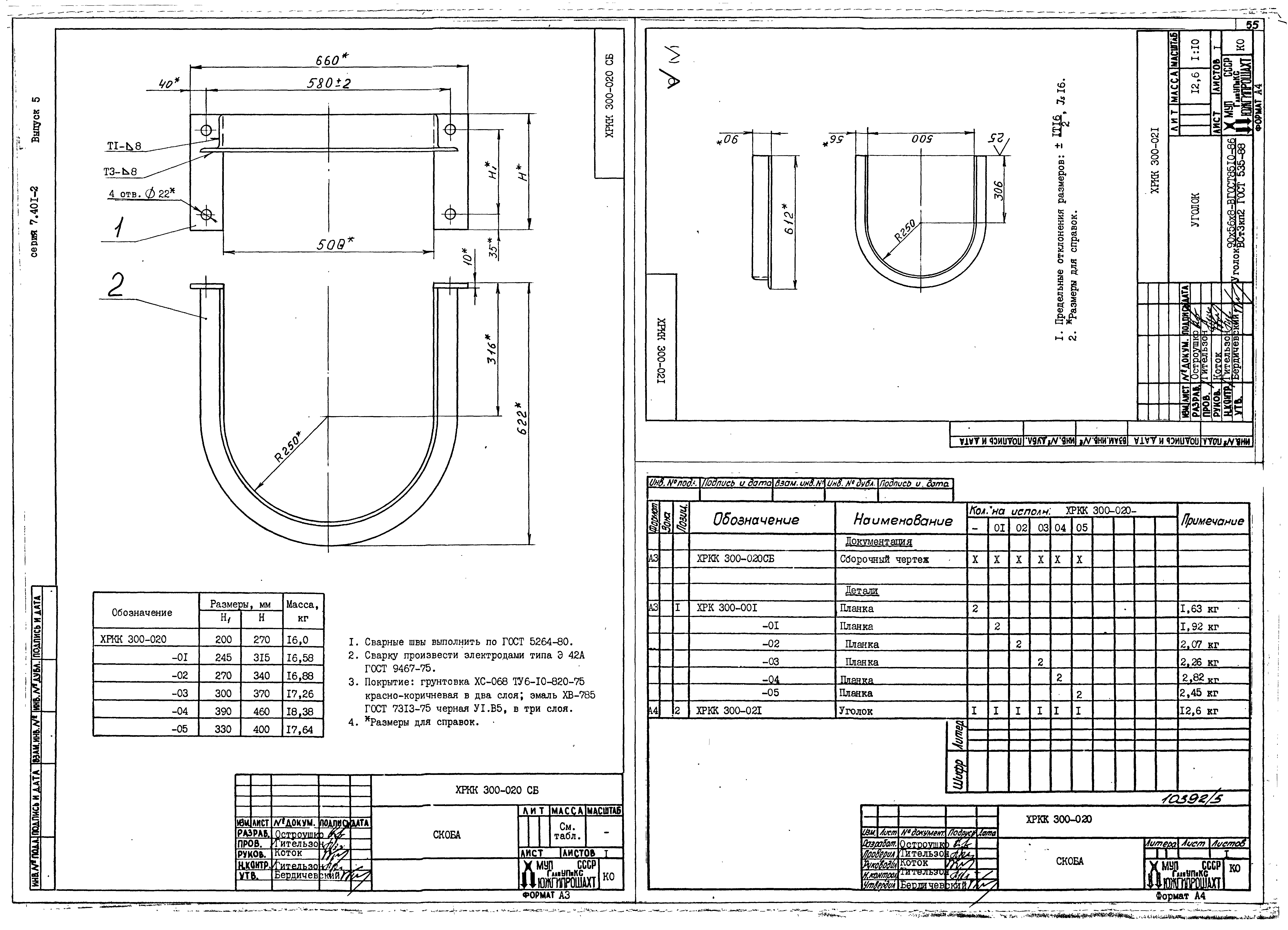
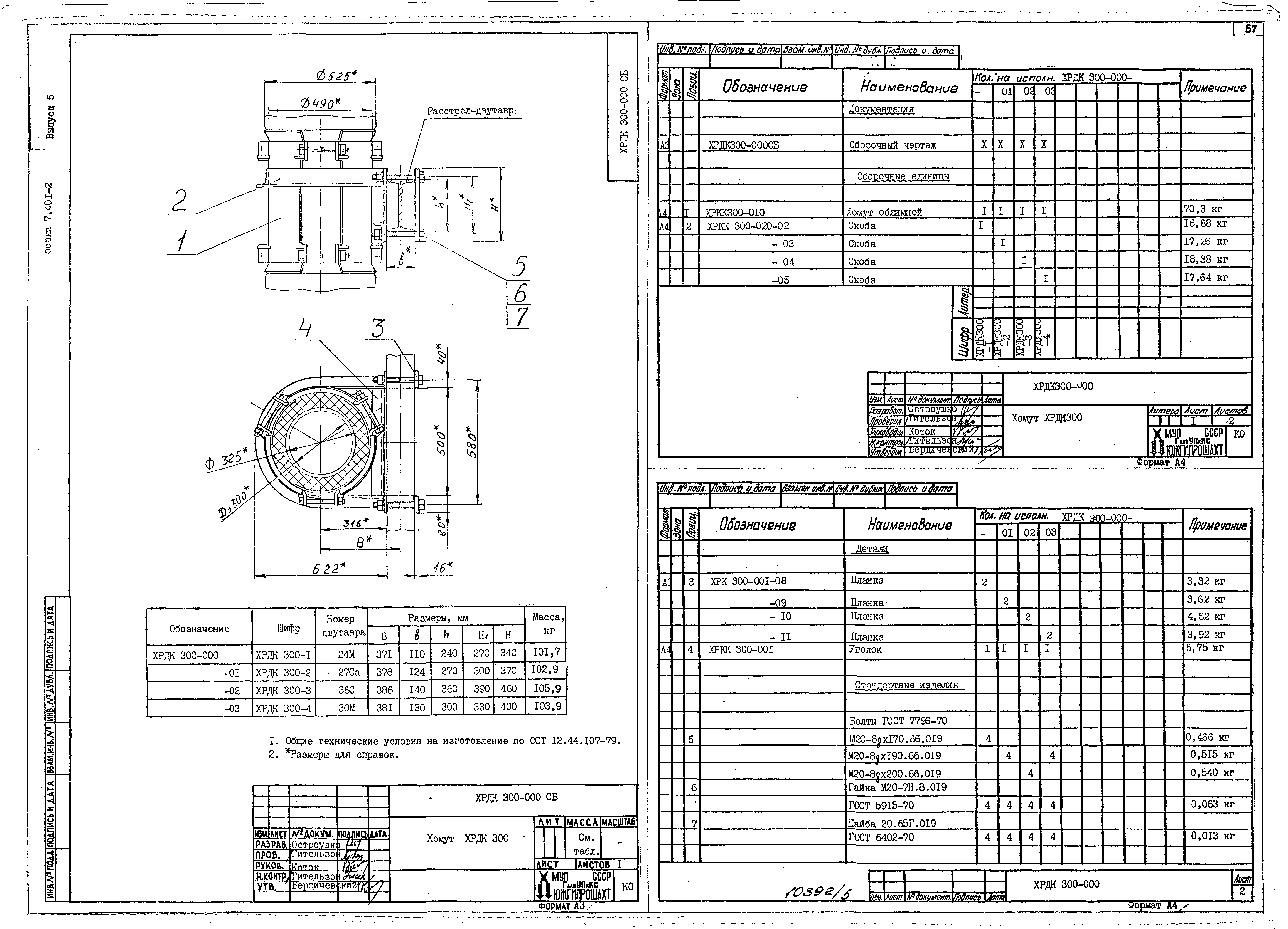
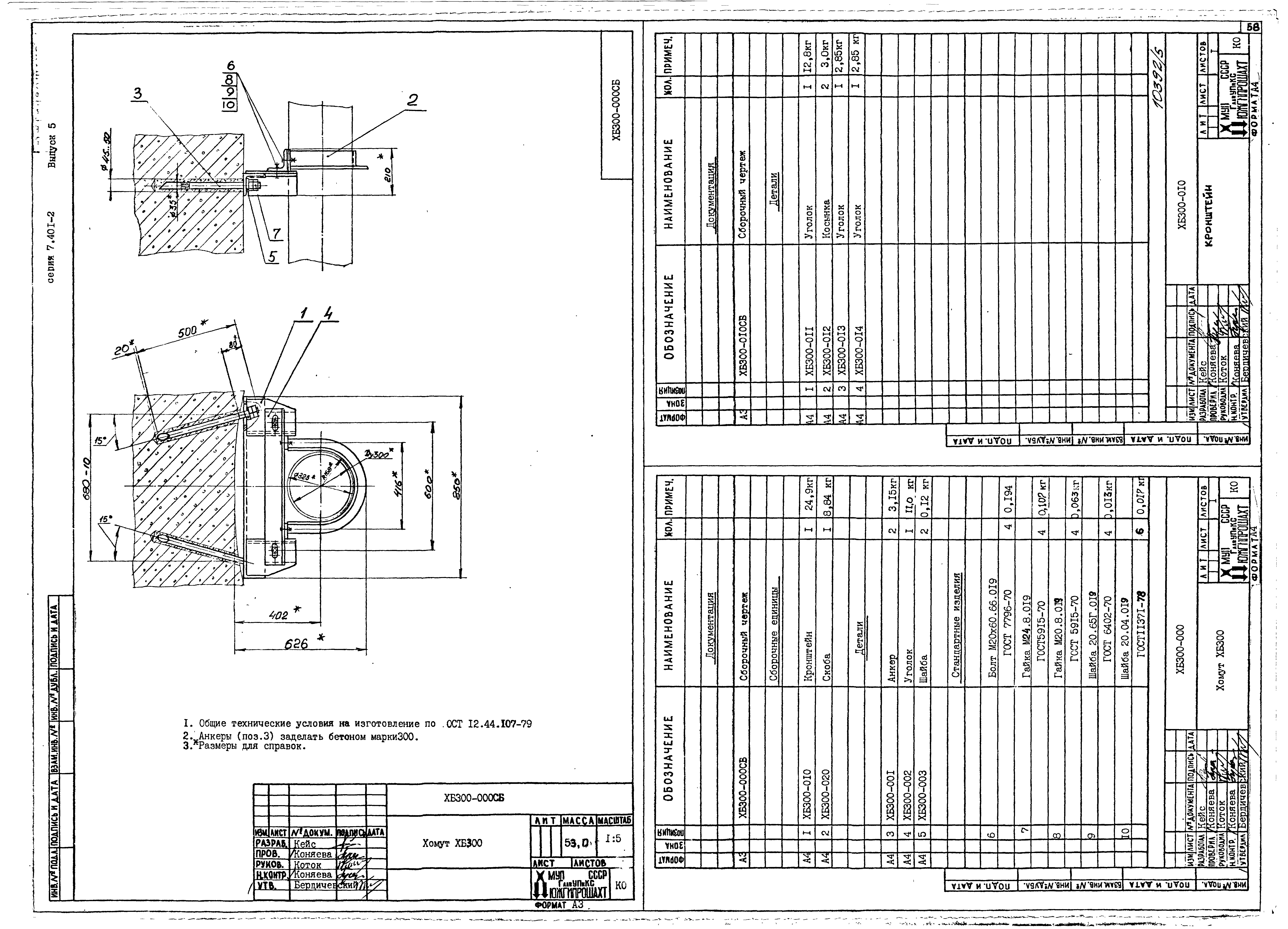
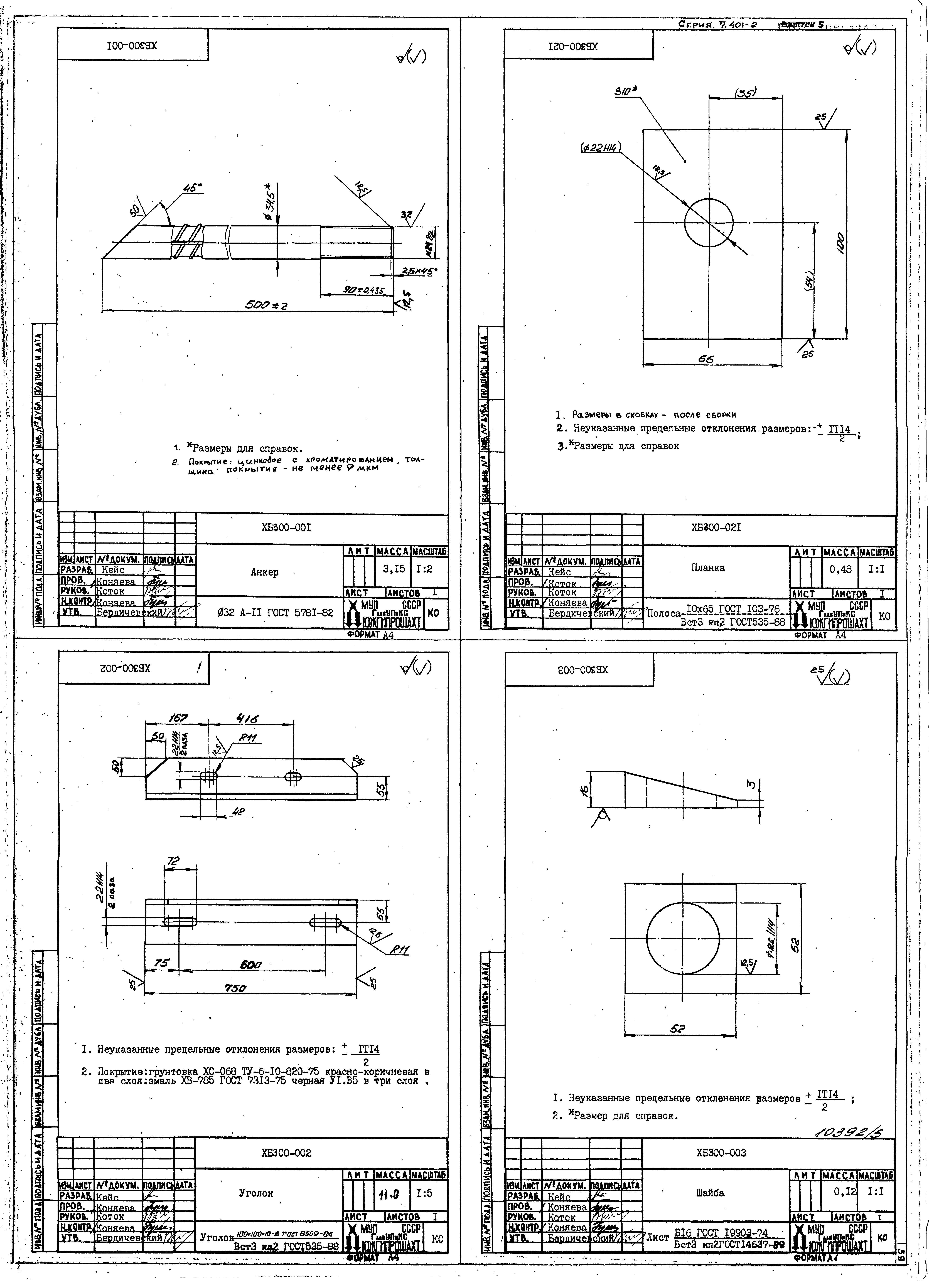
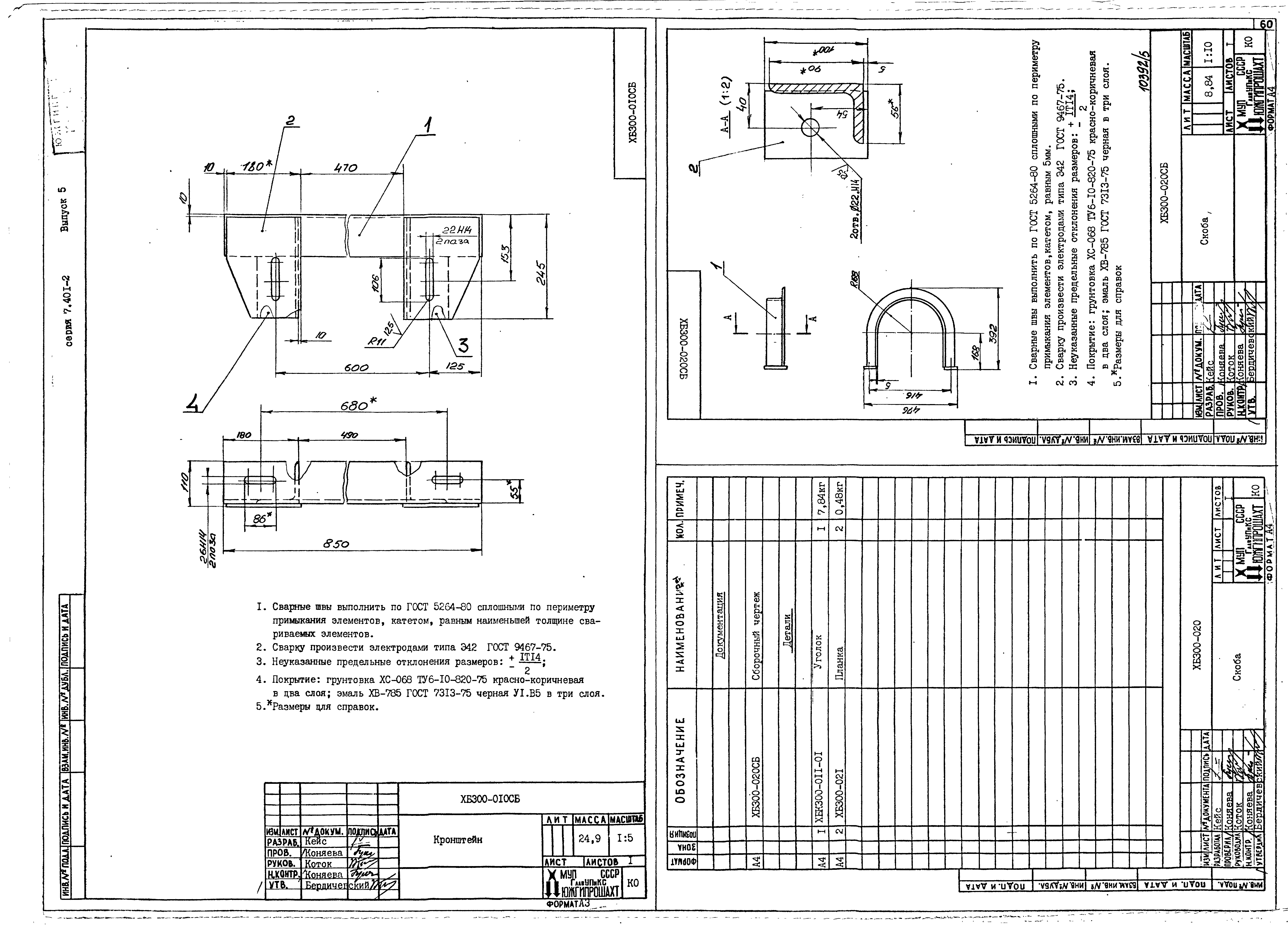
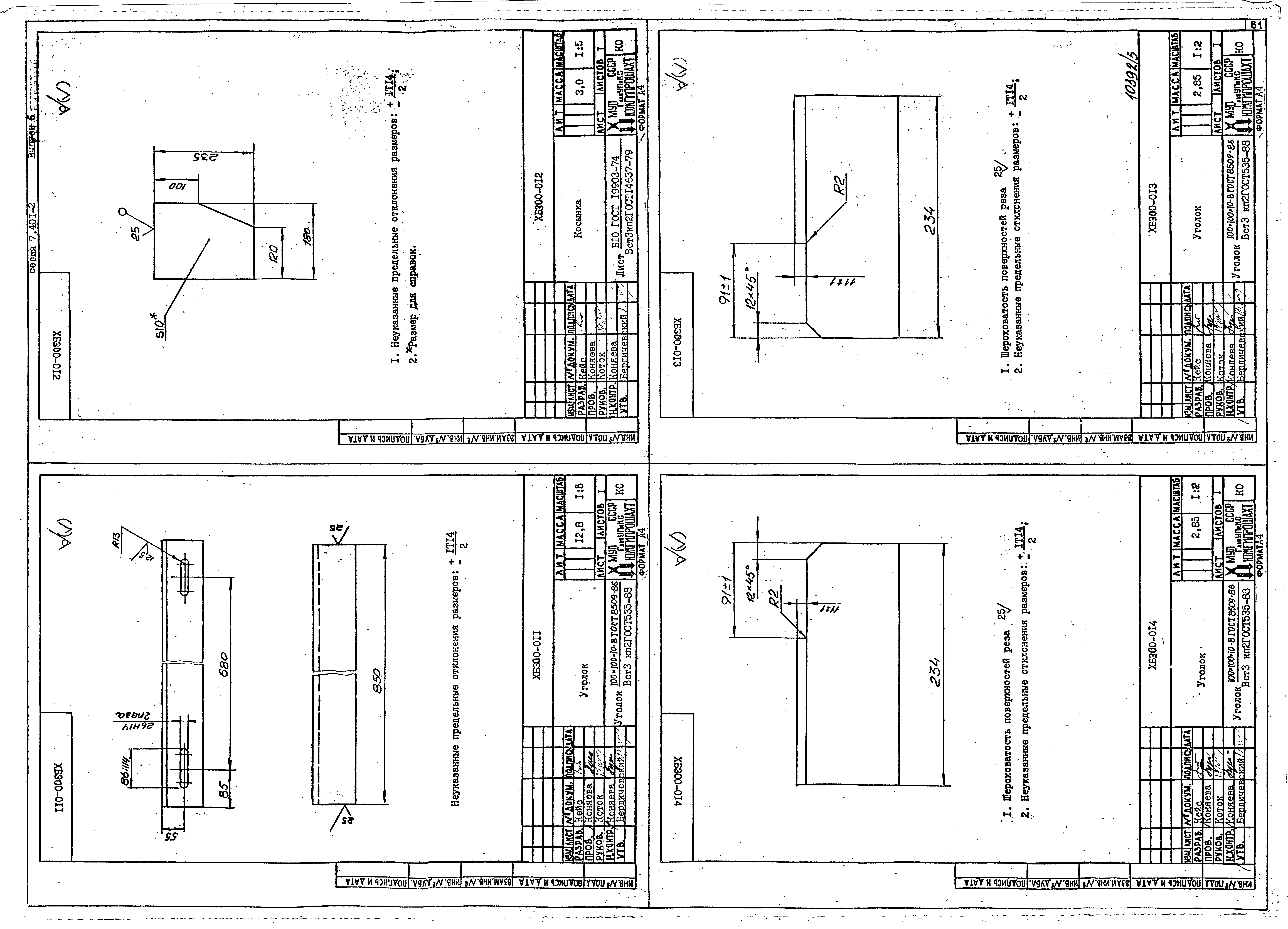
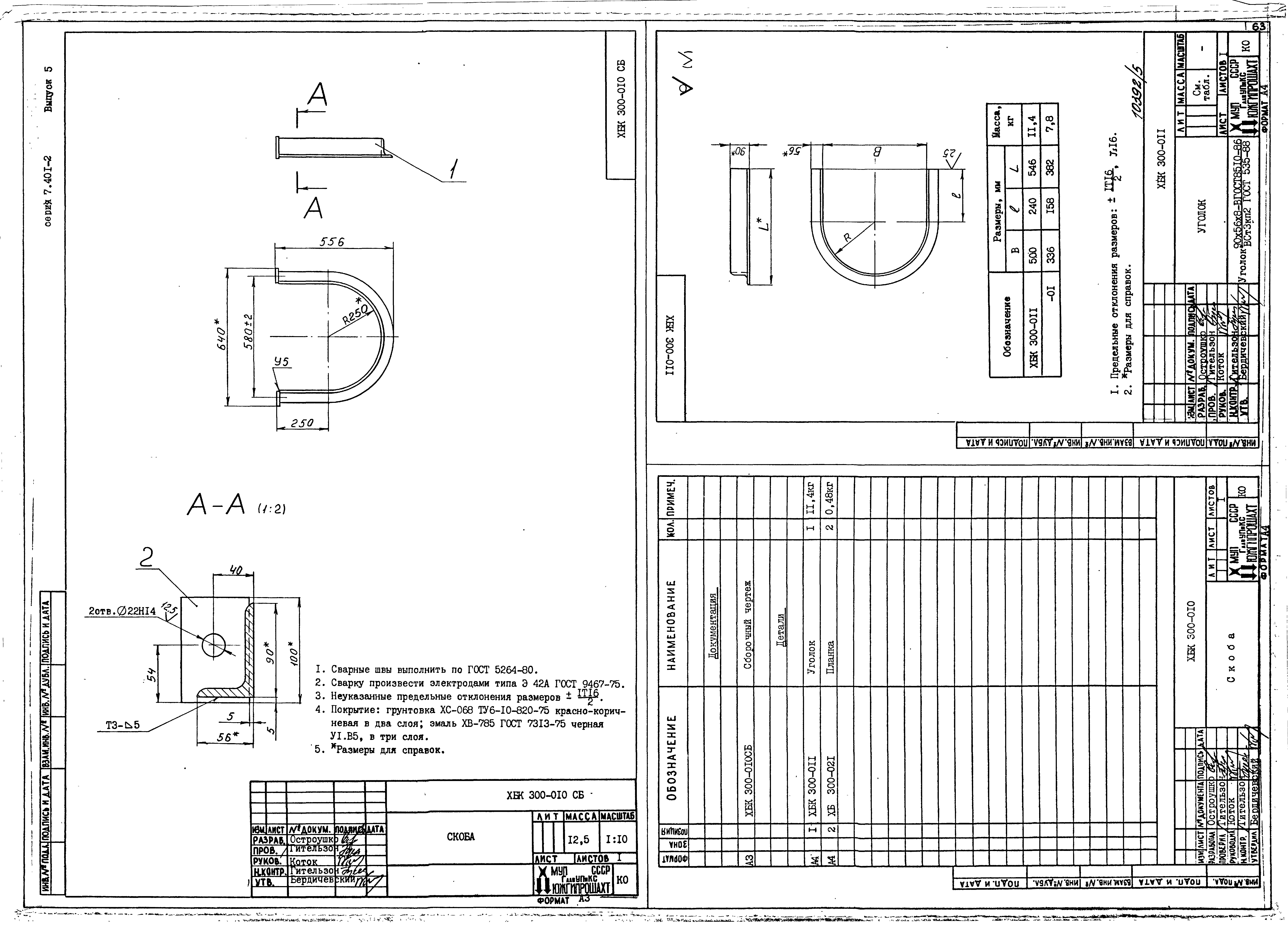
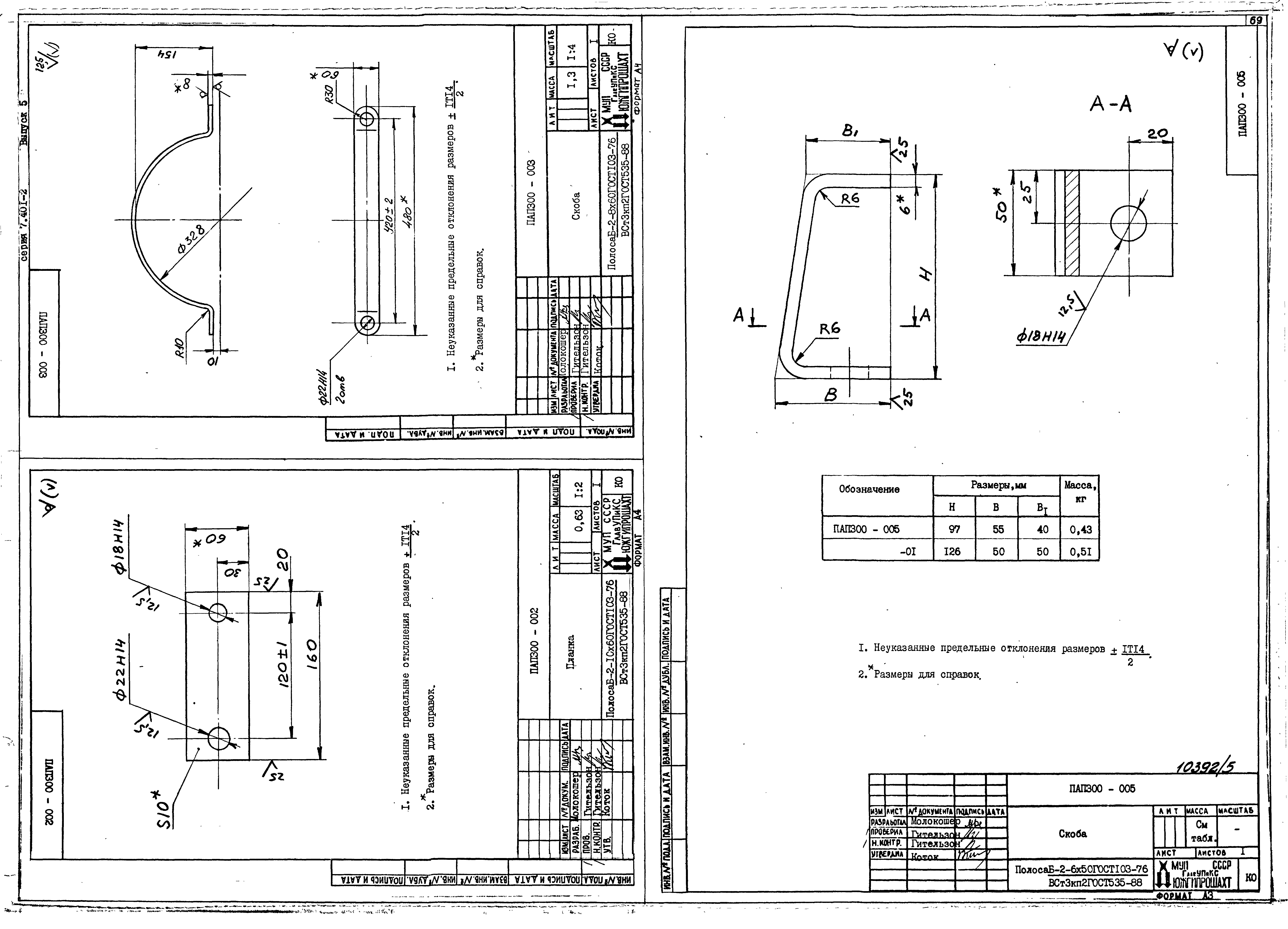
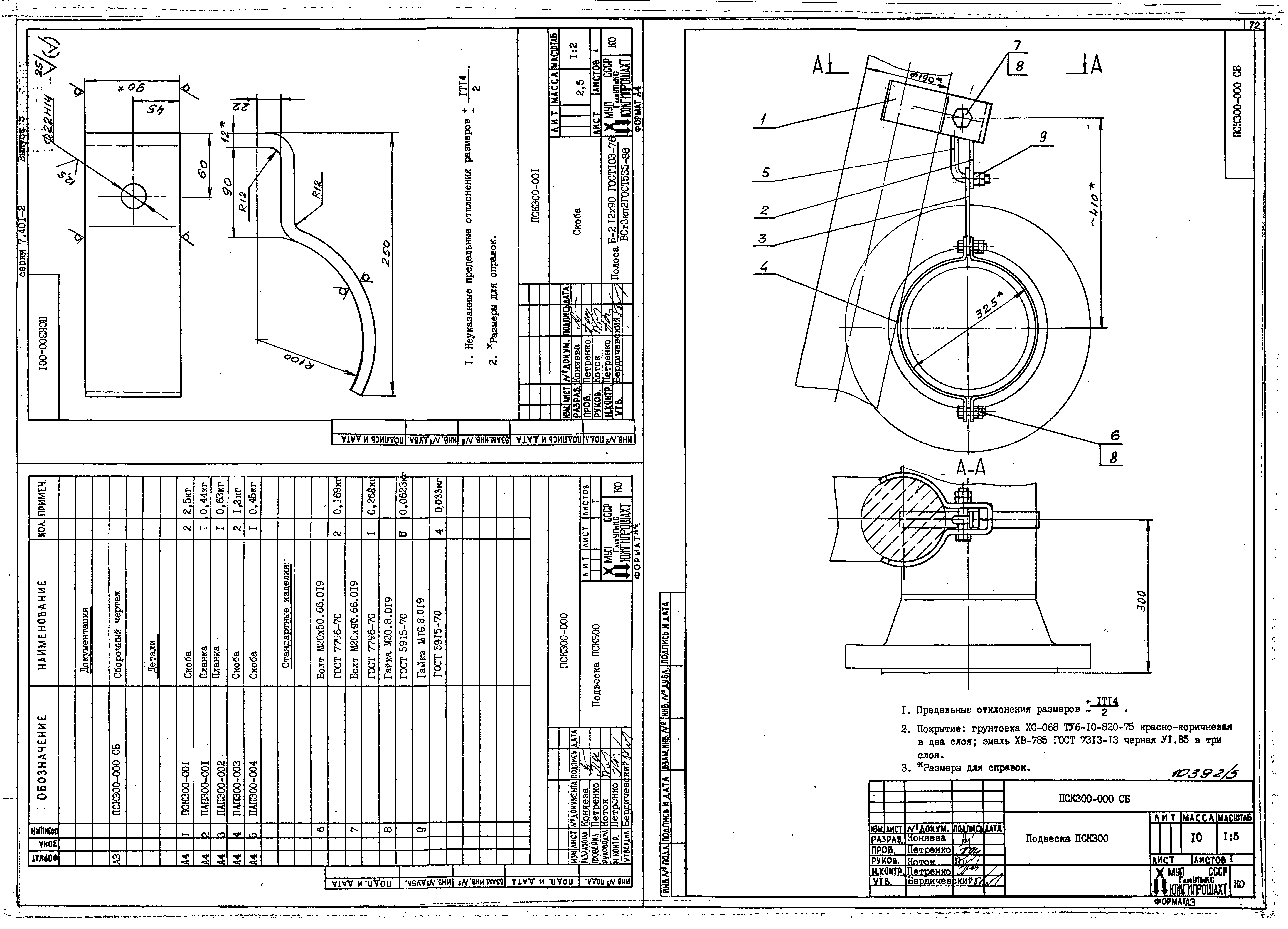
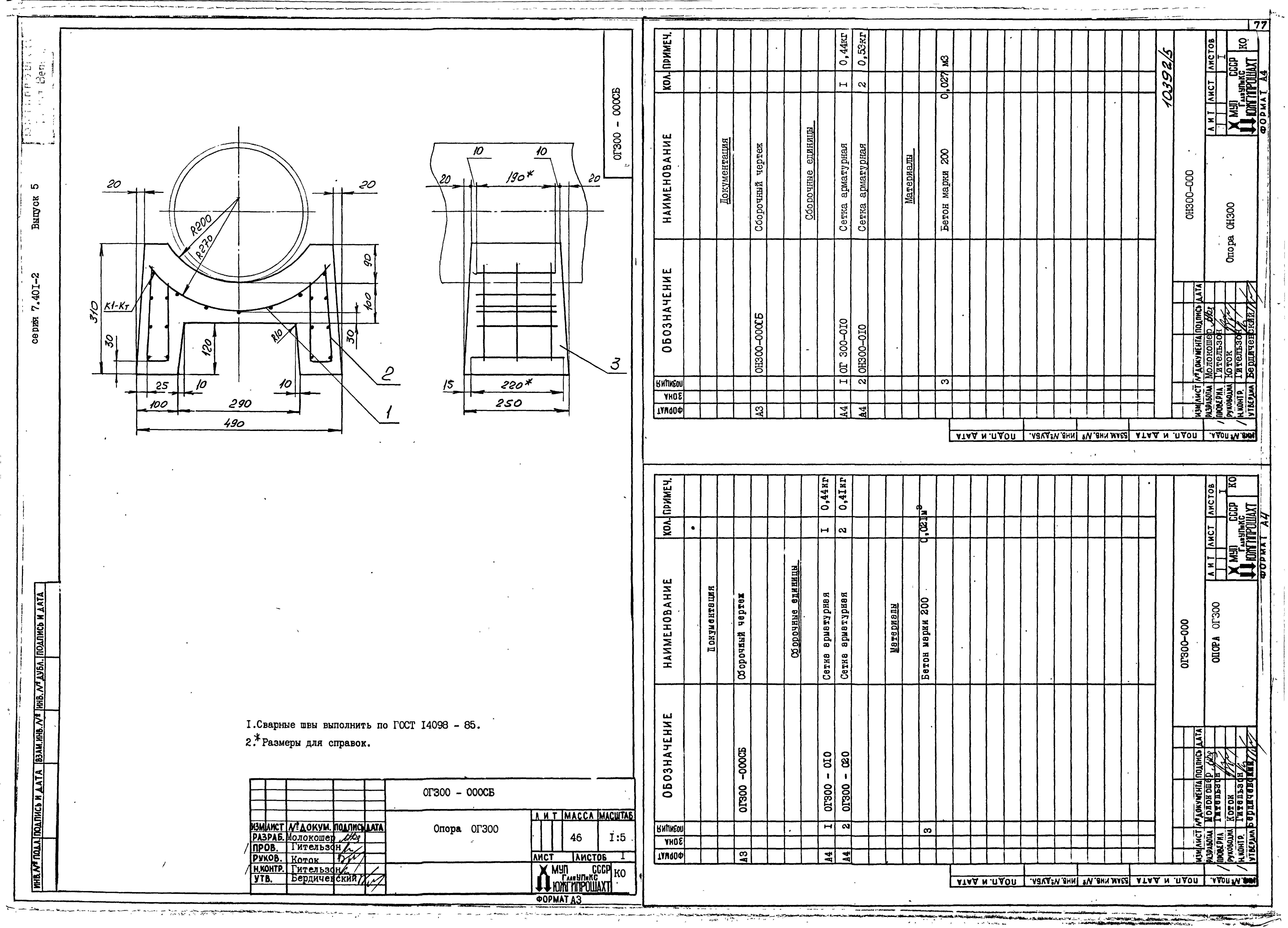
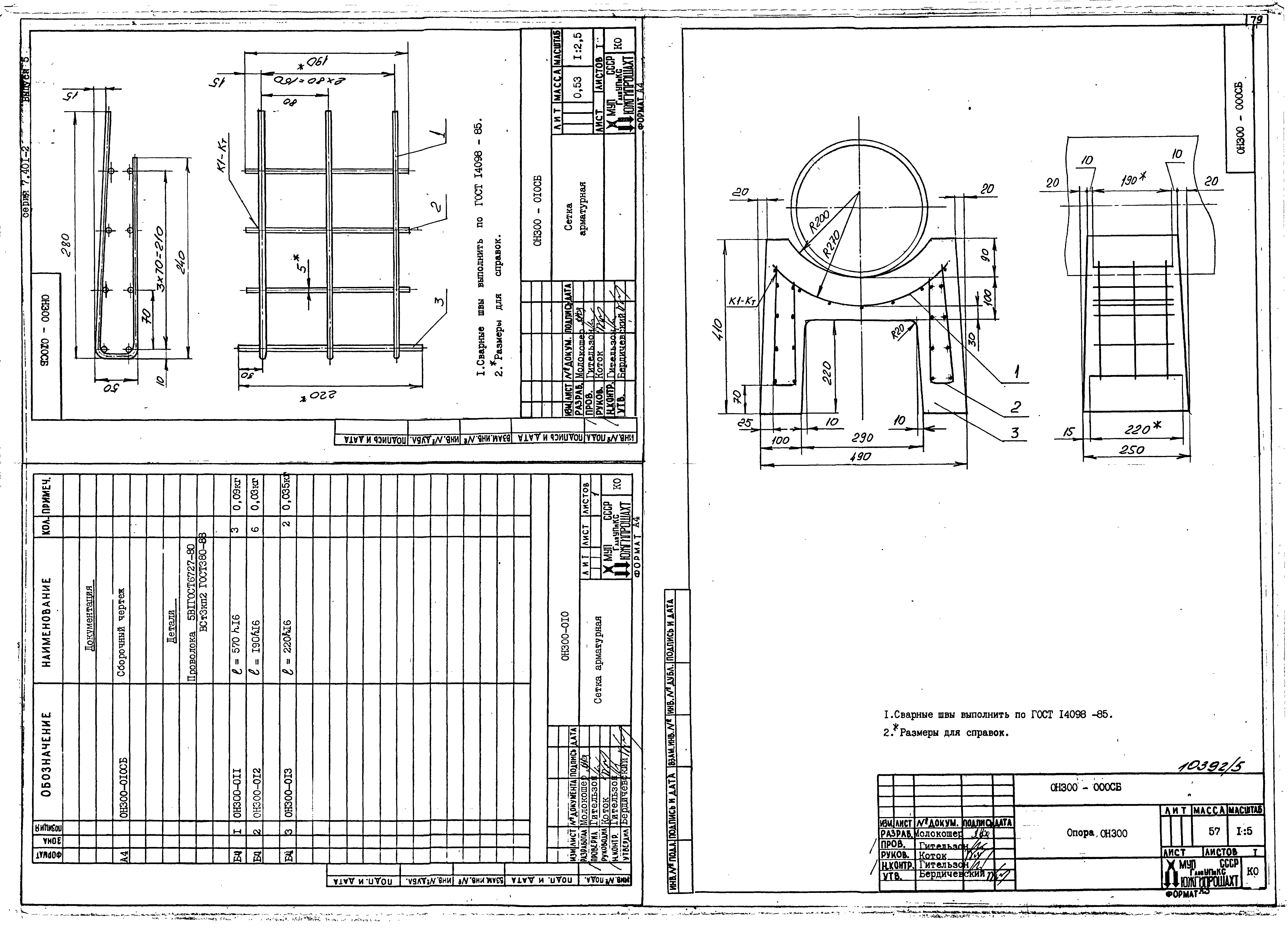
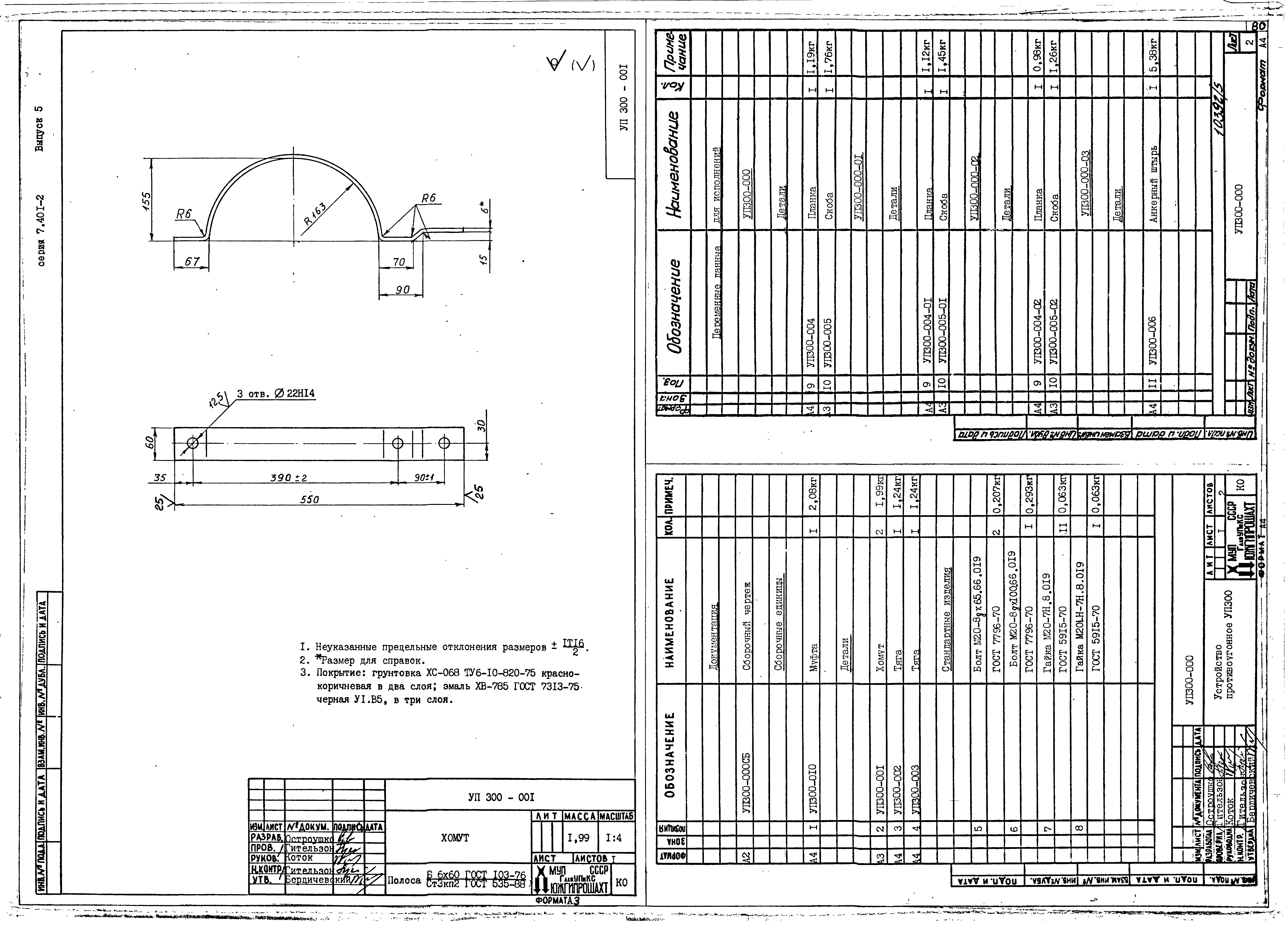
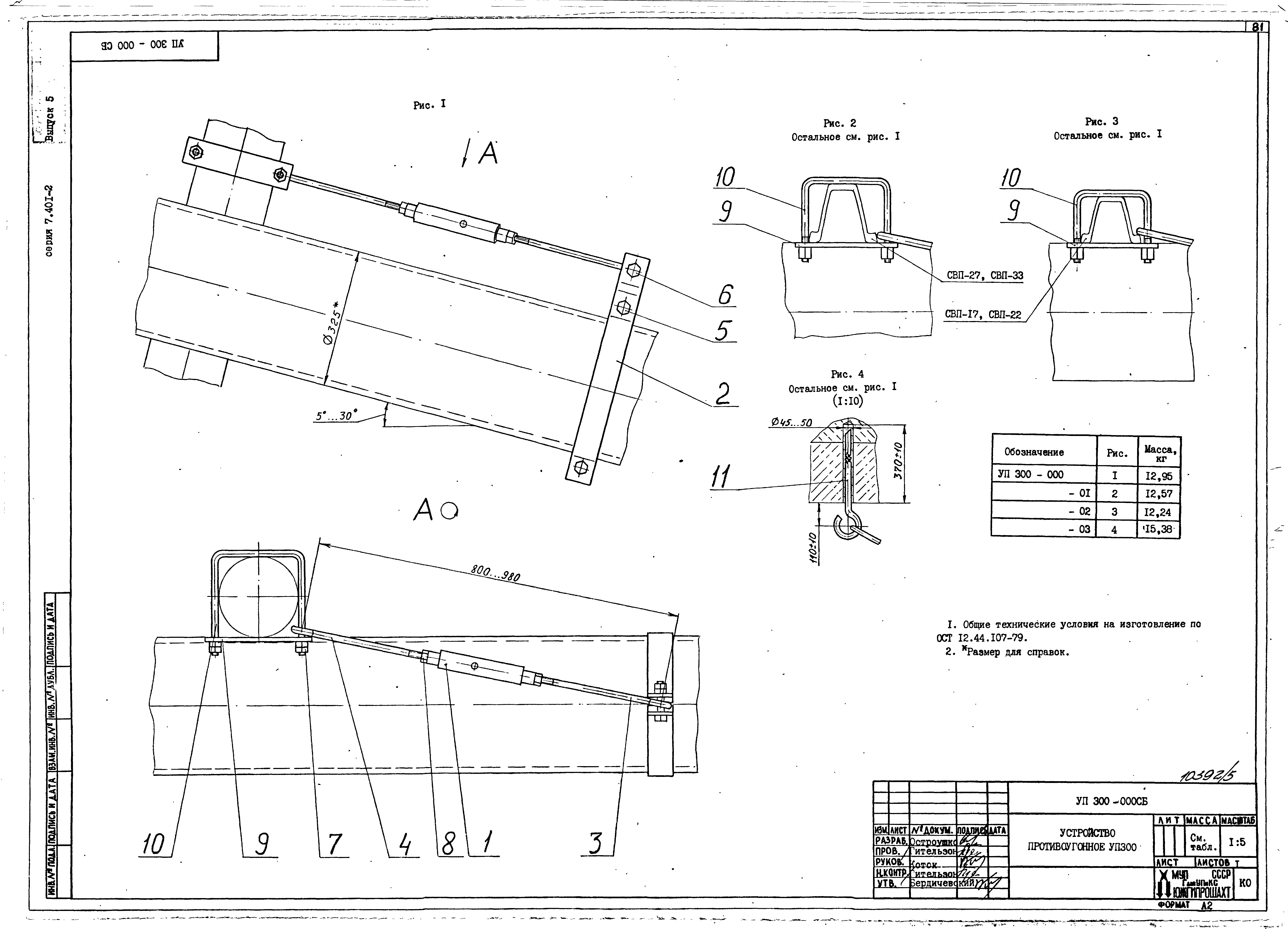
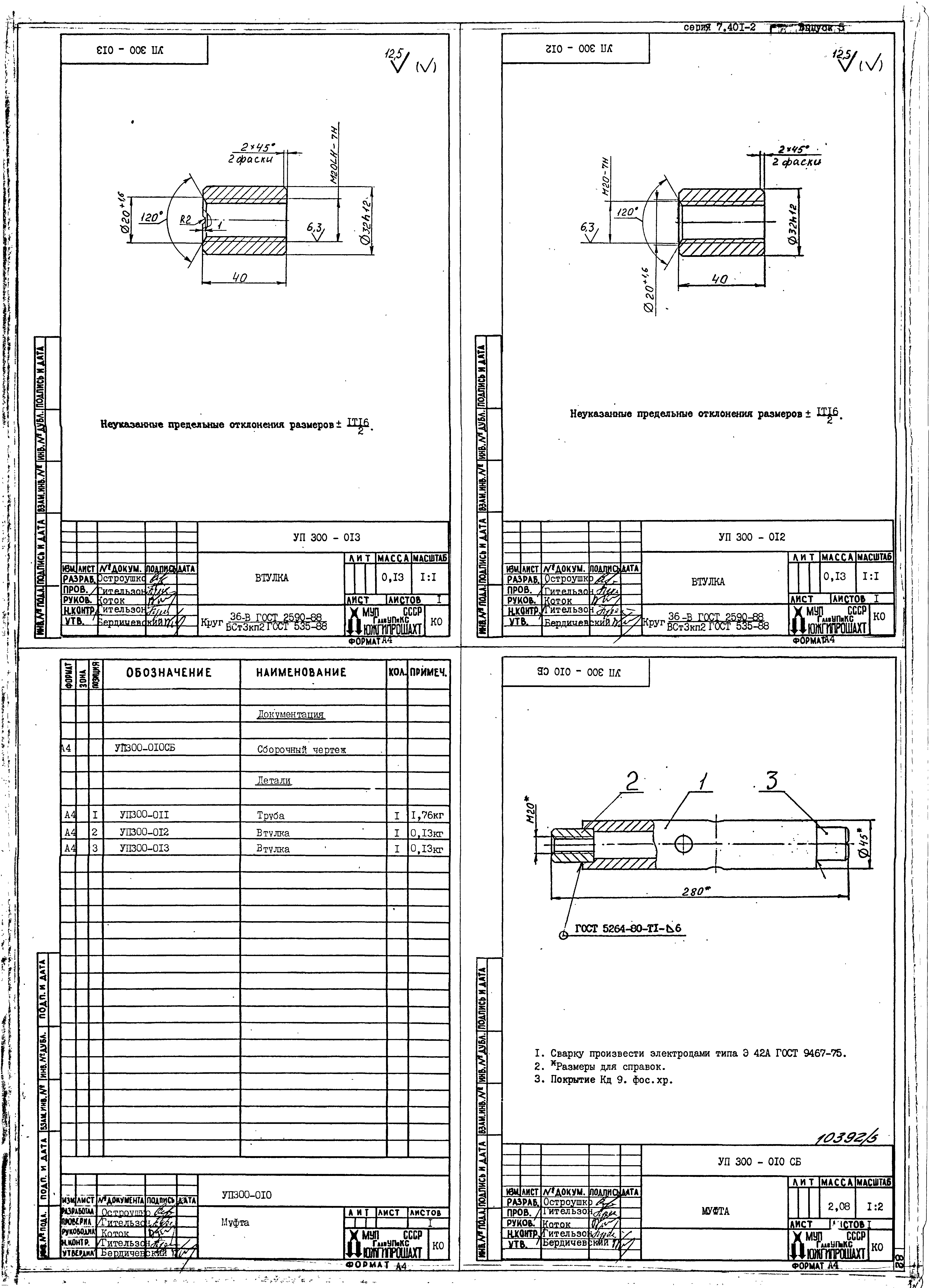
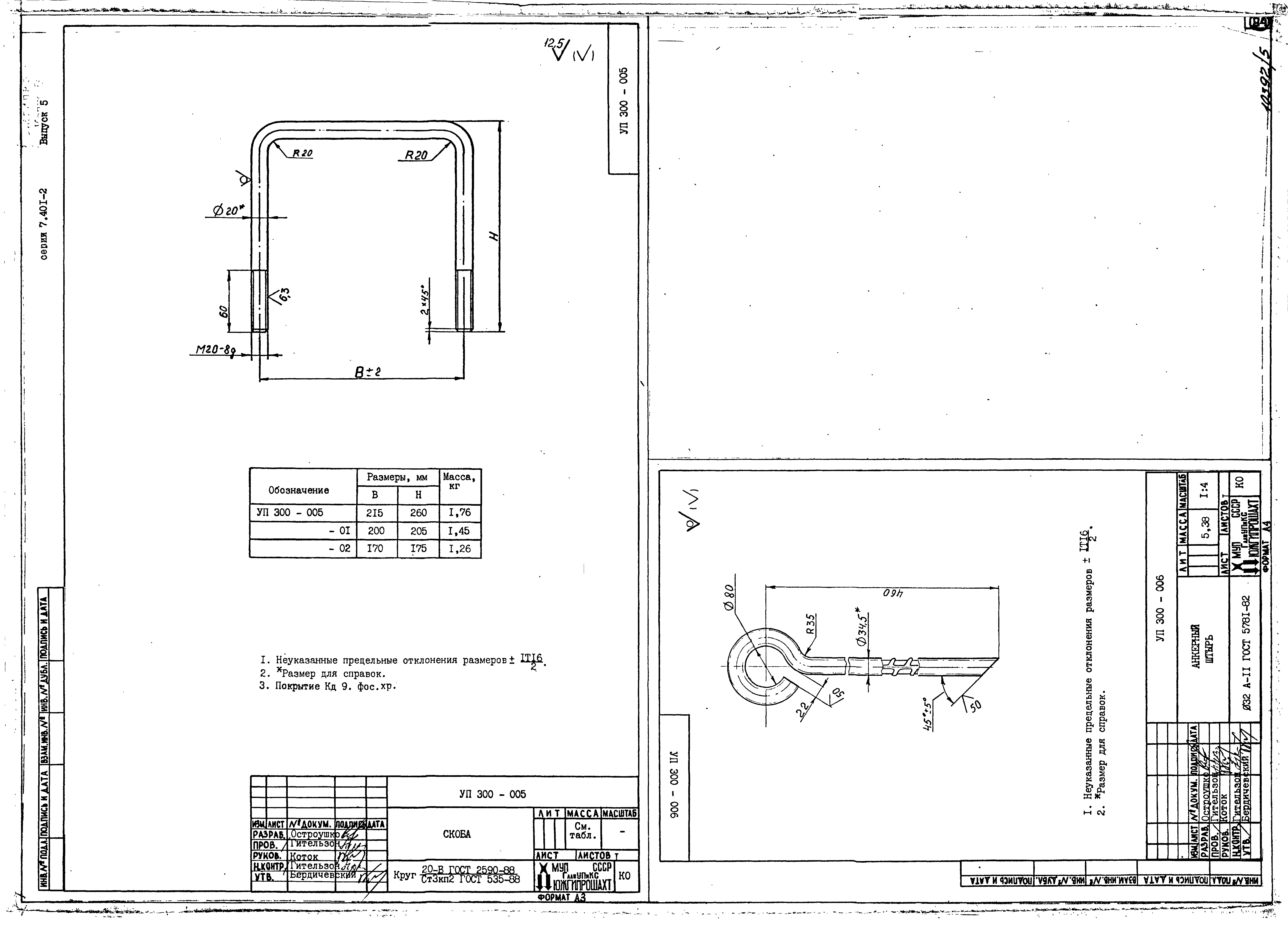
| Оглавление: | Содержание ПЗ Пояснительная записка 1ФС300-000 Фланцы Ду300 стальные свободные на приварном кольце 2ФС300-000 Фланцы Ду300 с выступом или впадиной свободные на приварном кольце 3ФС300-000 Фланцы Ду300 с выступом или впадиной свободные на приварном бурте ФП300-001 Фланцы Ду300 с выступом или впадиной стальные приварные встык 1СОУ300-000 Стул опорный Ду300 Ру 1,0; 1,6; 2,5 МПа узкий 2СОУ300-000 Стул опорный Ду300 Ру 4,0; 6,3 МПа узкий 3СОУ300-000 Стул опорный Ду300 Ру 10; 16 МПа узкий 1СОШ300-000 Стул опорный Ду300 Ру 1,0; 1,6; 2,5 МПа широкий 2СОШ300-000 Стул опорный Ду300 Ру 4,0; 6,3 МПа широкий 3СОШ300-000 Стул опорный Ду300 Ру 10; 16 МПа широкий 1КО300-000 Колено опорное Ду300 Ру 1,0; 1,6; 2,5 МПа 2КО300-000 Колено опорное Ду300 Ру 4,0; 6,3 МПа 3КО300-000 Колено опорное Ду300 Ру 10 МПа 4КО300-000 Колено опорное Ду300 Ру 16 МПа 1К300-000 Компенсатор Ду300 Ру 1,0; 1,6; 2,5 МПа 2К300-000 Компенсатор Ду300 Ру 4,0; 6,3 МПа 3К300-000 Компенсатор Ду300 Ру 10; 16 МПа ХРК300-000 Хомут ХРК 300 ХРКК300-000 Хомут ХРКК 300 ХРД300-000 Хомут ХРД 300 ХРДК300-000 Хомут ХРДК 300 ХБ300-000 Хомут ХБ 300 ХБК300-000 Хомут ХБК 300 ХТШ300-000 Хомут ХТШ 300 ХТШК300-000 Хомут ХТШК 300 ПАП300-000 Подвеска ПАП 300 ПАКП300-000 Подвеска ПАКП 300 ПСК300-000 Подвеска ПСК 300 ПВ300-000 Подвеска ПВ 300 ПБ300-000 Подвеска ПБ 300 ПШ300-000 Подвеска ПШ 300 ОГ300-000 Опоры ОГ 300 ОН300-000 Опоры ОН 300 УП300-000 Устройство противоугонное УП 300 |
| Разработан: | Южгипрошахт Минуглепрома СССР |
| Утверждён: | 25.10.1990 Минуглепром СССР (USSR Minugleprom 3-35-18/1079) |
| Издан: | Госстрой СССР (1991 г. ) |
| Заменяет собой: |
|




















































































