Скачать Серия 1.133.1-7 Выпуск 1-2. Легкобетонные блоки для стен толщиной 400 мм. Арматурные и закладные изделия. Рабочие чертежиДата актуализации: 01.01.2021
|
| Обозначение: | Серия 1.133.1-7 |
| Обозначение англ: | Series 1.133.1-7 |
| Статус: | не действует |
| Название рус.: | Выпуск 1-2. Легкобетонные блоки для стен толщиной 400 мм. Арматурные и закладные изделия. Рабочие чертежи |
| Дата добавления в базу: | 01.09.2013 |
| Дата актуализации: | 01.01.2021 |
| Дата введения: | 20.06.1986 |
| Дата окончания срока действия: | 01.05.1999 |
| Область применения: | Настоящее техническое описание разработано для арматурных и закладных изделий легкобетонных блоков для наружных стен толщиной 40 см, представленных в выпуске 1-1 "Легкобетонные блоки для стен толщиной 400 мм" серии 1.133.1-7 "Блоки наружных стен для жилых зданий высотой 1 - 4 этажа и общественных зданий высотой 1 - 3 этажа". В настоящем выпуске даны пространственные каркасы и изделия к ним для изготовления перемычечных, поясных и парапетных блоков |
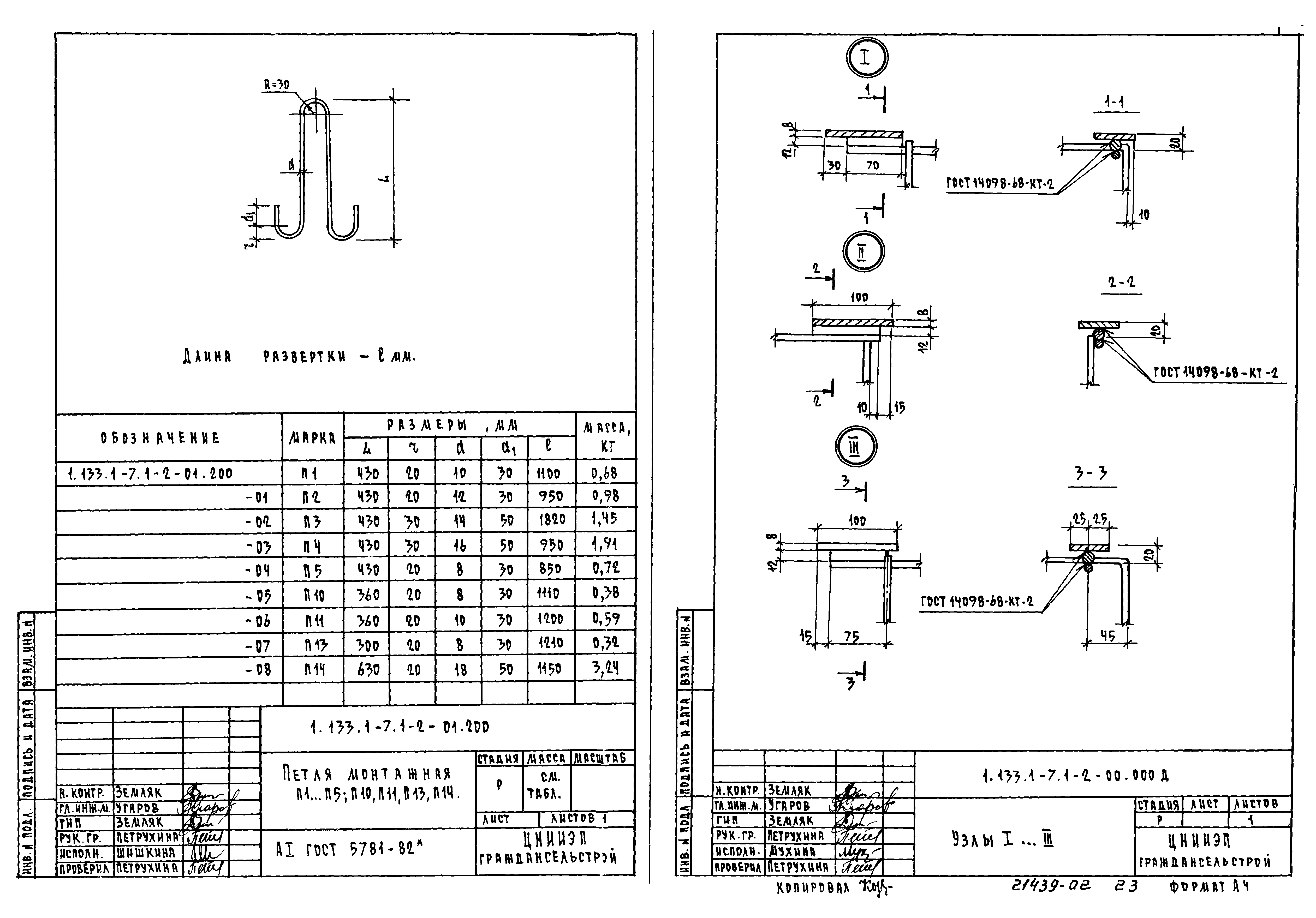
| Оглавление: | 1.133.1-7.1-2-00.000 ТО Техническое описание 1.133.1-7.1-2-09.100 Каркас пространственный КП1 - КП16 1.133.1-7.1-2-09.100 СБ Каркас пространственный КП1 - КП16. Сборочный чертеж 1.133.1-7.1-2-11.100 Каркас пространственный КП17 1.133.1-7.1-2-11.100 СБ Каркас пространственный КП17. Сборочный чертеж 1.133.1-7.1-2-24.100 Каркас пространственный КП18, КП19 1.133.1-7.1-2-24.100 СБ Каркас пространственный КП18, КП19. Сборочный чертеж 1.133.1-7.1-2-27.100 Каркас пространственный КП20, КП21 1.133.1-7.1-2-27.100 СБ Каркас пространственный КП20, КП21. Сборочный чертеж 1.133.1-7.1-2-01.100 Каркас плоский КР1, КР2 1.133.1-7.1-2-01.100 СБ Каркас плоский КР1, КР2. Сборочный чертеж 1.133.1-7.1-2-09.110 Сетка С1 - С12 1.133.1-7.1-2-09.120 Сетка С13 - С28 1.133.1-7.1-2-09.110 СБ Сетка С1 - С12. Сборочный чертеж 1.133.1-7.1-2-09.120 СБ Сетка С13 - С28. Сборочный чертеж 1.133.1-7.1-2-11.110 Сетка С29 1.133.1-7.1-2-11.120 Сетка С30 1.133.1-7.1-2-24.110 Сетка С31, С32 1.133.1-7.1-2-24.120 Сетка С33, С34 1.133.1-7.1-2-25.110 Сетка С35 1.133.1-7.1-2-27.110 Сетка С36, С37 1.133.1-7.1-2-27.120 Сетка С38, С39 1.133.1-7.1-2-30.100 Сетка С40 1.133.1-7.1-2-04.100 Изделие закладное МН-1 1.133.1-7.1-2-11.200 Изделие закладное МН-2 1.133.1-7.1-2-23.100 Изделие закладное МН-3 1.133.1-7.1-2-30.300 Изделие закладное МН-6 1.133.1-7.1-2-30.200 Изделие закладное МН-4, МН-5 1.133.1-7.1-2-01.200 Петля монтажная П1 - П5; П10; П11; П13; П14 1.133.1-7.1-2-00.000 Д Узлы I - III 1.133.1-7.1-2-01.300 Петля монтажная П6 - П9; П12 1.133.1-7.1-2-01.300 СБ Петля монтажная П6 - П9; П12. Сборочный чертеж |
| Разработан: | ЦНИИЭП граждансельстрой |
| Утверждён: | 30.05.1986 Госгражданстрой (Gosgrazhdanstroy 183) |
| Заменяет собой: | |
| Нормативные ссылки: |
|
























