Скачать Серия 1.232-3 Выпуск 7. Панели толщиной 120 мм с обрамлением наружных обшивок алюминиевым профилем с двойным остеклением оконных блоковДата актуализации: 01.01.2021
|
| Обозначение: | Серия 1.232-3 |
| Обозначение англ: | Series 1.232-3 |
| Статус: | не действует |
| Название рус.: | Выпуск 7. Панели толщиной 120 мм с обрамлением наружных обшивок алюминиевым профилем с двойным остеклением оконных блоков |
| Дата добавления в базу: | 01.09.2013 |
| Дата актуализации: | 01.01.2021 |
| Дата введения: | 01.06.1976 |
| Дата окончания срока действия: | 01.05.1999 |
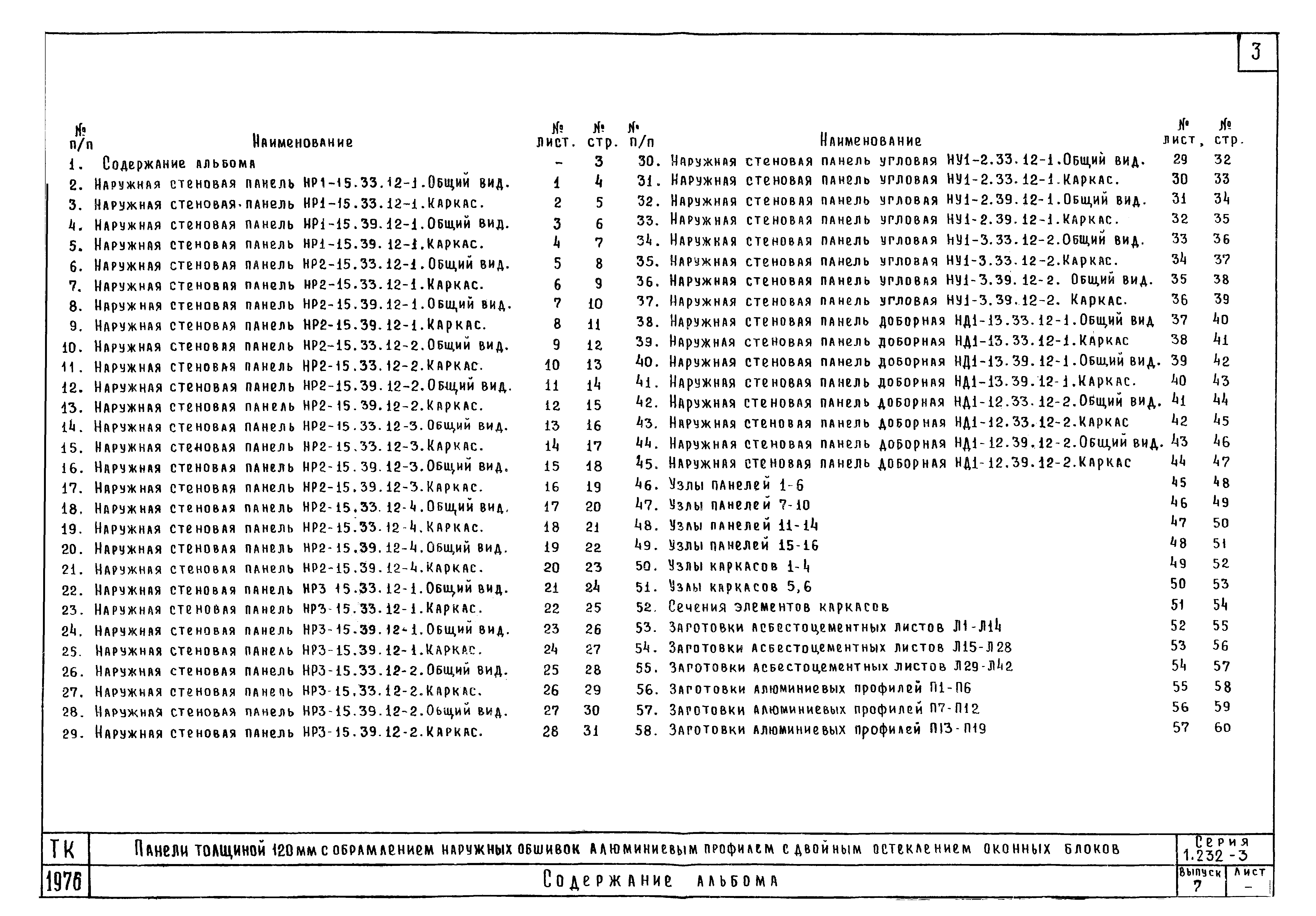
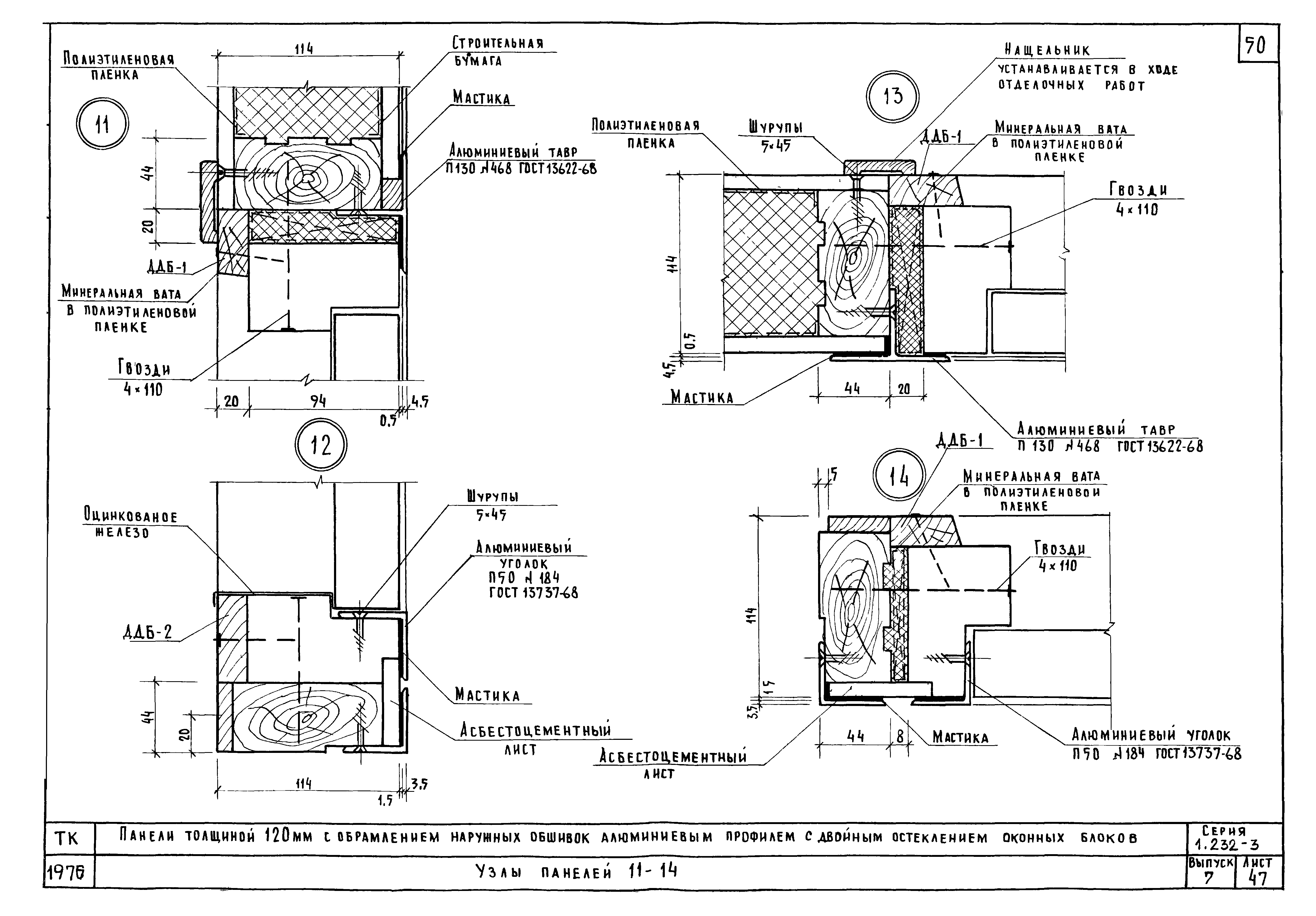
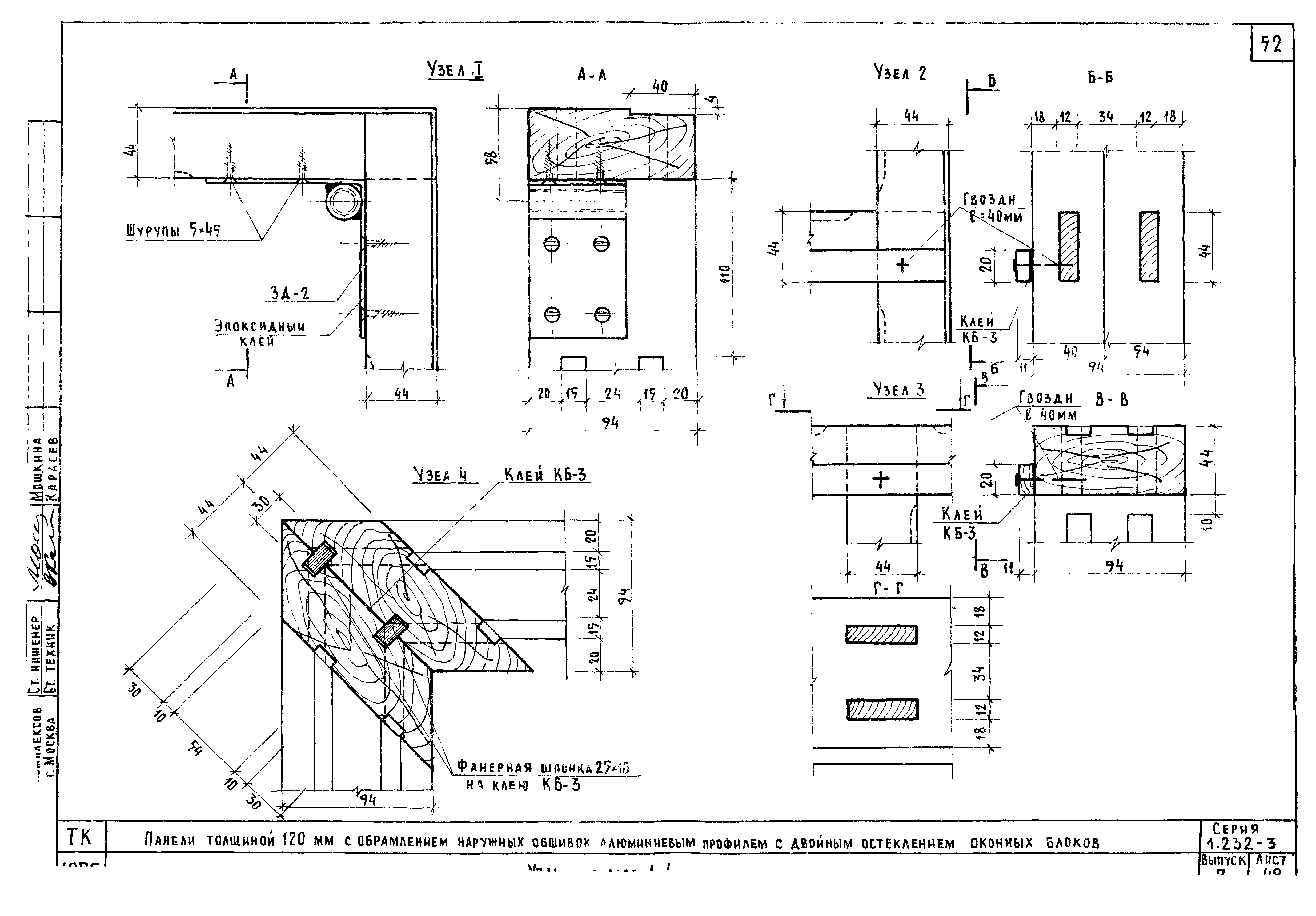
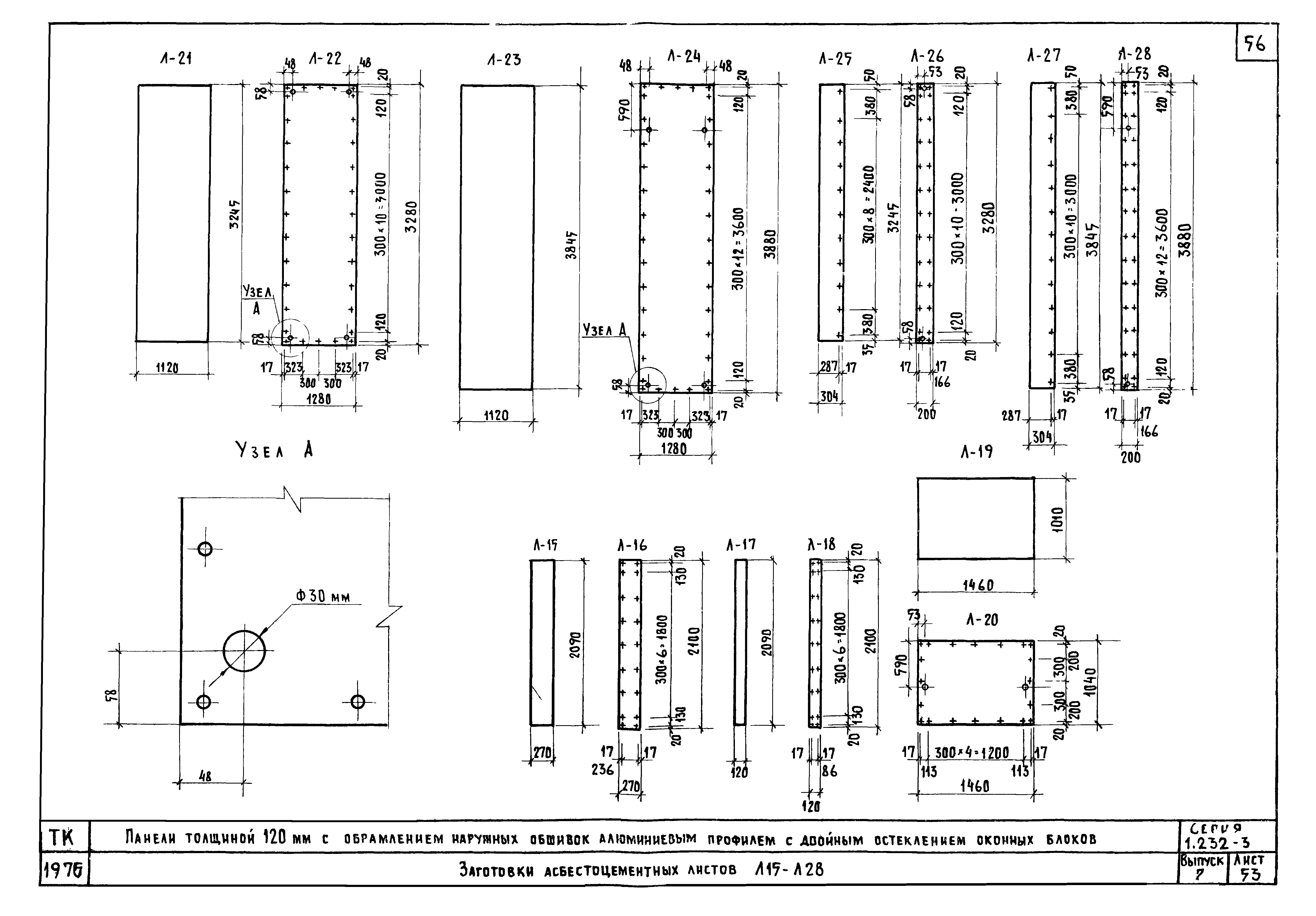
| Оглавление: | Содержание альбома Наружная стеновая панель НР1-15.33.12-1. Общий вид Наружная стеновая панель НР1-15.33.12-1. Каркас Наружная стеновая панель НР1-15.39.12-1. Общий вид Наружная стеновая панель НР1-15.39.12-1. Каркас Наружная стеновая панель НР2-15.33.12-1. Общий вид Наружная стеновая панель НР2-15.33.12-1. Каркас Наружная стеновая панель НР2-15.39.12-1. Общий вид Наружная стеновая панель НР2-15.39.12-1. Каркас Наружная стеновая панель НР2-15.33.12-2. Общий вид Наружная стеновая панель НР2-15.33.12-2. Каркас Наружная стеновая панель НР2-15.39.12-2. Общий вид Наружная стеновая панель НР2-15.39.12-2. Каркас Наружная стеновая панель НР2-15.33.12-3. Общий вид Наружная стеновая панель НР2-15.33.12-3. Каркас Наружная стеновая панель НР2-15.39.12-3. Общий вид Наружная стеновая панель НР2-15.39.12-3. Каркас Наружная стеновая панель НР2-15.33.12-4. Общий вид Наружная стеновая панель НР2-15.33.12-4. Каркас Наружная стеновая панель НР2-15.39.12-4. Общий вид Наружная стеновая панель НР2-15.39.12-4. Каркас Наружная стеновая панель НР3-15.33.12-1. Общий вид Наружная стеновая панель НР3-15.33.12-1. Каркас Наружная стеновая панель НР3-15.39.12-1. Общий вид Наружная стеновая панель НР3-15.39.12-1. Каркас Наружная стеновая панель НР3-15.33.12-2. Общий вид Наружная стеновая панель НР3-15.33.12-2. Каркас Наружная стеновая панель НР3-15.39.12-2. Общий вид Наружная стеновая панель НР3-15.39.12-2. Каркас Наружная стеновая панель угловая НУ1-2.33.12-1. Общий вид Наружная стеновая панель угловая НУ1-2.33.12-1. Каркас Наружная стеновая панель угловая НУ1-2.39.12-1. Общий вид Наружная стеновая панель угловая НУ1-2.39.12-1. Каркас Наружная стеновая панель угловая НУ1-3.33.12-2. Общий вид Наружная стеновая панель угловая НУ1-3.33.12-2. Каркас Наружная стеновая панель угловая НУ1-3.39.12-2. Общий вид Наружная стеновая панель угловая НУ1-3.39.12-2. Каркас Наружная стеновая панель доборная НД1-13.33.12-1. Общий вид Наружная стеновая панель доборная НД1-13.33.12-1. Каркас Наружная стеновая панель доборная НД1-13.39.12-1. Общий вид Наружная стеновая панель доборная НД1-13.39.12-1. Каркас Наружная стеновая панель доборная НД1-12.33.12-2. Общий вид Наружная стеновая панель доборная НД1-12.33.12-2. Каркас Наружная стеновая панель доборная НД1-12.39.12-2. Общий вид Наружная стеновая панель доборная НД1-12.39.12-2. Каркас Узлы панелей 1 - 6 Узлы панелей 7 - 10 Узлы панелей 11 - 14 Узлы панелей 15 - 16 Узлы каркасов 1 - 4 Узлы каркасов 5, 6 Сечения элементов каркасов Заготовки асбестоцементных листов Л1 - Л14 Заготовки асбестоцементных листов Л15 - Л28 Заготовки асбестоцементных листов Л29 - Л42 Заготовки алюминиевых профилей П1 - П6 Заготовки алюминиевых профилей П7 - П12 Заготовки алюминиевых профилей П13 - П19 |
| Разработан: | ЦНИИЭП торгово-бытовых зданий и туристских комплексов |
| Утверждён: | 17.05.1976 Государственный комитет по гражданскому строительству и архитектуре при Госстрое СССР (110) |
| Нормативные ссылки: |




























































