Скачать Серия 1.232-3 Выпуск 9. Часть I. Панели увеличенных габаритов толщиной 120 мм с обрамлением наружных обшивок алюминиевым профилем с двойным остеклением оконных блоковДата актуализации: 01.01.2021
|
| Обозначение: | Серия 1.232-3 |
| Обозначение англ: | Series 1.232-3 |
| Статус: | не действует |
| Название рус.: | Выпуск 9. Часть I. Панели увеличенных габаритов толщиной 120 мм с обрамлением наружных обшивок алюминиевым профилем с двойным остеклением оконных блоков |
| Дата добавления в базу: | 01.09.2013 |
| Дата актуализации: | 01.01.2021 |
| Дата введения: | 01.10.1980 |
| Дата окончания срока действия: | 01.05.1999 |
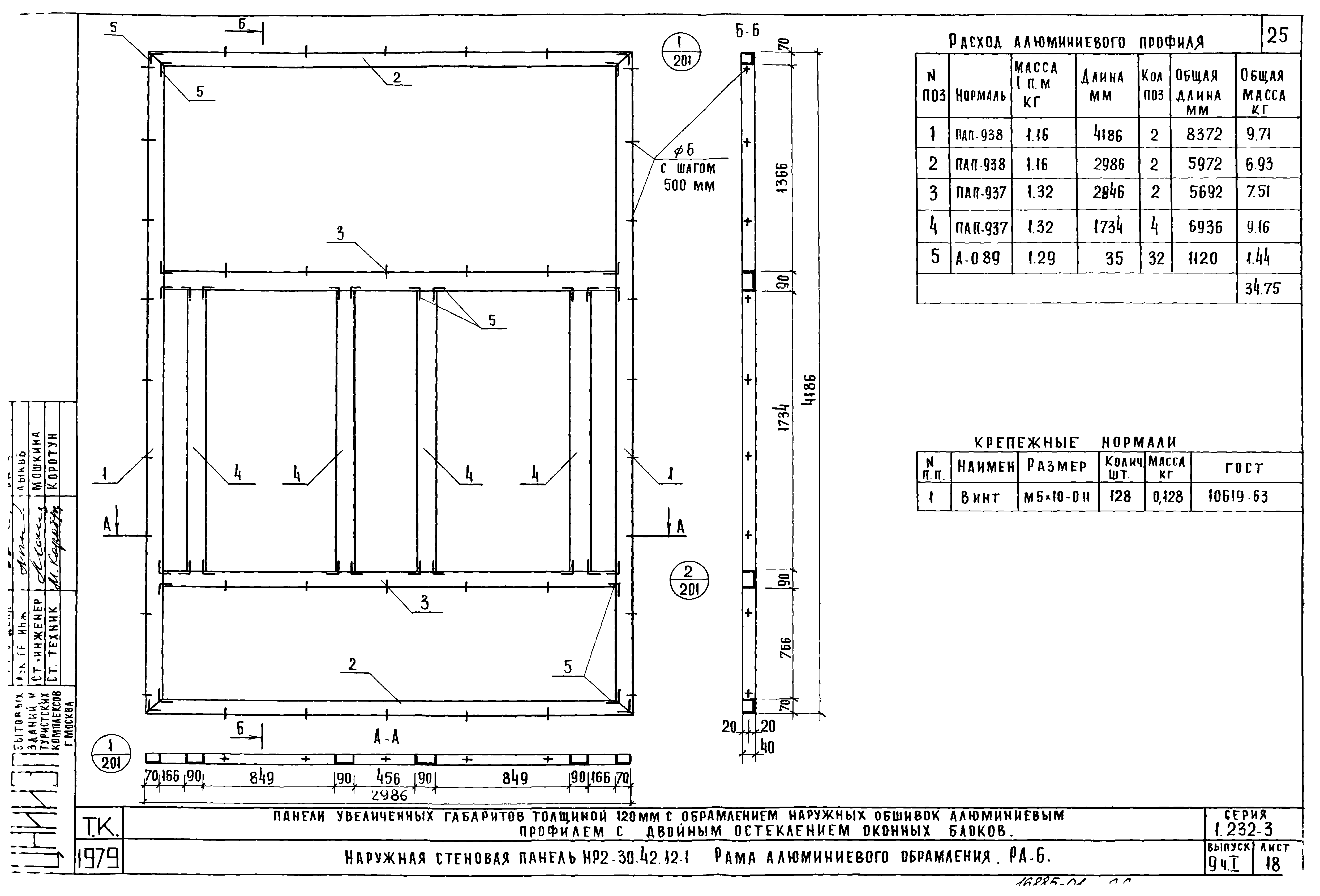
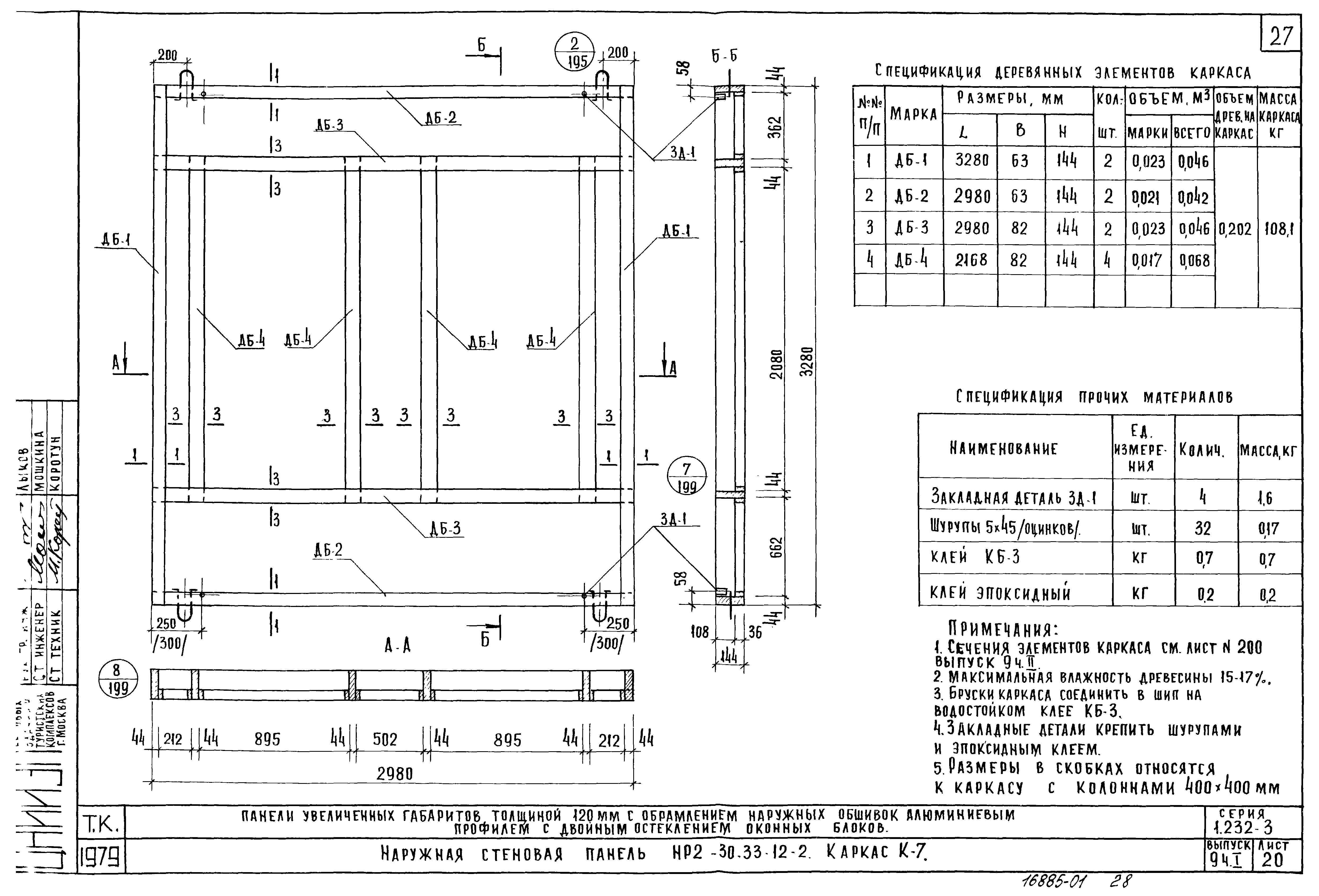
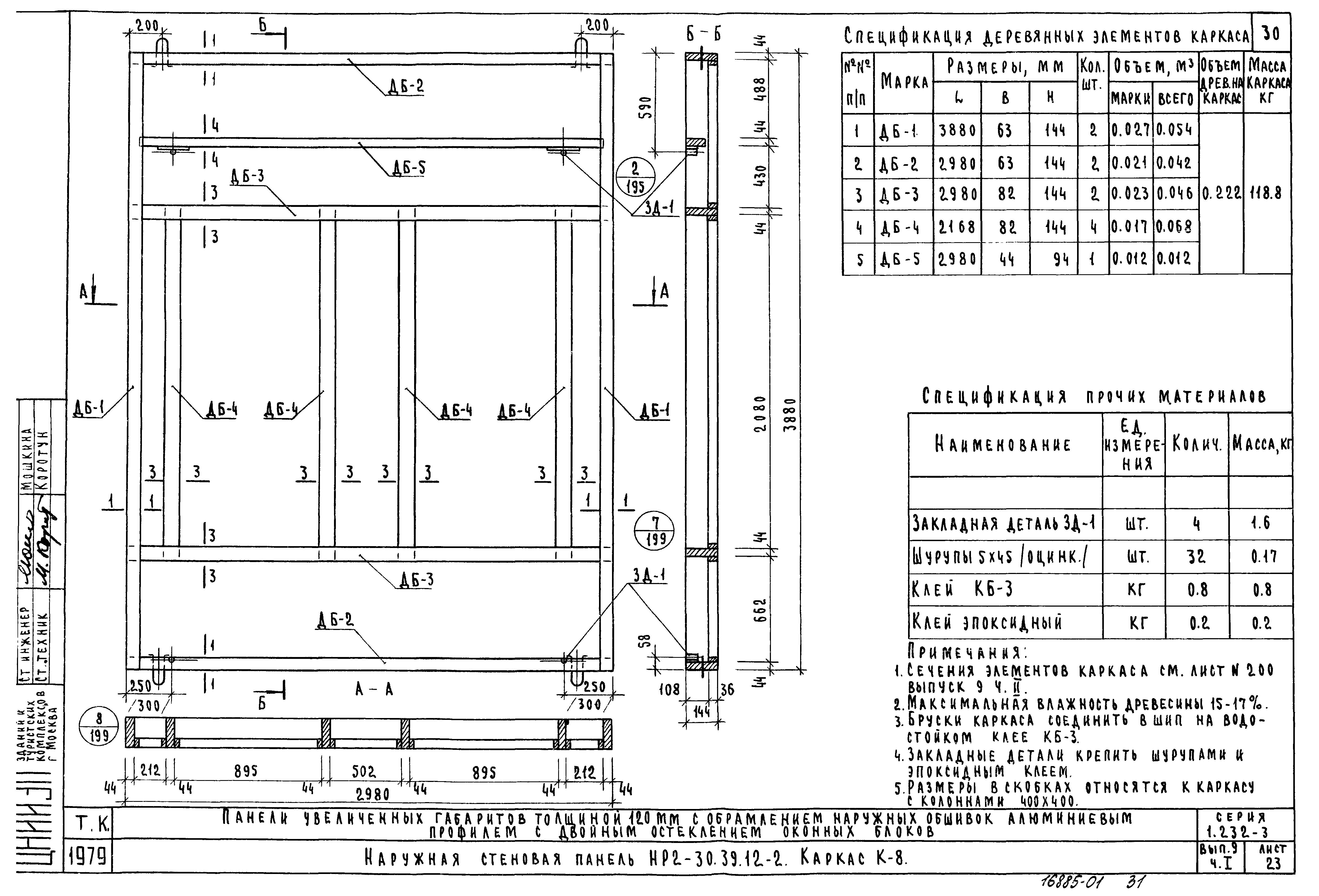
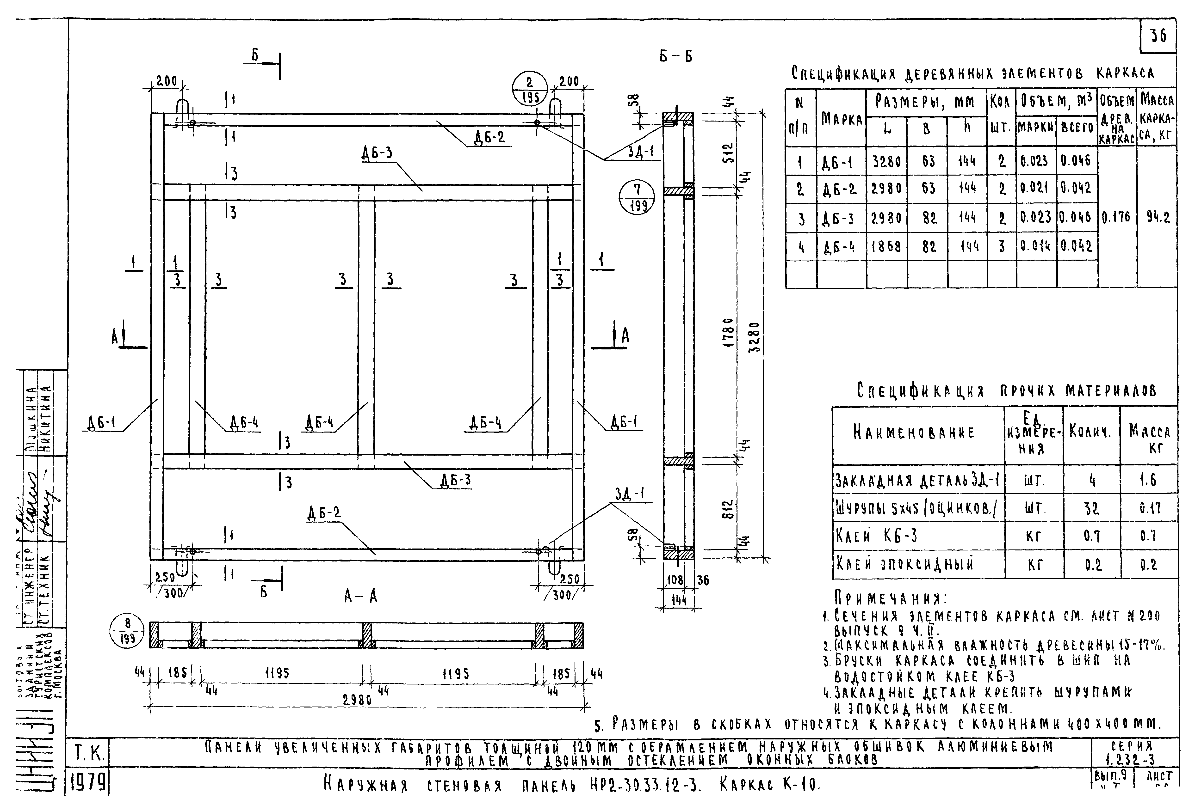
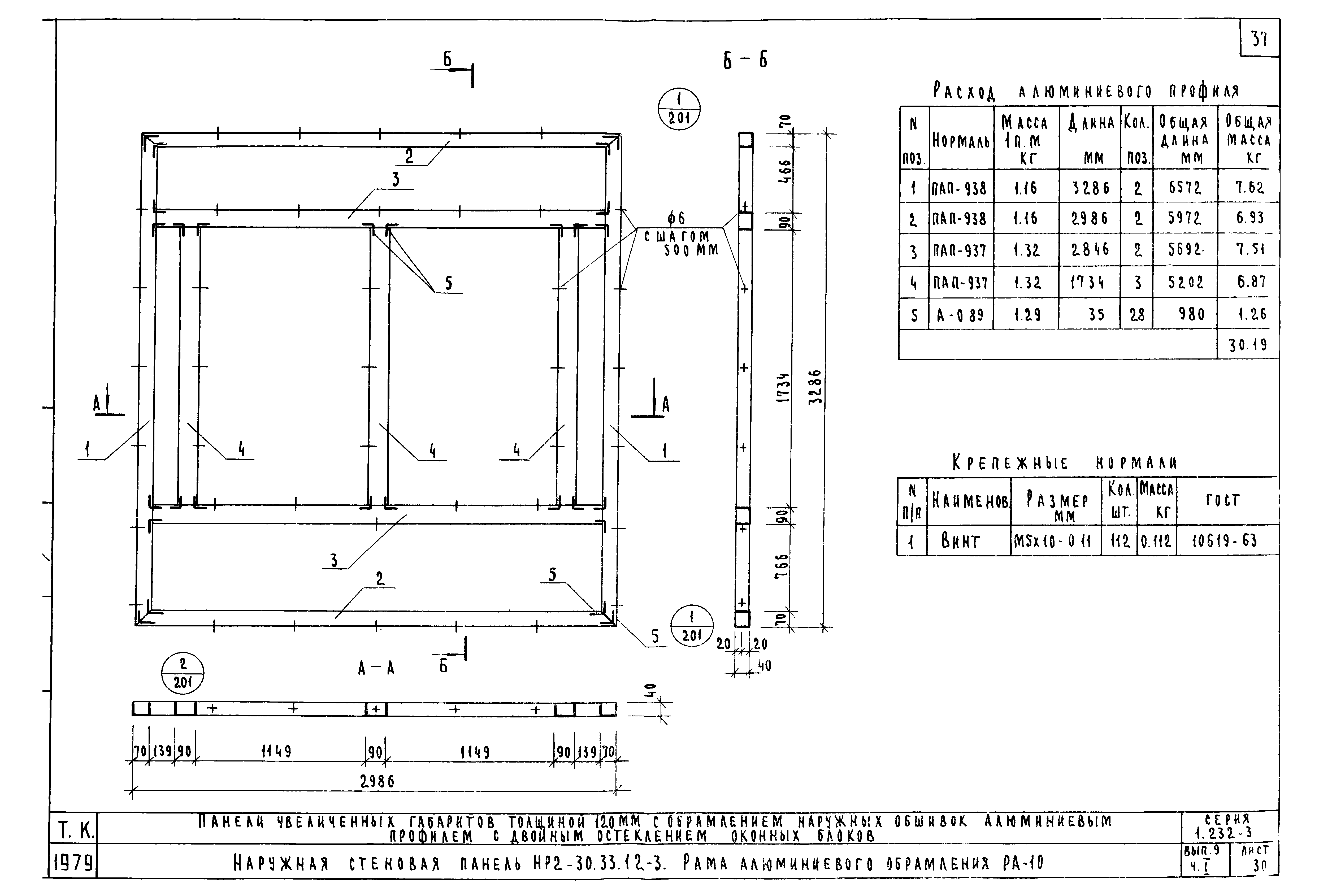
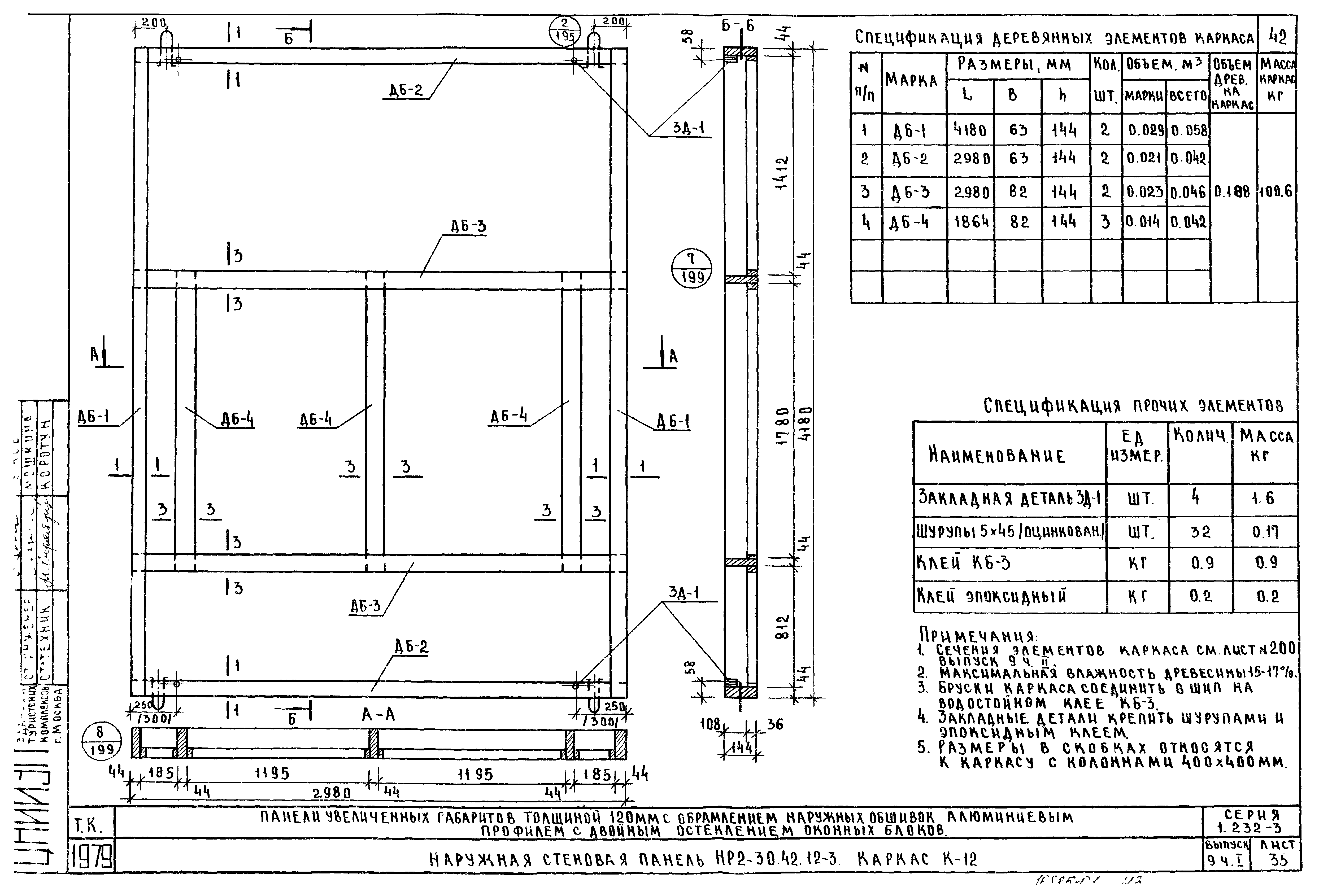
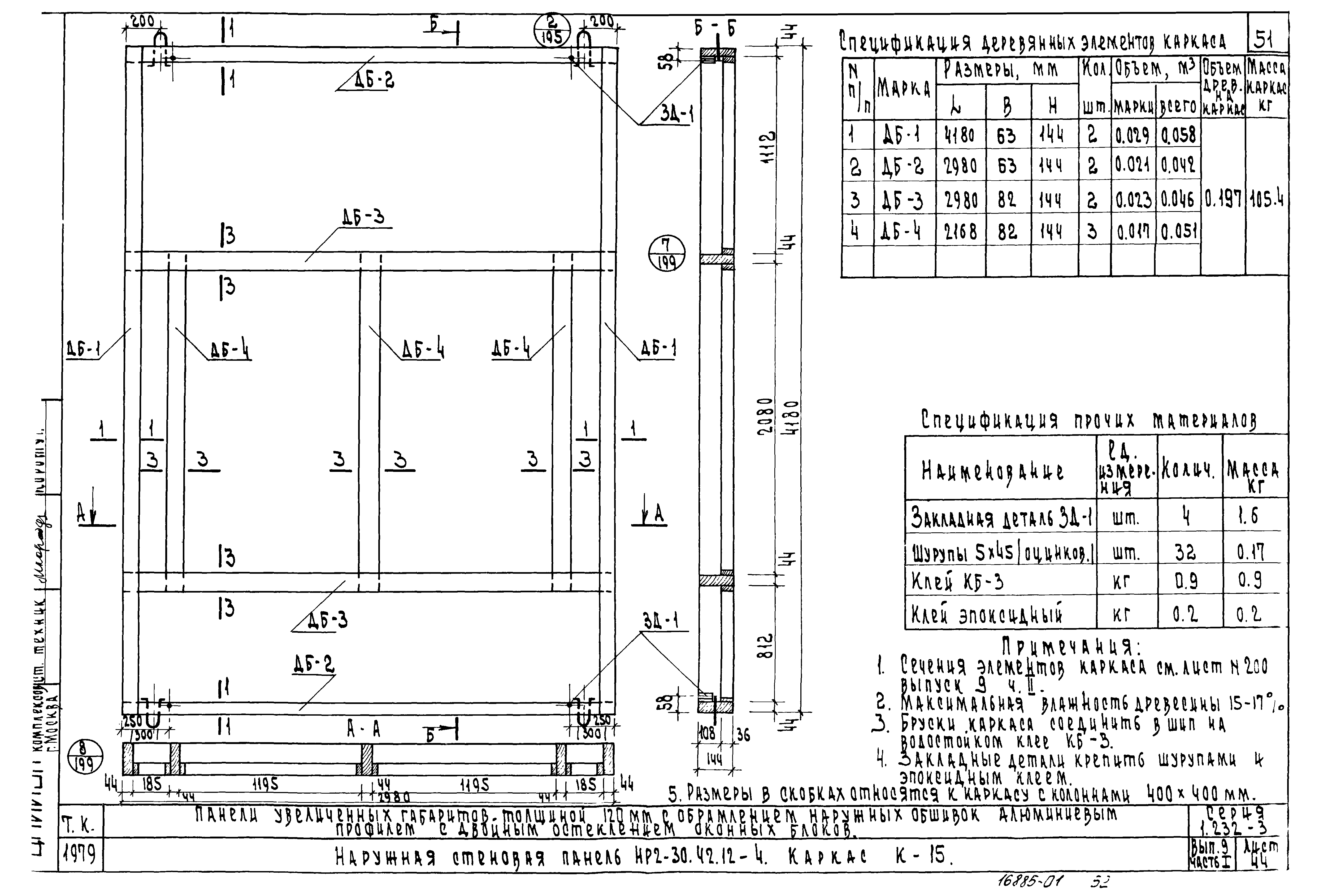
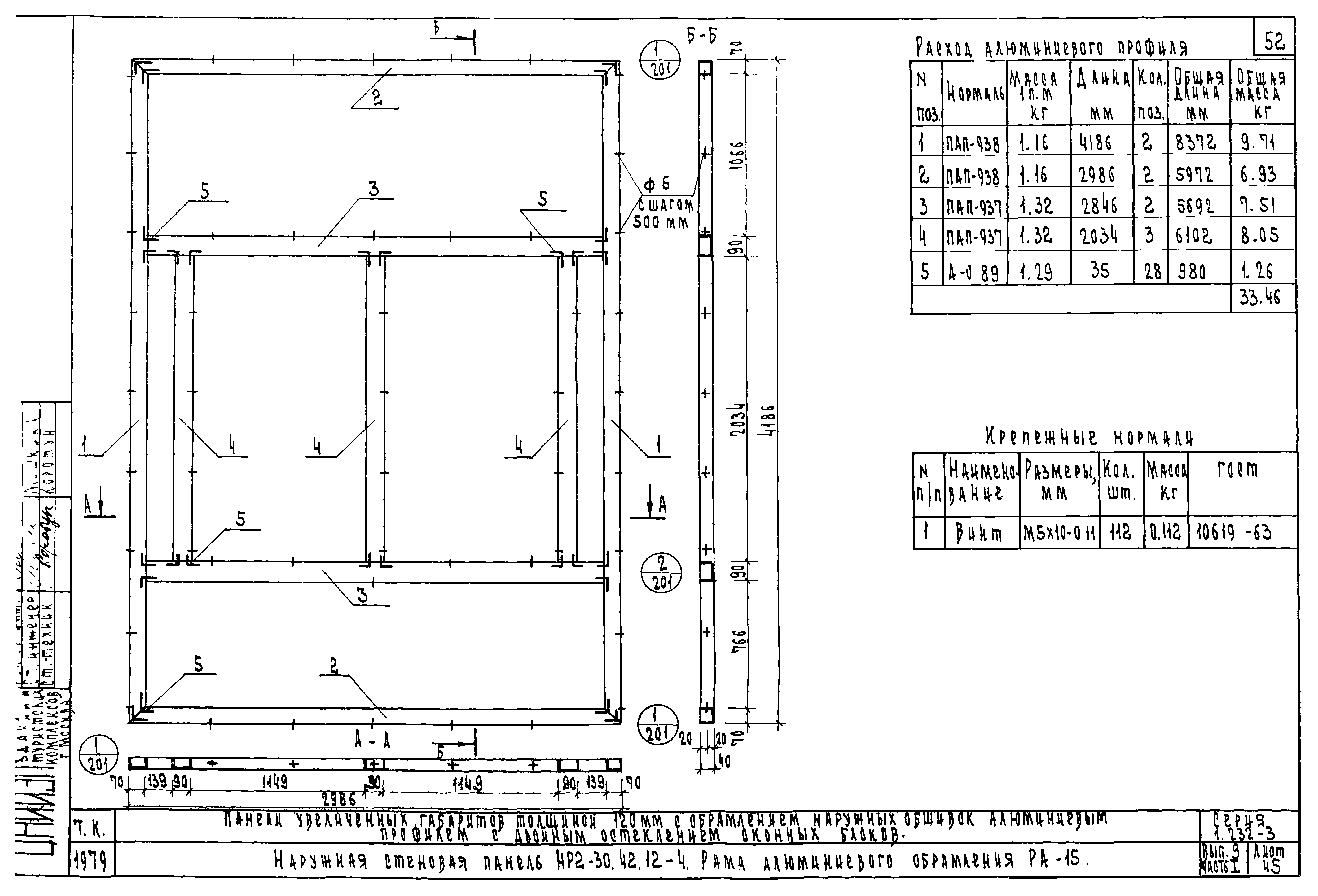
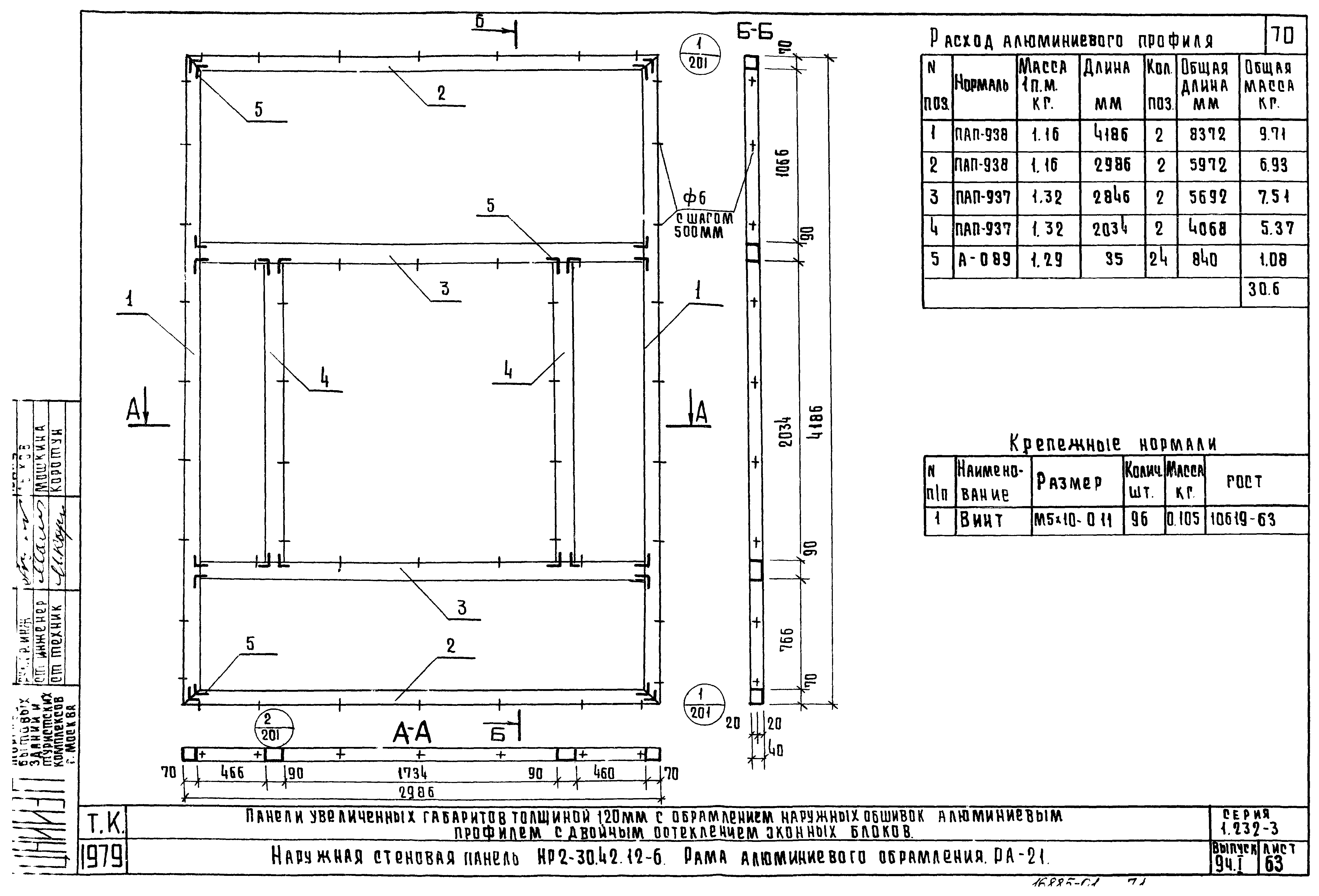
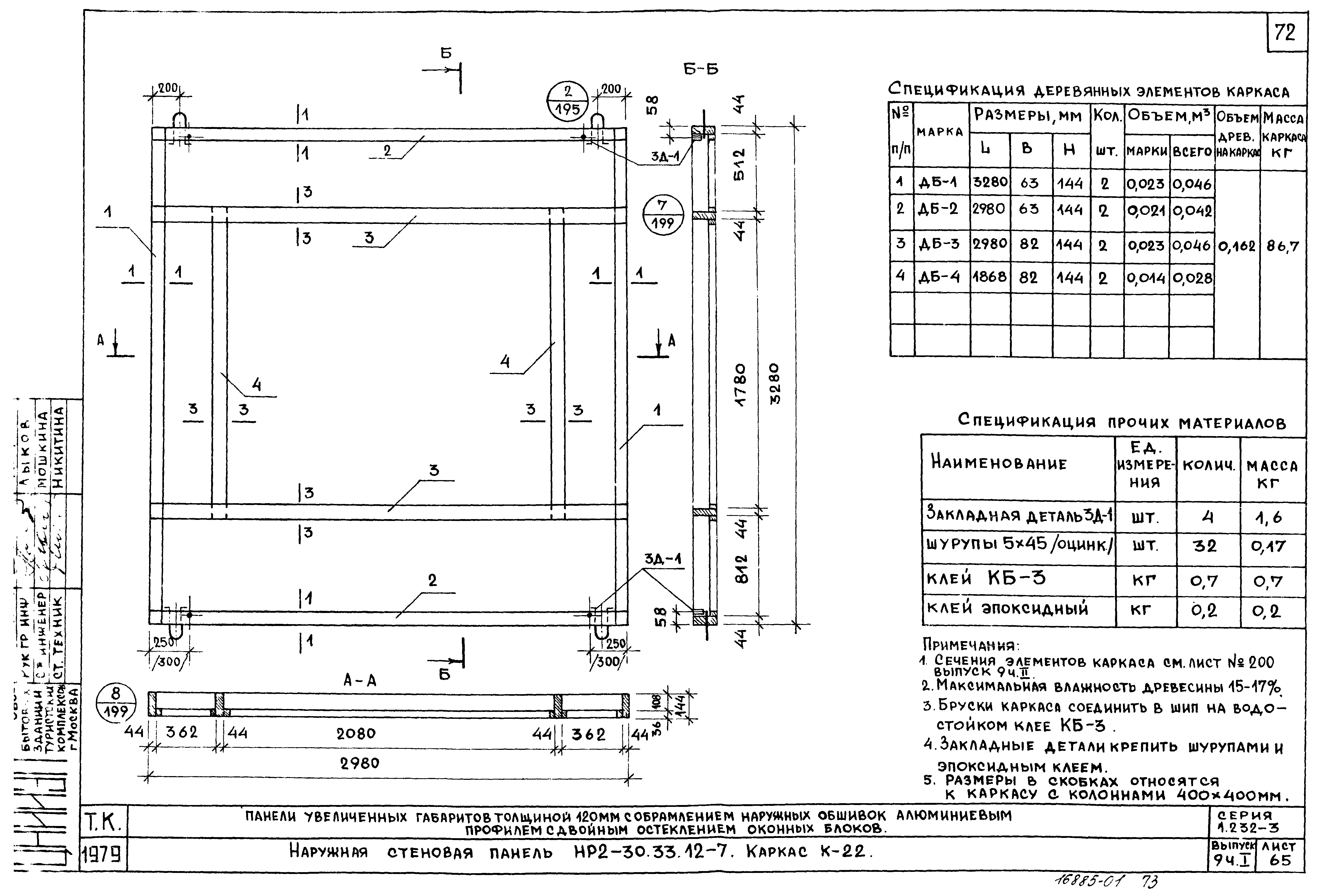
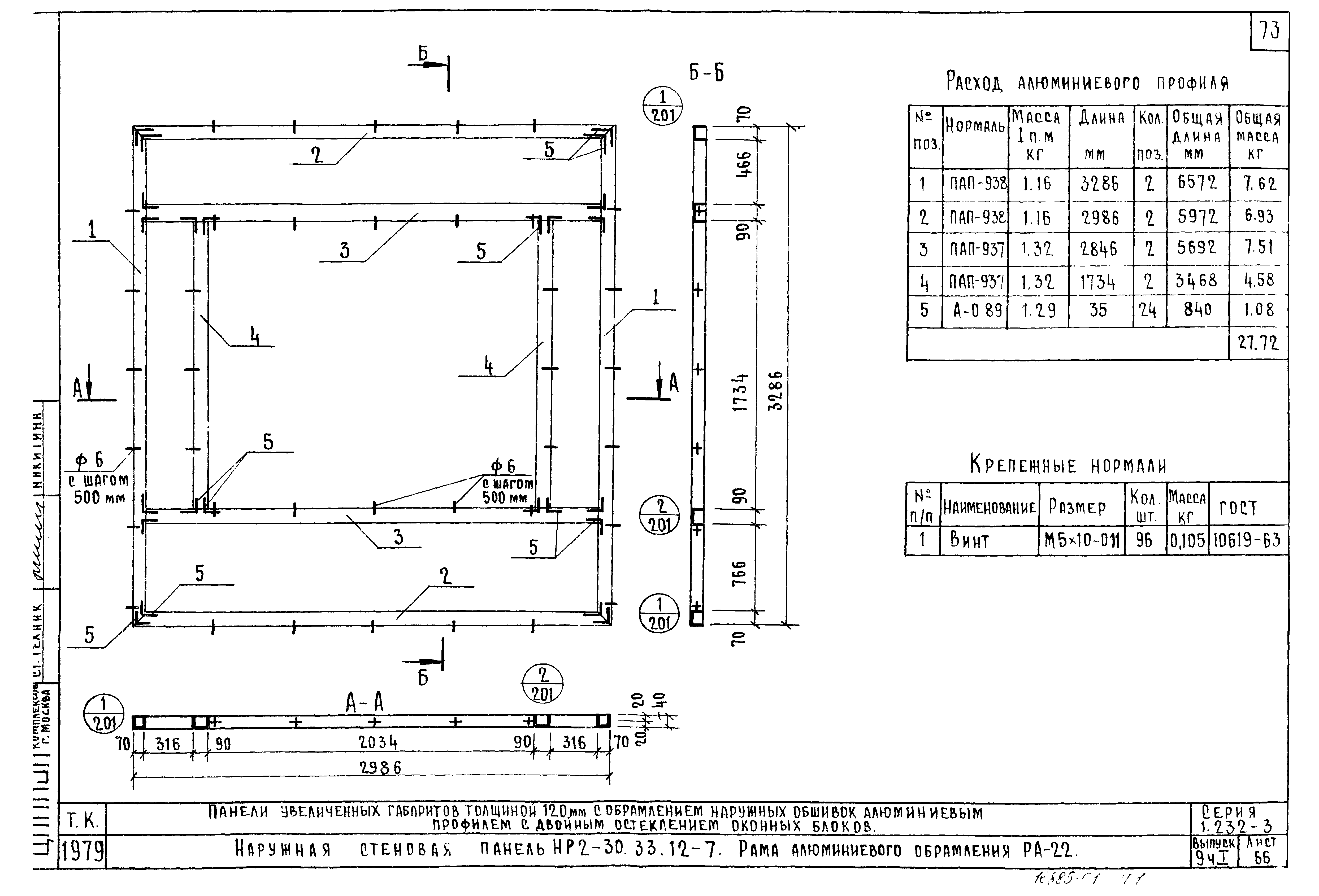
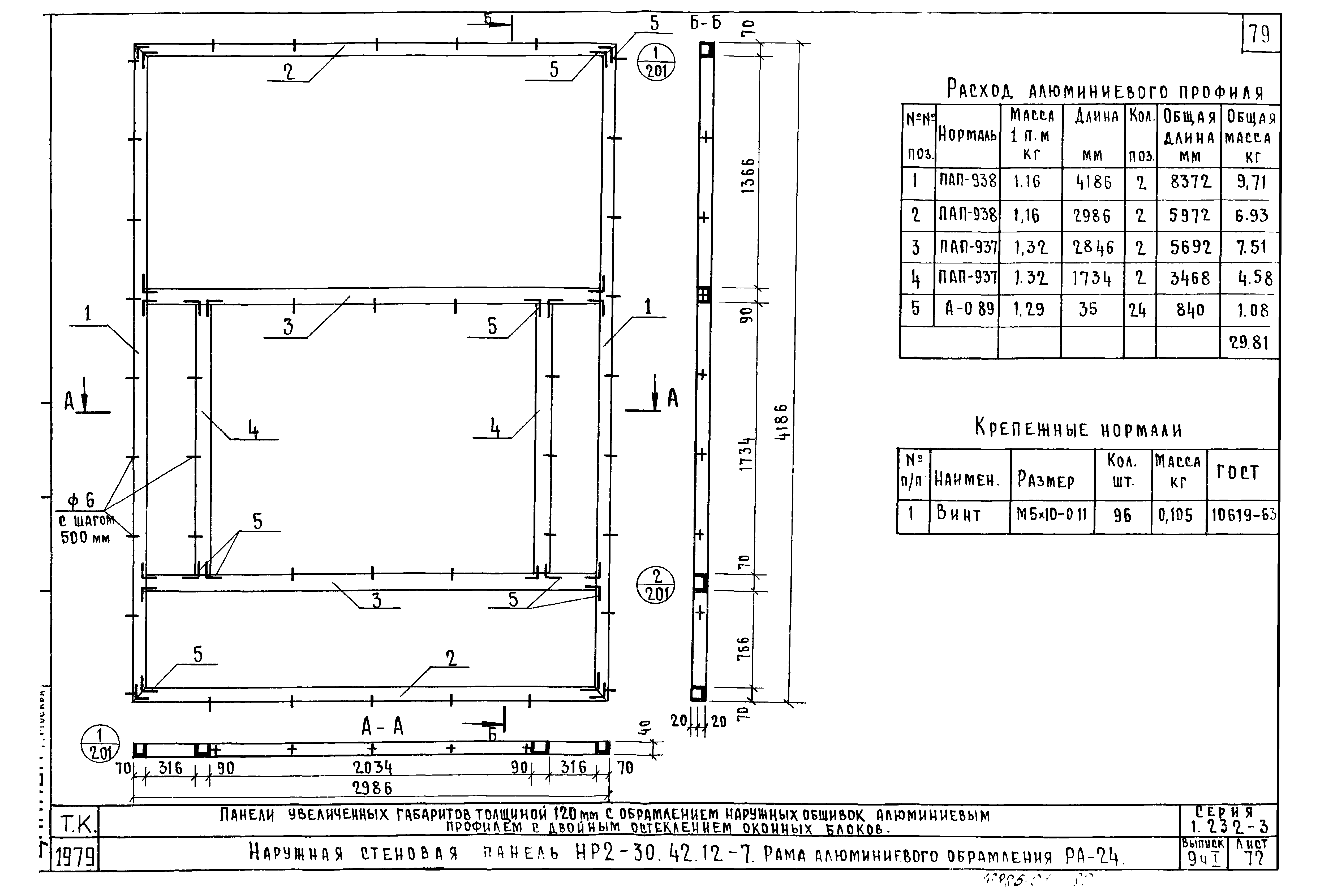
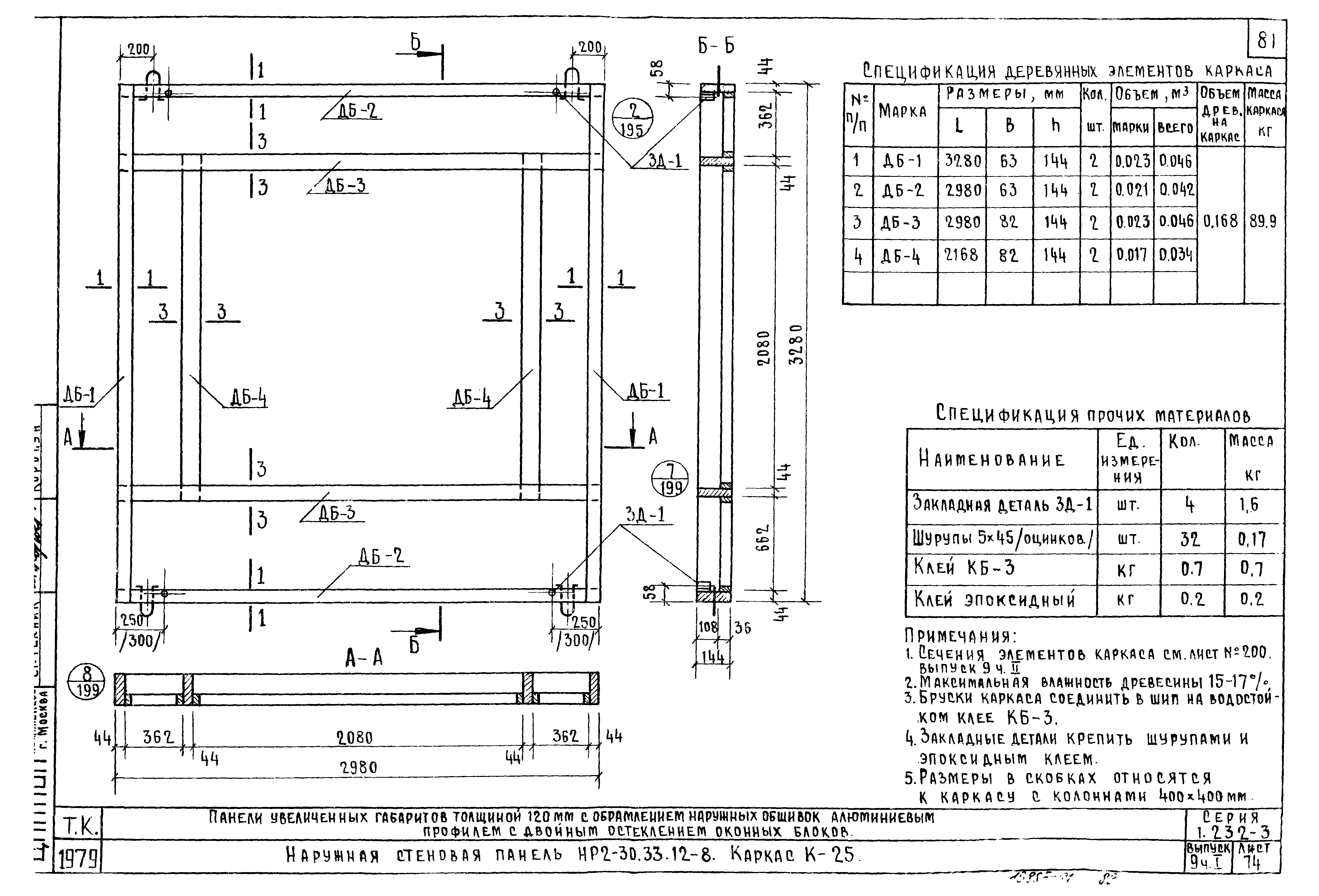
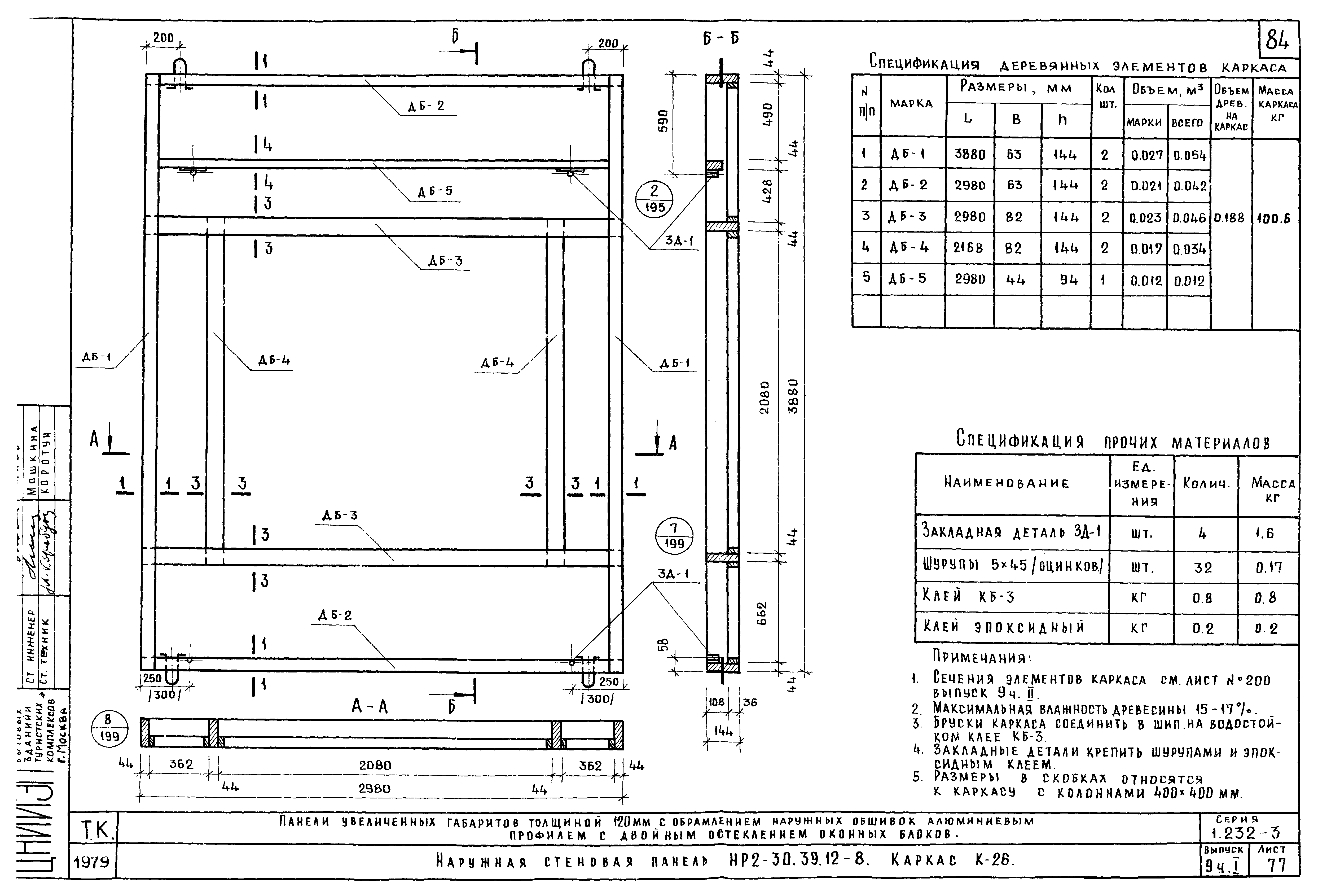
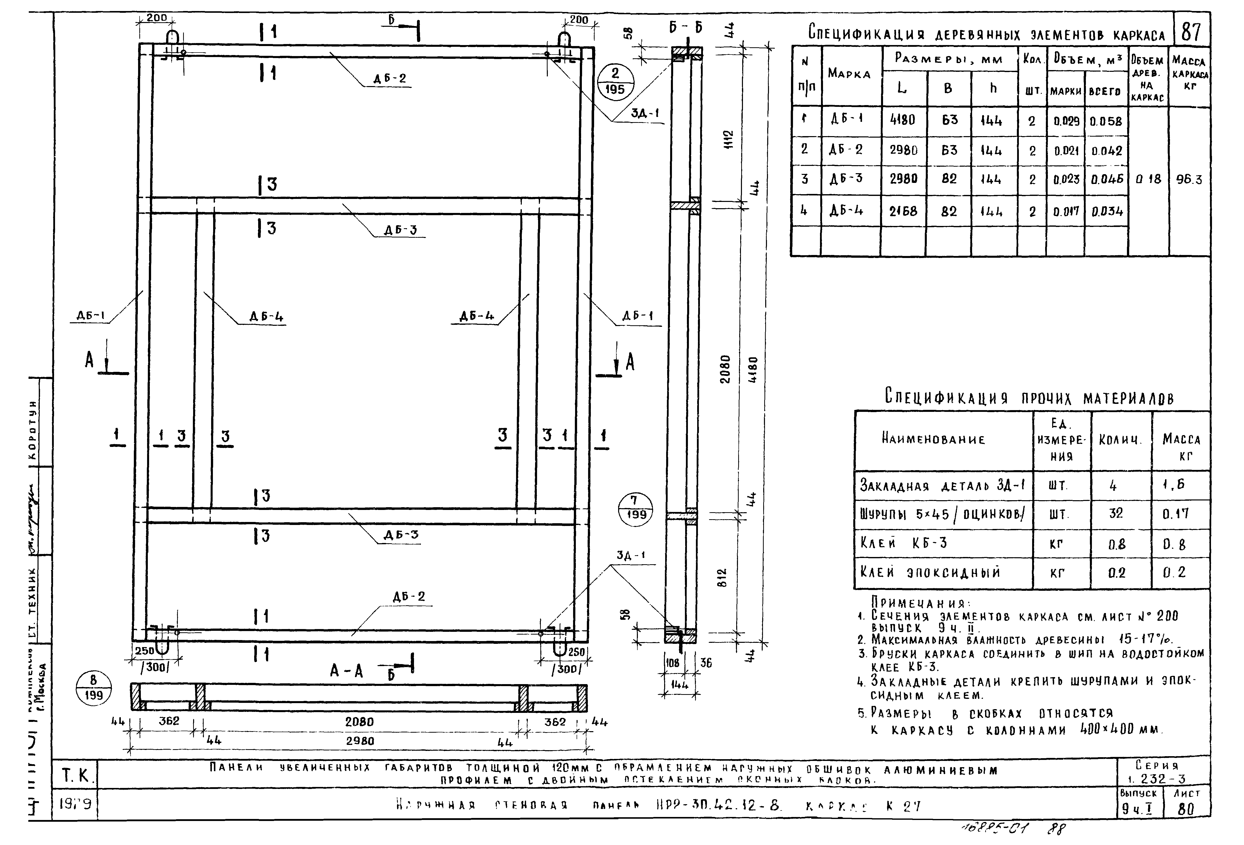
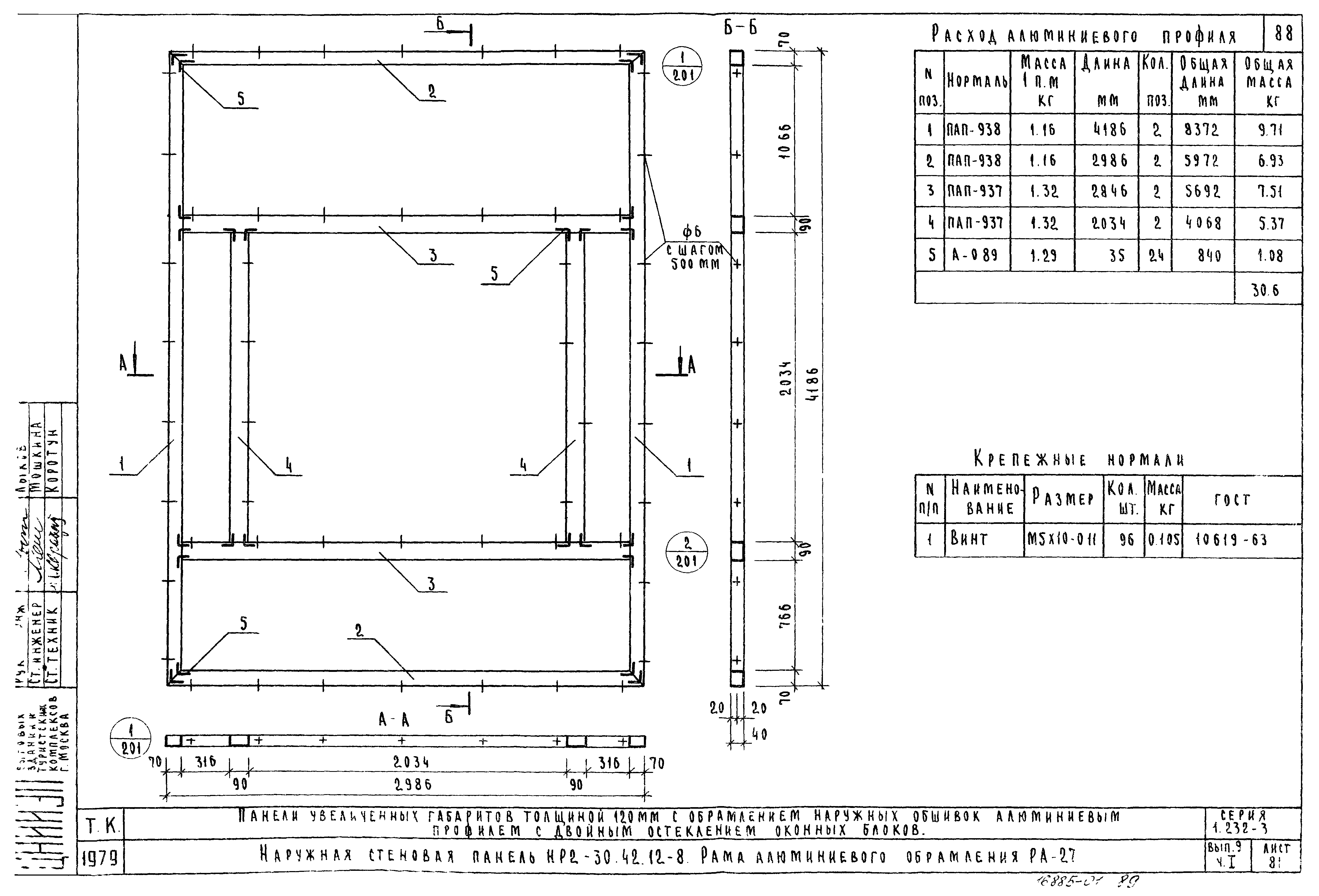
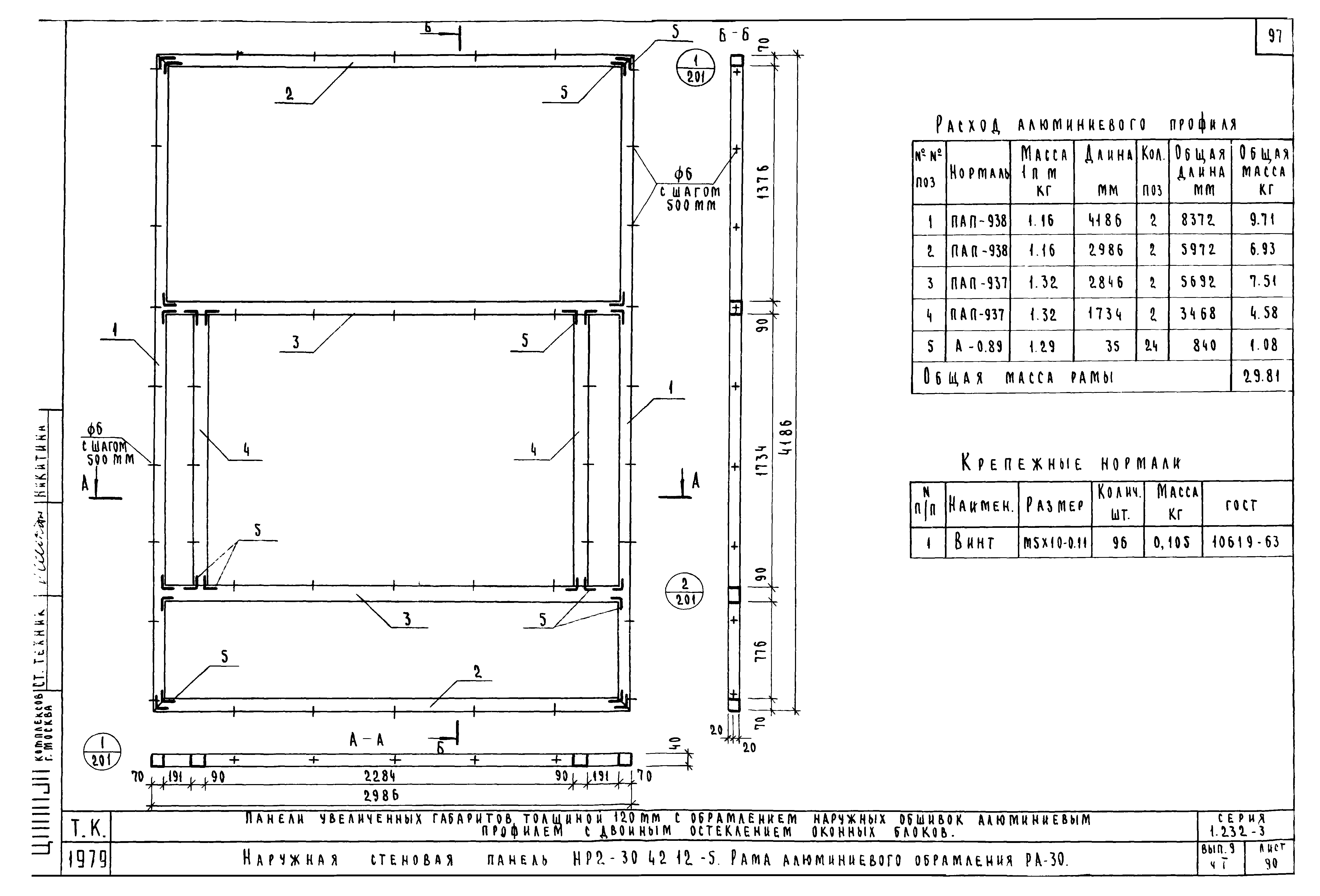
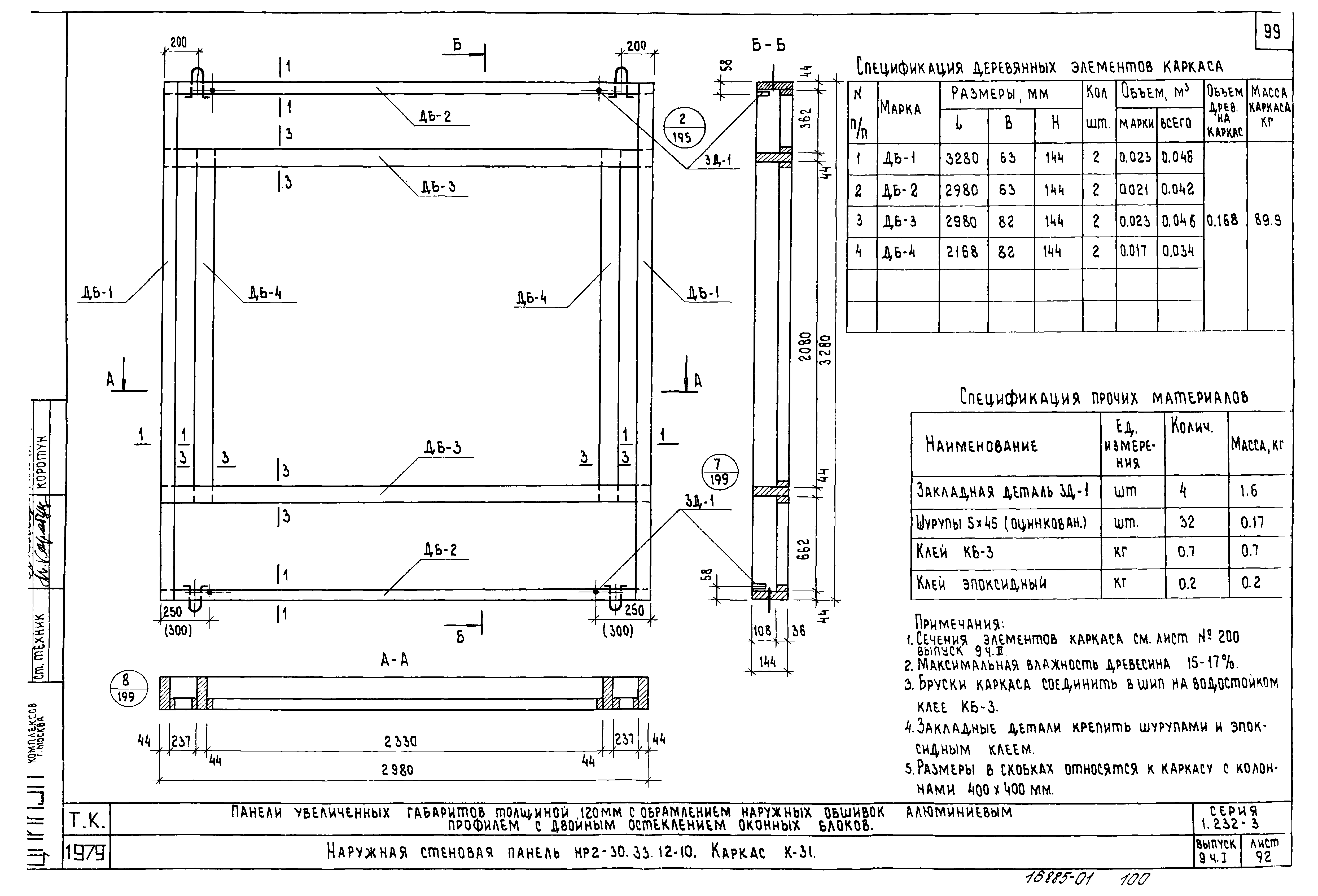
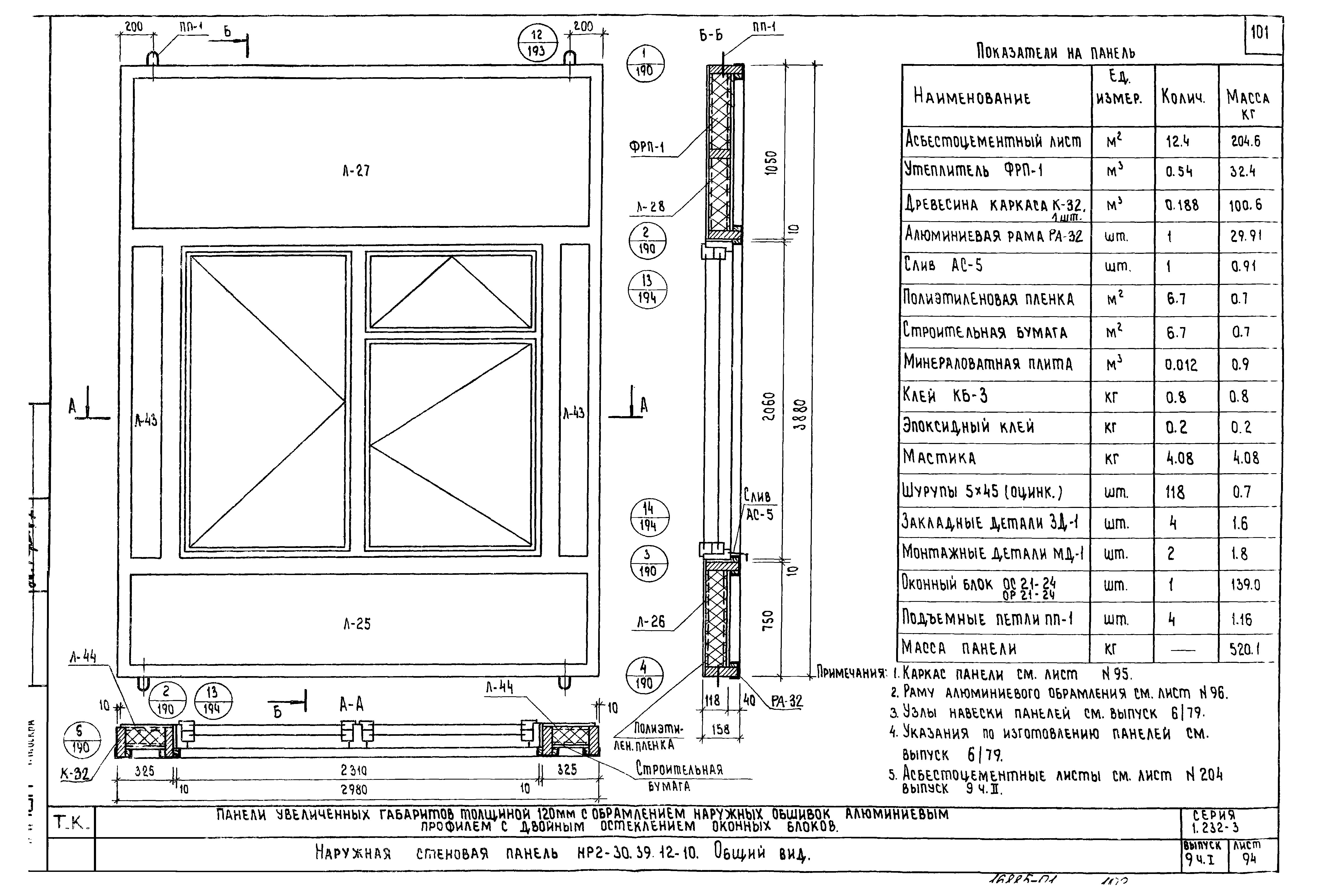
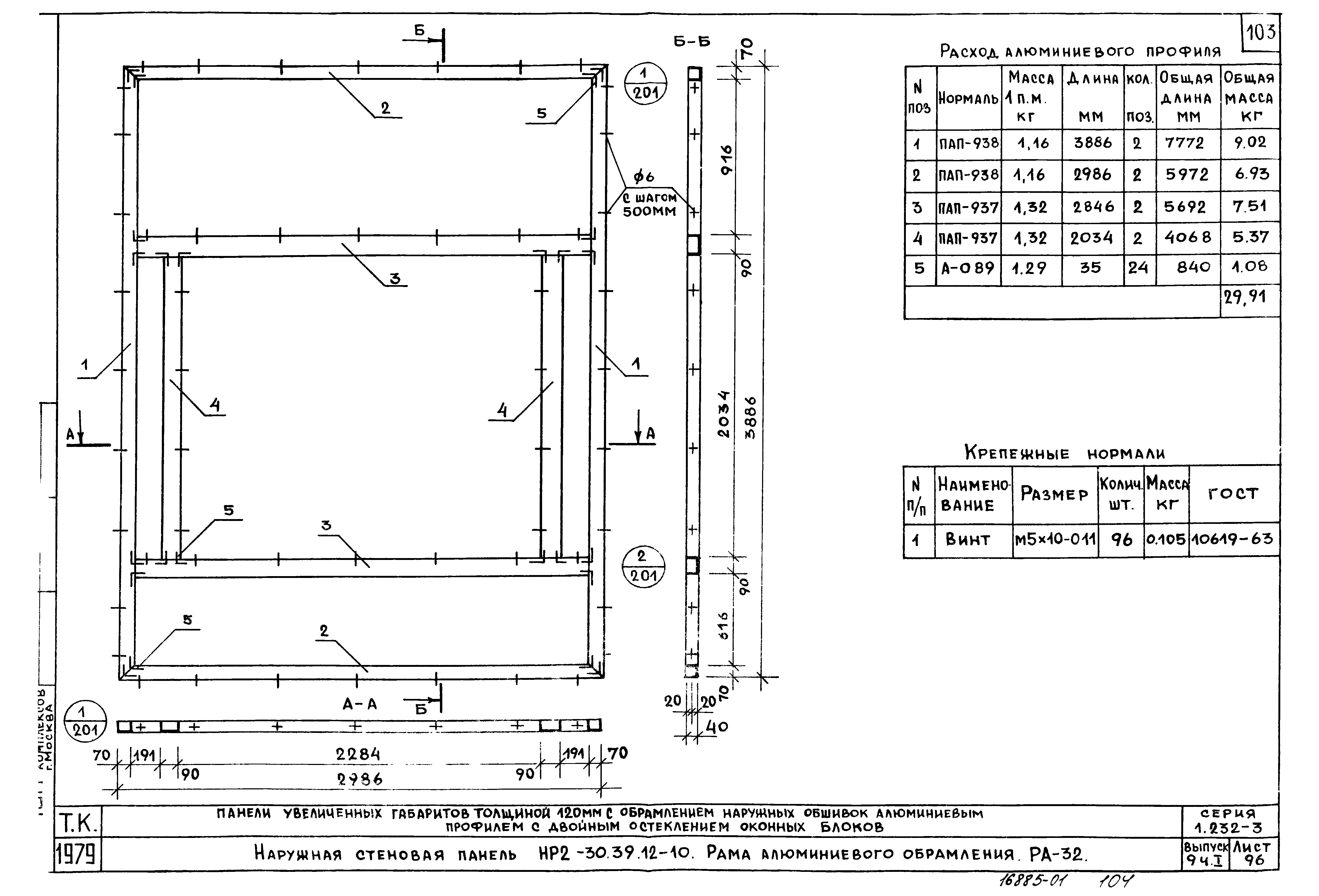
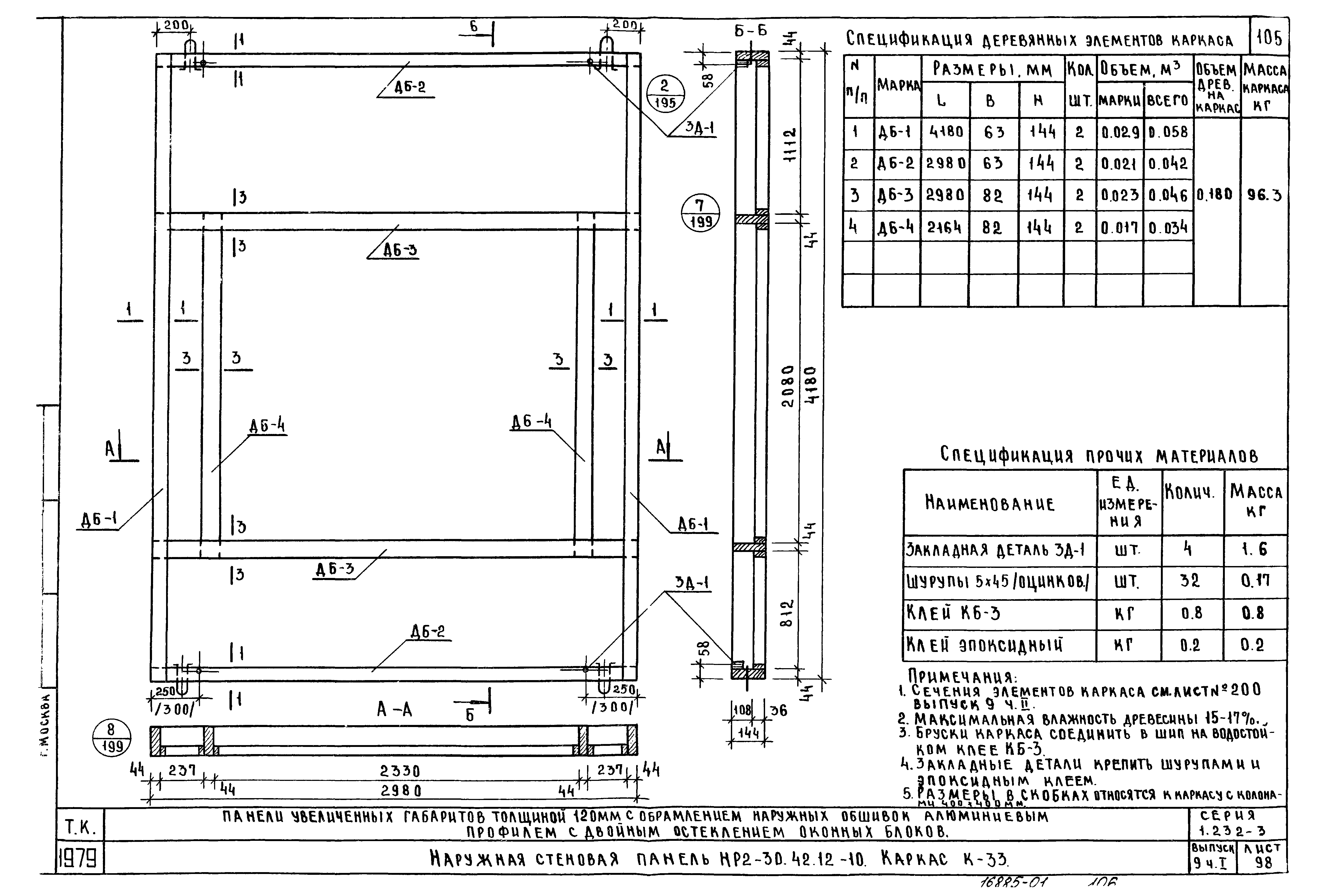
| Оглавление: | Содержание альбома Наружная стеновая панель НР1-30.33.12-1. Общий вид Наружная стеновая панель НР1-30.33.12-1. Каркас К-1 Наружная стеновая панель НР1-30.33.12-1. Рама алюминиевого обрамления РА-1 Наружная стеновая панель НР1-30.39.12-1. Общий вид Наружная стеновая панель НР1-30.39.12-1. Каркас К-2 Наружная стеновая панель НР1-30.39.12-1. Рама алюминиевого обрамления РА-2 Наружная стеновая панель НР1-30.42.12-1. Общий вид Наружная стеновая панель НР1-30.42.12-1. Каркас К-3 Наружная стеновая панель НР1-30.42.12-1. Рама алюминиевого обрамления РА-3 Наружная стеновая панель НР2-30.33.12-1. Общий вид Наружная стеновая панель НР2-30.33.12-1. Каркас К-4 Наружная стеновая панель НР2-30.33.12-1. Рама алюминиевого обрамления РА-4 Наружная стеновая панель НР2-30.39.12-1. Общий вид Наружная стеновая панель НР2-30.39.12-1. Каркас К-5 Наружная стеновая панель НР2-30.39.12-1. Рама алюминиевого обрамления РА-5 Наружная стеновая панель НР2-30.42.12-1. Общий вид Наружная стеновая панель НР2-30.42.12-1. Каркас К-6 Наружная стеновая панель НР2-30.42.12-1. Рама алюминиевого обрамления РА-6 Наружная стеновая панель НР2-30.33.12-2. Общий вид Наружная стеновая панель НР2-30.33.12-2. Каркас К-7 Наружная стеновая панель НР2-30.33.12-2. Рама алюминиевого обрамления РА-7 Наружная стеновая панель НР2-30.39.12-2. Общий вид Наружная стеновая панель НР2-30.39.12-2. Каркас К-8 Наружная стеновая панель НР2-30.39.12-2. Рама алюминиевого обрамления РА-8 Наружная стеновая панель НР2-30.42.12-2. Общий вид Наружная стеновая панель НР2-30.42.12-2. Каркас К-9 Наружная стеновая панель НР2-30.42.12-2. Рама алюминиевого обрамления РА-9 Наружная стеновая панель НР2-30.33.12-3. Общий вид Наружная стеновая панель НР2-30.33.12-3. Каркас К-10 Наружная стеновая панель НР2-30.33.12-3. Рама алюминиевого обрамления РА-10 Наружная стеновая панель НР2-30.39.12-3. Общий вид Наружная стеновая панель НР2-30.39.12-3. Каркас К-11 Наружная стеновая панель НР2-30.39.12-3. Рама алюминиевого обрамления РА-11 Наружная стеновая панель НР2-30.42.12-3. Общий вид Наружная стеновая панель НР2-30.42.12-3. Каркас К-12 Наружная стеновая панель НР2-30.42.12-3. Рама алюминиевого обрамления РА-12 Наружная стеновая панель НР2-30.33.12-4. Общий вид Наружная стеновая панель НР2-30.33.12-4. Каркас К-13 Наружная стеновая панель НР2-30.33.12-4. Рама алюминиевого обрамления РА-13 Наружная стеновая панель НР2-30.39.12-4. Общий вид Наружная стеновая панель НР2-30.39.12-4. Каркас К-14 Наружная стеновая панель НР2-30.39.12-4. Рама алюминиевого обрамления РА-14 Наружная стеновая панель НР2-30.42.12-4. Общий вид Наружная стеновая панель НР2-30.42.12-4. Каркас К-15 Наружная стеновая панель НР2-30.42.12-4. Рама алюминиевого обрамления РА-15 Наружная стеновая панель НР2-30.33.12-5. Общий вид Наружная стеновая панель НР2-30.33.12-5. Каркас К-16 Наружная стеновая панель НР2-30.33.12-5. Рама алюминиевого обрамления РА-16 Наружная стеновая панель НР2-30.39.12-5. Общий вид Наружная стеновая панель НР2-30.39.12-5. Каркас К-17 Наружная стеновая панель НР2-30.39.12-5. Рама алюминиевого обрамления РА-17 Наружная стеновая панель НР2-30.42.12-5. Общий вид Наружная стеновая панель НР2-30.42.12-5. Каркас К-18 Наружная стеновая панель НР2-30.42.12-5. Рама алюминиевого обрамления РА-18 Наружная стеновая панель НР2-30.33.12-6. Общий вид Наружная стеновая панель НР2-30.33.12-6. Каркас К-19 Наружная стеновая панель НР2-30.33.12-6. Рама алюминиевого обрамления РА-19 Наружная стеновая панель НР2-30.39.12-6. Общий вид Наружная стеновая панель НР2-30.39.12-6. Каркас К-20 Наружная стеновая панель НР2-30.39.12-6. Рама алюминиевого обрамления РА-20 Наружная стеновая панель НР2-30.42.12-6. Общий вид Наружная стеновая панель НР2-30.42.12-6. Каркас К-21 Наружная стеновая панель НР2-30.42.12-6. Рама алюминиевого обрамления РА-21 Наружная стеновая панель НР2-30.33.12-7. Общий вид Наружная стеновая панель НР2-30.33.12-7. Каркас К-22 Наружная стеновая панель НР2-30.33.12-7. Рама алюминиевого обрамления РА-22 Наружная стеновая панель НР2-30.39.12-7. Общий вид Наружная стеновая панель НР2-30.39.12-7. Каркас К-23 Наружная стеновая панель НР2-30.39.12-7. Рама алюминиевого обрамления РА-23 Наружная стеновая панель НР2-30.42.12-7. Общий вид Наружная стеновая панель НР2-30.42.12-7. Каркас К-24 Наружная стеновая панель НР2-30.42.12-7. Рама алюминиевого обрамления РА-24 Наружная стеновая панель НР2-30.33.12-8. Общий вид Наружная стеновая панель НР2-30.33.12-8. Каркас К-25 Наружная стеновая панель НР2-30.33.12-8. Рама алюминиевого обрамления РА-25 Наружная стеновая панель НР2-30.39.12-8. Общий вид Наружная стеновая панель НР2-30.39.12-8. Каркас К-26 Наружная стеновая панель НР2-30.39.12-8. Рама алюминиевого обрамления РА-26 Наружная стеновая панель НР2-30.42.12-8. Общий вид Наружная стеновая панель НР2-30.42.12-8. Каркас К-27 Наружная стеновая панель НР2-30.42.12-8. Рама алюминиевого обрамления РА-27 Наружная стеновая панель НР2-30.33.12-9. Общий вид Наружная стеновая панель НР2-30.33.12-9. Каркас К-28 Наружная стеновая панель НР2-30.33.12-9. Рама алюминиевого обрамления РА-28 Наружная стеновая панель НР2-30.39.12-9. Общий вид Наружная стеновая панель НР2-30.39.12-9. Каркас К-29 Наружная стеновая панель НР2-30.39.12-9. Рама алюминиевого обрамления РА-29 Наружная стеновая панель НР2-30.42.12-9. Общий вид Наружная стеновая панель НР2-30.42.12-9. Каркас К-30 Наружная стеновая панель НР2-30.42.12-9. Рама алюминиевого обрамления РА-30 Наружная стеновая панель НР2-30.33.12-10. Общий вид Наружная стеновая панель НР2-30.33.12-10. Каркас К-31 Наружная стеновая панель НР2-30.33.12-10. Рама алюминиевого обрамления РА-31 Наружная стеновая панель НР2-30.39.12-10. Общий вид Наружная стеновая панель НР2-30.39.12-10. Каркас К-32 Наружная стеновая панель НР2-30.39.12-10. Рама алюминиевого обрамления РА-32 Наружная стеновая панель НР2-30.42.12-10. Общий вид Наружная стеновая панель НР2-30.42.12-10. Каркас К-33 Наружная стеновая панель НР2-30.42.12-10. Рама алюминиевого обрамления РА-33 |
| Разработан: | ЦНИИЭП торгово-бытовых зданий и туристских комплексов |
| Утверждён: | 01.08.1980 Государственный комитет по гражданскому строительству и архитектуре при Госстрое СССР (196) |











































































































