Скачать Серия 4.905-11 Выпуск 6. Установка 2-х счетчиков газа ротационных типа РГ УС-2. Рабочие чертежиДата актуализации: 01.01.2021
|
| Обозначение: | Серия 4.905-11 |
| Обозначение англ: | Series 4.905-11 |
| Статус: | заменен |
| Название рус.: | Выпуск 6. Установка 2-х счетчиков газа ротационных типа РГ УС-2. Рабочие чертежи |
| Дата добавления в базу: | 01.09.2013 |
| Дата актуализации: | 01.01.2021 |
| Дата введения: | 01.01.1979 |
| Дата окончания срока действия: | 01.06.1985 |
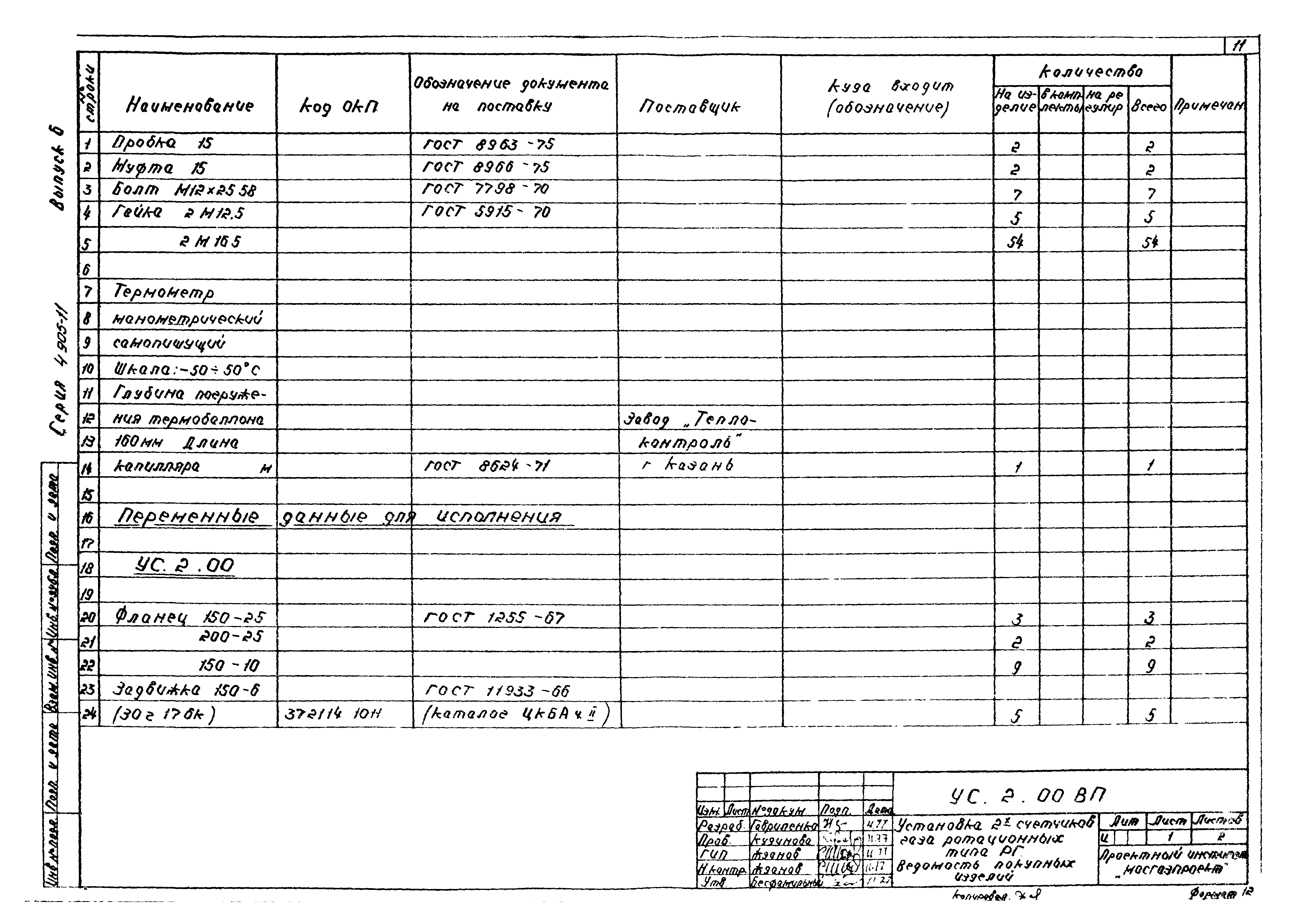
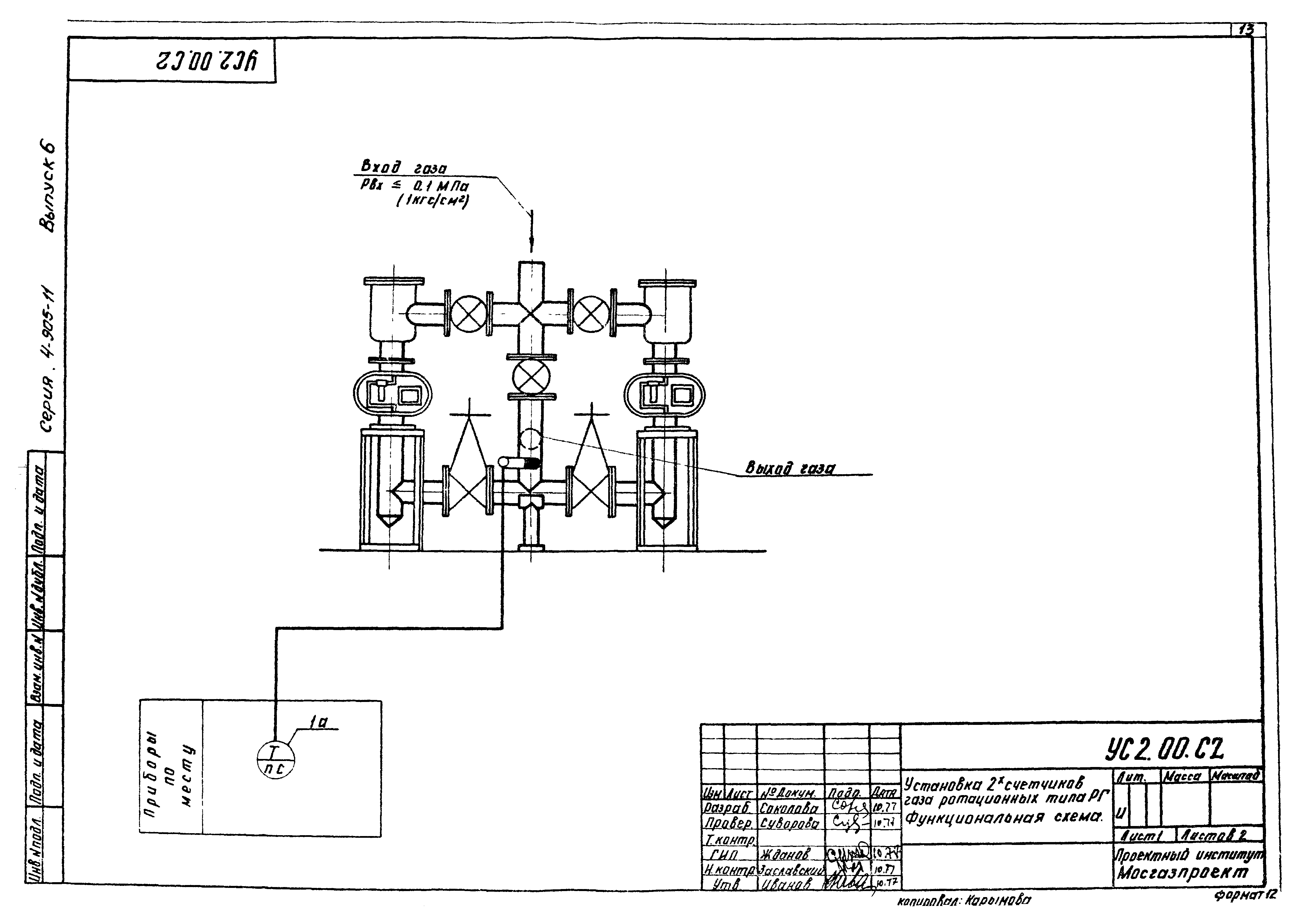
| Оглавление: | Титульный лист Содержание УС.2.00 Спецификация УС.2.00 СБ Сборочный чертеж УС.2.00 Д Рекомендации по выбору, расчету, изготовлению и монтажу УС.2.00 ВП Ведомость покупных изделий УС.2.00 С2 Функциональная схема УС.2.00.01.00 Крестовина входная УС.2.00.01.01 Труба УС.2.00.01.00 СБ Крестовина входная УС.2.00.01.02 Труба УС.2.00.03.02 Труба УС.2.00.02.00 Тройник-ревизия УС.2.00.02.01 Корпус УС.2.00.02.00 СБ Тройник-ревизия УС.2.00.02.02 Прокладка УС.2.00.03.01 Заглушка УС.2.00.03.00 Тройник УС.2.00.03.00 СБ Тройник УС.2.00.04.00 Крестовина входная УС.2.00.04.00 СБ Крестовина входная УС.2.00.04.01 Труба УС.2.00.04.02 Бобышка УС.2.00.05.00 Подставка под счетчик УС.2.00.05.00 СБ Подставка под счетчик УС.2.00.05.01 Уголок УС.2.00.07 Болт анкерный УС.2.00.06.00 Подставка УС.2.00.06.00 СБ Подставка УС.2.00.08.00 Секция ограждения УС.2.00.08.00 СБ Секция ограждения УС.2.00.08.01 Уголок УС.2.00.08.02 Планка |
| Разработан: | Мосгазпроект |
| Утверждён: | 12.05.1978 МЖКХ РСФСР |
| Чем заменён: |
































