Скачать Типовой проект 801-492 Альбом I. Общая пояснительная записка. Технологические чертежи. Архитектурно-строительные решения. Внутренний водопровод и канализация. Отопление и вентиляция. Электроосвещение и электрооборудование. Автоматизация санитарно-технических системДата актуализации: 01.01.2021
|
| Обозначение: | Типовой проект 801-492 |
| Обозначение англ: | 801-492 |
| Статус: | действует |
| Название рус.: | Альбом I. Общая пояснительная записка. Технологические чертежи. Архитектурно-строительные решения. Внутренний водопровод и канализация. Отопление и вентиляция. Электроосвещение и электрооборудование. Автоматизация санитарно-технических систем |
| Дата добавления в базу: | 01.09.2013 |
| Дата актуализации: | 01.01.2021 |
| Дата введения: | 29.06.1979 |
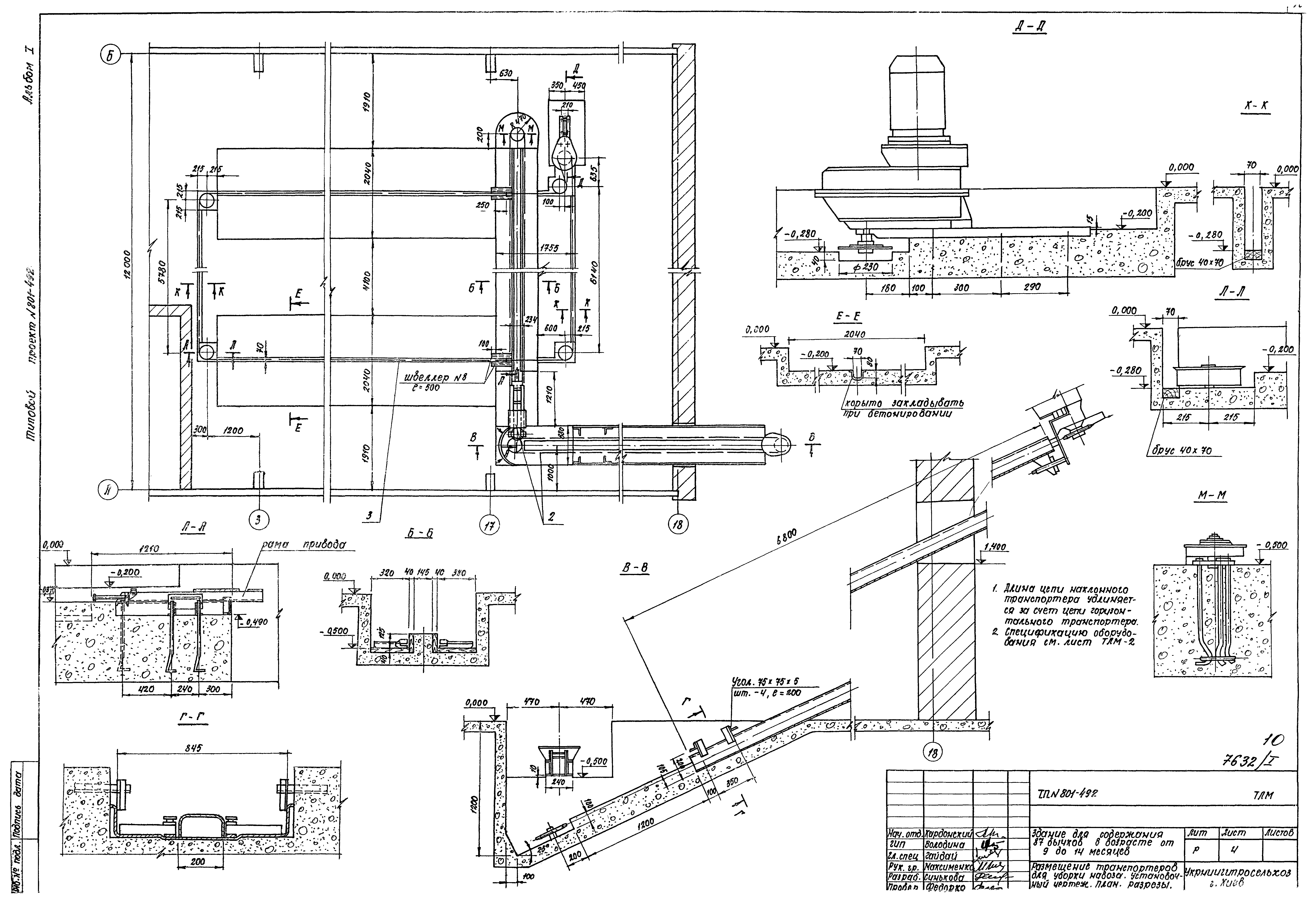
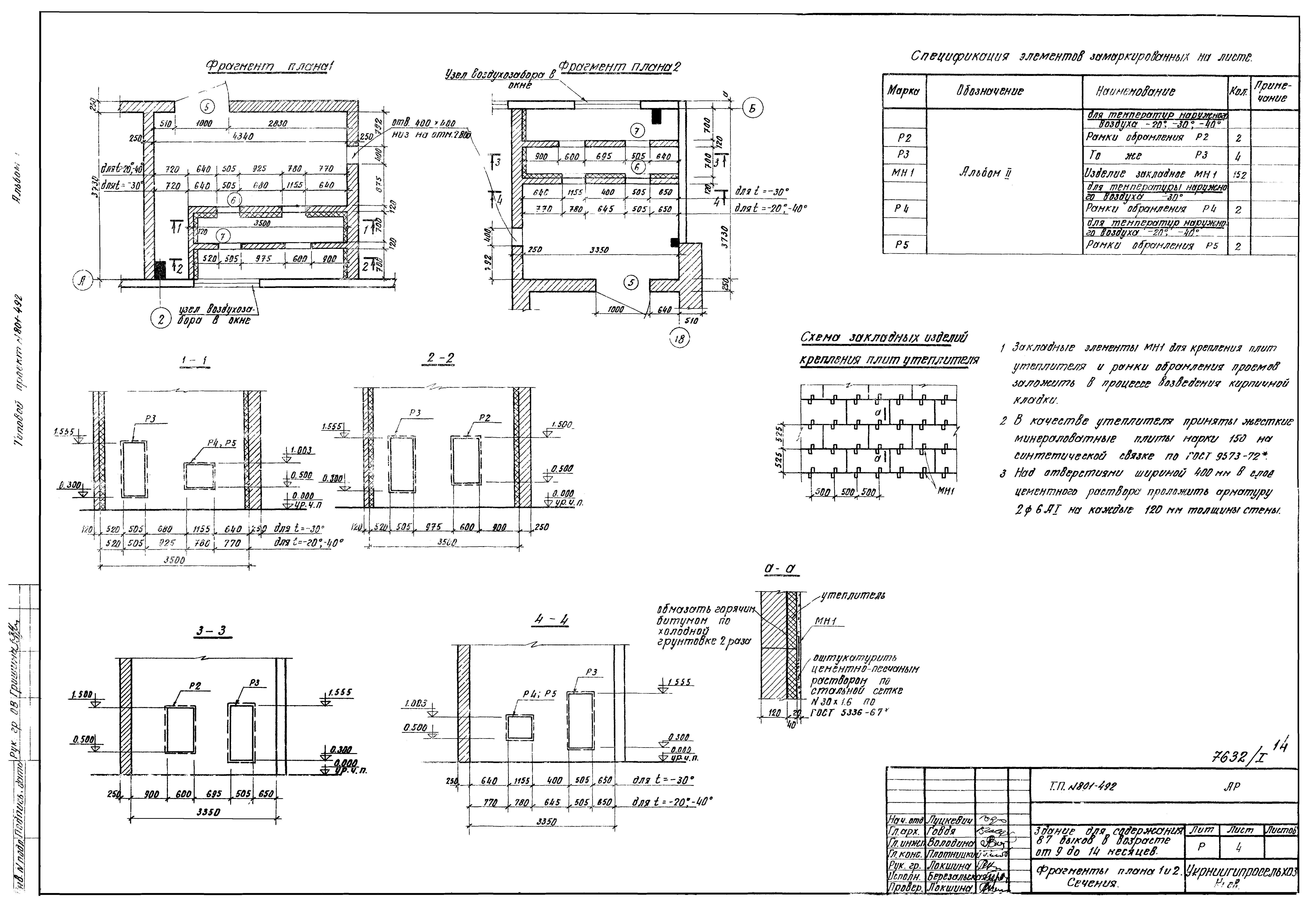
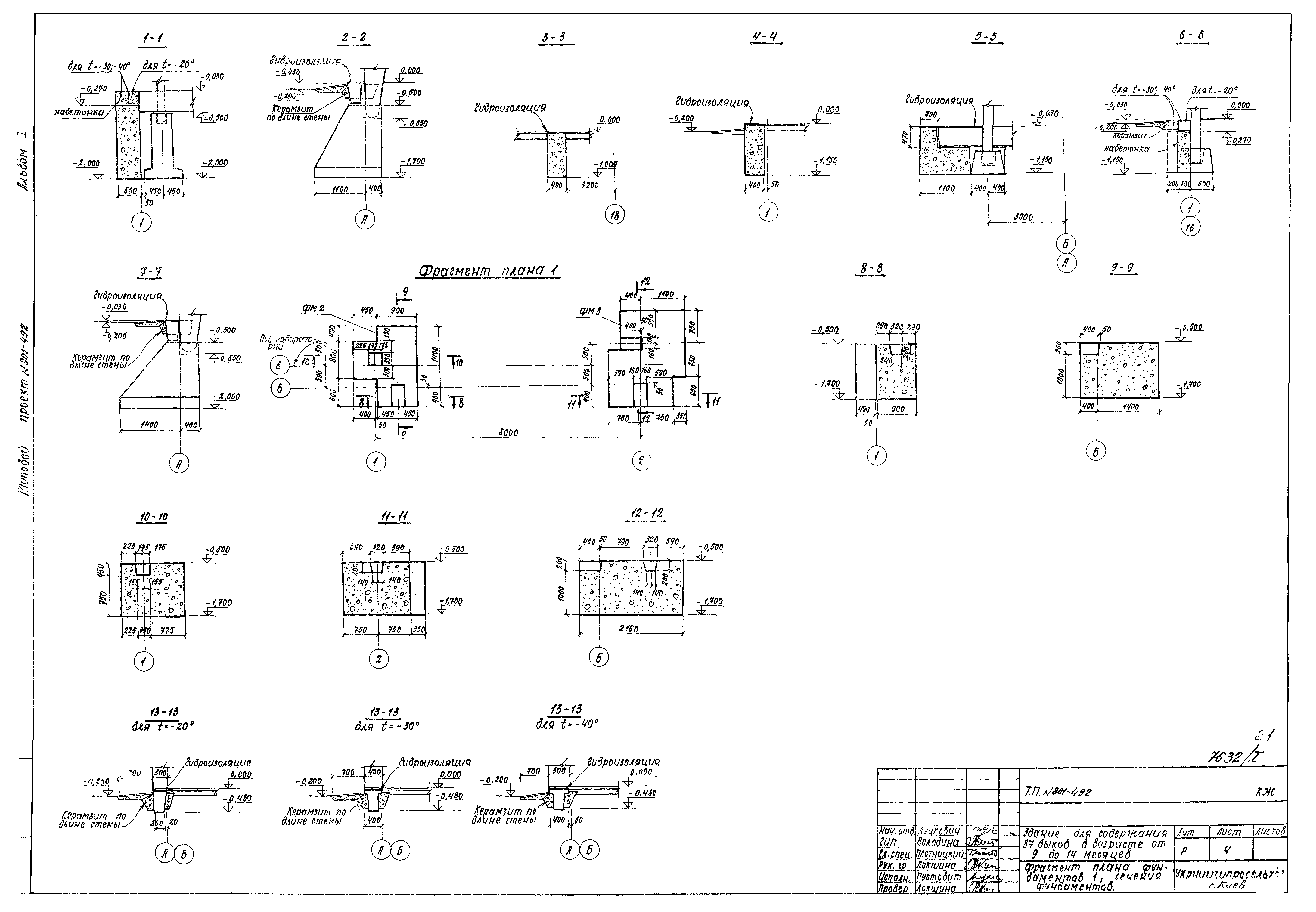
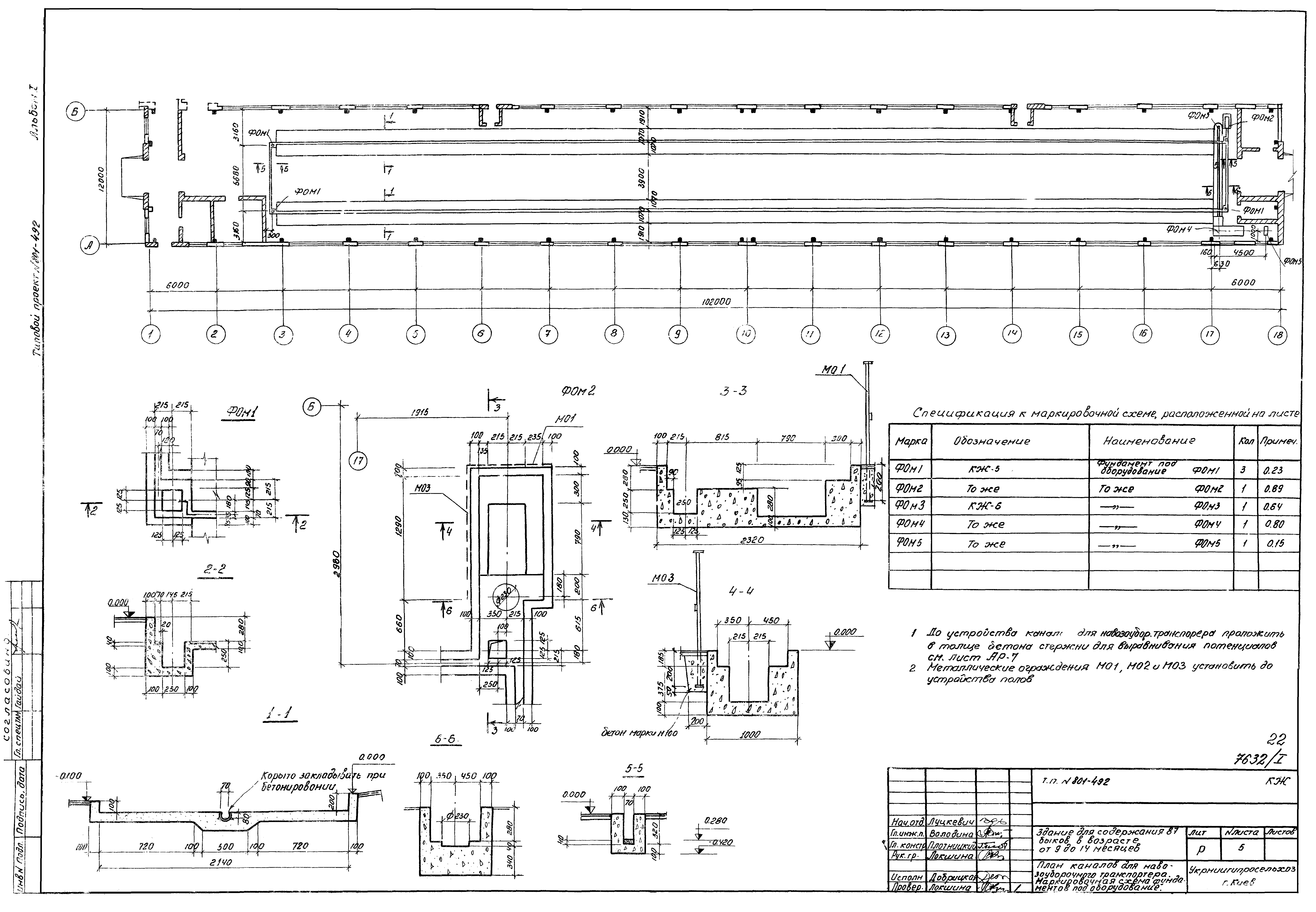
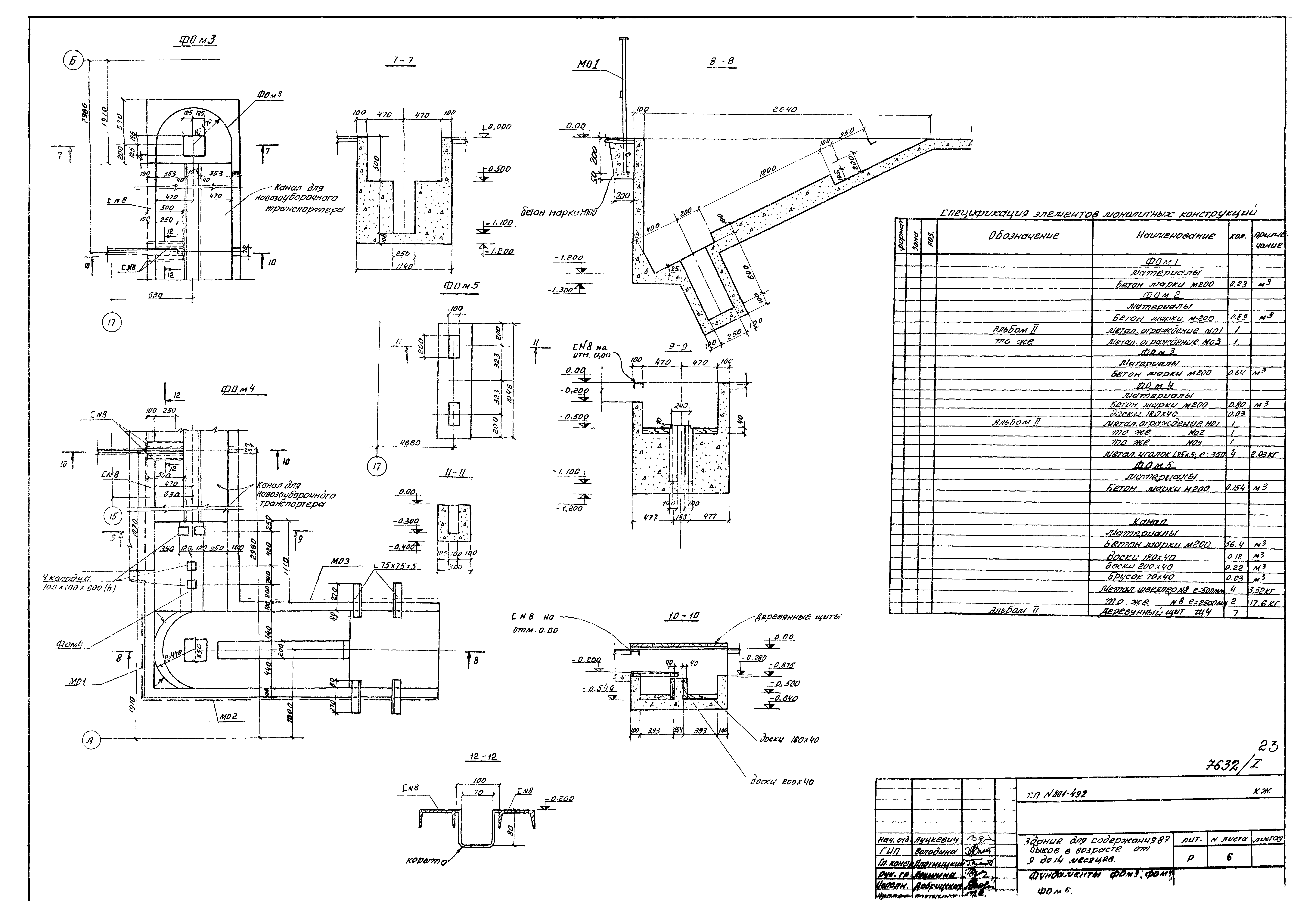
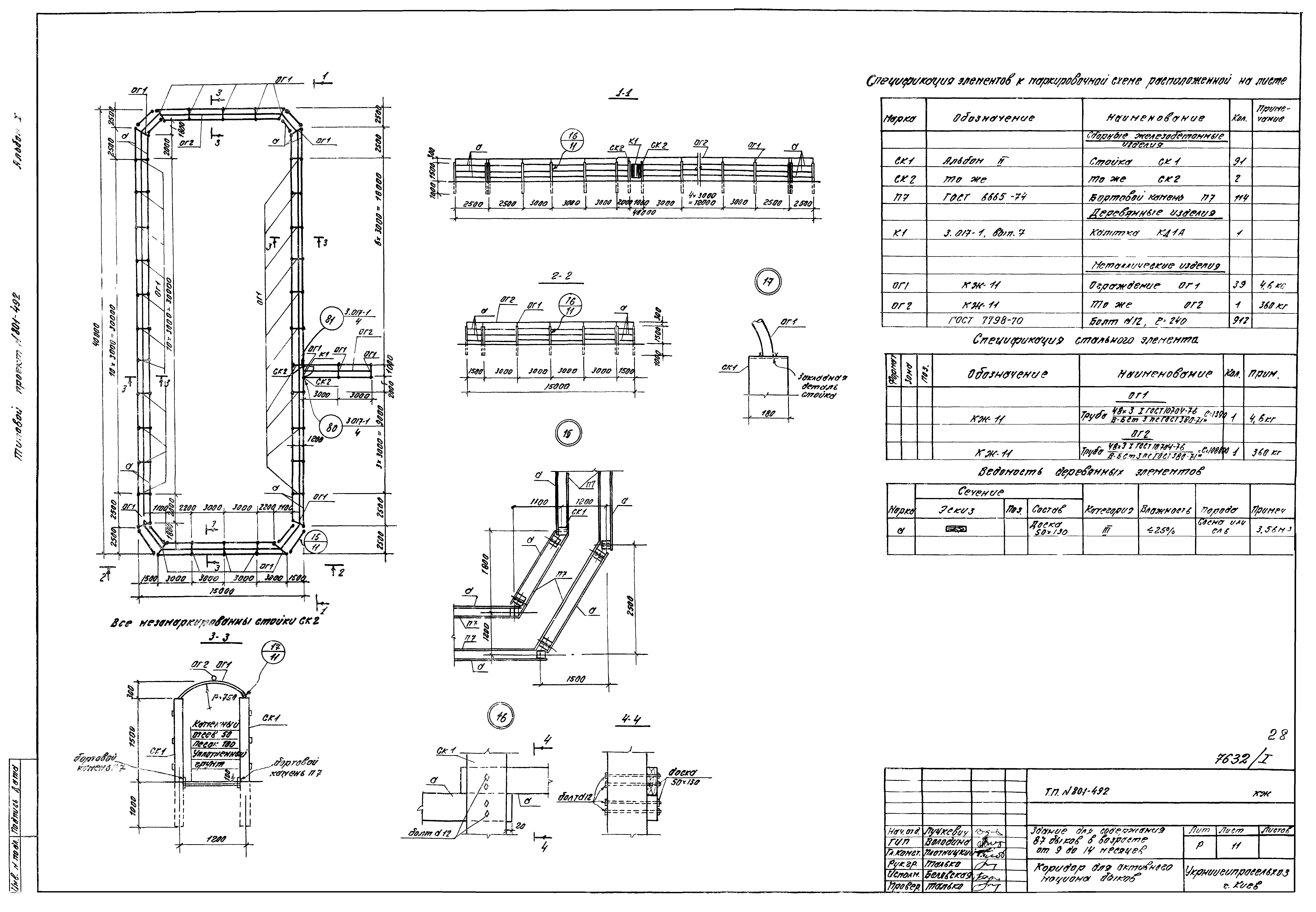
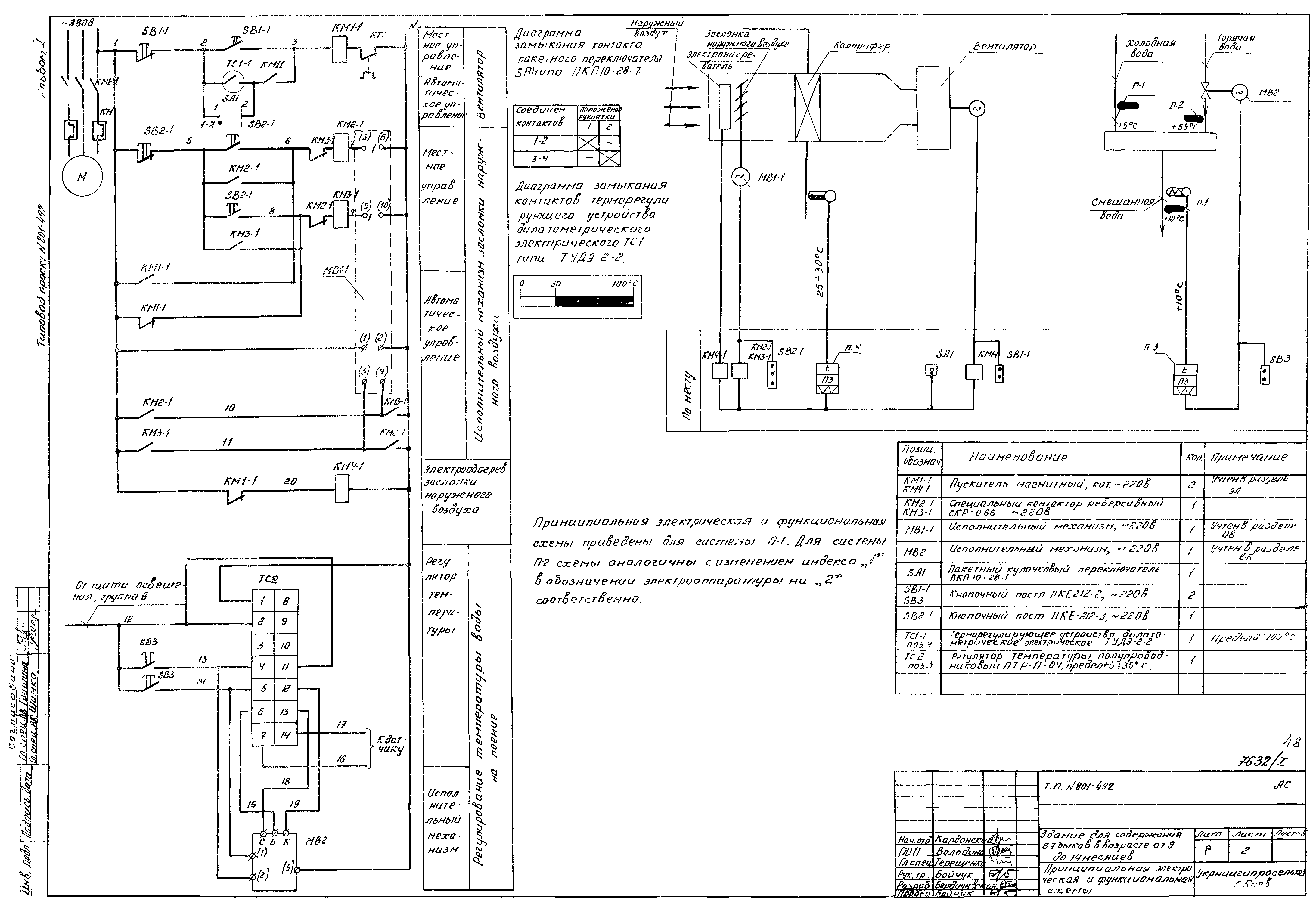
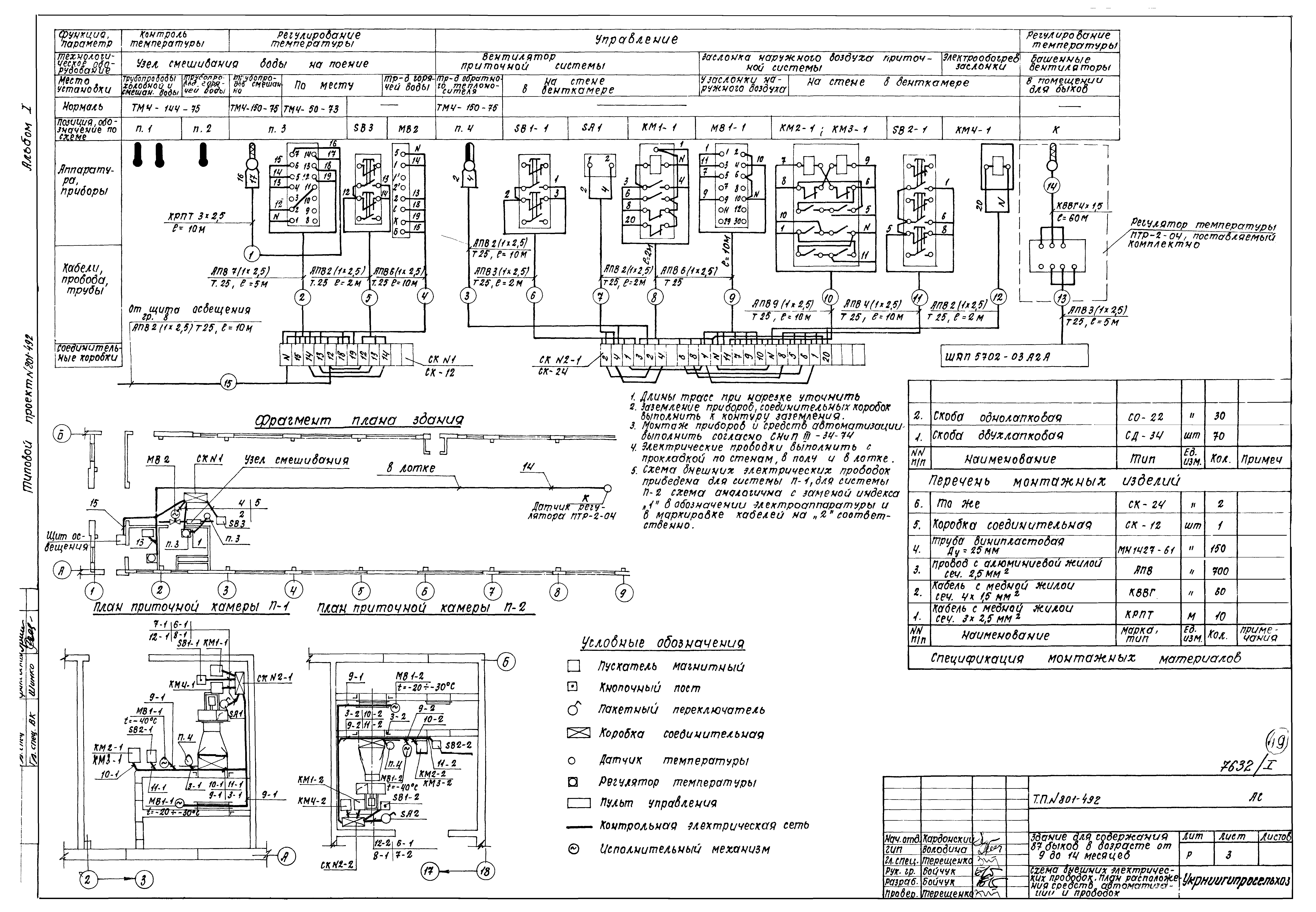
| Оглавление: | Титульный лист Содержание альбома Общая пояснительная записка Комплект ТЛМ Общие данные Стойловое оборудование. План Стойловое оборудование. Виды. Разрезы. Узлы Размещение транспортеров для уборки навоза. Установочный чертеж. План. Разрезы Комплект АР Общие данные План. Разрез 1-1 Фрагменты плана 1 и 2. Сечения Фасады План кровли. Разбивка обрешетки и брусков под обрешетку План полов Комплект КЖ Общие данные Маркировочная схема фундаментов и фундаментных балок Фрагмент плана фундаментов 1. Сечение 1-1 - 15-15 План каналов для навозоуборочного транспортера. Фундаменты под оборудование Фундаменты ФОм3, ФОм4, ФОм5 Маркировочные схемы рам, фахверковых колонн и плит покрытия Маркировочная схема стеновых панелей (для t = минус 20 градусов Цельсия) Маркировочная схема стеновых панелей (для t = минус 30 и минус 40 градусов Цельсия) Маркировочная схема железобетонных кормушек Коридор для активного моциона быков Комплект ВК Общие данные План. Схемы Комплект ОВ Общие данные План систем отопления, вентиляции и теплоснабжения установок П1; П2. Разрез 1-1 Схема трубопроводов системы отопления и системы теплоснабжения установок П1; П2. Узел управления Схема воздуховодов приточных систем П1; П2. Детали крепления воздуховодов Установка системы П1 Установка системы П2 Комплект ЭЛ Общие данные Схема силовой сети 380/220 В План силовой сети 380/220 В Электроосвещение Внутренний контур заземления и устройство выравнивания потенциалов Комплект АС Общие данные Принципиальная электрическая и функциональная схемы Схема внешних электрических проводок. План расположения средств автоматизации и проводок |
| Разработан: | Укрниигипросельхоз |
| Утверждён: | 25.06.1979 Минсельхоз СССР (USSR Minselkhoz 13/34) |

















































