Скачать Типовые проектные решения 816-1-88.86 Альбом I. Пояснительная записка. Схема генплана. Наружные сети водоснабжения и канализации. Тепловые сети. Электроснабжение, наружное освещение, связь и сигнализацияДата актуализации: 01.01.2021
|
| Обозначение: | Типовые проектные решения 816-1-88.86 |
| Обозначение англ: | 816-1-88.86 |
| Статус: | справочные материалы, мп, тпр |
| Название рус.: | Альбом I. Пояснительная записка. Схема генплана. Наружные сети водоснабжения и канализации. Тепловые сети. Электроснабжение, наружное освещение, связь и сигнализация |
| Дата добавления в базу: | 01.09.2013 |
| Дата актуализации: | 01.01.2021 |
| Дата окончания срока действия: | 06.12.1985 |
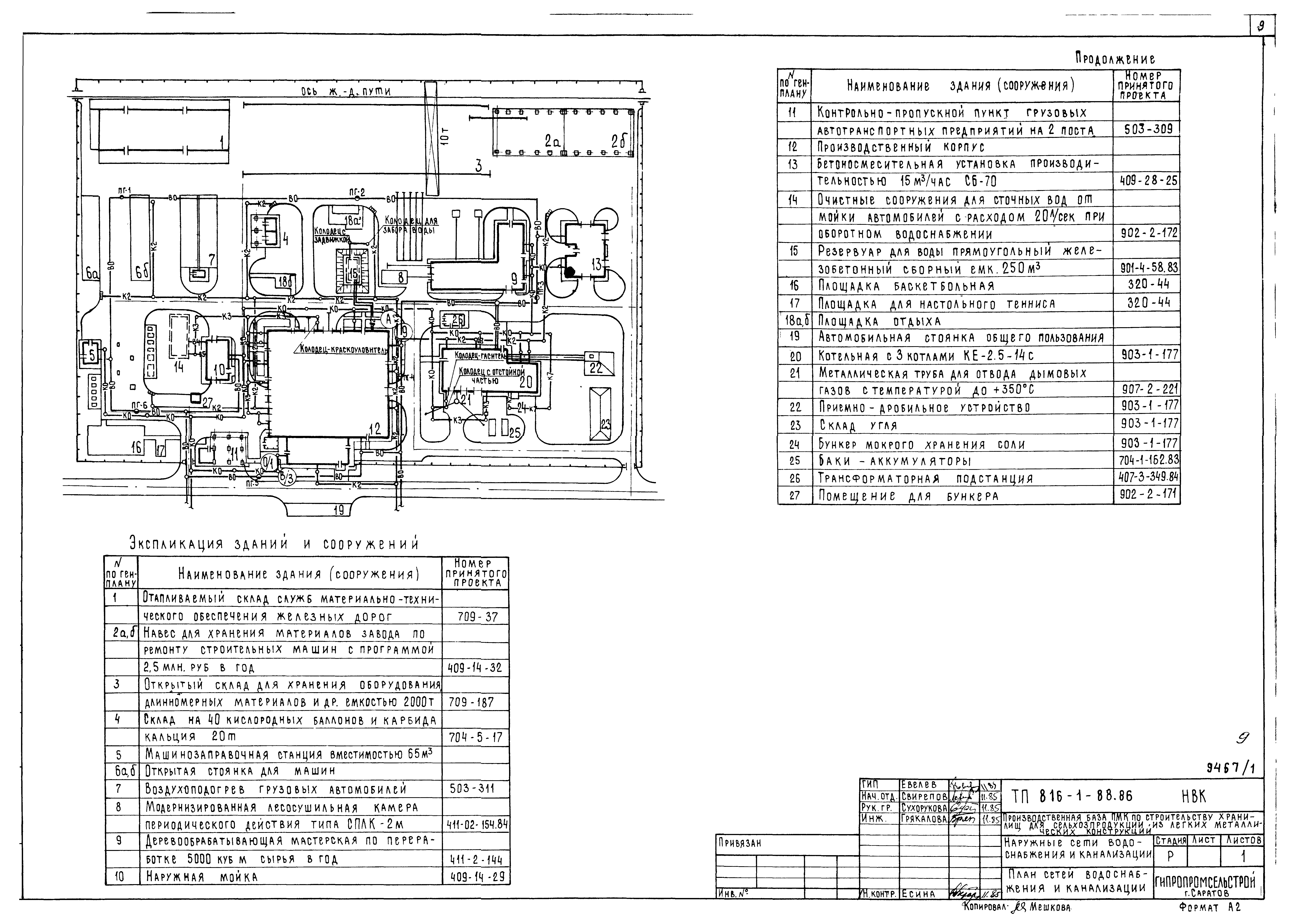
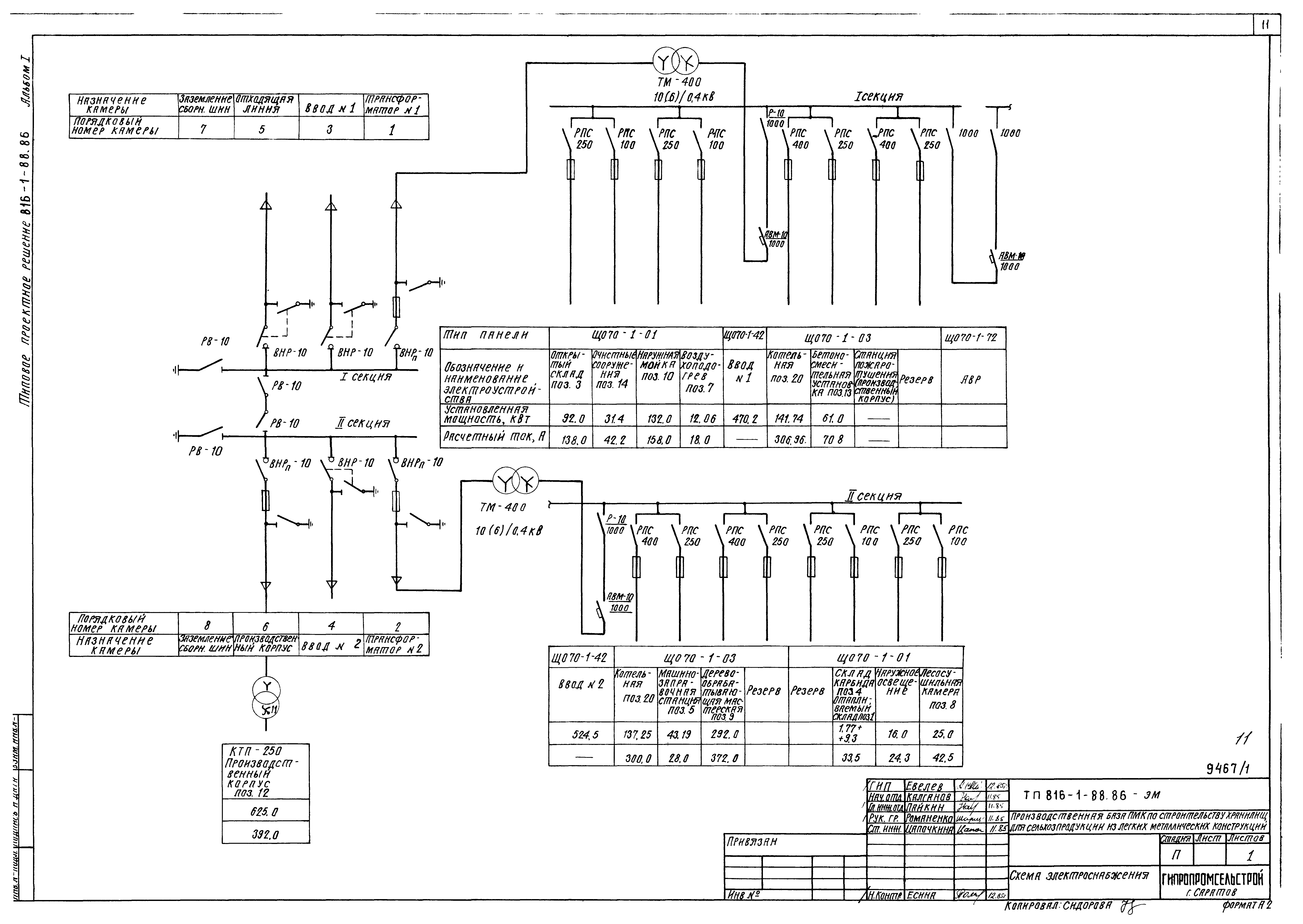
| Оглавление: | Пояснительная записка Схема генерального плана Сводный план инженерных сетей План сетей водоснабжения и канализации План тепловых сетей Схема электроснабжения Схема организации связи |
| Разработан: | Гипропромсельстрой |
| Утверждён: | 06.12.1985 Госкомсельхозтехника СССР (71-85) |












