Скачать Серия 1.242-1 Выпуск 1. Панели пролетом 9 метров с напрягаемой арматурой: стержневой класса А-IV, прядевой П-7 и проволочной Вр-II под нагрузкой 800 и 450 кг/кв. мДата актуализации: 01.01.2021
|
| Обозначение: | Серия 1.242-1 |
| Обозначение англ: | Series 1.242-1 |
| Статус: | не действует |
| Название рус.: | Выпуск 1. Панели пролетом 9 метров с напрягаемой арматурой: стержневой класса А-IV, прядевой П-7 и проволочной Вр-II под нагрузкой 800 и 450 кг/кв. м |
| Дата добавления в базу: | 01.10.2014 |
| Дата актуализации: | 01.01.2021 |
| Дата окончания срока действия: | 01.06.1986 |
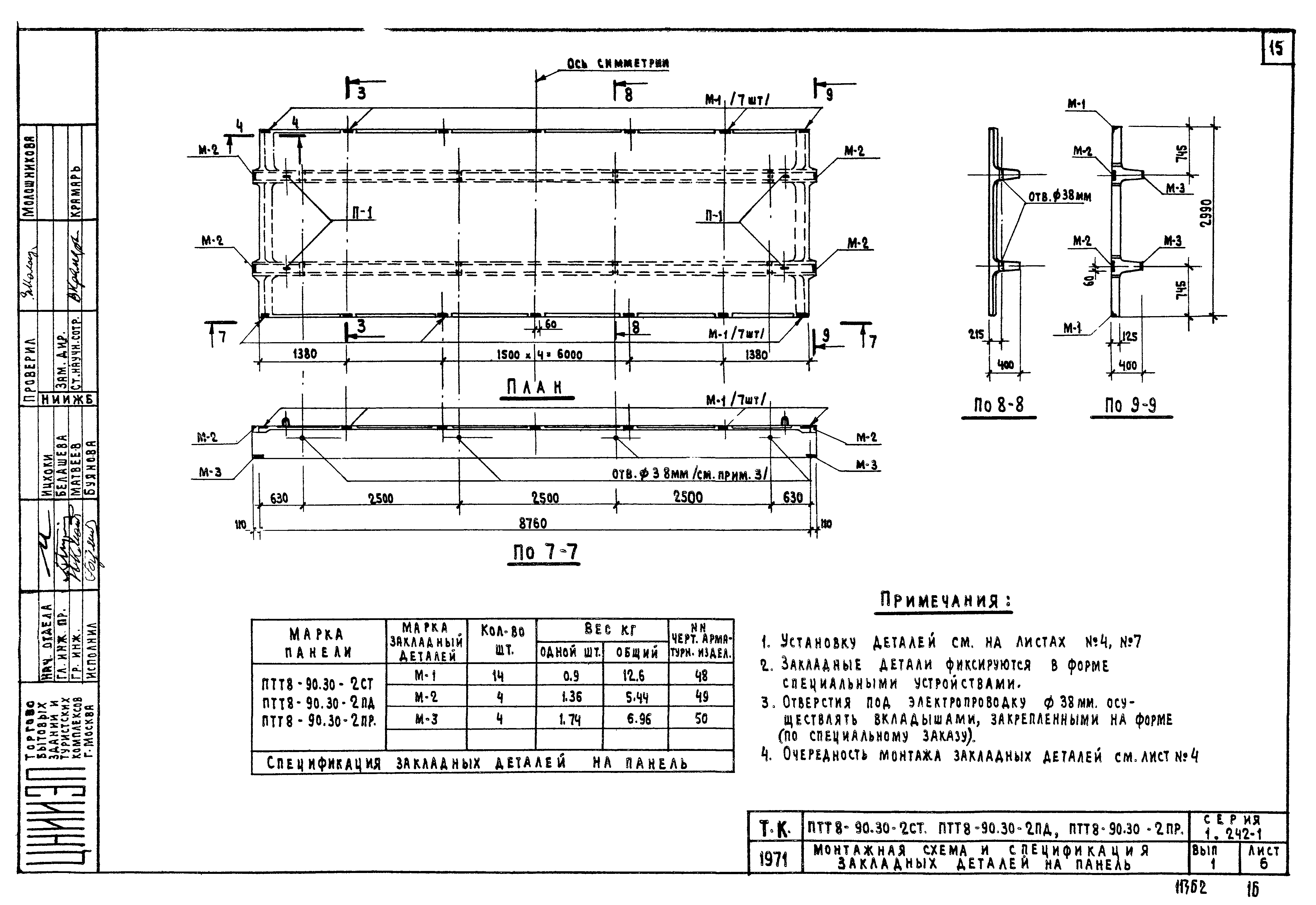
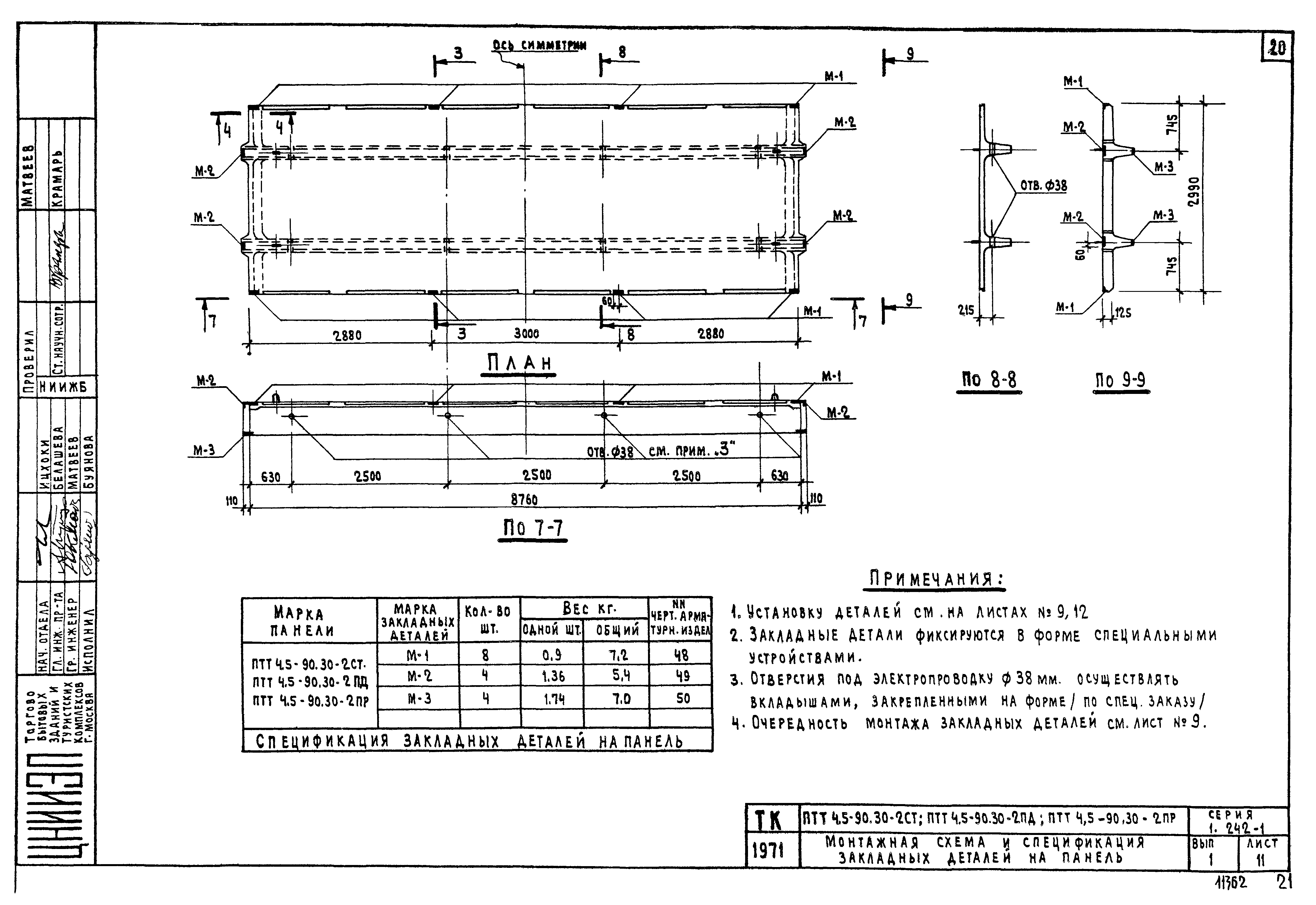
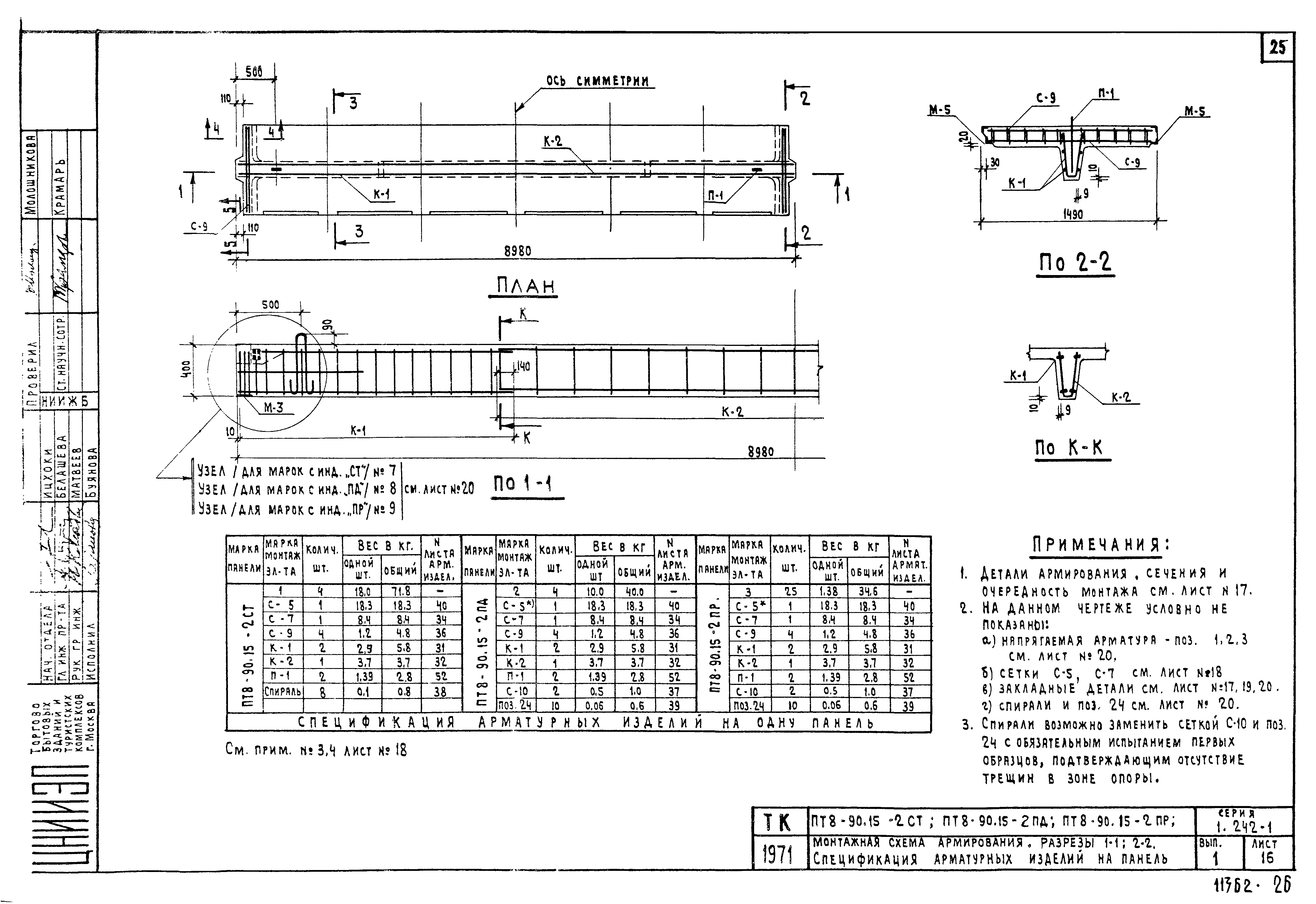
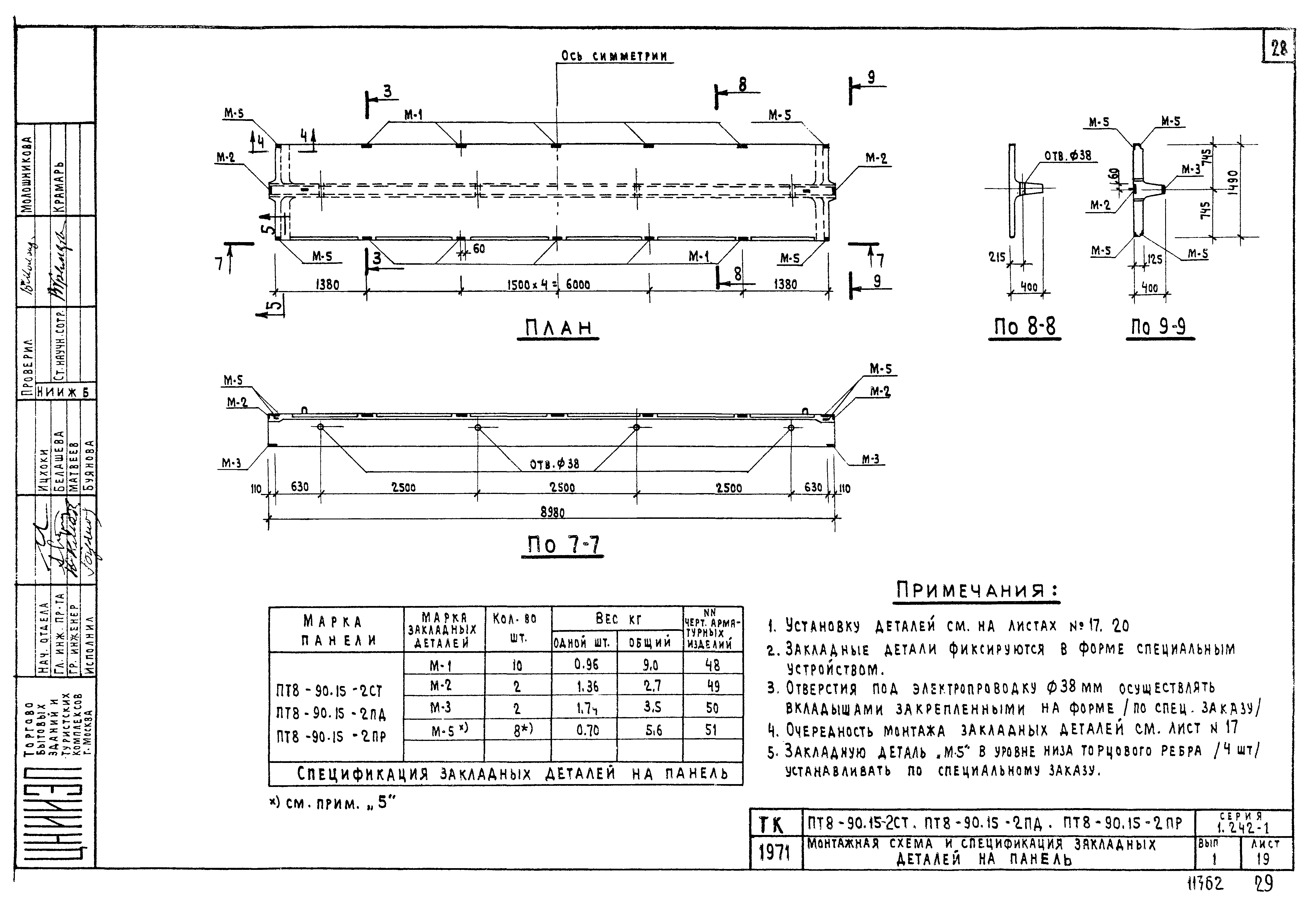
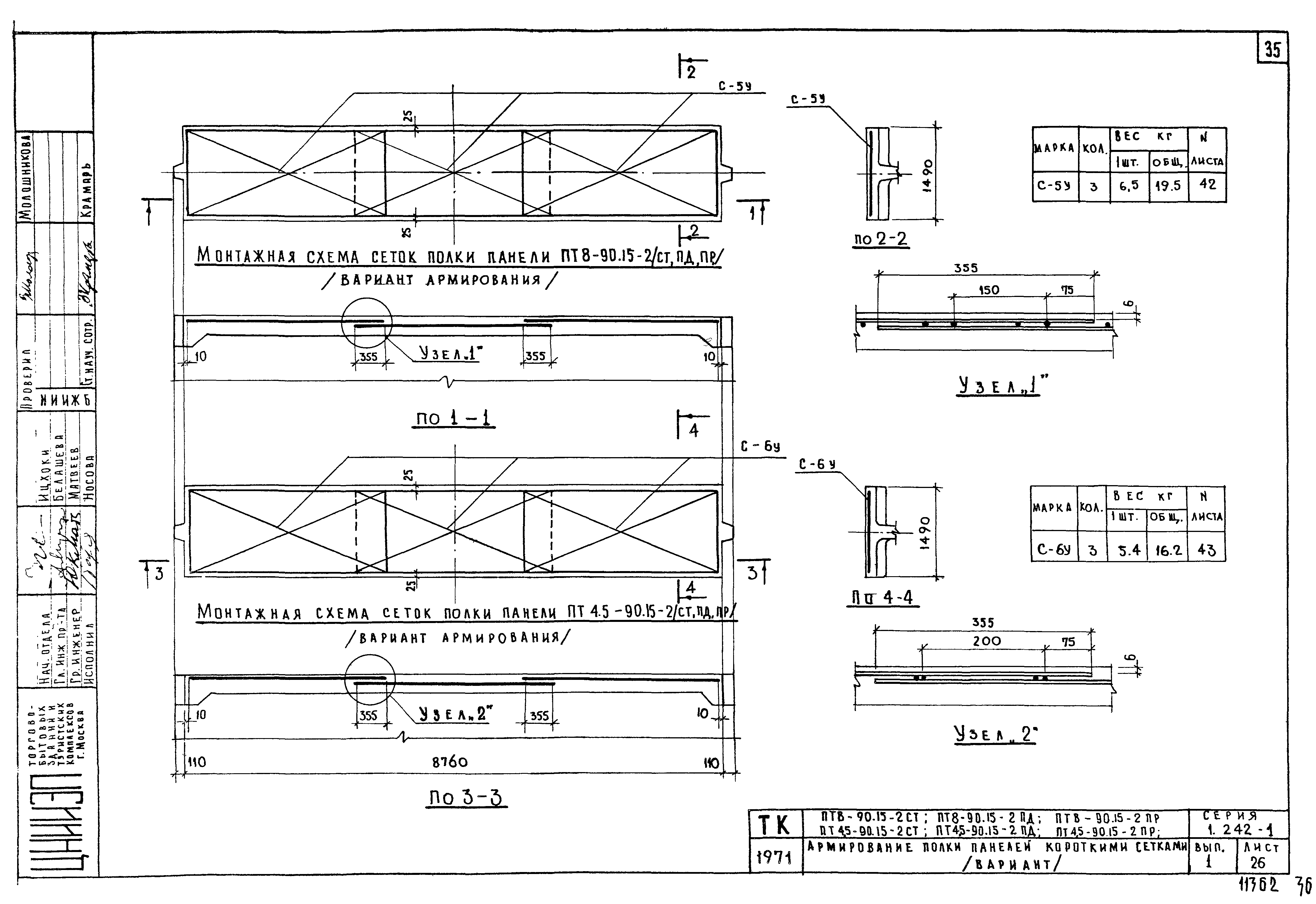
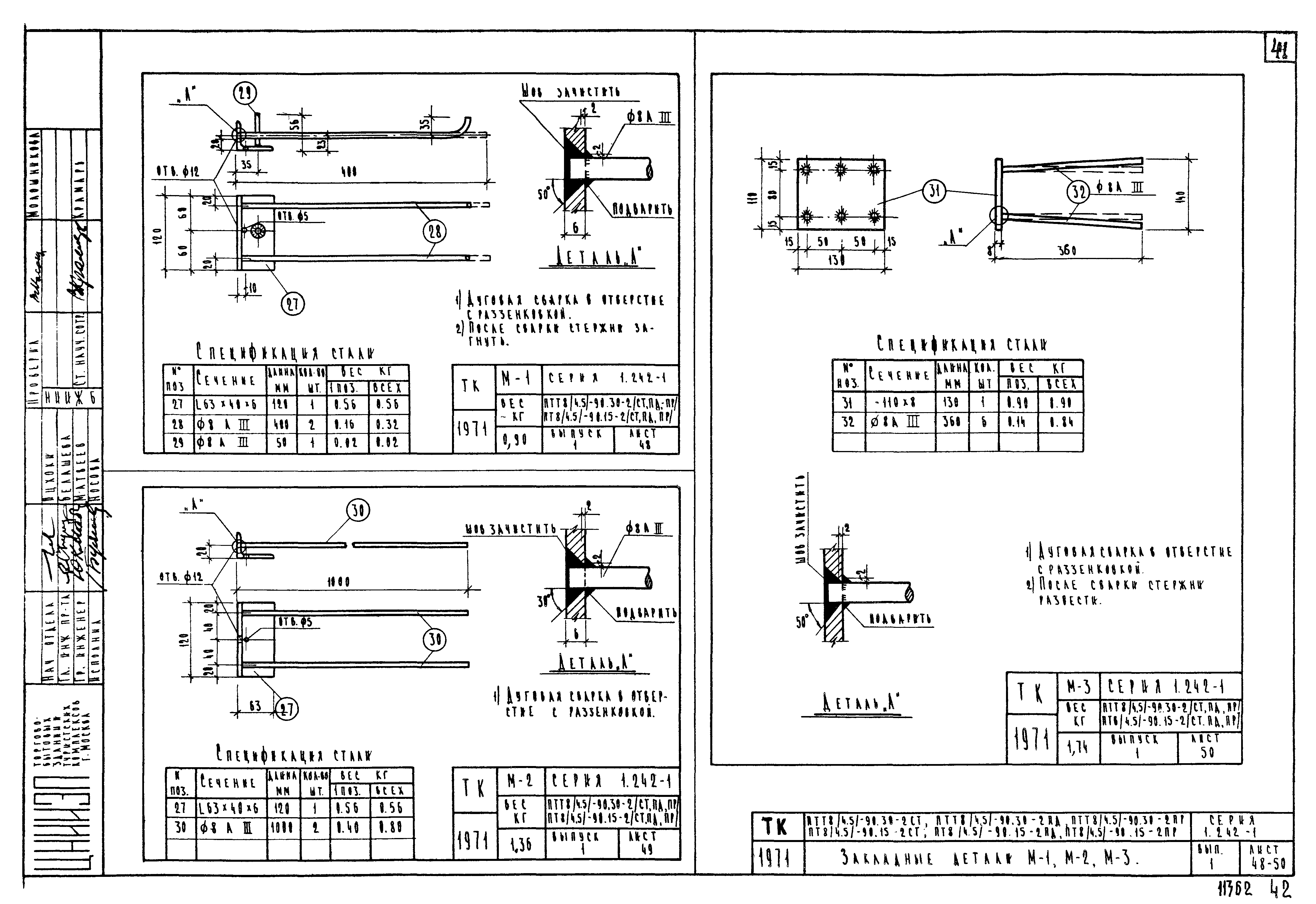
| Оглавление: | Содержание Номенклатура Пояснительная записка Панели. Общий вид панелей. Характеристика изделий Панели. Общий вид панелей. Узлы А, Б, В. Сечения 4-4, 5-5. Выборка стали Панели. Монтажная схема армирования. Разрезы 1-1, 2-2. Спецификация арматурных изделий на панель Армирование панелей. Детали. Очередность монтажа элементов Монтажная схема армирования полки панелей Монтажная схема и спецификация закладных деталей на панель Армирование панелей. Узлы 1, 2, 3 Панели. Монтажная схема армирования. Разрезы 1-1, 2-2. Спецификация арматурных изделий на панель Армирование панелей. Детали. Очередность монтажа элементов Монтажная схема армирования полки панелей Монтажная схема и спецификация закладных деталей на панель Армирование панелей. Узлы 4, 5, 6 Панели. Армирование полки панелей короткими сетками (вариант) Панели. Общий вид панелей. Характеристика изделий Панели. Общий вид панелей. Узлы А, Б, В. Сечения 4-4, 5-5, 6-6. Выборка стали Панели. Монтажная схема армирования. Разрезы 1-1, 2-2. Спецификация арматурных изделий на панель Армирование панелей. Детали. Очередность монтажа элементов Монтажная схема армирования полки панелей Монтажная схема и спецификация закладных деталей на панель Армирование панелей. Узлы 7, 8, 9 Панели. Монтажная схема армирования. Разрезы 1-1, 2-2. Спецификация арматурных изделий на панель Армирование панелей. Детали. Очередность монтажа элементов Монтажная схема армирования полки панелей Монтажная схема и спецификация закладных деталей на панель Армирование панелей. Узлы 10, 11, 12 Панели. Армирование полки панелей короткими сетками (вариант) Сетки Каркас Сетки Спираль Позиция 24 Сетки Марки Петля Заготовительная спецификация и выборка ненапрягаемой арматуры на одну панель Спецификация напрягаемой арматуры на панель. Заготовительная спецификация стали на закладные детали Указания по испытанию панелей Данные для испытания панелей |
| Разработан: | ЦНИИЭП торгово-бытовых зданий и туристских комплексов НИИЖБ |
| Утверждён: | 31.08.1971 Государственный комитет по гражданскому строительству и архитектуре при Госстрое СССР (163) |


















































