Скачать Серия ИИ-04-0 Выпуск 7. Рекомендации по заводской технологии изготовления изделийДата актуализации: 01.01.2021
|
| Обозначение: | Серия ИИ-04-0 |
| Обозначение англ: | Series ИИ-04-0 |
| Статус: | заменен |
| Название рус.: | Выпуск 7. Рекомендации по заводской технологии изготовления изделий |
| Дата добавления в базу: | 01.09.2013 |
| Дата актуализации: | 01.01.2021 |
| Дата введения: | 15.05.1974 |
| Дата окончания срока действия: | 01.04.1982 |
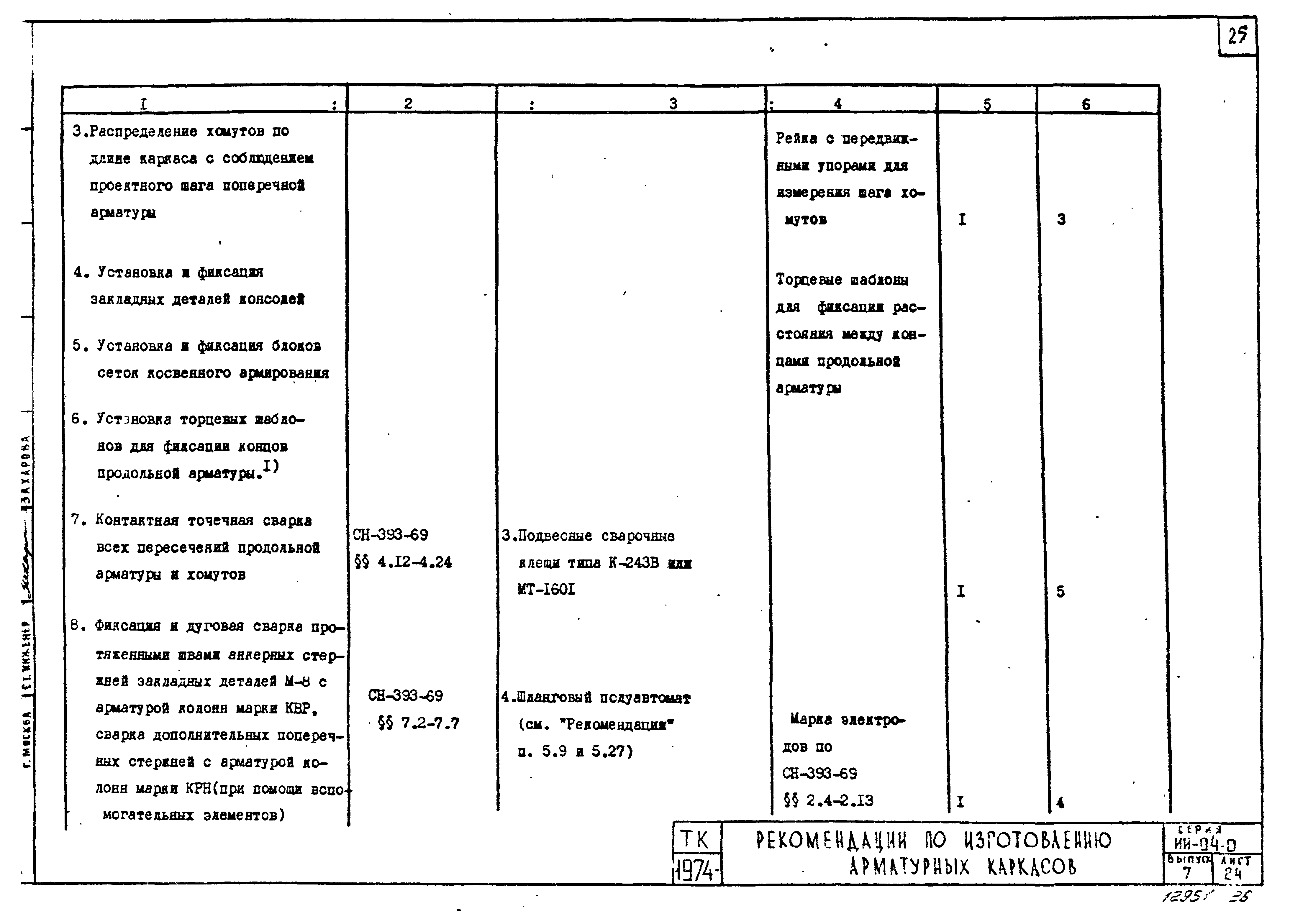
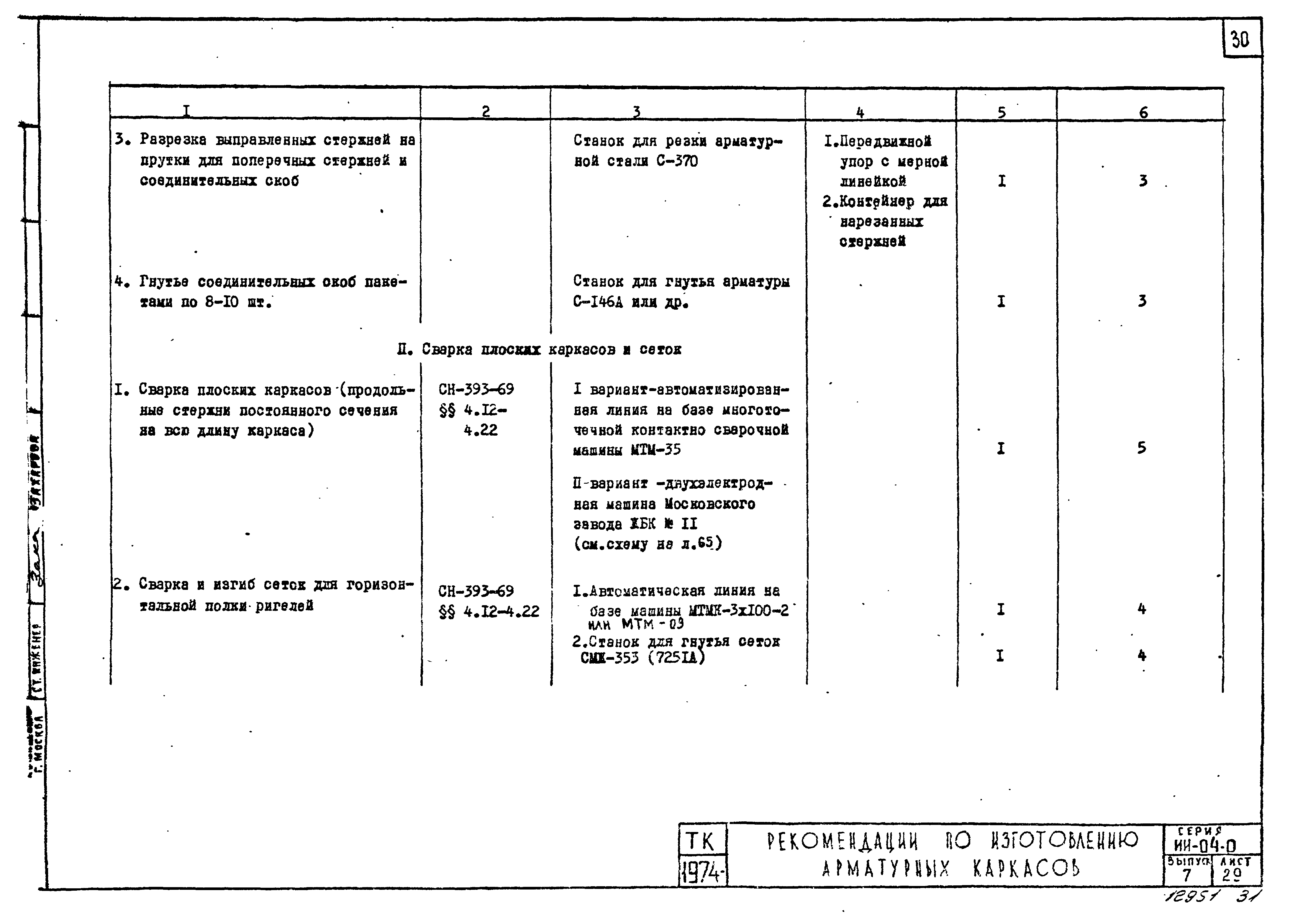
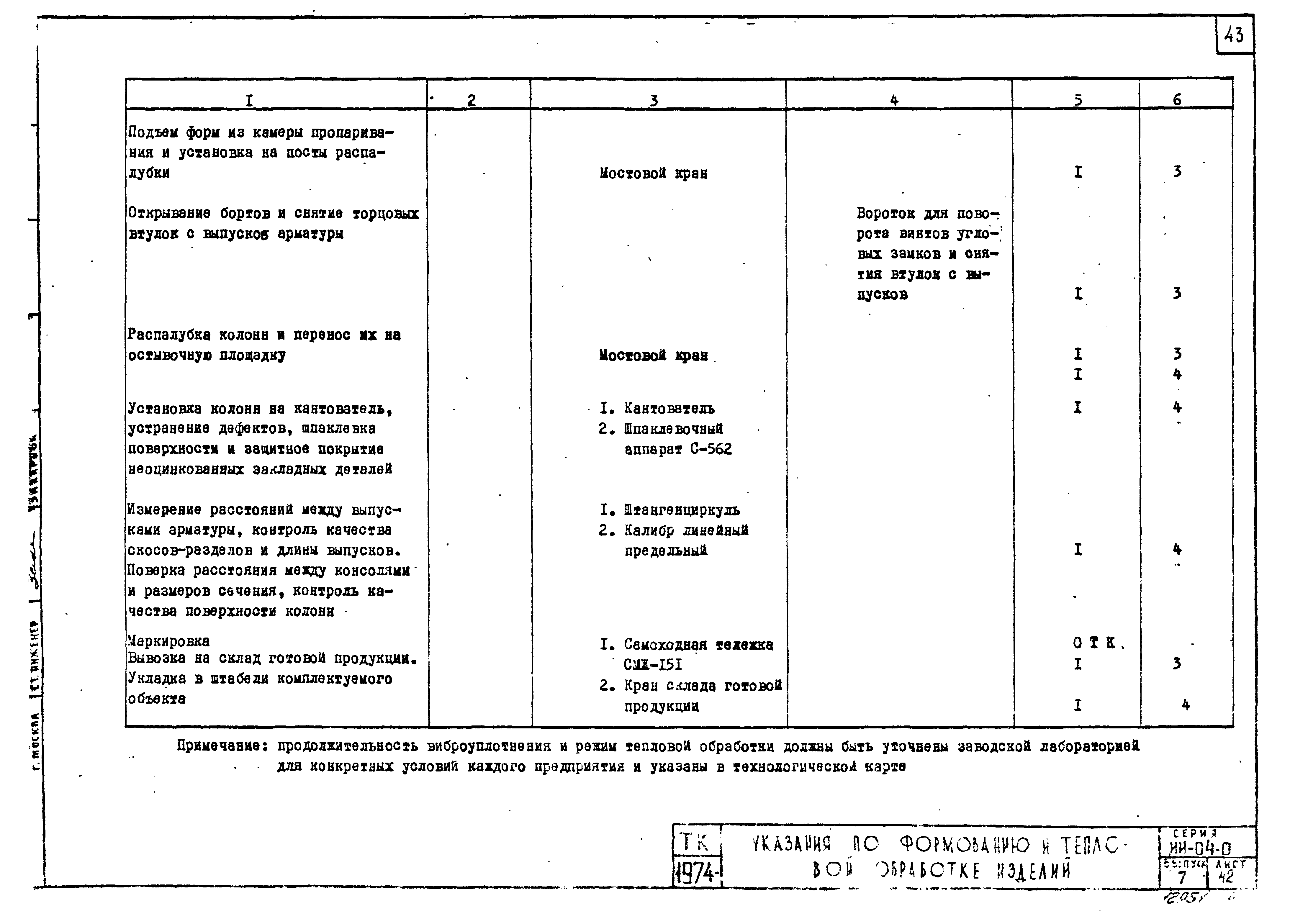
| Оглавление: | 1. Общие положения 2. Требования к материалам 3. Организация производства 4. Требования к стальным формам 5. Рекомендации по изготовлению арматурных каркасов а) Общие требования б) Изготовление арматурных каркасов колонн в) Изготовление арматурных каркасов ригелей г) Изготовление арматурных каркасов диафрагмы жесткости 6. Рекомендации по изготовлению закладных деталей 7. Указания по подготовке форм и установок арматуры и закладных деталей 8. Указания по формованию и тепловой обработке колонн, ригелей и диафрагм жесткости 9. Повышение заводской готовности изделий 10. Контроль качества и приемка готовых изделий 11. Перевозка и складирование Приложения 1 - 3. Технические характеристики оборудования для изготовления спортивных изделий Приложение 4. Перечень нормативных документов, учтенных при составлении рекомендаций Чертежи и схемы |
| Разработан: | ЦНИИЭП торгово-бытовых зданий и туристских комплексов |
| Утверждён: | 09.04.1974 Государственный комитет по гражданскому строительству и архитектуре при Госстрое СССР (58) |
| Чем заменён: |















































































