Скачать Типовой проект 904-1-69.87 Альбом III. Электротехнические чертежи первичных соединений. Управление и автоматизацияДата актуализации: 01.01.2021
|
| Обозначение: | Типовой проект 904-1-69.87 |
| Обозначение англ: | 904-1-69.87 |
| Статус: | справочные материалы, мп, тпр |
| Название рус.: | Альбом III. Электротехнические чертежи первичных соединений. Управление и автоматизация |
| Дата добавления в базу: | 01.09.2013 |
| Дата актуализации: | 01.01.2021 |
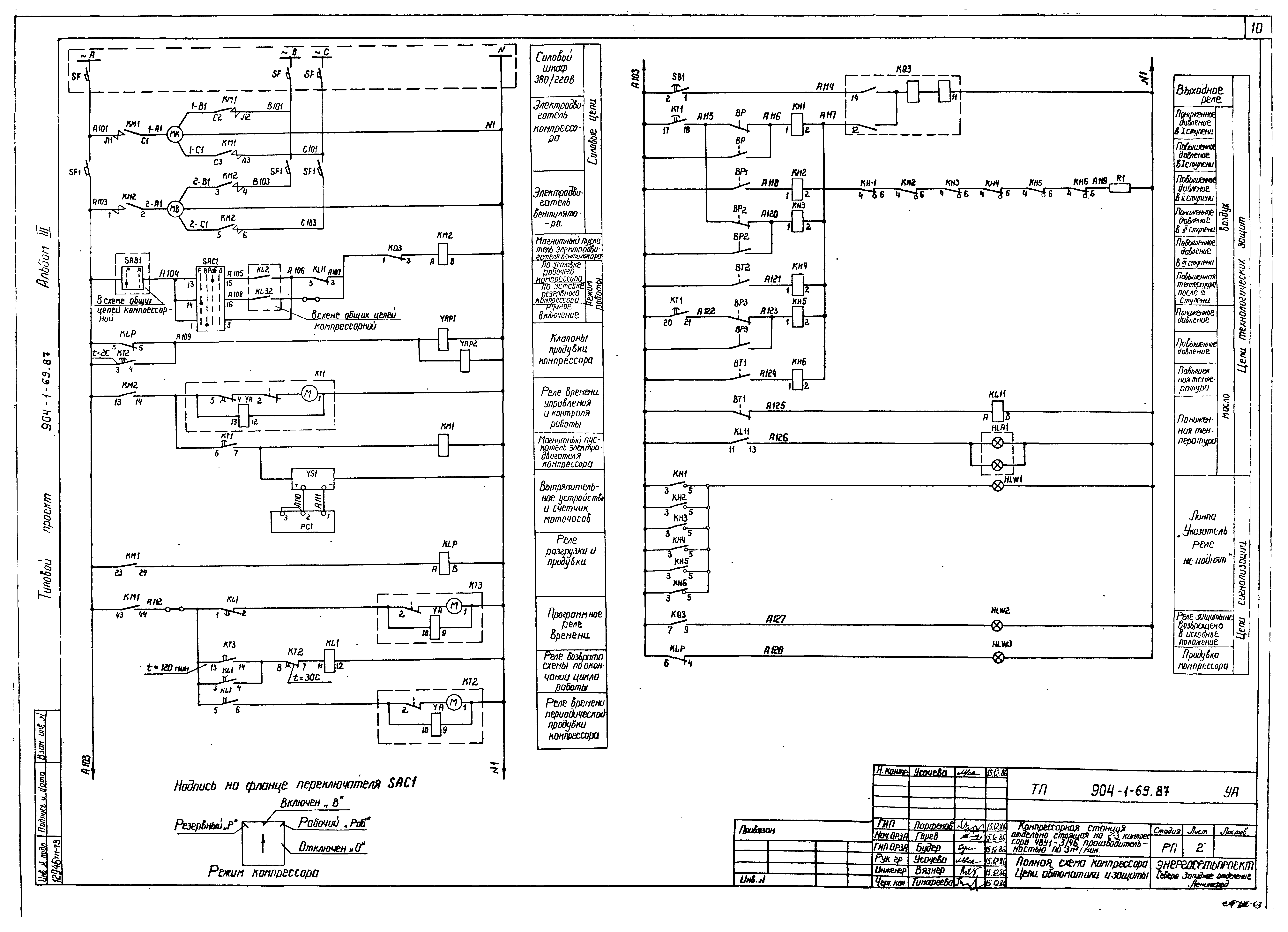
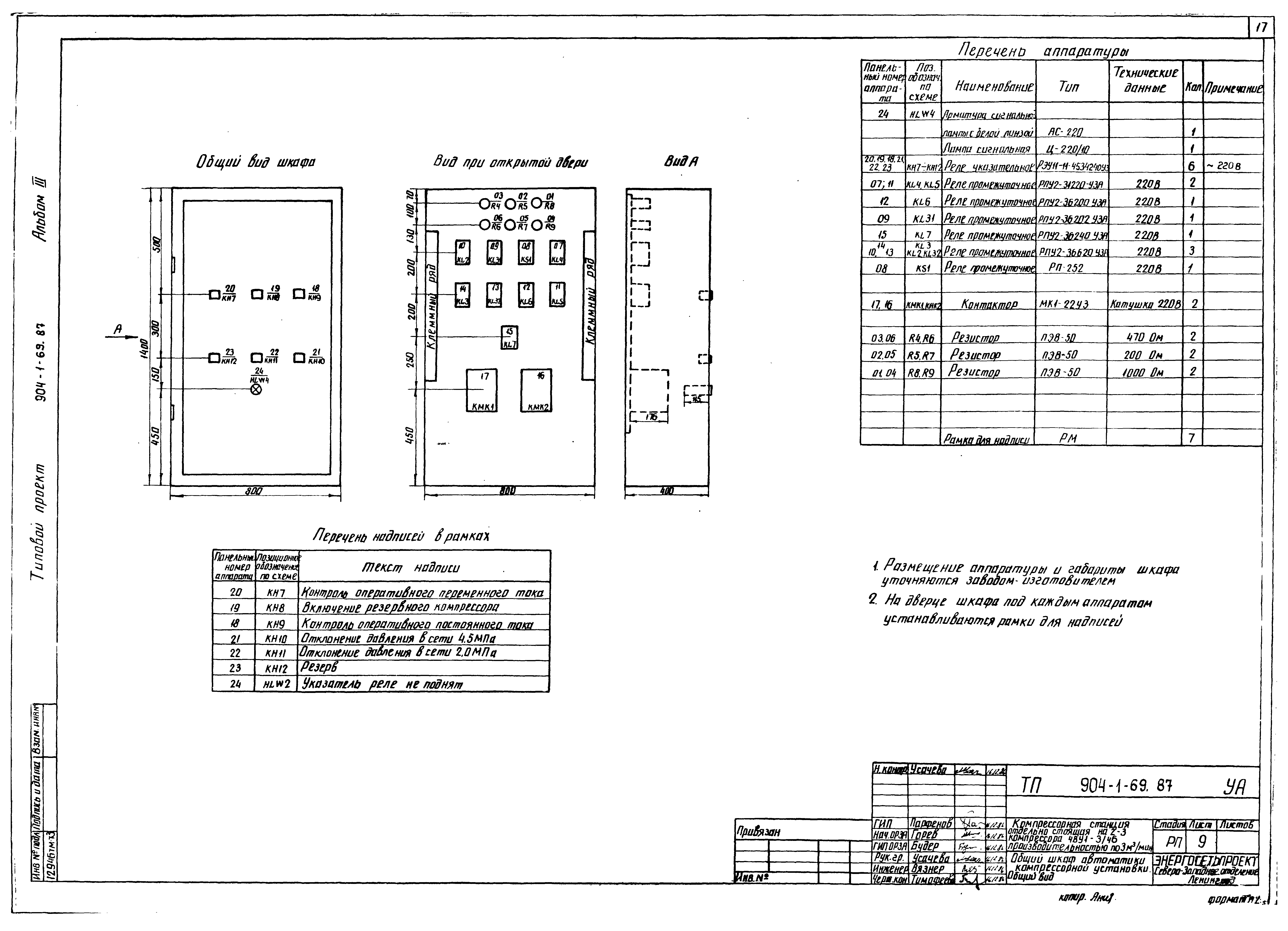
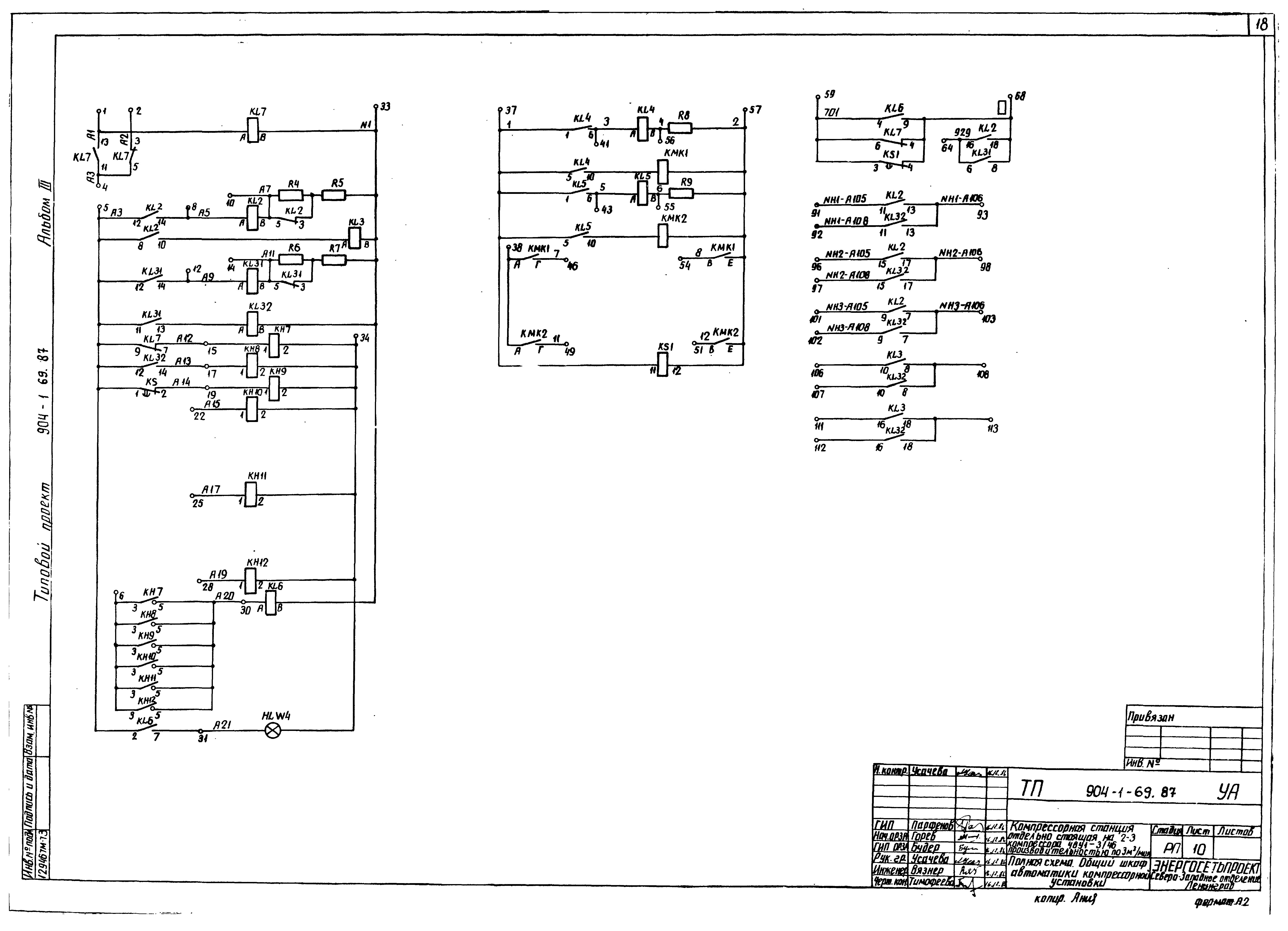
| Оглавление: | Чертежи основного комплекта марки ЭП Общие данные Схема силовой распределительной сети Освещение. План и схема План электрической сети отопления и вентиляции План сети заземления Размещение электрооборудования и разводка кабелей Журнал силовых кабелей Журнал контрольных кабелей Чертежи основного комплекта марки УА Общие данные Полная схема компрессора. Цепи автоматики и защиты Полная схема общих цепей компрессорной установки. Цепи автоматики, защиты и сигнализации Индивидуальный шкаф автоматики компрессора. Общий вид Полная схема. Индивидуальный шкаф автоматики компрессора Ряд зажимов индивидуального шкафа автоматики компрессора Общий шкаф автоматики компрессорной установки. Общий вид Полная схема. Общий шкаф автоматики компрессорной установки Ряды зажимов общего шкафа автоматики компрессорной установки Подключение приборов компрессорной установки |
| Разработан: | Северо-западное отделение института Энергосетьпроект |
| Утверждён: | 09.12.1986 Минэнерго СССР (USSR Minenergo 52) |
| Издан: | ЦИТП Госстроя СССР (CITP, Gosstroy (USSR) 1987 г. ) |





















