Скачать Типовой проект 904-1-69.87 Альбом IV. Архитектурно-строительные решения. Конструкции металлические. Санитарно-технические решенияДата актуализации: 01.01.2021
|
| Обозначение: | Типовой проект 904-1-69.87 |
| Обозначение англ: | 904-1-69.87 |
| Статус: | справочные материалы, мп, тпр |
| Название рус.: | Альбом IV. Архитектурно-строительные решения. Конструкции металлические. Санитарно-технические решения |
| Дата добавления в базу: | 01.09.2013 |
| Дата актуализации: | 01.01.2021 |
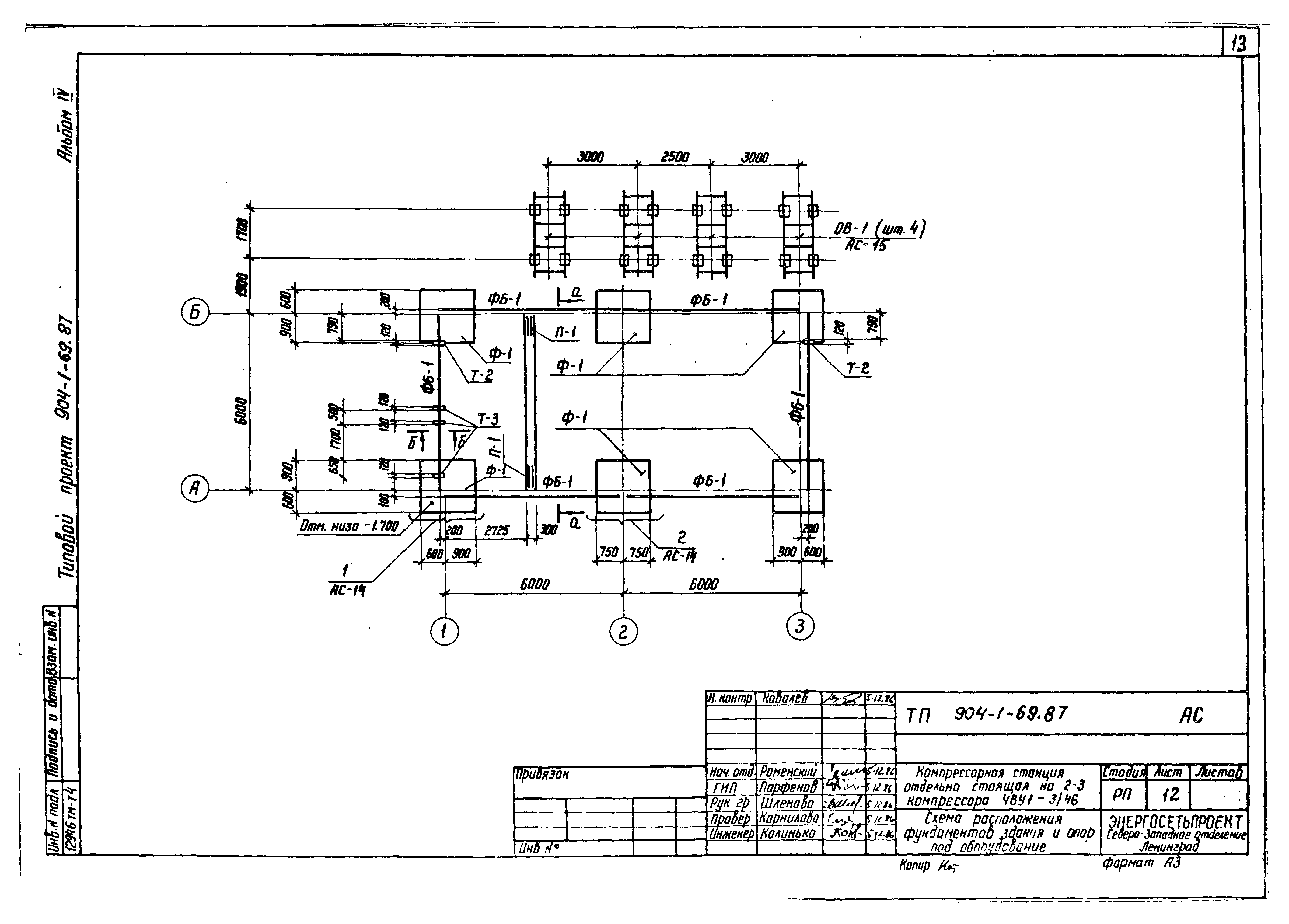
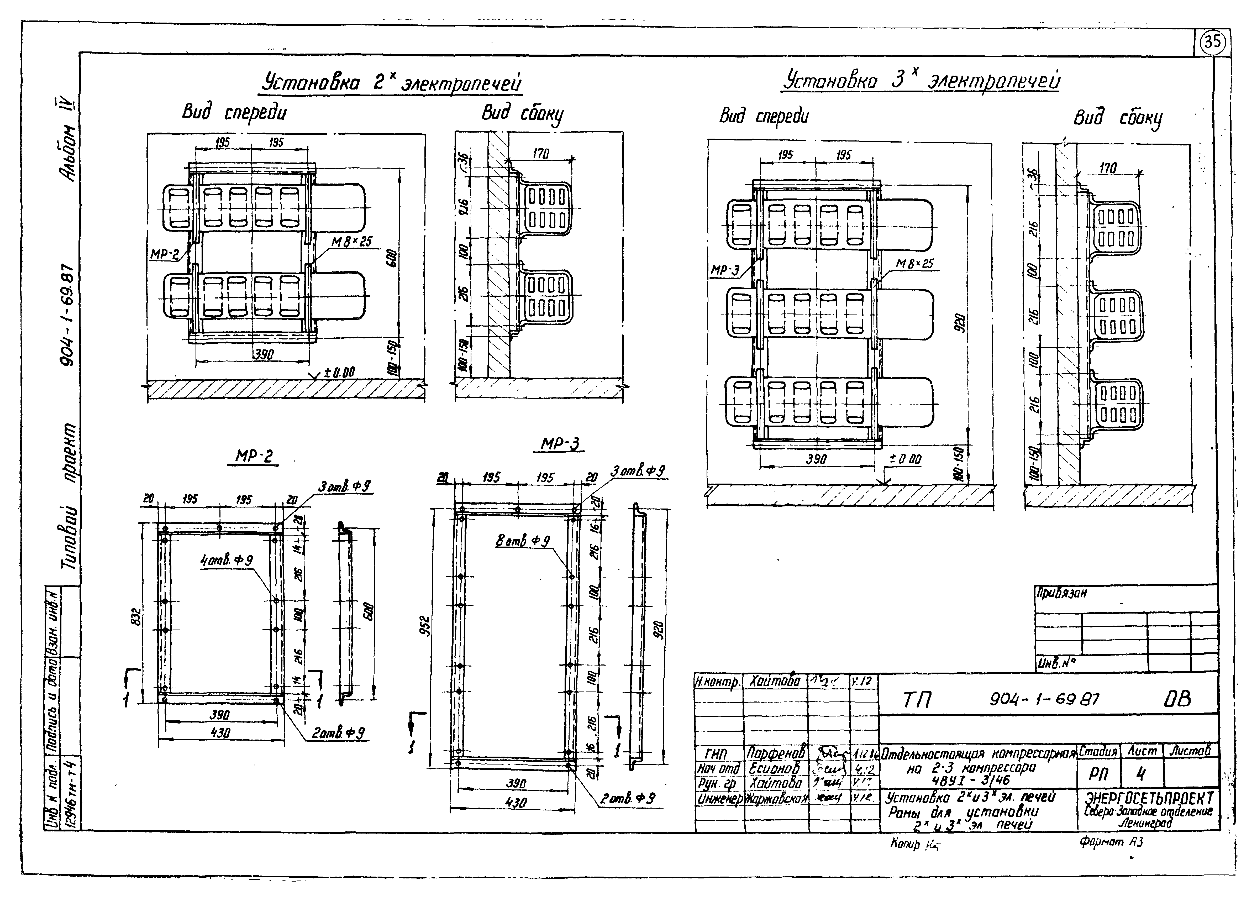
| Оглавление: | Чертежи основного комплекта марки АС Общие данные Планы полов и кровли План на отм. 0.000. Спецификации Разрезы 1-1, 2-2 Узлы А и Б Фасады Фрагмент фасада 1 Схема расположения фундаментов здания и опор под оборудование Спецификация к схеме расположения фундаментов здания и опор под оборудование Узлы 1, 2 к схеме расположения фундаментов здания и опор под оборудование Схема расположения элементов опоры ОВ-1 Схема расположения колонн, балок и плит покрытия Схемы расположения стеновых панелей Спецификация элементов к схемам расположения стеновых панелей Узлы 1, 5 к схемам расположения стеновых панелей Схема расположения фундаментов под компрессоры и каналов Фрагменты 1 - 3 к схеме расположения фундаментов под компрессоры и каналов Фрагмент 4, узлы II и III к схеме расположения фундаментов под компрессоры и каналов Приямок Пн-1 Приямок Пн-2 Схема расположения стальных щитов Чертежи основного комплекта марки КМ Общие данные Схема расположения подвесных труб для кранбалки Спецификация к схеме расположения подвесных труб для кранбалки. Ведомость элементов Чертежи основного комплекта марки ОВ Общие данные План на отм. 0.000. Разрез 1-1. Схема системы П1 Установка 2-х и 3-х электропечей. Рамы для установки 2-х и 3-х электропечей |
| Разработан: | Северо-западное отделение института Энергосетьпроект |
| Утверждён: | 09.12.1986 Минэнерго СССР (USSR Minenergo 52) |
| Издан: | ЦИТП Госстроя СССР (CITP, Gosstroy (USSR) 1987 г. ) |




































