Скачать Типовые проектные решения 903-01-193 Альбом 1. Газоснабжение, мазутоснабжение, автоматизация газоснабжения и мазутоснабженияДата актуализации: 01.01.2021
|
| Обозначение: | Типовые проектные решения 903-01-193 |
| Обозначение англ: | 903-01-193 |
| Статус: | справочные материалы, мп, тпр |
| Название рус.: | Альбом 1. Газоснабжение, мазутоснабжение, автоматизация газоснабжения и мазутоснабжения |
| Дата добавления в базу: | 01.09.2013 |
| Дата актуализации: | 01.01.2021 |
| Дата окончания срока действия: | 24.06.1982 |
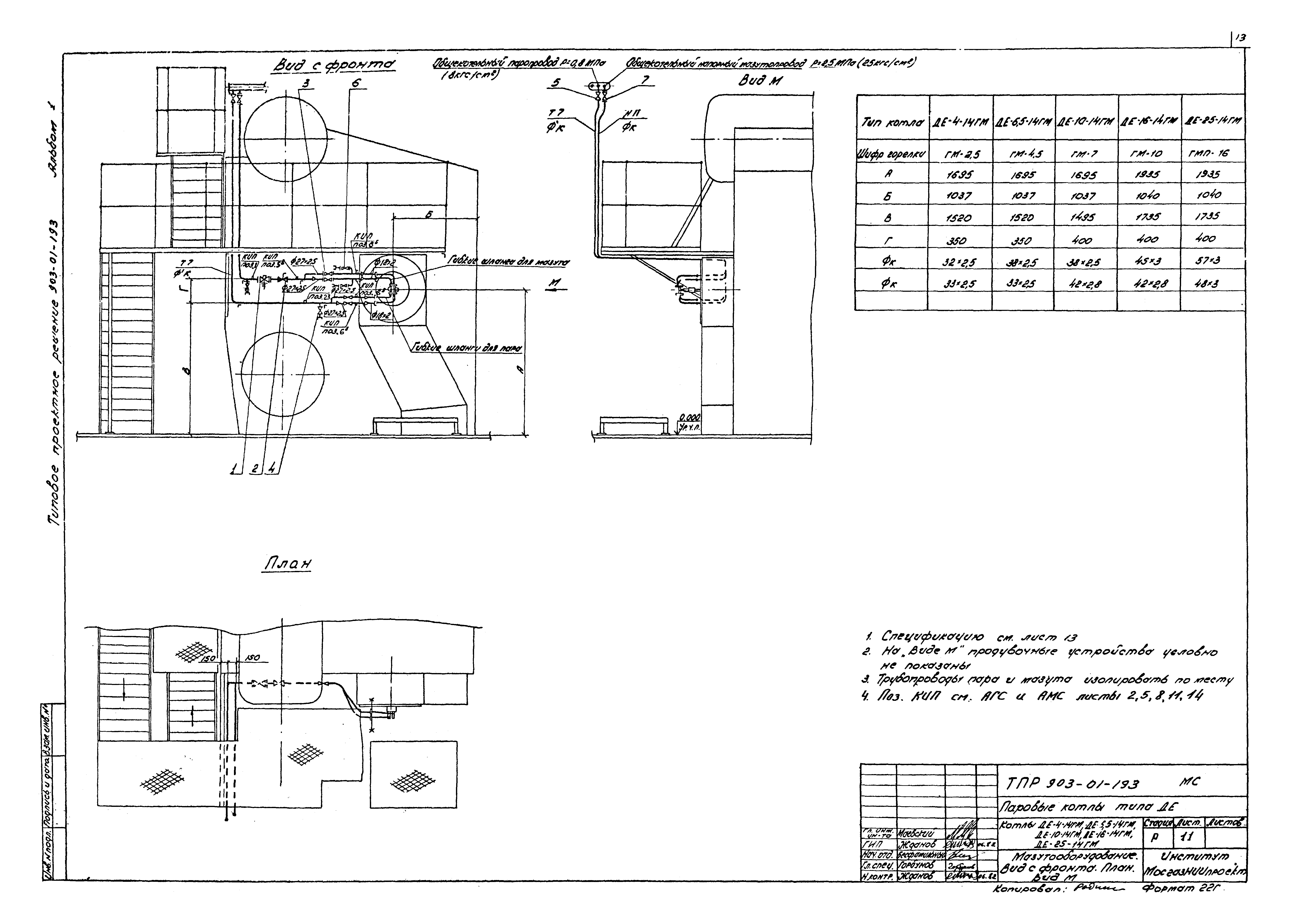
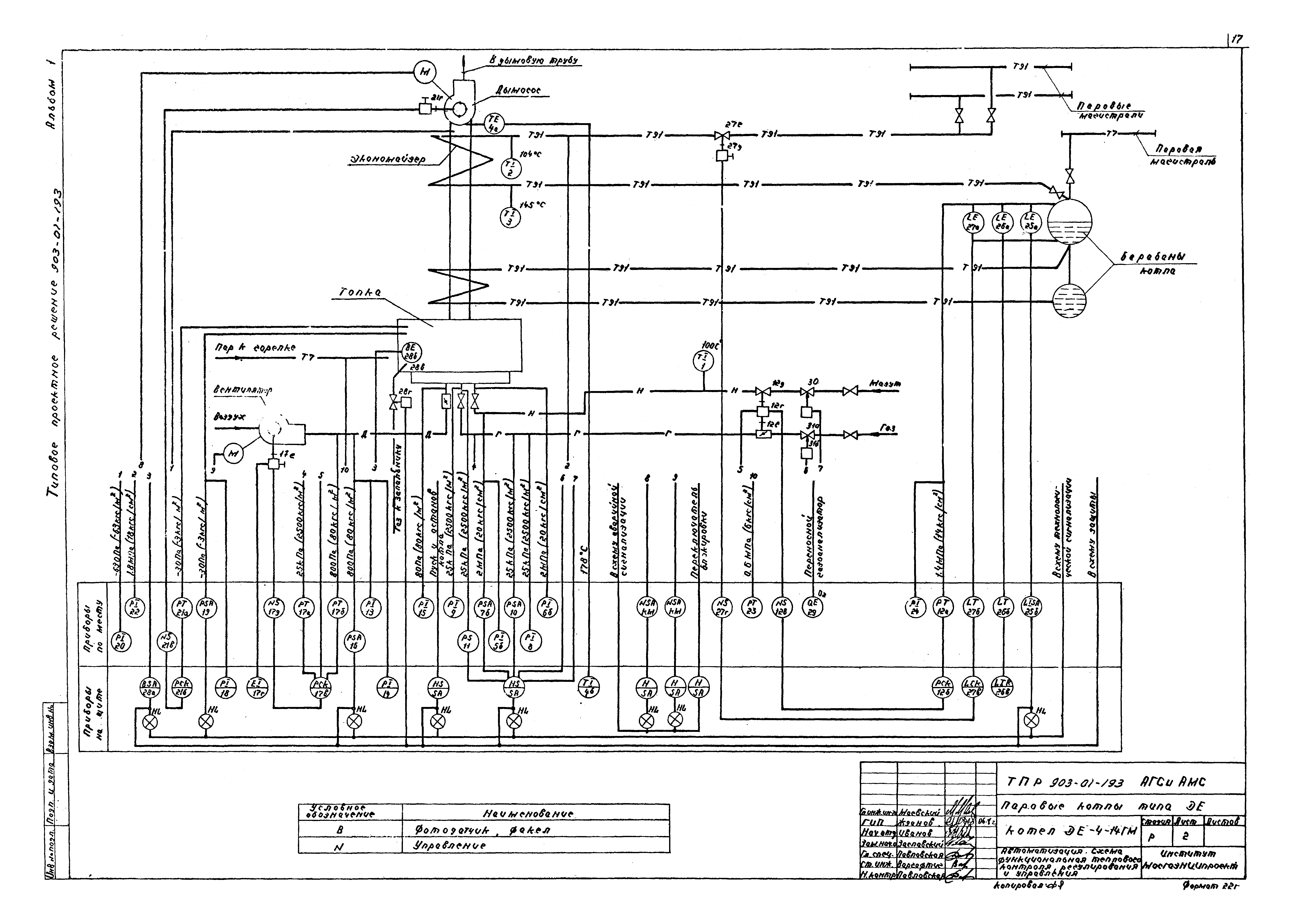
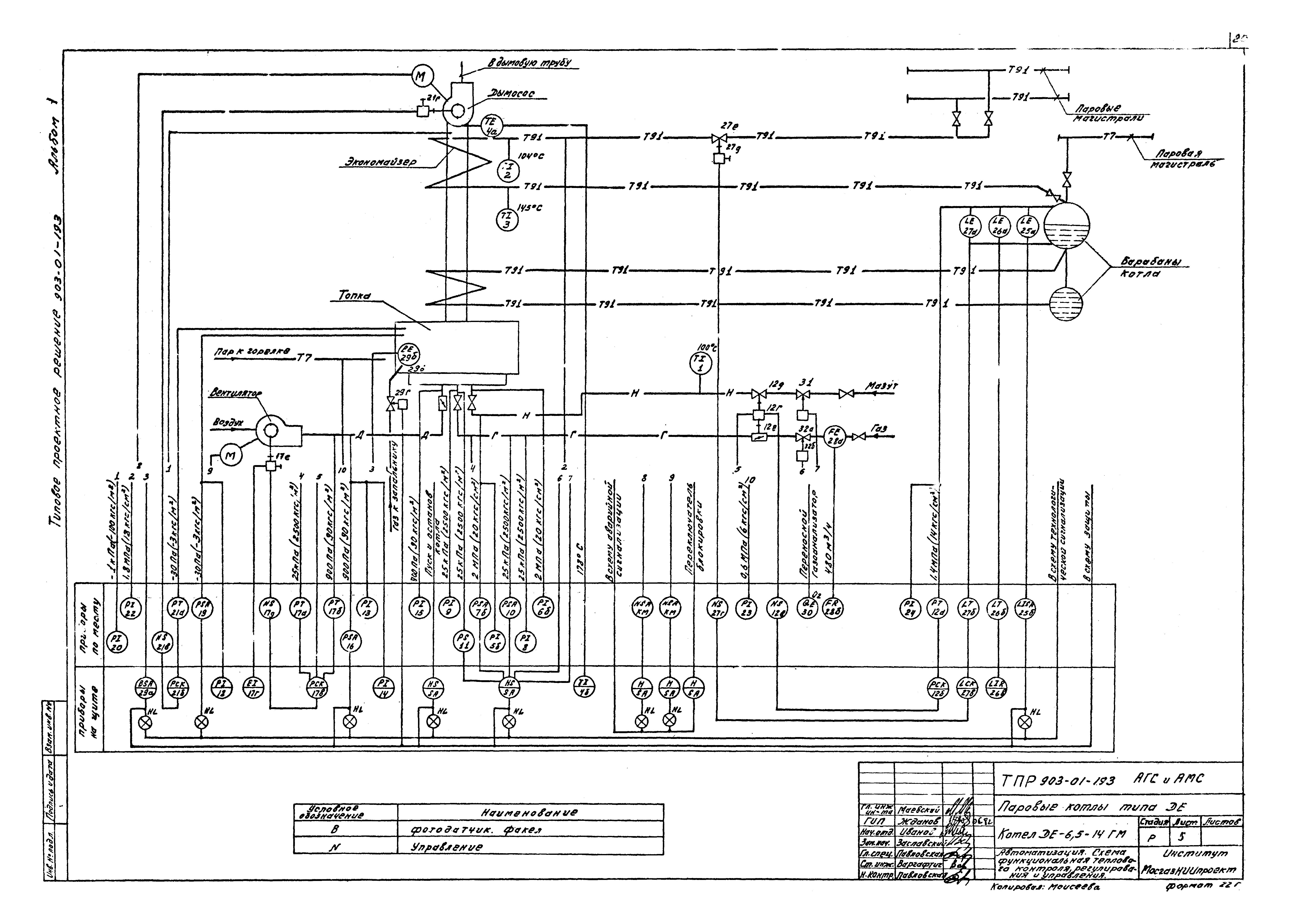
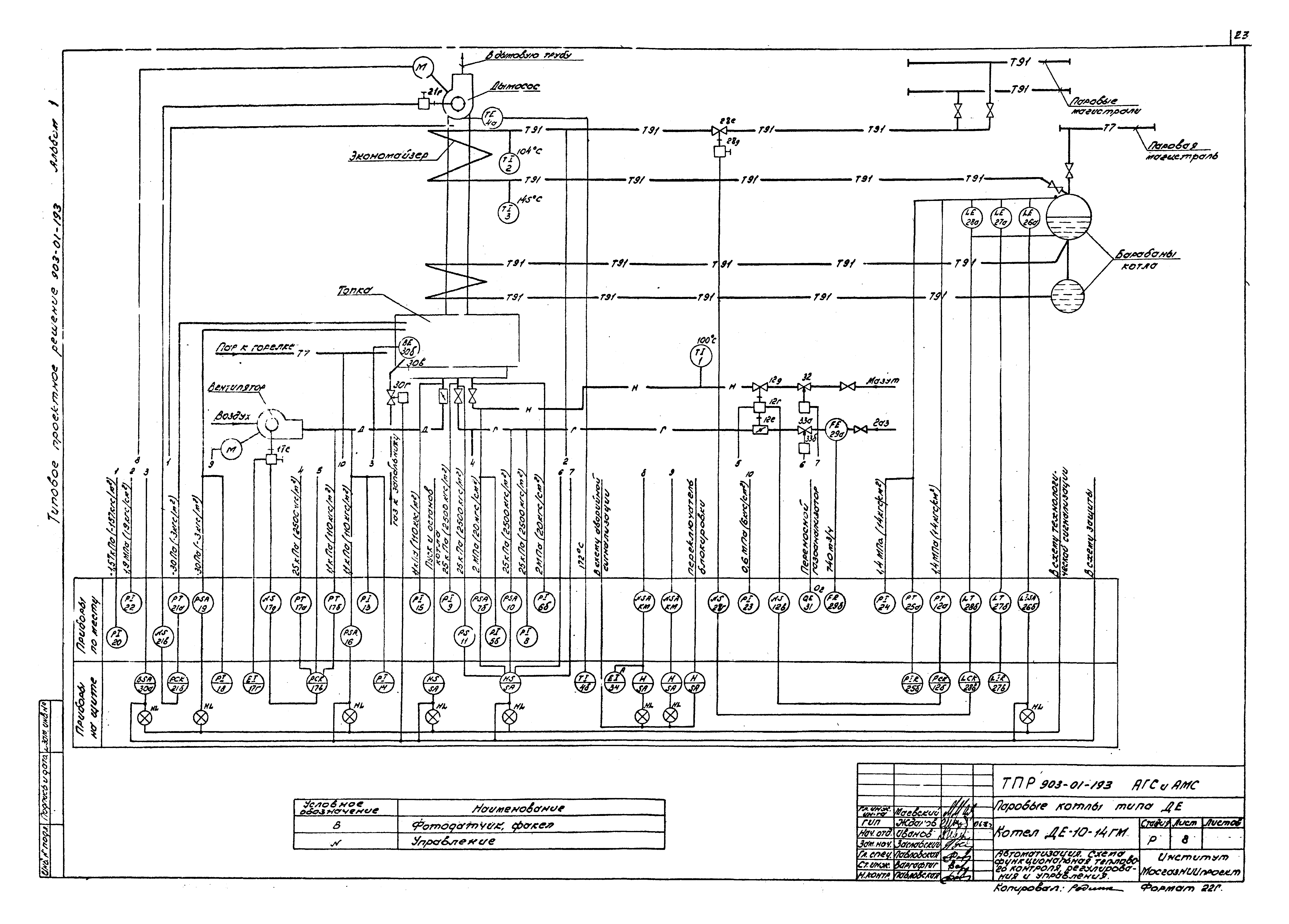
| Оглавление: | Титульный лист Содержание альбома Газоснабжение Общие данные Котел ДЕ-4-14ГМ. Газооборудование. Вид с фронта. Вид А Котел ДЕ-6,5-14ГМ. Газооборудование. Вид с фронта. Вид А Котел ДЕ-10-14ГМ. Газооборудование. Вид с фронта. Вид А Котел ДЕ-16-14ГМ. Газооборудование. Вид с фронта. Вид А Котел ДЕ-25-14ГМ. Газооборудование. Вид с фронта. Вид А Котлы ДЕ-4-14ГМ, ДЕ-6,5-14ГМ, ДЕ-10-14ГМ, ДЕ-16-14ГМ, ДЕ-25-14ГМ. Газооборудование. Спецификации Мазутоснабжение Котлы ДЕ-4-14ГМ, ДЕ-6,5-14ГМ, ДЕ-10-14ГМ, ДЕ-16-14ГМ, ДЕ-25-14ГМ. Мазутооборудование. Вид с фронта. План. Вид М Котлы ДЕ-4-14ГМ, ДЕ-6,5-14ГМ, ДЕ-10-14ГМ, ДЕ-16-14ГМ, ДЕ-25-14ГМ. Изоляция паромазутопроводов Котлы ДЕ-4-14ГМ, ДЕ-6,5-14ГМ, ДЕ-10-14ГМ, ДЕ-16-14ГМ, ДЕ-25-14ГМ. Мазутооборудование. Спецификация Автоматизация газоснабжения и мазутоснабжения Общие данные Котел ДЕ-4-14ГМ. Автоматизация. Схема функциональная теплового контроля, регулирования и управления Котел ДЕ-6,5-14ГМ. Автоматизация. Схема функциональная теплового контроля, регулирования и управления Котел ДЕ-10-14ГМ. Автоматизация. Схема функциональная теплового контроля, регулирования и управления Котел ДЕ-16-14ГМ. Автоматизация. Схема функциональная теплового контроля, регулирования и управления Котел ДЕ-25-14ГМ. Автоматизация. Схема функциональная теплового контроля, регулирования и управления |
| Разработан: | Мосгазниипроект Мосгорисполкома |
| Утверждён: | 24.06.1982 МосгазНИИпроект (98) |






























