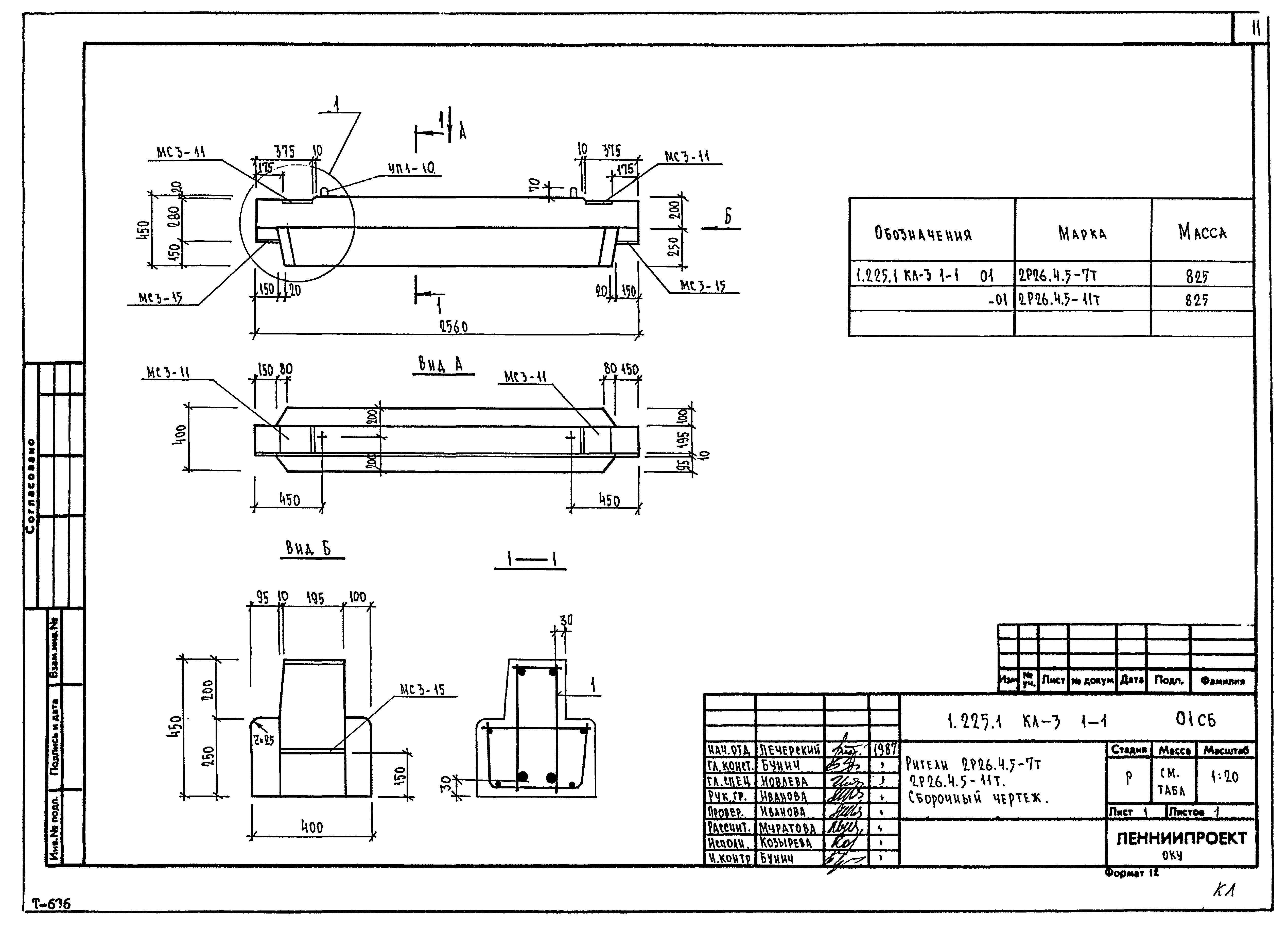
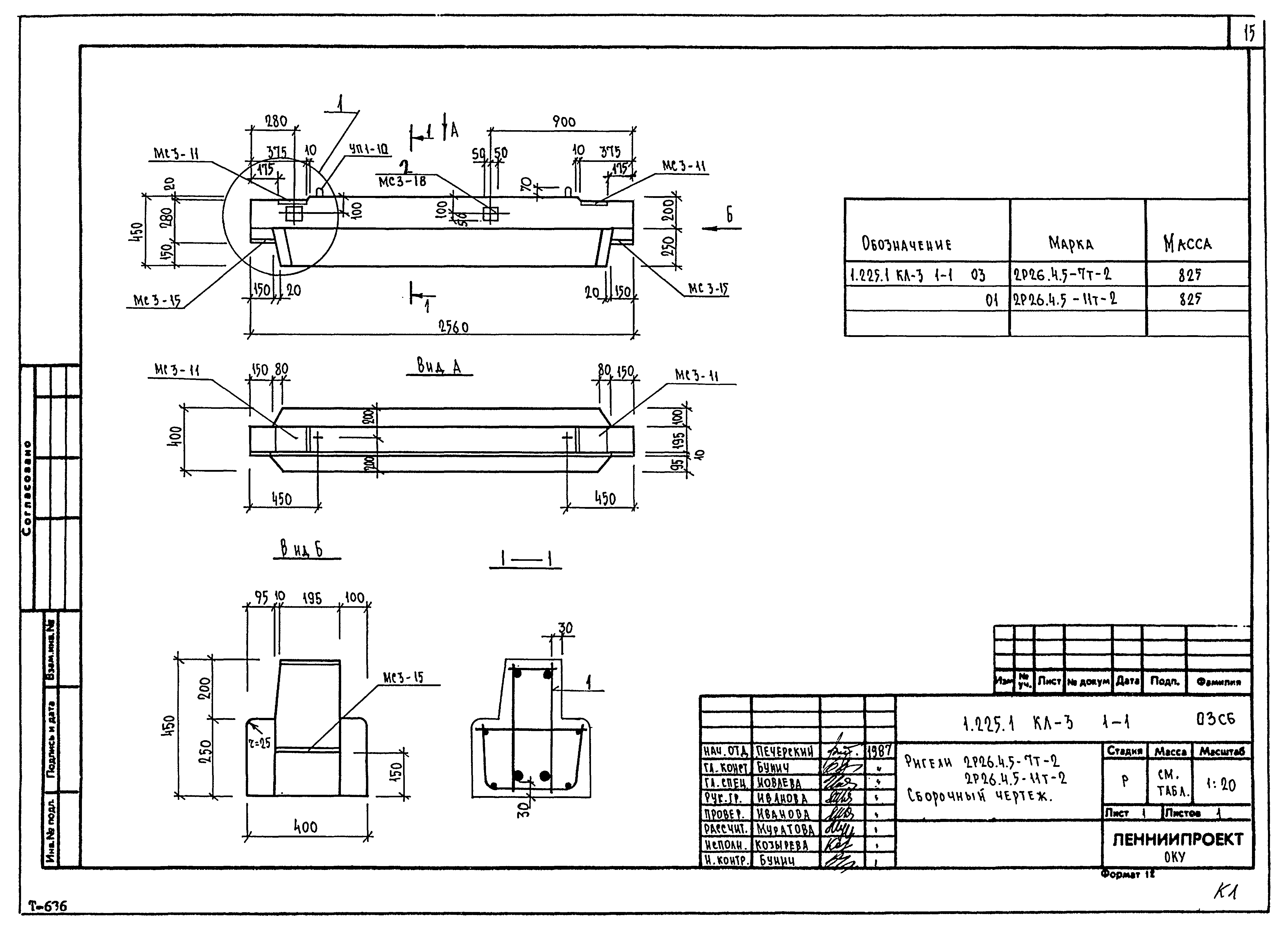
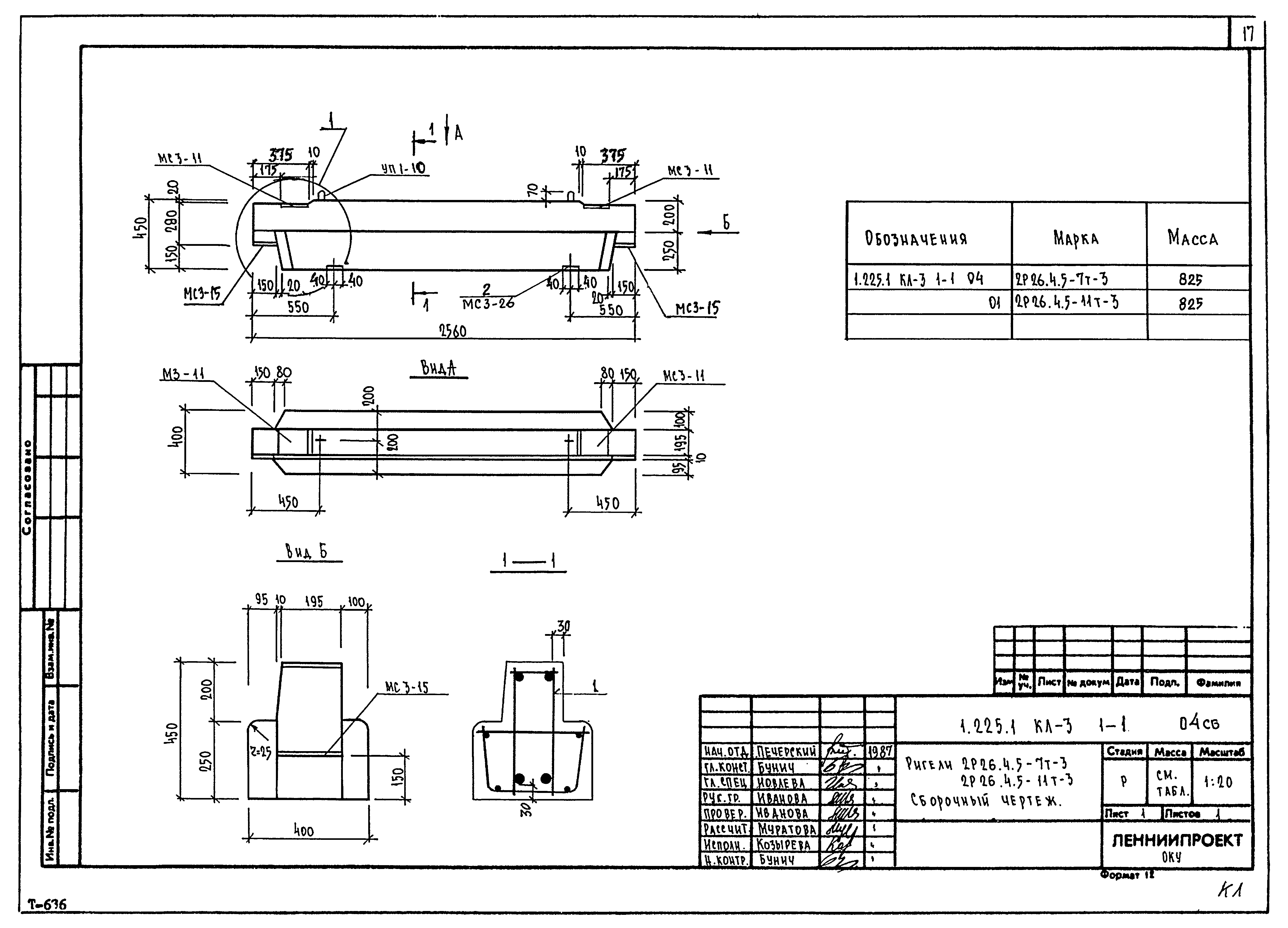
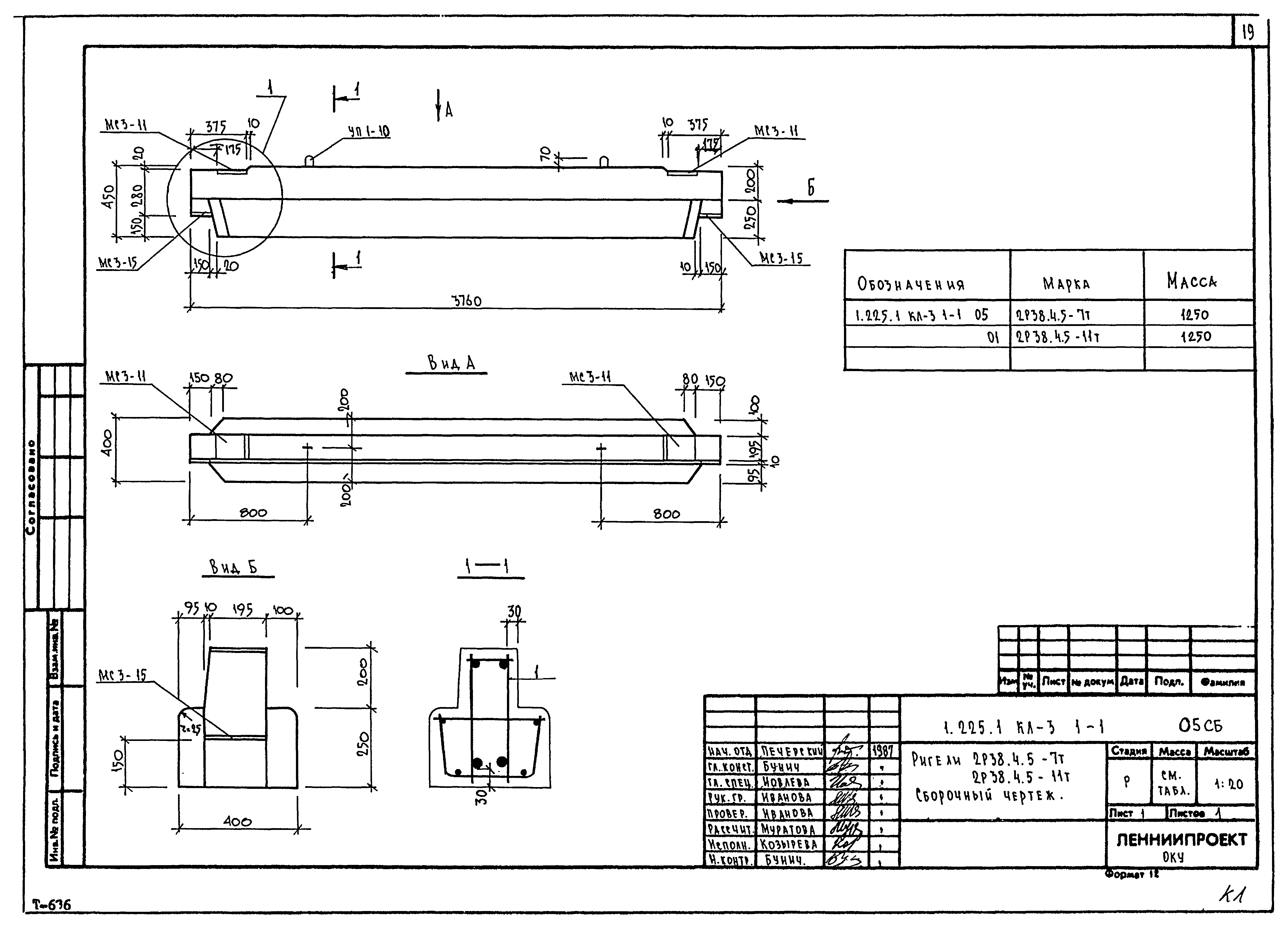
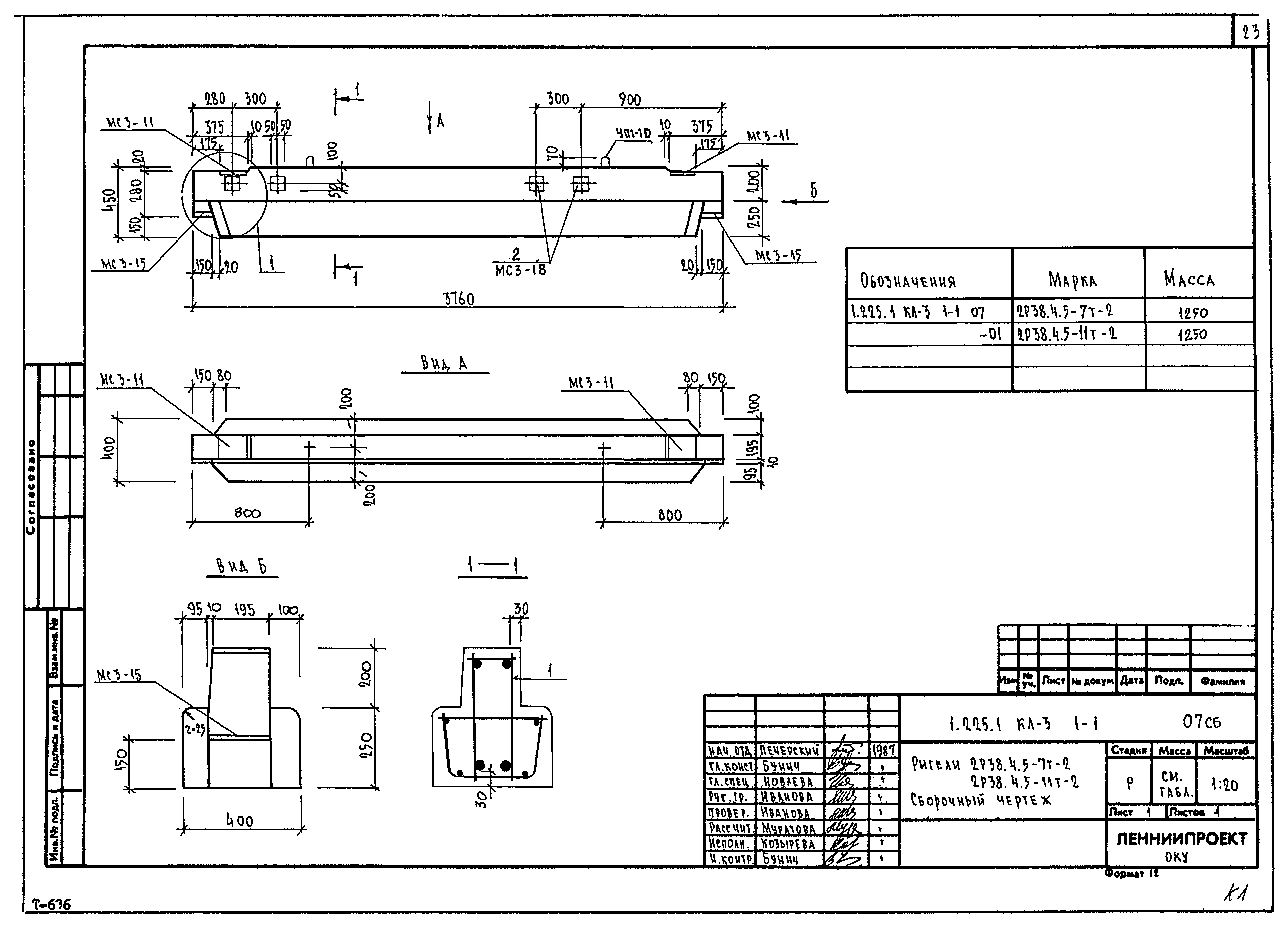
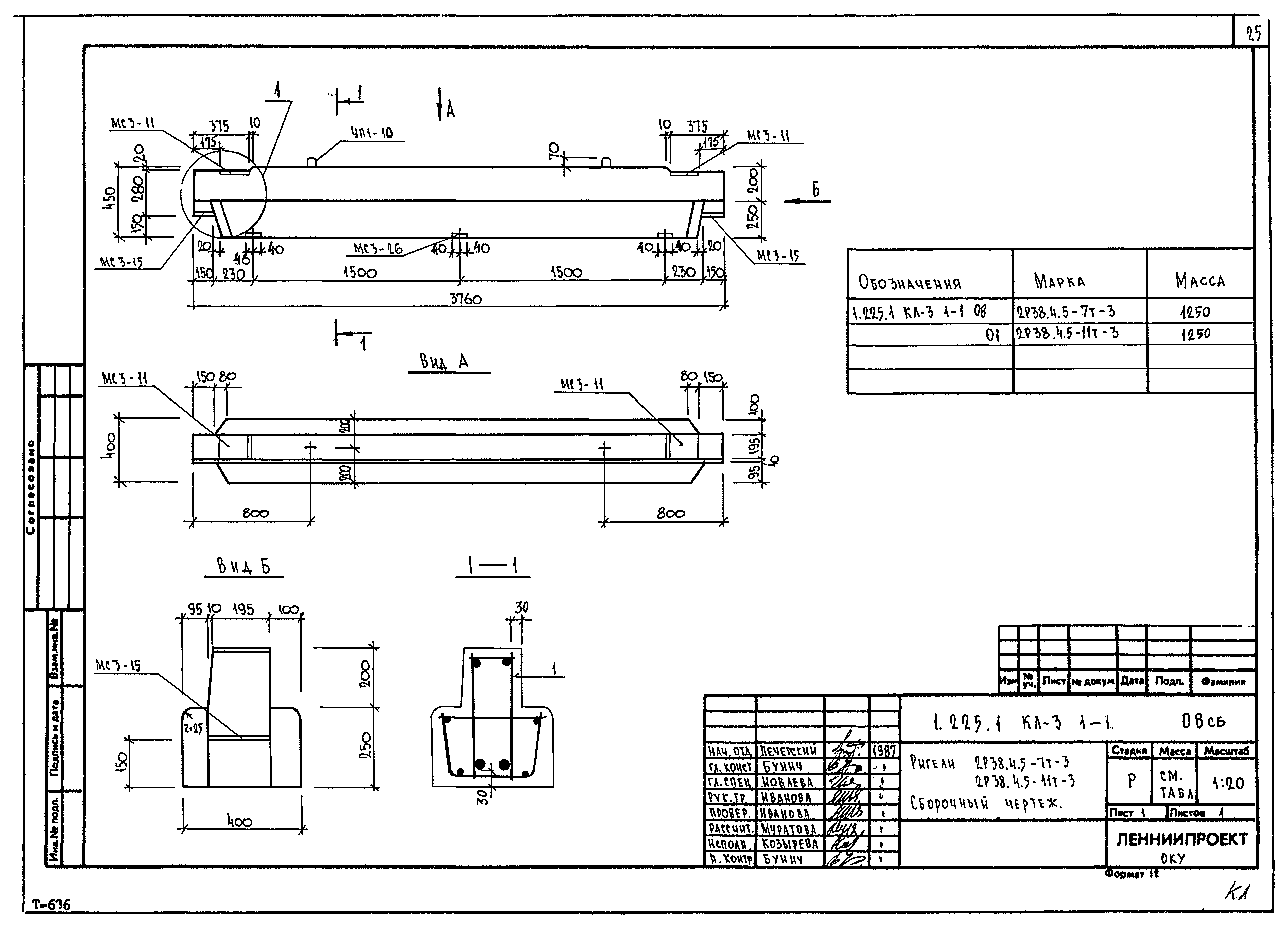
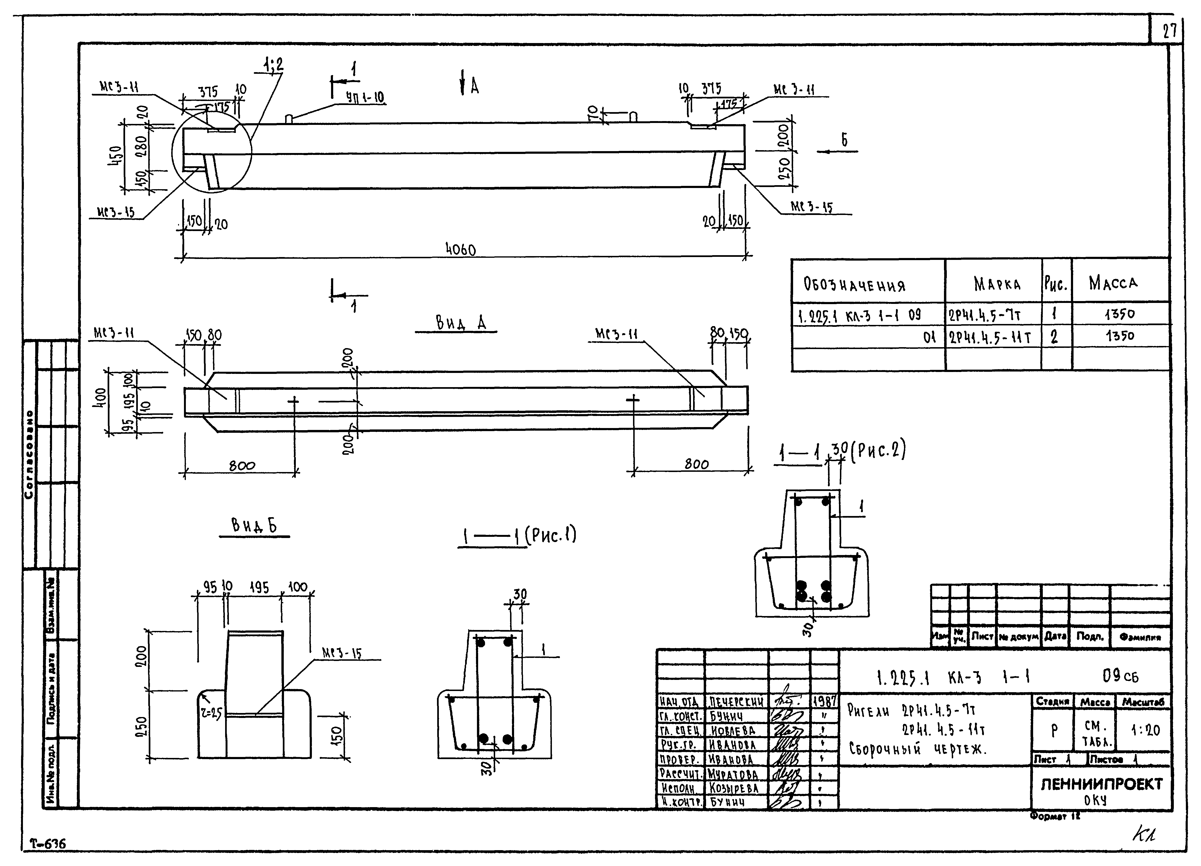
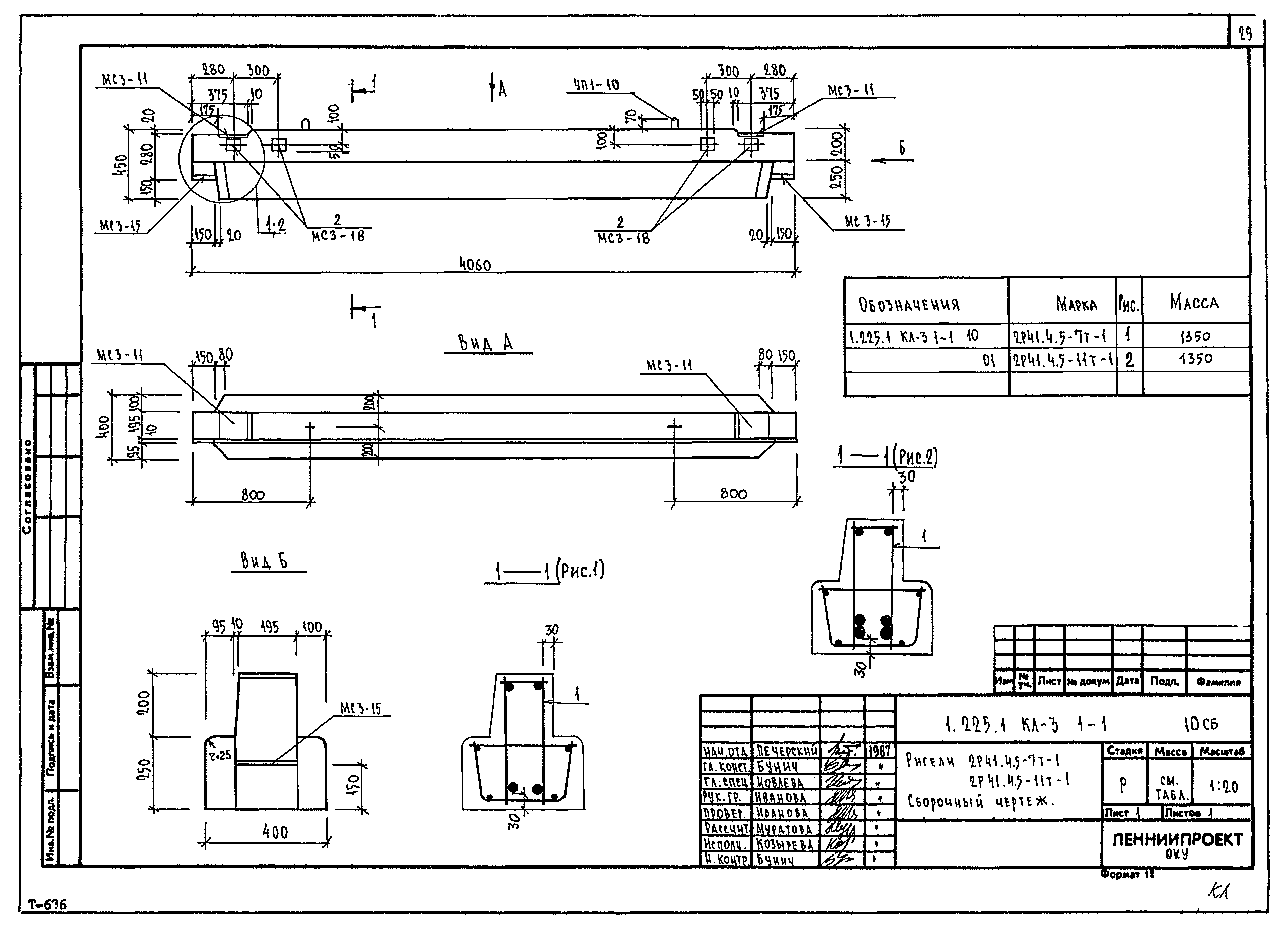
Скачать Серия 1.225.1 КЛ-3 Выпуск 1-1. Ригели длиной 2560; 3760; 4060 мм с нагрузками 7,2; 11,0 тс/м с арматурной из стали класса АIIIДата актуализации: 01.01.2021 Серия 1.225.1 КЛ-3
Выпуск 1-1. Ригели длиной 2560; 3760; 4060 мм с нагрузками 7,2; 11,0 тс/м с арматурной из стали класса АIII| Обозначение: | Серия 1.225.1 КЛ-3 | | Обозначение англ: | Series 1.225.1 КЛ-3 | | Статус: | действует | | Название рус.: | Выпуск 1-1. Ригели длиной 2560; 3760; 4060 мм с нагрузками 7,2; 11,0 тс/м с арматурной из стали класса АIII | | Дата добавления в базу: | 01.09.2013 | | Дата актуализации: | 01.01.2021 | | Дата введения: | 18.06.1987 | | Разработан: | Ленниипроект
| | Утверждён: | 18.06.1987 Ленниипроект (52-у)
|
                                  
|