Скачать Серия 2.436-16 Выпуск 0. Указания по применениюДата актуализации: 01.01.2021
|
| Обозначение: | Серия 2.436-16 |
| Обозначение англ: | Series 2.436-16 |
| Статус: | не действует |
| Название рус.: | Выпуск 0. Указания по применению |
| Дата добавления в базу: | 01.09.2013 |
| Дата актуализации: | 01.01.2021 |
| Дата окончания срока действия: | 01.12.1991 |
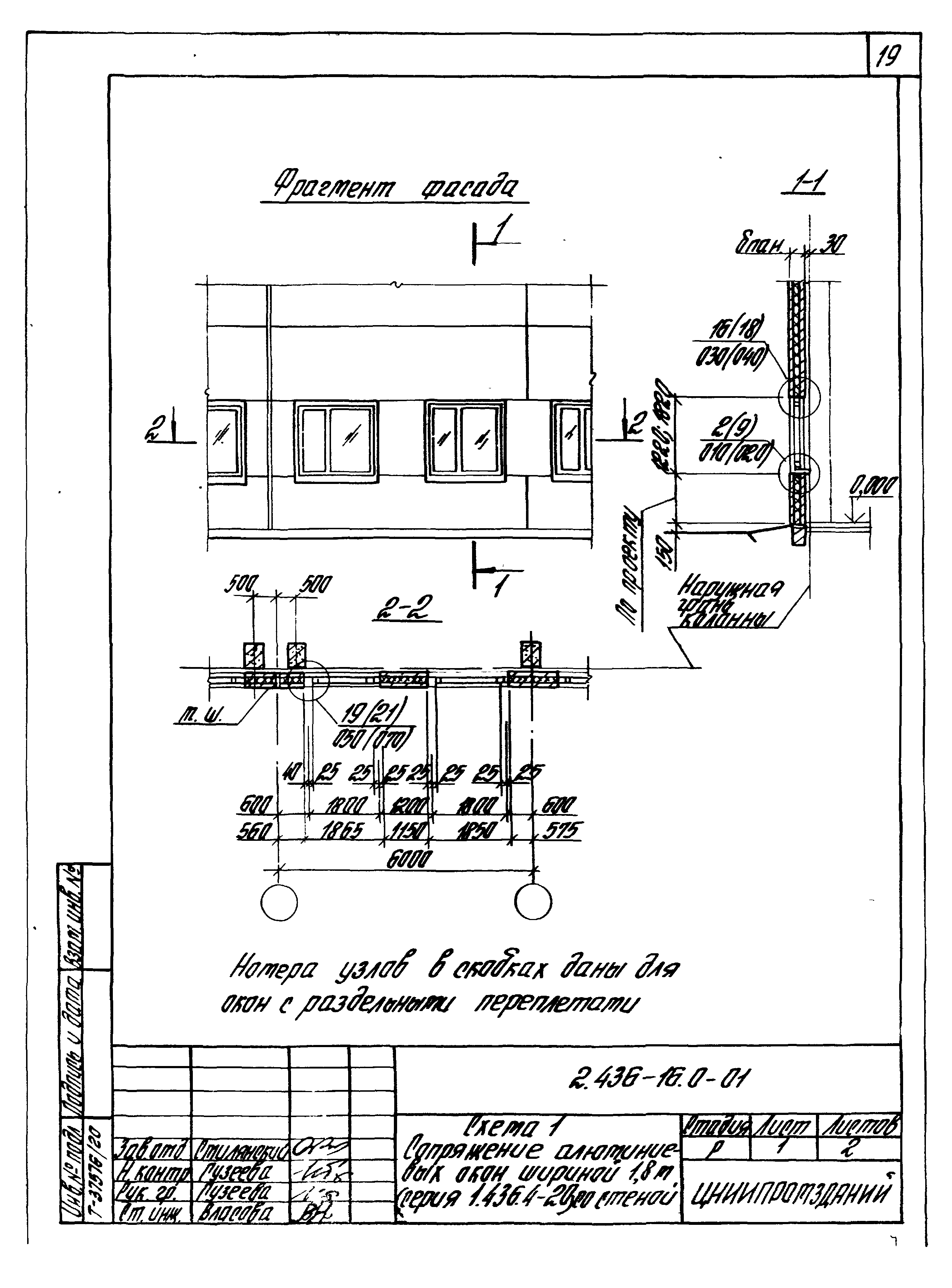
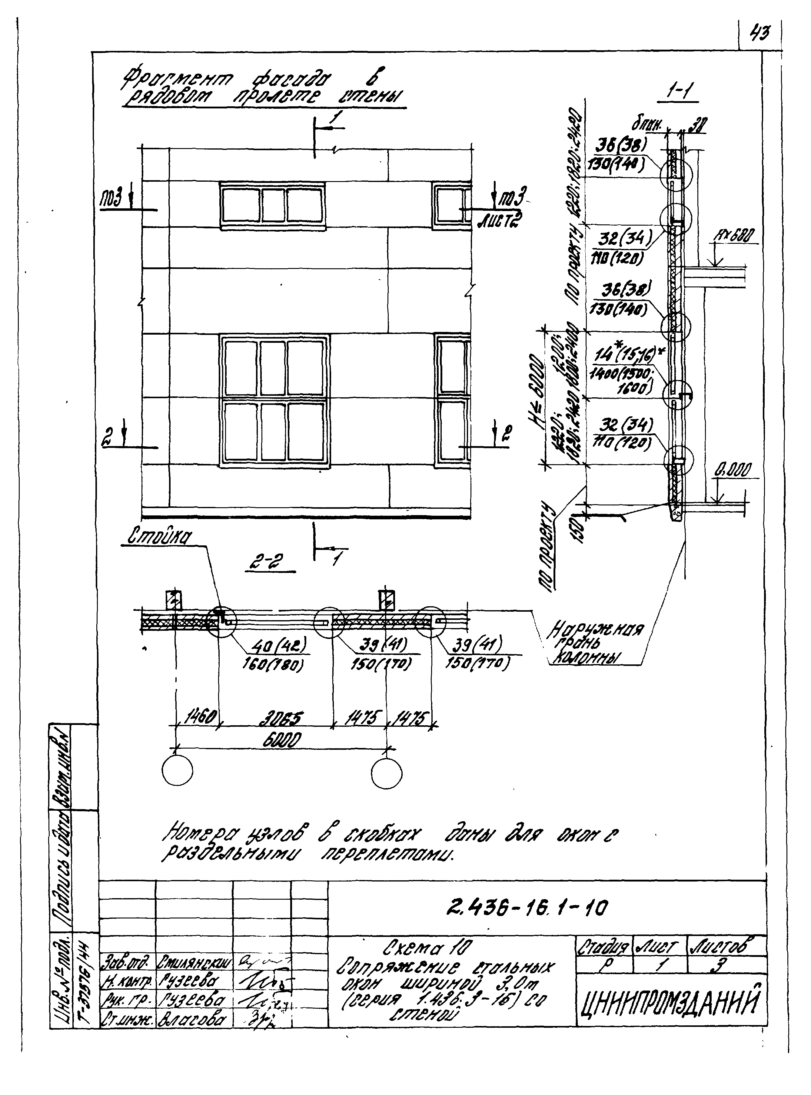
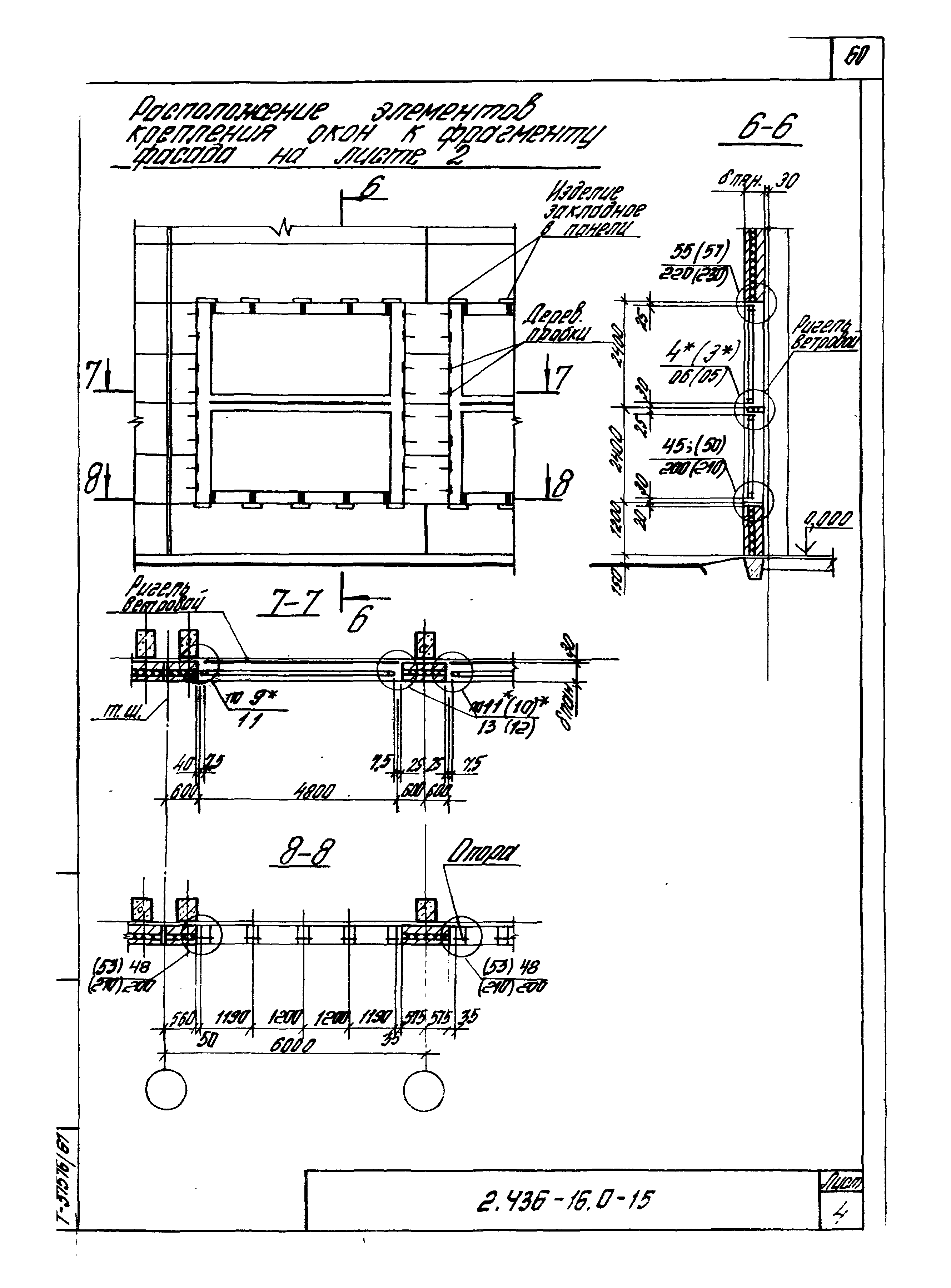
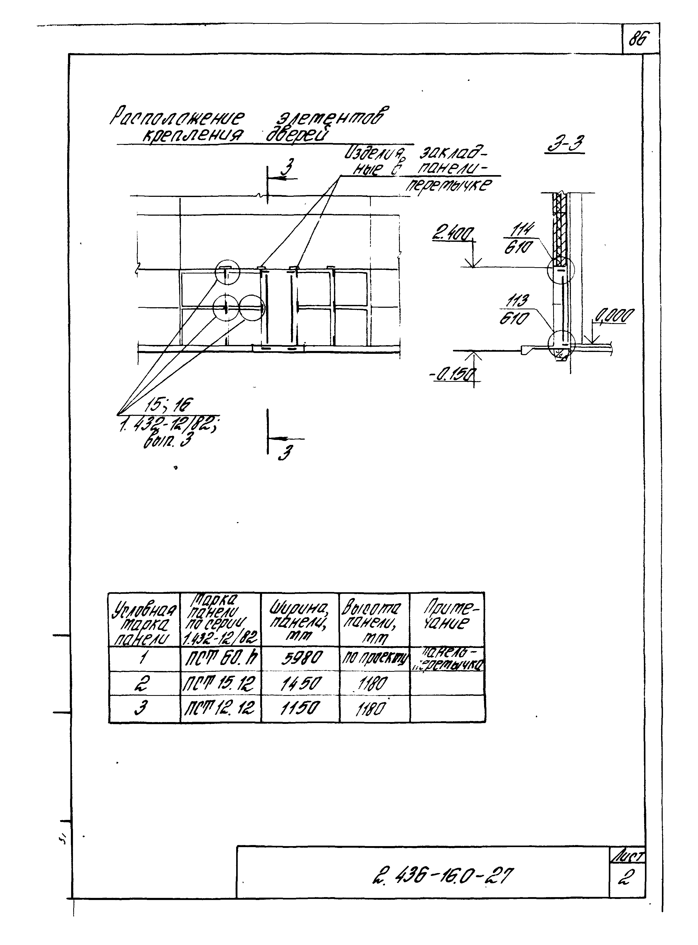
| Оглавление: | 2.436-16.0-00 Содержание 2.436-16.0-00 ТО Техническое описание 2.436-16.0-01 Схема 1. Сопряжение алюминиевых окон шириной 1,8 м (серия 1.436-20) со стеной 2.436-16.0-02 Схема 2. Сопряжение алюминиевых окон шириной 3,0 м (серия 1.436-20) со стеной 2.436-16.0-03 Схема 3. Сопряжение алюминиевых окон шириной 4,8 м (серия 1.436-20) со стеной 2.436-16.0-04 Схема 4. Сопряжение алюминиевых окон шириной 6,0 м или ленточного остекления (серия 1.436.4-20) со стеной 2.436-16.0-05 Схема 5. Сопряжение стальных окон шириной 1,8 м (серия 1.436.2-15) со стеной 2.436-16.0-06 Схема 6. Сопряжение стальных окон шириной 3,0 м (серия 1.436.2-15) со стеной 2.436-16.0-07 Схема 7. Сопряжение стальных окон шириной 4,8 м (серия 1.436.2-15) со стеной 2.436-16.0-08 Схема 8. Сопряжение стальных окон шириной 6,0 м и ленточного остекления (серия 1.436.2-15) со стеной 2.436-16.0-09 Схема 9. Сопряжение стальных окон шириной 1,8 м (серия 1.436.3-16) со стеной 2.436-16.0-10 Схема 10. Сопряжение стальных окон шириной 3,0 м (серия 1.436.3-16) со стеной 2.436-16.0-11 Схема 11. Сопряжение стальных окон шириной 4,8 м (серия 1.436.3-16) со стеной 2.436-16.0-12 Схема 12. Сопряжение стальных окон шириной 6,0 м и ленточного остекления (серия 1.436.3-16) со стеной 2.436-16.0-13 Схема 13. Сопряжение стальных окон шириной 1,8 м (серия 1.436.2-17) со стеной 2.436-16.0-14 Схема 14. Сопряжение стальных окон шириной 3,0 м (серия 1.436.2-17) со стеной 2.436-16.0-15 Схема 15. Сопряжение стальных окон шириной 4,8 м (серия 1.436.2-17) со стеной 2.436-16.0-16 Схема 16. Сопряжение стальных окон шириной 6,0 м и ленточного остекления (серия 1.436.2-17) со стеной 2.436-16.0-17 Схема 17. Сопряжение деревянных окон шириной 1,8 м (ГОСТ12506-81) со стеной 2.436-16.0-18 Схема 18. Сопряжение деревянных окон шириной 3,0 м (ГОСТ12506-81) со стеной 2.436-16.0-19 Схема 19. Сопряжение деревянных окон шириной 4,8 м (ГОСТ12506-81) со стеной 2.436-16.0-20 Схема 20. Сопряжение деревянных окон шириной 6,0 м и ленточного остекления (ГОСТ12506-81) со стеной 2.436-16.0-21 Схема 21. Сопряжение деревянных окон шириной 6,0 м и ленточного остекления (ГОСТ12506-81) со стеной у температурного шва 2.436-16.0-22 Схема 22. Сопряжение деревоалюминиевых окон шириной 1,8 м (шифр 108-81) со стеной 2.436-16.0-23 Схема 23. Сопряжение деревоалюминиевых окон шириной 3,0 м (шифр 108-81) со стеной 2.436-16.0-24 Схема 24. Сопряжение деревоалюминиевых окон шириной 4,8 м (шифр 108-81) со стеной 2.436-16.0-25 Схема 25. Сопряжение деревоалюминиевых окон шириной 6,0 м и ленточного остекления (шифр 108-81) со стеной 2.436-16.0-26 Схема 26. Сопряжение деревоалюминиевых окон шириной 6,0 м и ленточного остекления (шифр 108-81) со стеной у температурного шва 2.436-16.0-27 Схема 27. Сопряжение однопольных дверей со стеной 2.436-16.0-28 Схема 28. Сопряжение двупольных дверей со стеной 2.436-16.0-29 Схема 29. Сопряжение распашных ворот (серия 1.435.9-17) со стеной 2.436-16.0-30 Схема 30. Сопряжение откатных ворот (серия 1.435.3-22) со стеной 2.436-16.0-31 Схема 31. Сопряжение подъемных телескопических ворот (серия 1.435.2-21) со стеной |
| Разработан: | ЦНИИпромзданий |
| Утверждён: | 26.04.1985 Главоргпроект Госстроя СССР (2/3-228) |



























































































