Скачать Серия ИИ-04-1 Выпуск 4в. Фундаменты для колонн сечением 30х30 см и 40х40 см. Арматурные изделия. Сетки арматурные закладные. Рабочие чертежиДата актуализации: 01.01.2021
|
| Обозначение: | Серия ИИ-04-1 |
| Обозначение англ: | Series ИИ-04-1 |
| Статус: | заменен |
| Название рус.: | Выпуск 4в. Фундаменты для колонн сечением 30х30 см и 40х40 см. Арматурные изделия. Сетки арматурные закладные. Рабочие чертежи |
| Дата добавления в базу: | 01.09.2013 |
| Дата актуализации: | 01.01.2021 |
| Дата введения: | 01.03.1976 |
| Дата окончания срока действия: | 01.04.1986 |
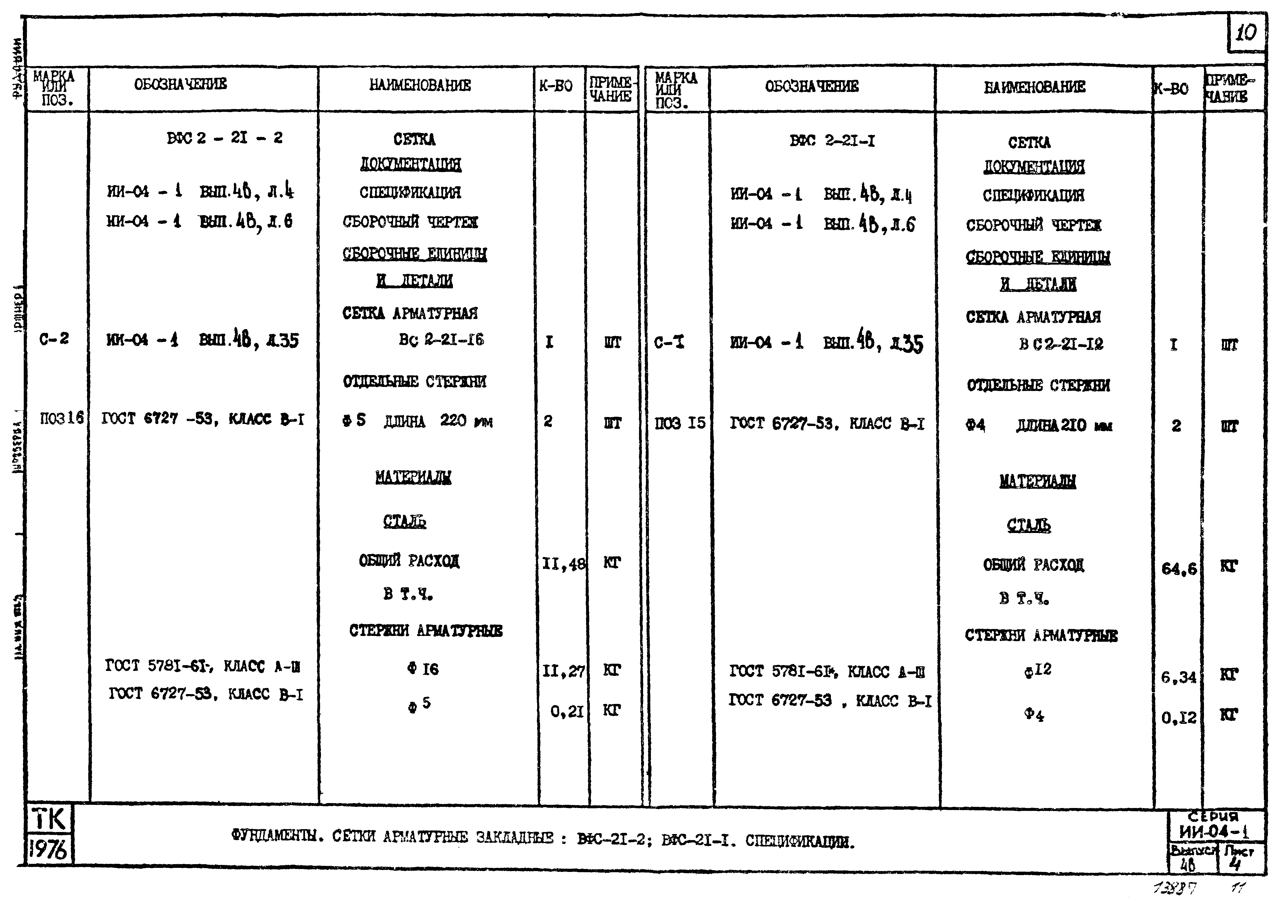
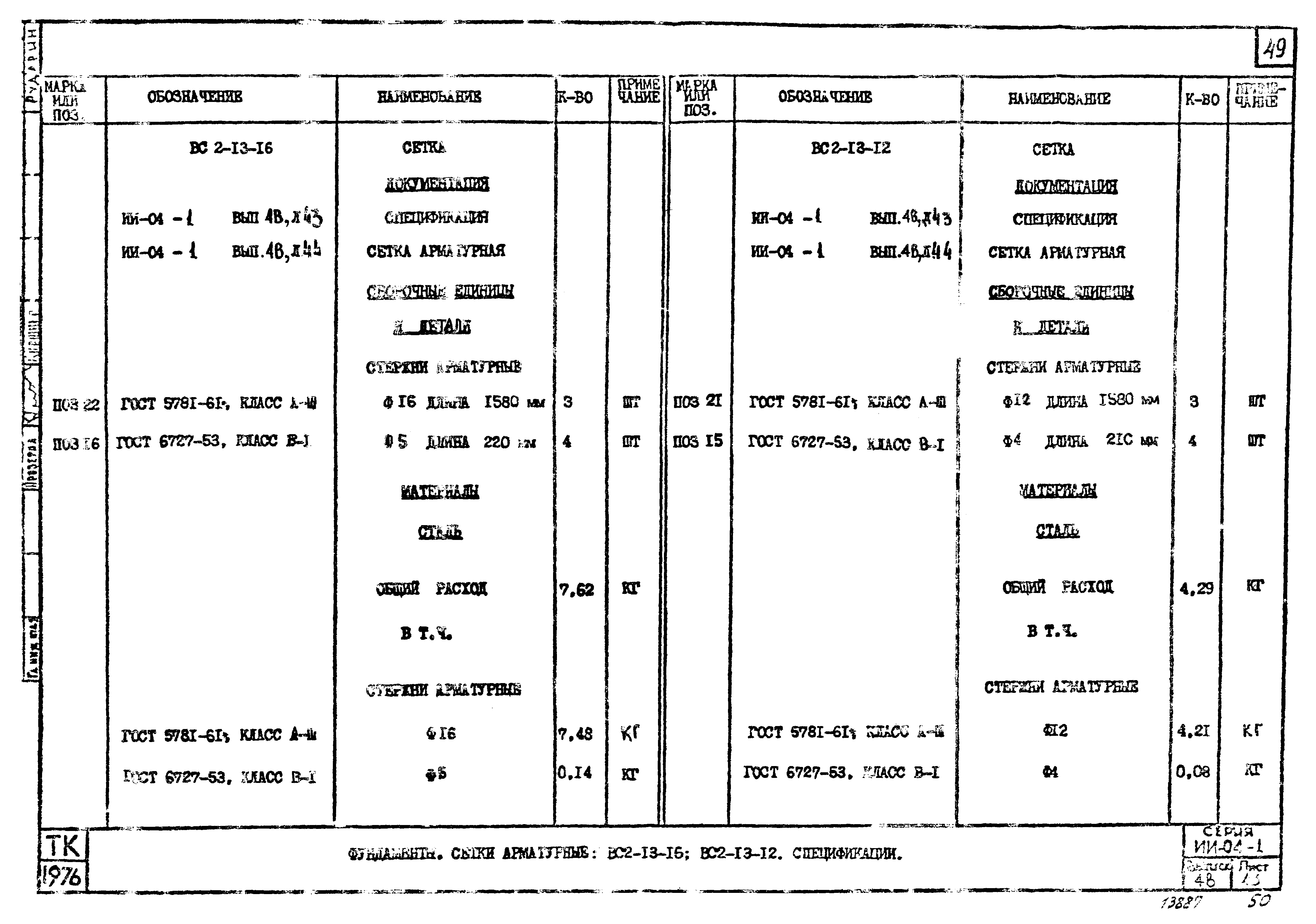
| Оглавление: | 1. Перечень серий и выпусков 2. Содержание выпуска 3. Пояснительная записка 4. Номенклатура 5. Фундаменты. Сетки арматурные закладные ВФС2-21-2; ВФС2-21-1. Спецификации 6. Фундаменты. Сетки арматурные закладные ВФС2-21-6; ВФС2-21-3. Спецификации 7. Фундаменты. Сетки арматурные закладные ВФС2-21-2; ВФС2-21-1; ВФС2-21-6; ВФС2-21-3 8. Фундаменты. Сетки арматурные закладные ВФС2-21-8; ВФС2-21-10. Спецификации 9. Фундаменты. Сетки арматурные закладные ВФС2-17-1; ВФС2-21-13. Спецификации 10. Фундаменты. Сетки арматурные закладные ВФС2-21-8; ВФС2-21-10; ВФС2-21-13; ВФС2-17-1 11. Фундаменты. Сетки арматурные закладные ВФС2-17-2; ВФС2-17-3. Спецификации 12. Фундаменты. Сетки арматурные закладные ВФС2-17-8; ВФС2-17-6. Спецификации 13. Фундаменты. Сетки арматурные закладные ВФС2-17-2; ВФС2-17-3; ВФС2-17-8; ВФС2-17-6 14. Фундаменты. Сетки арматурные закладные ВФС2-17-10; ВФС2-17-13. Спецификации 15. Фундаменты. Сетки арматурные закладные ВФС2-13-2; ВФС2-13-1. Спецификации 16. Фундаменты. Сетки арматурные закладные ВФС2-17-10; ВФС2-17-13; ВФС2-13-2; ВФС2-13-1 17. Фундаменты. Сетки арматурные закладные ВФС2-13-10; ВФС2-13-8. Спецификации 18. Фундаменты. Сетки арматурные закладные ВФС2-13-6; ВФС2-13-3. Спецификации 19. Фундаменты. Сетки арматурные закладные ВФС2-13-6; ВФС2-13-3; ВФС2-13-10; ВФС2-13-8 20. Фундаменты. Сетки арматурные закладные ВФС1-17-8; ВФС1-17-10. Спецификации 21. Фундаменты. Сетки арматурные закладные ВФС1-21-13; ВФС2-13-13. Спецификации 22. Фундаменты. Сетки арматурные закладные ВФС1-17-8; ВФС1-17-10; ВФС1-21-13; ВФС2-13-13 23. Фундаменты. Сетки арматурные закладные ВФС1-13-1; ВФС1-13-2. Спецификации 24. Фундаменты. Сетки арматурные закладные ВФС1-13-6; ВФС1-13-8. Спецификации 25. Фундаменты. Сетки арматурные закладные ВФС1-17-1; ВФС1-13-3. Спецификации 26. Фундаменты. Сетки арматурные закладные ВФС1-13-1; ВФС1-13-2; ВФС1-13-6; ВФС1-13-8; ВФС1-17-1; ВФС1-13-3 27. Фундаменты. Сетки арматурные закладные ВФС1-17-3; ВФС1-17-2. Спецификации 28. Фундаменты. Сетки арматурные закладные ВФС1-17-6; ВФС1-21-1. Спецификации 29. Фундаменты. Сетки арматурные закладные ВФС1-21-3. Спецификации 30. Фундаменты. Сетки арматурные закладные ВФС1-17-3; ВФС1-17-2; ВФС1-17-6; ВФС1-21-1; ВФС1-21-3 31. Фундаменты. Сетки арматурные закладные ВФС1-21-8; ВФС1-21-10. Спецификации 32. Фундаменты. Сетки арматурные закладные ВФС1-21-2; ВФС1-21-6. Спецификации 33. Фундаменты. Сетки арматурные закладные ВФС1-21-8; ВФС1-21-10; ВФС1-21-2; ВФС1-21-6 34. Фундаменты. Сетки арматурные закладные ВС2-21-16; ВС2-21-12. Спецификации 35. Фундаменты. Сетки арматурные закладные ВС2-21-28; ВС2-21-20. Спецификации 36. Фундаменты. Сетки арматурные закладные ВС2-21-16; ВС2-21-12; ВС2-21-28; ВС2-21-20 37. Фундаменты. Сетки арматурные закладные ВС2-21-32; ВС2-21-36. Спецификации 38. Фундаменты. Сетки арматурные закладные ВС2-21-32; ВС2-21-36. Спецификации 39. Фундаменты. Сетки арматурные закладные ВС2-21-32; ВС2-21-36; ВС2-21-32; ВС2-21-36 40. Фундаменты. Сетки арматурные закладные ВС2-17-16; ВС2-17-20. Спецификации 41. Фундаменты. Сетки арматурные закладные ВС2-17-32; ВС2-17-28. Спецификации 42. Фундаменты. Сетки арматурные закладные ВС2-17-16; ВС2-17-20; ВС2-17-32; ВС2-17-28 43. Фундаменты. Сетки арматурные закладные ВС2-17-36; ВС2-17-40. Спецификации 44. Фундаменты. Сетки арматурные закладные ВС2-13-16; ВС2-13-12. Спецификации 45. Фундаменты. Сетки арматурные закладные ВС2-17-36; ВС2-17-40; ВС2-13-16; ВС2-13-12 46. Фундаменты. Сетки арматурные закладные ВС2-13-28; ВС2-13-20. Спецификации 47. Фундаменты. Сетки арматурные закладные ВС2-13-36; ВС2-13-32. Спецификации 48. Фундаменты. Сетки арматурные закладные ВС2-13-28; ВС2-13-20; ВС2-13-36; ВС2-13-32 49. Фундаменты. Сетки арматурные закладные ВС1-17-32; ВС1-17-36. Спецификации 50. Фундаменты. Сетки арматурные закладные ВС1-21-40; ВС2-13-40. Спецификации 51. Фундаменты. Сетки арматурные закладные ВС1-17-32; ВС1-17-36; ВС1-21-40; ВС2-13-40 |
| Разработан: | КиевЗНИИЭП |
| Утверждён: | 04.02.1976 Государственный комитет по гражданскому строительству и архитектуре при Госстрое СССР (25) |
| Чем заменён: |
























































