Скачать Серия ИИ-04-1 Выпуск 5п. Часть II. Плиты железобетонные для ленточных фундаментов. Арматурные изделия. Рабочие чертежиДата актуализации: 01.01.2021
|
| Обозначение: | Серия ИИ-04-1 |
| Обозначение англ: | Series ИИ-04-1 |
| Статус: | заменен |
| Название рус.: | Выпуск 5п. Часть II. Плиты железобетонные для ленточных фундаментов. Арматурные изделия. Рабочие чертежи |
| Дата добавления в базу: | 01.09.2013 |
| Дата актуализации: | 01.01.2021 |
| Дата введения: | 22.04.1979 |
| Дата окончания срока действия: | 01.04.1986 |
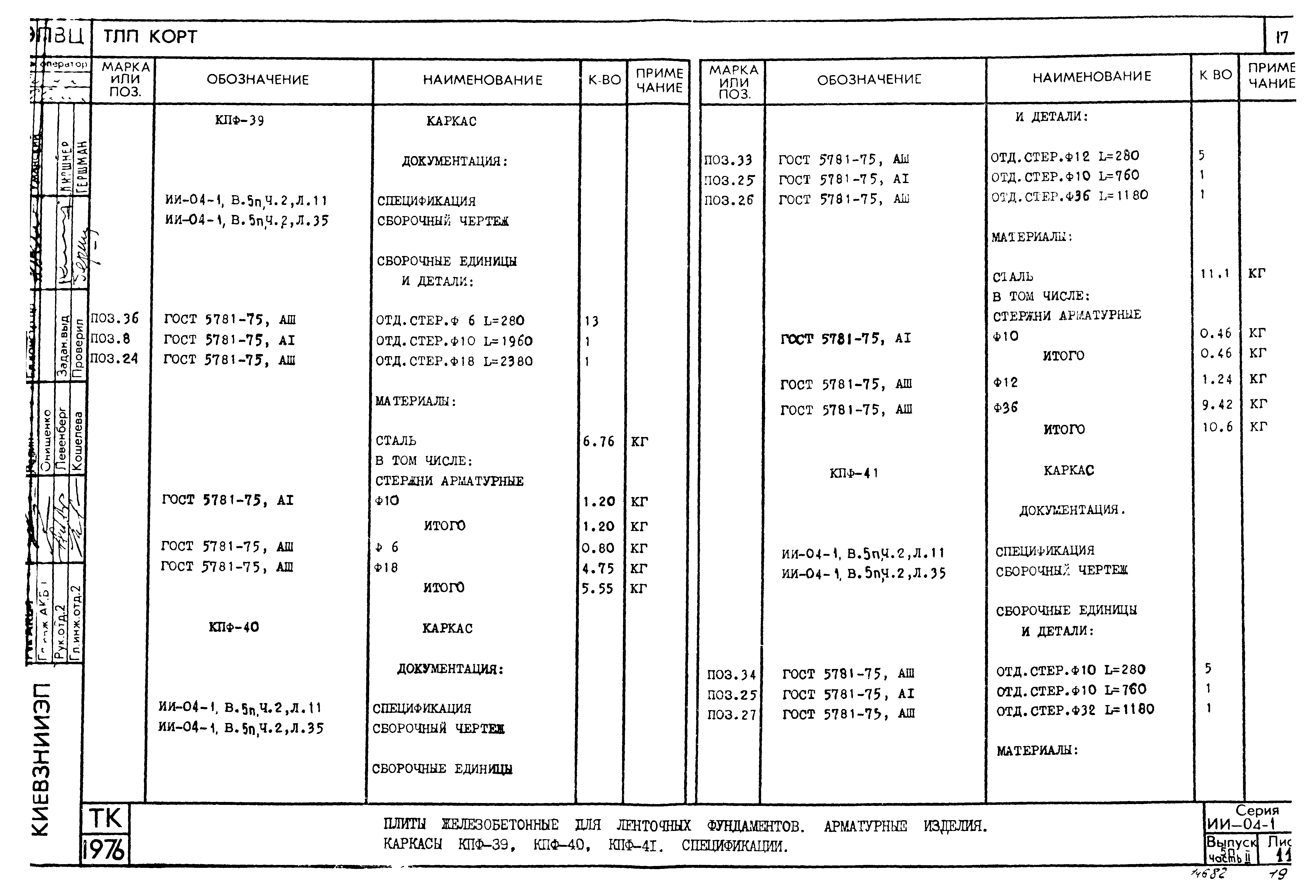
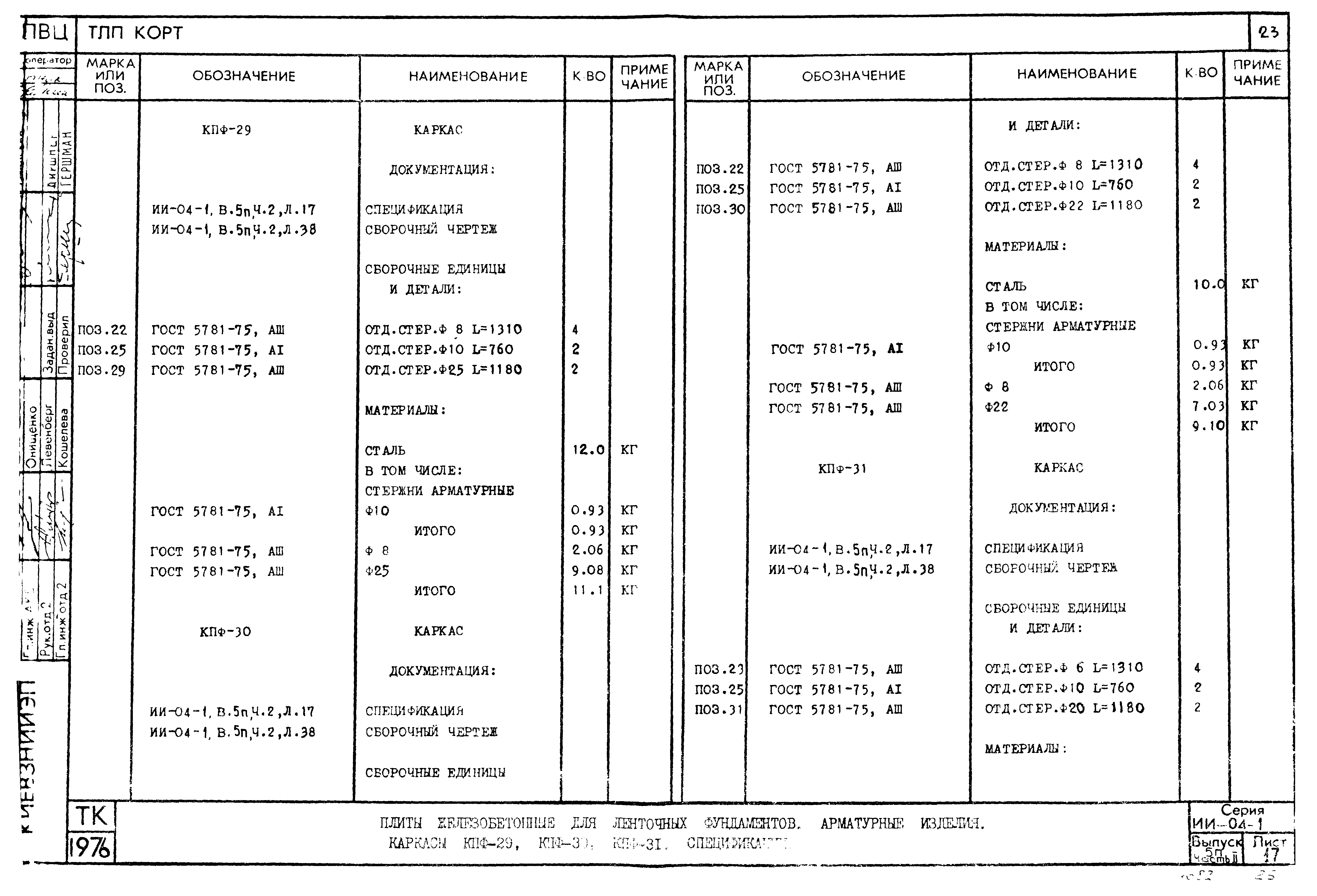
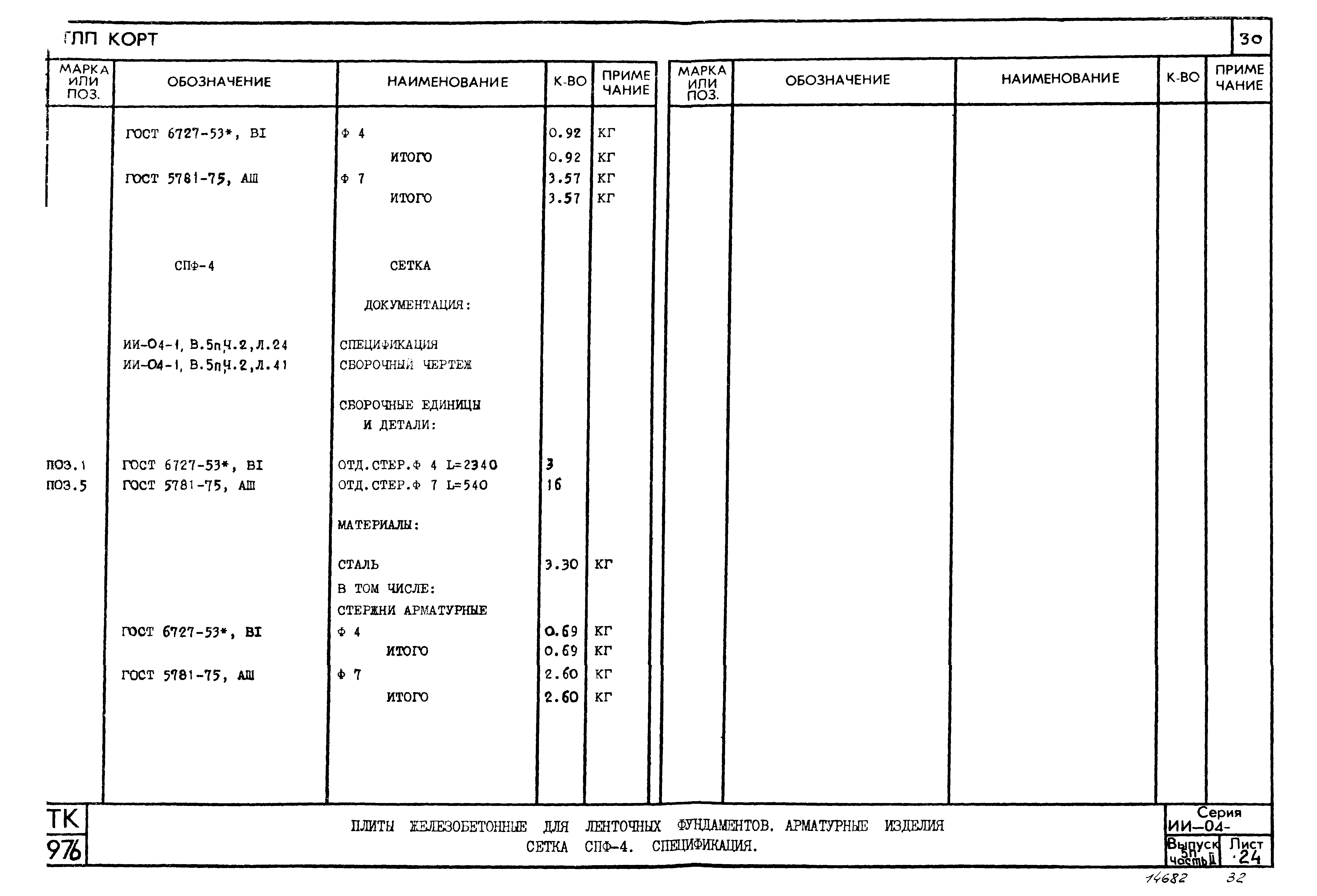
| Оглавление: | Перечень серий и выпусков Содержание выпуска Пояснительная записка Плиты железобетонные для ленточных фундаментов. Арматурные изделия. Каркасы КПФ-1; КПФ-2. Спецификации Плиты железобетонные для ленточных фундаментов. Арматурные изделия. Каркасы КПФ-3; КПФ-4. Спецификации Плиты железобетонные для ленточных фундаментов. Арматурные изделия. Каркасы КПФ-5; КПФ-6. Спецификации Плиты железобетонные для ленточных фундаментов. Арматурные изделия. Каркасы КПФ-7; КПФ-8. Спецификации Плиты железобетонные для ленточных фундаментов. Арматурные изделия. Каркасы КПФ-9; КПФ-10. Спецификации Плиты железобетонные для ленточных фундаментов. Арматурные изделия. Каркасы КПФ-11; КПФ-12. Спецификации Плиты железобетонные для ленточных фундаментов. Арматурные изделия. Каркасы КПФ-13; КПФ-14. Спецификации Плиты железобетонные для ленточных фундаментов. Арматурные изделия. Каркасы КПФ-15; КПФ-16. Спецификации Плиты железобетонные для ленточных фундаментов. Арматурные изделия. Каркасы КПФ-17; КПФ-22. Спецификации Плиты железобетонные для ленточных фундаментов. Арматурные изделия. Каркасы КПФ-23; КПФ-28. Спецификации Плиты железобетонные для ленточных фундаментов. Арматурные изделия. Каркасы КПФ-39; КПФ-40, КПФ-41. Спецификации Плиты железобетонные для ленточных фундаментов. Арматурные изделия. Каркасы КПФ-42; КПФ-43; КПФ-44. Спецификации Плиты железобетонные для ленточных фундаментов. Арматурные изделия. Каркасы КПФ-45; КПФ-46. Спецификации Плиты железобетонные для ленточных фундаментов. Арматурные изделия. Каркасы КПФ-18; КПФ-19; КПФ-20. Спецификации Плиты железобетонные для ленточных фундаментов. Арматурные изделия. Каркасы КПФ-21; КПФ-24; КПФ-25. Спецификации Плиты железобетонные для ленточных фундаментов. Арматурные изделия. Каркасы КПФ-26; КПФ-27. Спецификации Плиты железобетонные для ленточных фундаментов. Арматурные изделия. Каркасы КПФ-29; КПФ-30; КПФ-31. Спецификации Плиты железобетонные для ленточных фундаментов. Арматурные изделия. Каркасы КПФ-32; КПФ-33; КПФ-34. Спецификации Плиты железобетонные для ленточных фундаментов. Арматурные изделия. Каркасы КПФ-35; КПФ-36. Спецификации Плиты железобетонные для ленточных фундаментов. Арматурные изделия. Каркасы КПФ-37; КПФ-38. Спецификации Плиты железобетонные для ленточных фундаментов. Арматурные изделия. Сетки СПФ-5; СПФ-6. Петля П-1. Спецификации Плиты железобетонные для ленточных фундаментов. Арматурные изделия. Сетки СПФ-7; СПФ-8. Петля П-2. Спецификации Плиты железобетонные для ленточных фундаментов. Арматурные изделия. Сетки СПФ-1; СПФ-2; СПФ-3. Спецификации Плиты железобетонные для ленточных фундаментов. Арматурные изделия. Сетка СПФ-4. Спецификации Плиты железобетонные для ленточных фундаментов. Арматурные изделия. Каркасы КПФ-1; КПФ-2 Плиты железобетонные для ленточных фундаментов. Арматурные изделия. Каркасы КПФ-3; КПФ-4 Плиты железобетонные для ленточных фундаментов. Арматурные изделия. Каркасы КПФ-5; КПФ-6 Плиты железобетонные для ленточных фундаментов. Арматурные изделия. Каркасы КПФ-7; КПФ-8 Плиты железобетонные для ленточных фундаментов. Арматурные изделия. Каркасы КПФ-9; КПФ-10 Плиты железобетонные для ленточных фундаментов. Арматурные изделия. Каркасы КПФ-11; КПФ-12 Плиты железобетонные для ленточных фундаментов. Арматурные изделия. Каркасы КПФ-13; КПФ-14 Плиты железобетонные для ленточных фундаментов. Арматурные изделия. Каркасы КПФ-15; КПФ-16 Плиты железобетонные для ленточных фундаментов. Арматурные изделия. Каркасы КПФ-17; КПФ-22 Плиты железобетонные для ленточных фундаментов. Арматурные изделия. Каркасы КПФ-23; КПФ-28 Плиты железобетонные для ленточных фундаментов. Арматурные изделия. Каркасы КПФ-39; КПФ-40; КПФ-41; КПФ-42; КПФ-43; КПФ-44; КПФ-45; КПФ-46 Плиты железобетонные для ленточных фундаментов. Арматурные изделия. Каркасы КПФ-18; КПФ-19; КПФ-20; КПФ-21 Плиты железобетонные для ленточных фундаментов. Арматурные изделия. Каркасы КПФ-24; КПФ-25; КПФ-26; КПФ-27 Плиты железобетонные для ленточных фундаментов. Арматурные изделия. Каркасы КПФ-29; КПФ-30; КПФ-31; КПФ-32 Плиты железобетонные для ленточных фундаментов. Арматурные изделия. Каркасы КПФ-33; КПФ-34; КПФ-35; КПФ-36; КПФ-37; КПФ-38 Плиты железобетонные для ленточных фундаментов. Арматурные изделия. Сетки СПФ-5; СПФ-6. Петля П-1. Сетки СПФ-7; СПФ-8. Петля П-2 Плиты железобетонные для ленточных фундаментов. Арматурные изделия. Сетки СПФ-1; СПФ-2; СПФ-3; СПФ-4 |
| Разработан: | КиевЗНИИЭП |
| Утверждён: | 22.04.1979 Государственный комитет по гражданскому строительству и архитектуре при Госстрое СССР (79) |
| Чем заменён: |

















































