Скачать Серия ИИ-04-1м Выпуск 2. Колонны. Изделия нулевого цикла каркаса с сеткой колонн 6х6 м; 6х4,5 м и 6х3 м для строительства на вечномерзлых грунтах. Колонны сечением 30х30 см. Опалубка и армирование. Рабочие чертежиДата актуализации: 01.01.2021
|
| Обозначение: | Серия ИИ-04-1м |
| Обозначение англ: | Series ИИ-04-1м |
| Статус: | не действует |
| Название рус.: | Выпуск 2. Колонны. Изделия нулевого цикла каркаса с сеткой колонн 6х6 м; 6х4,5 м и 6х3 м для строительства на вечномерзлых грунтах. Колонны сечением 30х30 см. Опалубка и армирование. Рабочие чертежи |
| Дата добавления в базу: | 01.09.2013 |
| Дата актуализации: | 01.01.2021 |
| Дата введения: | 15.11.1975 |
| Дата окончания срока действия: | 01.10.1988 |
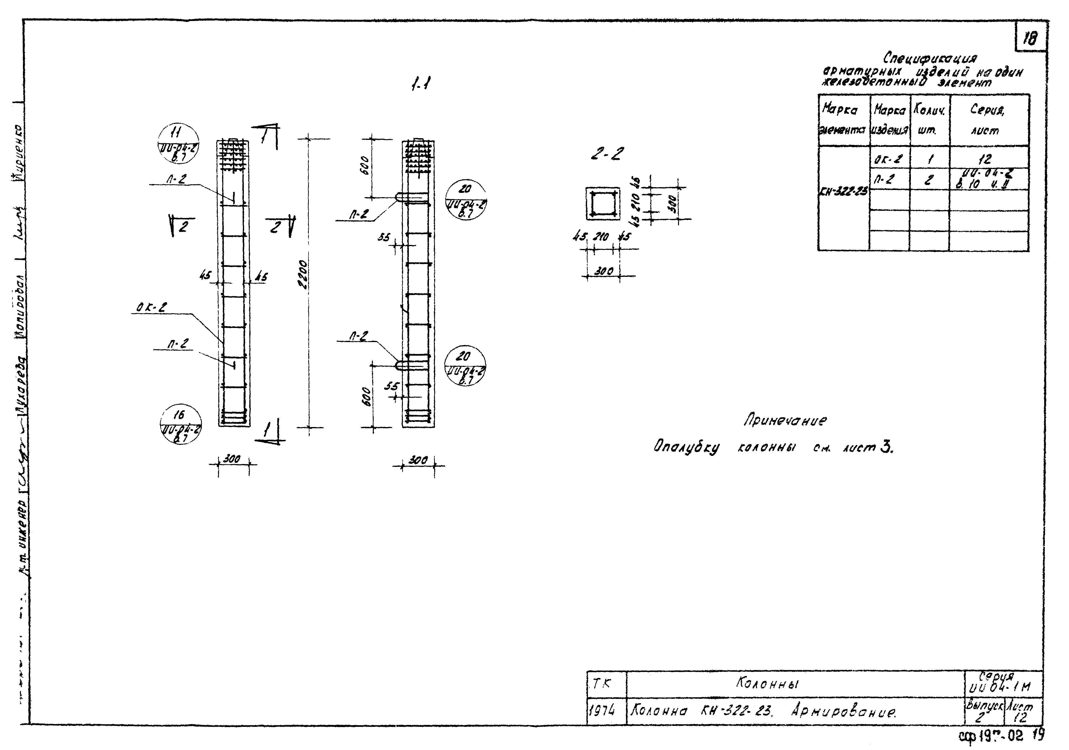
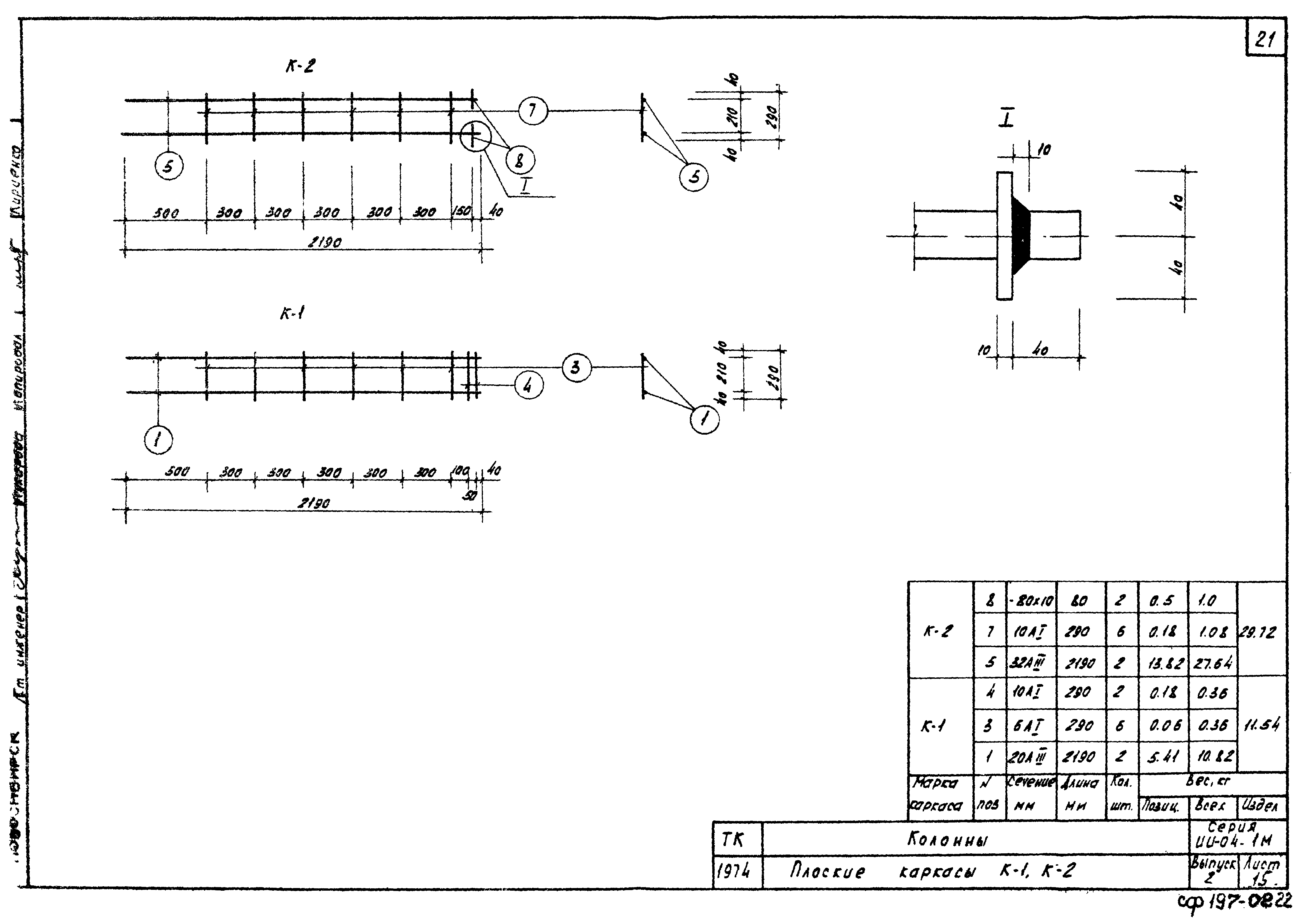
| Оглавление: | Содержание Пояснительная записка Указания по маркировке колонн в случае примыкания к ним стеновых панелей и диафрагм жесткости Номенклатура Колонны КН-322-14, КН-322-17, КН-322-23. Опалубка Колонны КН-322-14-1, КН-322-17-1, КН-322-23-1. Опалубка Колонны КН-322-14-2, КН-322-17-2, КН-322-23-2. Опалубка Колонны КН-322-14-3, КН-322-17-3, КН-322-23-3. Опалубка Колонны КН-322-14-4, КН-322-17-4, КН-322-23-4. Опалубка Колонны КН-322-14-5, КН-322-17-5, КН-322-23-5. Опалубка Колонны КН-322-14-6, КН-322-17-6, КН-322-23-6. Опалубка Колонны КН-322-14-7, КН-322-17-7, КН-322-23-7. Опалубка Колонны КН-322-14, КН-322-17. Армирование Колонна КН-322-23. Армирование Колонны КН-322-14, КН-322-17. Объемные каркасы ОК-1 Колонна КН-322-23. Объемный каркас ОК-2 Плоские каркасы К-1, К-2 Закладные детали МС-6, МС-7, МС-8, МС-9 Закладные детали М-13, М-14 |
| Разработан: | СибЗНИИЭП Госгражданстроя |
| Утверждён: | 17.09.1975 Государственный комитет по гражданскому строительству и архитектуре при Госстрое СССР (210) |
























