Скачать Серия ИИ-04-9 Выпуск 1. Унифицированные плоские арматурные каркасы, сетки и закладные детали. Рабочие чертежиДата актуализации: 01.01.2021
|
| Обозначение: | Серия ИИ-04-9 |
| Обозначение англ: | Series ИИ-04-9 |
| Статус: | не действует |
| Название рус.: | Выпуск 1. Унифицированные плоские арматурные каркасы, сетки и закладные детали. Рабочие чертежи |
| Дата добавления в базу: | 01.09.2013 |
| Дата актуализации: | 01.01.2021 |
| Дата введения: | 15.04.1976 |
| Дата окончания срока действия: | 01.04.1982 |
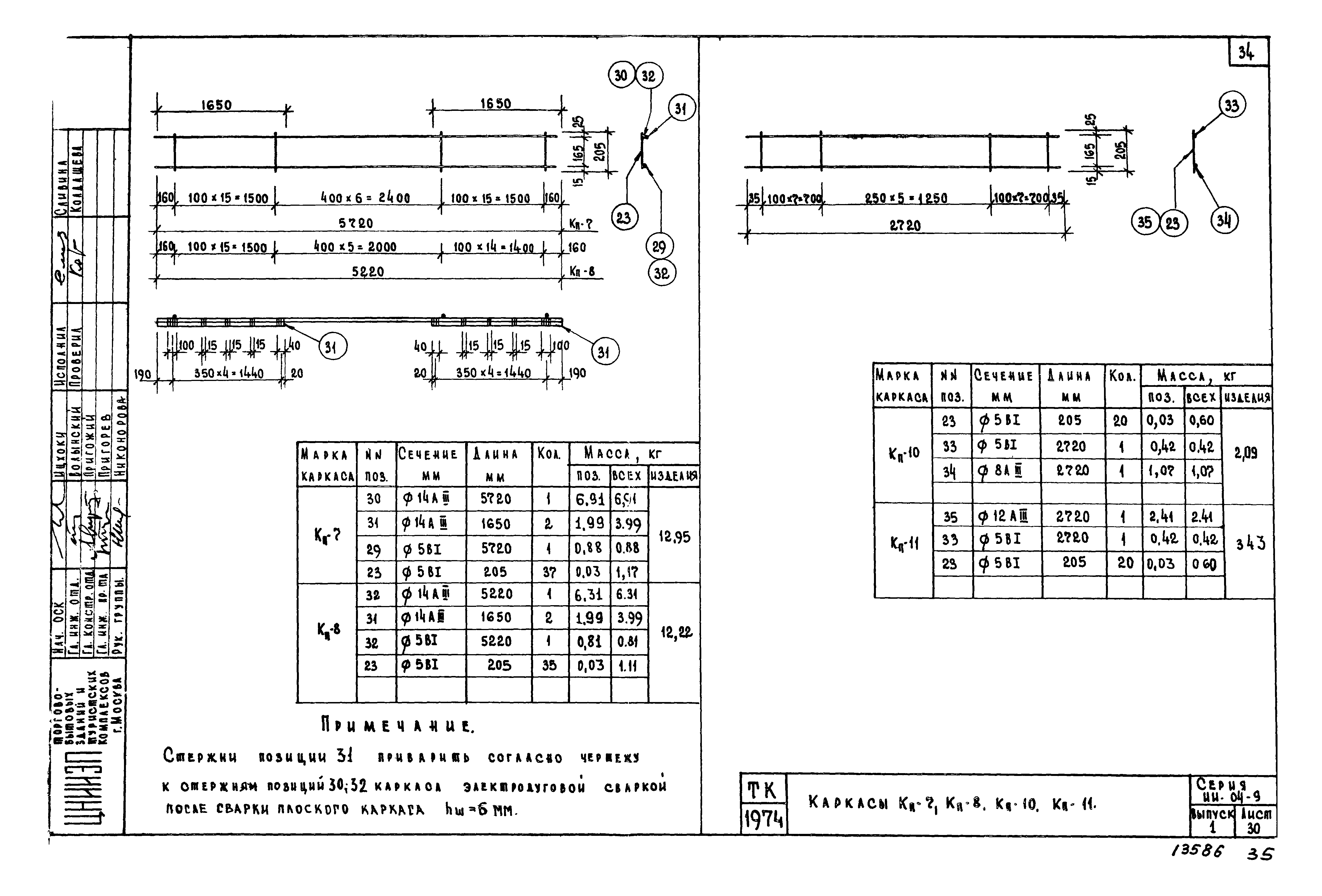
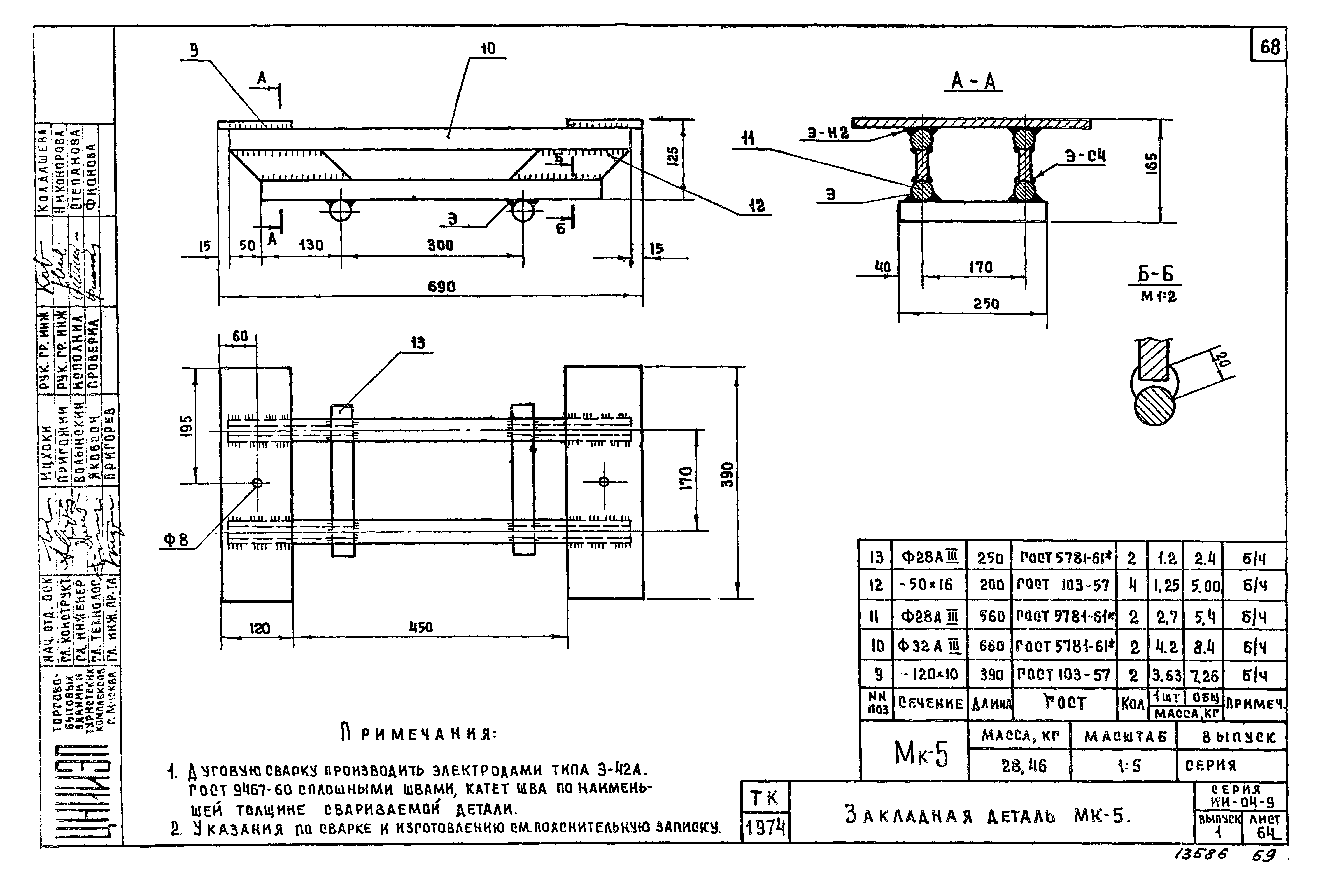
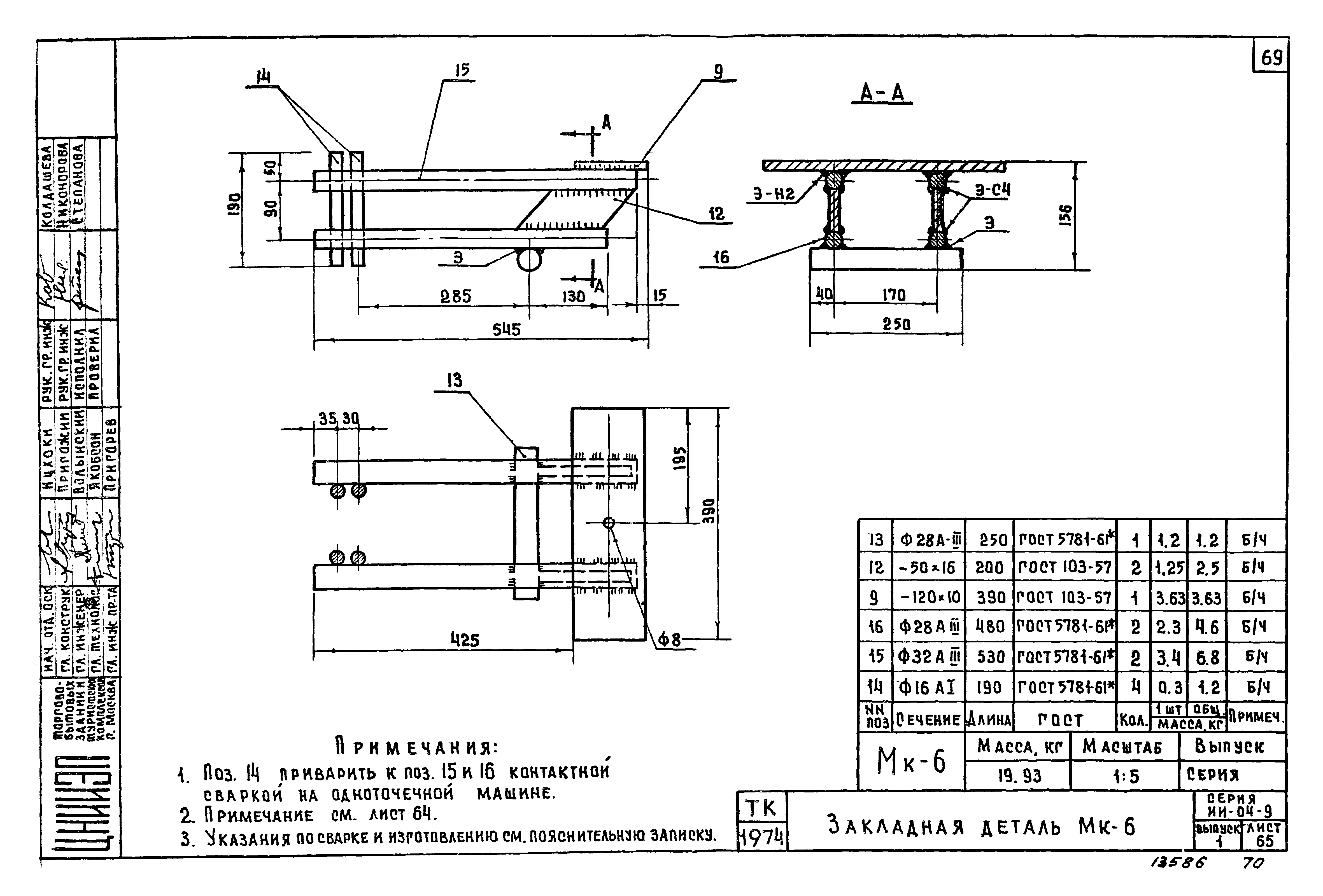
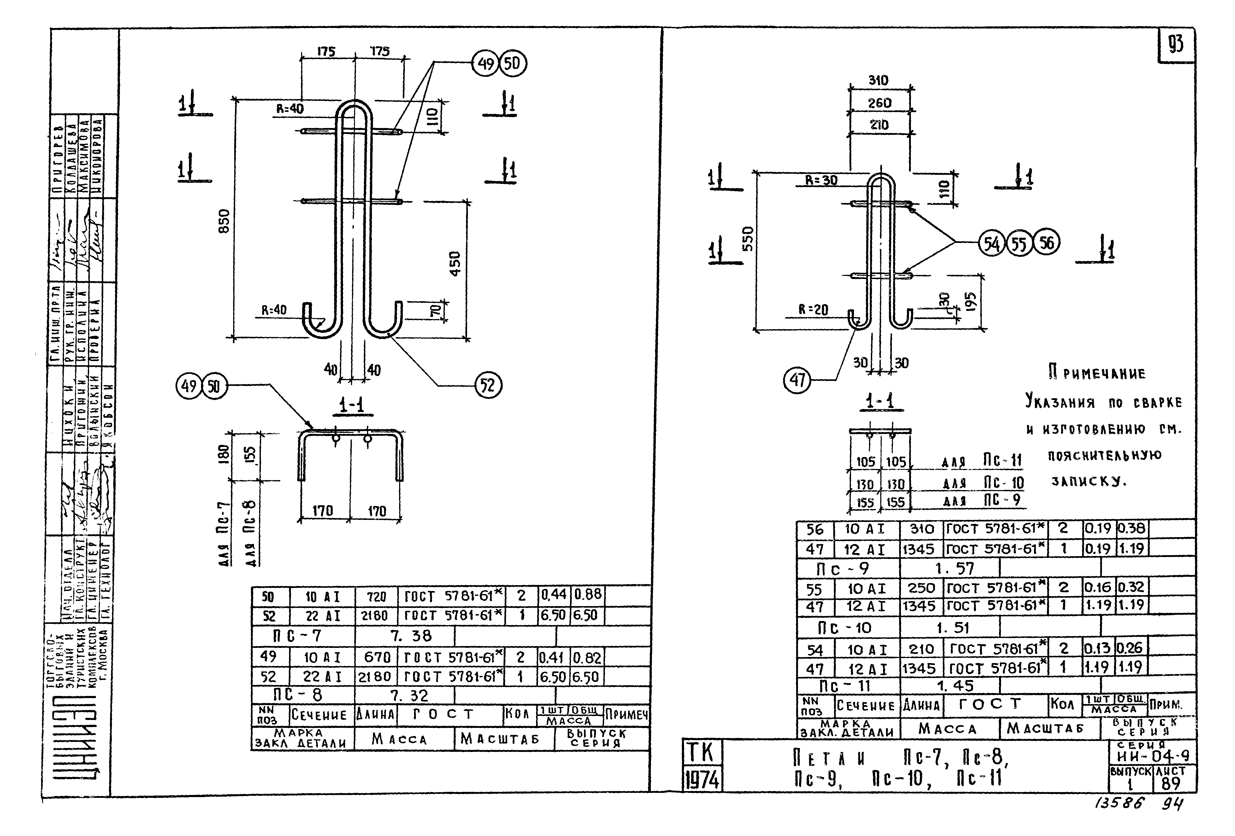
| Оглавление: | Содержание выпуска Пояснительная записка Сетки Сф-1, Сф-2, Сф-5, Сф-6 Сетки Сф-3, Сф-4 Сетки Сф-7, Сф-8. Петли Пф-1, Пф-2, Пф-3. Отдельные стержни Оф-1, Оф-2 Плоские каркасы Кк-1, Кк-2, Кк-3, Кк-4, Кк-5, Кк-6, Кк-7, Кк-8, Кк-9, Кк-10 Плоские каркасы Кк-11, Кк-12, Кк-13, Кк-14, Кк-15, Кк-16 Плоские каркасы Кк-17, Кк-18, Кк-19, Кк-20, Кк-21, Кк-22 Плоские каркасы Кк-23, Кк-24, Кк-25, Кк-26, Кк-27, Кк-28 Плоские каркасы Кк-29, Кк-30, Кк-31, Кк-32, Кк-33, Кк-34 Плоские каркасы Кк-35, Кк-36, Кк-37, Кк-38, Кк-39, Кк-40 Плоские каркасы Кк-41, Кк-42, Кк-43, Кк-81 Плоские каркасы Кк-44, Кк-45, Кк-46, Кк-47, Кк-48 Плоские каркасы Кк-49, Кк-50, Кк-51, Кк-52, Кк-53 Плоские каркасы Кк-54, Кк-55, Кк-56, Кк-57, Кк-58 Плоские каркасы Кк-59, Кк-60, Кк-61, Кк-62, Кк-63, Кк-64, Кк-65, Кк-66 Плоские каркасы Кк-67, Кк-68, Кк-69, Кк-70, Кк-71, Кк-72 Плоские каркасы Кк-73, Кк-74, Кк-75, Кк-76, Кк-77, Кк-78, Кк-79, Кк-80 Сетки Ск-1, Ск-2, Ск-3, Ск-4, Ск-5, Ск-6, Ск-7, Ск-8 Сетки Ск-9, Ск-10, Ск-11, Ск-12 Петли Пк-1, Пк-2. Связь СА-1. Отдельные стержни Плоские каркасы Кр-1, Кр-2, Кр-3, Кр-7 Плоские каркасы Кр-4, Кр-5, Кр-10, Кр-11, Кр-12 Плоские каркасы Кр-6, Кр-8, Кр-9, Кр-13, Кр-14 Сетки Ср-1, Ср-2, Ср-3, Ср-4, Ср-5, Ср-6, Ср-7. Отдельные стержни Ор-1 - Ор-7 Сетки Сп-1, Сп-2, Сп-3, Сп-4, Сп-5, Сп-6 Сетки Сп-9, Сп-10, Сп-11, Сп-12 Сетки Сп-7, Сп-8, Сп-13, Сп-14, Сп-15, Сп-20 Сетки Сп-17, Сп-19, Сп-21, Сп-18 Сетки Сп-22, Сп-23, Сп-24, Сп-25 Каркасы Кп-1, Кп-2, Кп-3, Кп-4, Кп-5, Кп-6 Каркасы Кп-7, Кп-8, Кп-10, Кп-11 Каркасы Кп-12, Кп-13, Кп-14, Кп-9. Петли Пп-1, Пп-2 Каркасы Кс1-25, Кс2-25, Кс3-35, Кс1-30, Кс2-30, Кс3-30 Каркасы Кс1-35, Кс2-35, Кс3-35, Кс10-25, Кс11-25, Кс12-25 Каркасы Кс10-30, Кс11-30, Кс12-30, Кс10-35, Кс11-35, Кс12-35 Каркасы Кс7т-30, Кс7н-30, Кс5т-30, Кс5н-30, Кс7т-35, Кс7н-35, Кс5т-35, Кс5н-35 Каркасы Кс6т-35, Кс6н-35, Кс4т-35, Кс4н-35, Кс7т-25, Кс7н-25, Кс5т-25, Кс5н-25 Каркасы Кс6т-30, Кс6н-30, Кс4т-30, Кс4н-30, Кс6т-25, Кс6н-25, Кс4т-25, Кс4н-25 Каркасы Кс8-25, Кс9-25, Кс8-35, Кс9-35, Кс8-30, Кс9-30, Кс13-25 Каркасы Кс13-30, Кс13-35, Кс14-25, Кс14-30 Каркасы Кс14-35, Кс15-30, Кс15-25, Кс15-35 Каркасы Кс16-25, Кс16-30, Кс16-35. Отдельные стержни Ос-1 - Ос-8 Сетки Сд-1 - Сд-5 Сетки Сд-6, Сд-7, Сд-8, Сд-9л, Сд-9п, Сд-10л, Сд-10п Сетки Сд-11л, Сд-11п, Сд-12л, Сд-12п, Сд-13л, Сд-13п, Сд-14л, Сд-14п Сетки Сд-15, Сд-16, Сд-17, Сд-18 Сетки Сд-19, Сд-20 Каркасы Кд-1, Кд-2, Кд-3, Кд-4 Каркасы Кд-5, Кд-7, Кд-8, Кд-9, Кд-10, Кд-14, Кд-16, Кд-11 Каркасы Кд-6, Кд-12, Кд-13. Отдельные позиции Од-1 - Од-7 Каркасы Кд-17, Кд-18, Кд-19, Кд-20, Кд-21, Кд-22 Каркасы Кд-23, Кд-24, Кд-25 Каркасы Кд-26, Кд-27, Кд-28 Каркасы Кл-1, Кл-2, Кл-3, Кл-4, Кл-5, Кл-6 Каркасы Кл-7, Кл-8, Кл-9, Кл-10, Кл-11, Кл-12 Каркасы Кл-13, Кл-14, Кл-15, Кл-16 Сетки Сл-1, Сл-2, Сл-3, Сл-4, Сл-5 Сетки Сл-6, Сл-7, Сл-8 Сетки Сл-9, Сл-10, Сл-11, Сл-12, Сл-13 Сетки Сл-14, Сл-15, Сл-16, Сл-17 Сетка Сл-18. Отдельные позиции Ол-1 - Ол-10 Петли Пл-1, Пл-2 Закладные детали Мк-1 и Мк-2 Закладные детали Мк-3 и Мк-4 Закладная деталь Мк-5 Закладная деталь Мк-6 Закладная деталь Мк-7 Закладная деталь Мк-8 и деталь 19 Закладная деталь Мк-9 Закладная деталь Мк-10 Закладная деталь Мк-11 Закладная деталь Мк-12 и деталь 30 Закладные детали Мк-13 и Мк-14 Закладные детали Мл-1 и Мд-1 Детали 6, 8, 12 и 17 Детали 22, 29 и 8 Закладные детали Мр-1, Мр-2 и Мр-3 Закладные детали Мр-4 и Мр-5 Детали. Позиции 2, 4, 9 и 11 Закладная деталь Мр-6, позиция 12, петля Пр-3 и отдельный стержень Ор-8 Закладные детали Мс-1, Мс-2, Мс-3, Мс-4 Закладные детали Мс-5, Мс-6 Закладные детали Мс-7, Мс-8 Закладные детали Мс-9, Мс-10 Закладные детали Мс-11, Мс-12, Мс-13, Мс-14 Закладные детали Мс-15, Мс-16, Мс-17, Мс-18 Закладные детали Мс-19, Мс-20, Мс-21, Мс-22 Закладные детали Мс-23, Мс-24, Мс-25, Мс-26 Петли Пс-1, Пс-2, Пс-3, Пс-4, Пс-5, Пс-6 Петли Пс-7, Пс-8, Пс-9, Пс-10, Пс-11 Таблицы маркировки заменяемых арматурных изделий на унифицированные Плоские каркасы Кк-82, Кк-84, Кк-85, Кк-87, Кк-88, Кк-90 Плоские каркасы Кк-83, Кк-86, Кк-89 |
| Разработан: | ЦНИИЭП торгово-бытовых зданий и туристских комплексов |
| Утверждён: | 18.03.1976 Государственный комитет по гражданскому строительству и архитектуре при Госстрое СССР (63) |
| Чем заменён: |





































































































