Скачать ТТК 09.01.09 Устройство земляного полотна автодорог шириной 7 м и 10 мДата актуализации: 01.01.2021
|
| Обозначение: | ТТК 09.01.09 |
| Обозначение англ: | 09.01.09 |
| Статус: | не установлен срок действия |
| Название рус.: | Устройство земляного полотна автодорог шириной 7 м и 10 м |
| Дата добавления в базу: | 01.09.2013 |
| Дата актуализации: | 01.01.2021 |
| Дата введения: | 25.05.1974 |
| Область применения: | Типовая технологическая карта применяется при проектировании организации и производстве работ по устройству земляного полотна автодорог промышленных предприятий. |
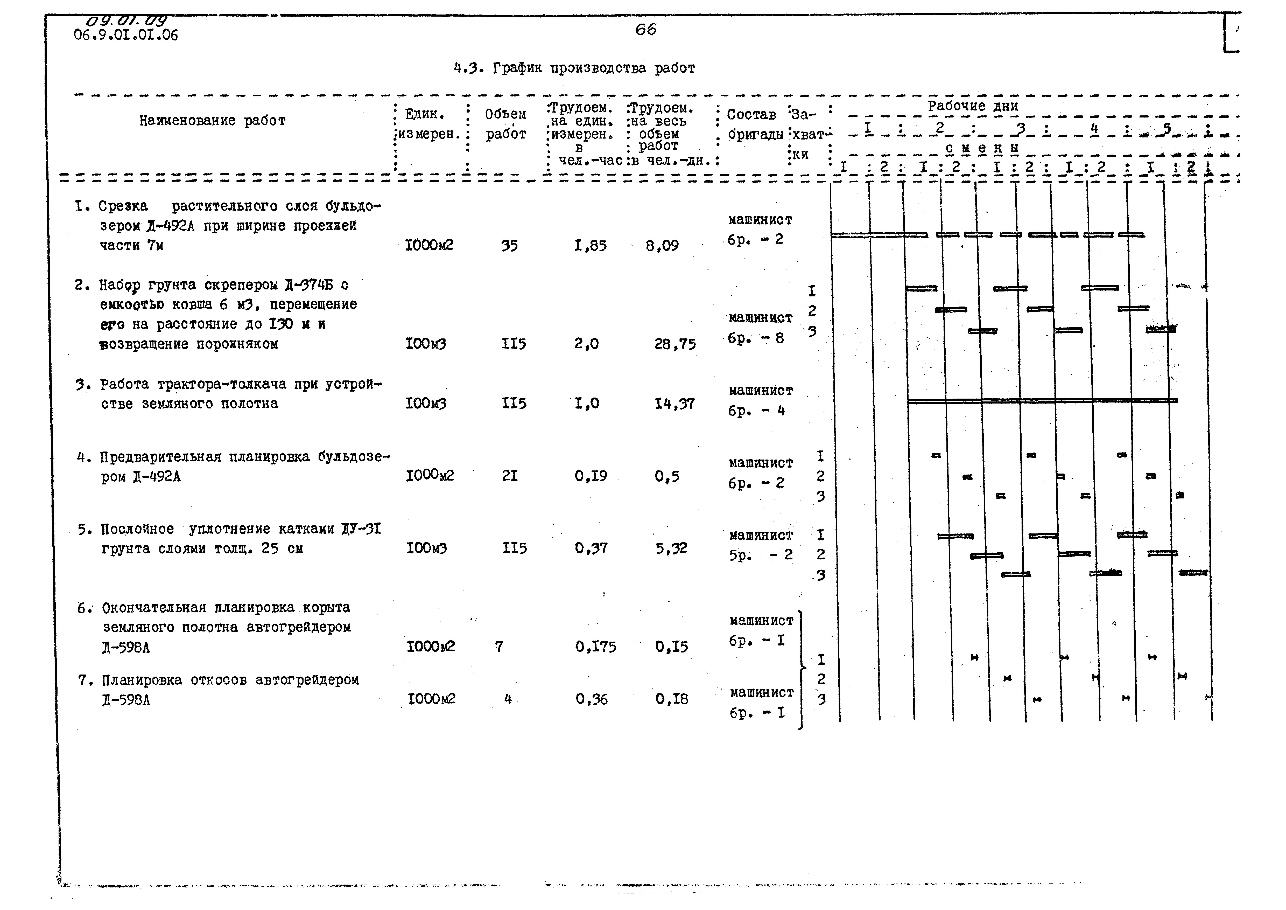
| Оглавление: | 1. Область применения 2. Технико-экономические показатели строительного процесса 3. Организация и технология строительного процесса 4. Организация и методы труда рабочих 4.1 Методы и приемы работ 4.2 Указания по технике безопасности 4.3 График производства работ 4.4 График производства работ 4.5 Калькуляция трудовых затрат 5. Материально-технические ресурсы |
| Разработан: | Трест Оргтехстрой Главюжуралстроя Минтяжстроя СССР |
| Утверждён: | 22.04.1974 Минтяжстрой СССР (USSR Mintyazhstroy 3-20-2-8) 22.04.1974 Минпромстрой СССР (USSR Minpromstroy 3-20-2-8) 22.04.1974 Минстрой СССР (USSR Minstroy 3-20-2-8) |
| Нормативные ссылки: |













