Скачать Типовой проект 503-7-14.88 Альбом 4. Силовое электрооборудование. Электрическое освещениеДата актуализации: 01.01.2021
|
| Обозначение: | Типовой проект 503-7-14.88 |
| Обозначение англ: | 503-7-14.88 |
| Статус: | не определен законодательством |
| Название рус.: | Альбом 4. Силовое электрооборудование. Электрическое освещение |
| Дата добавления в базу: | 01.09.2013 |
| Дата актуализации: | 01.01.2021 |
| Дата введения: | 15.09.1988 |
| Дата окончания срока действия: | 30.06.2003 |
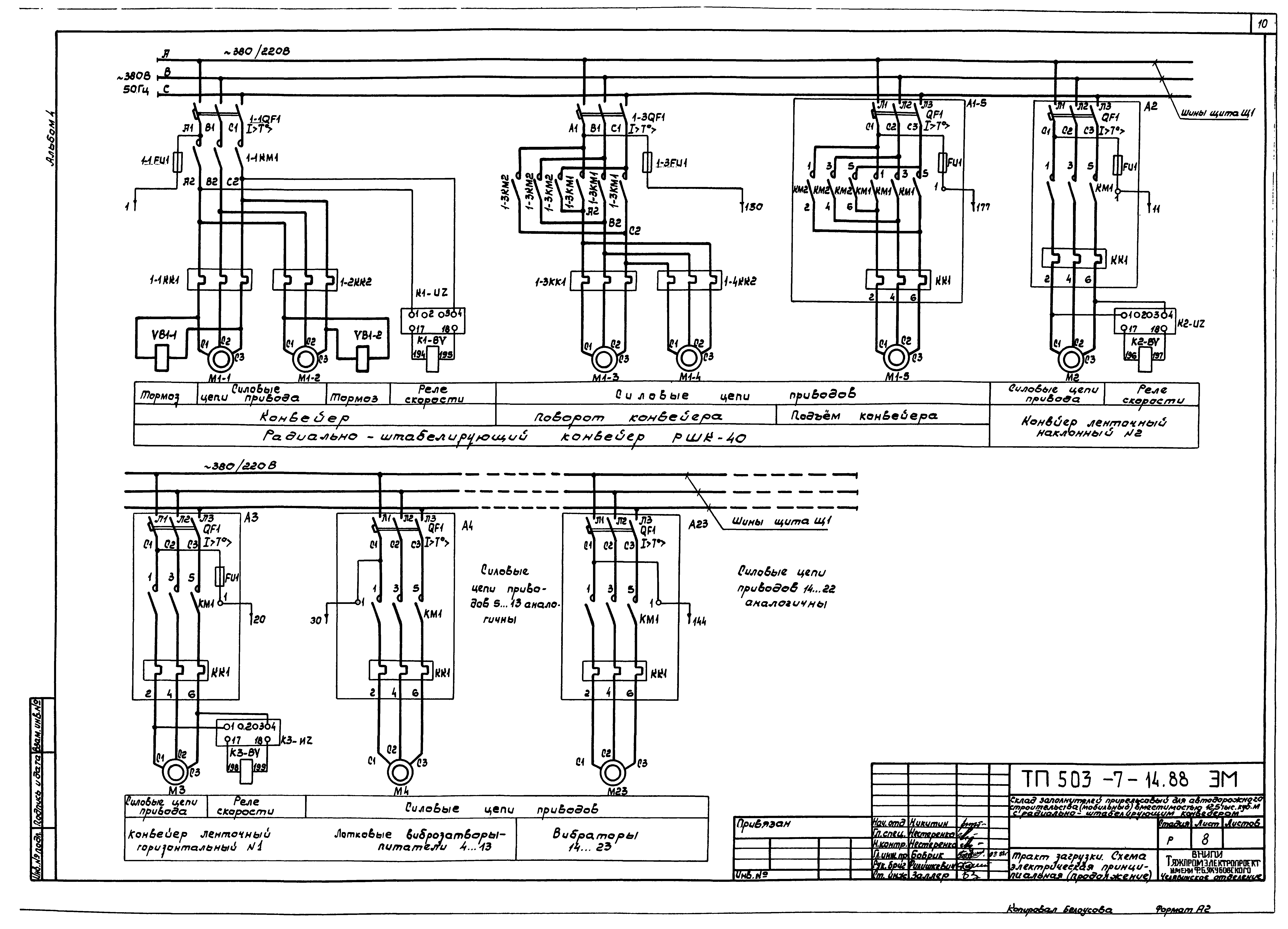
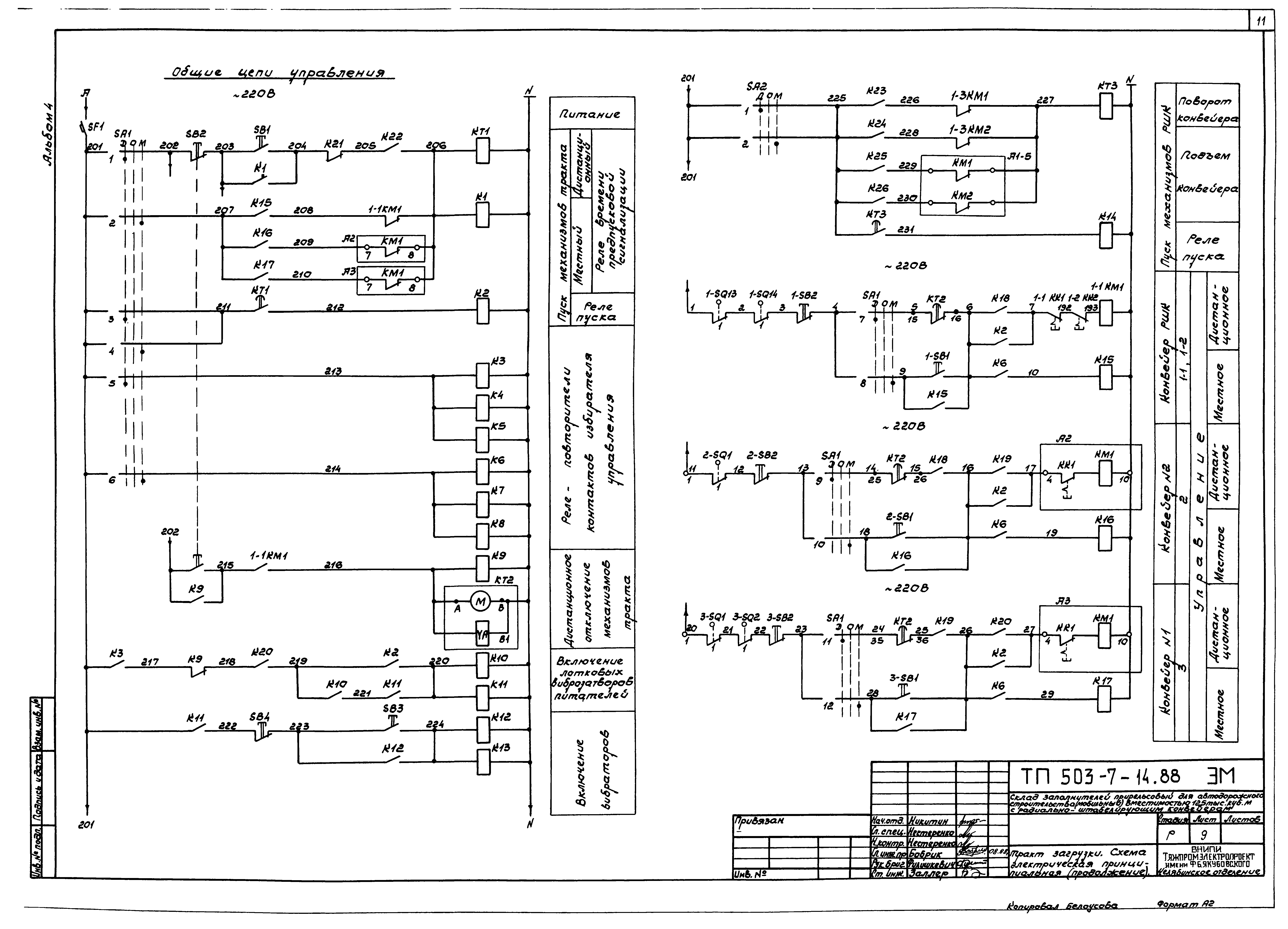
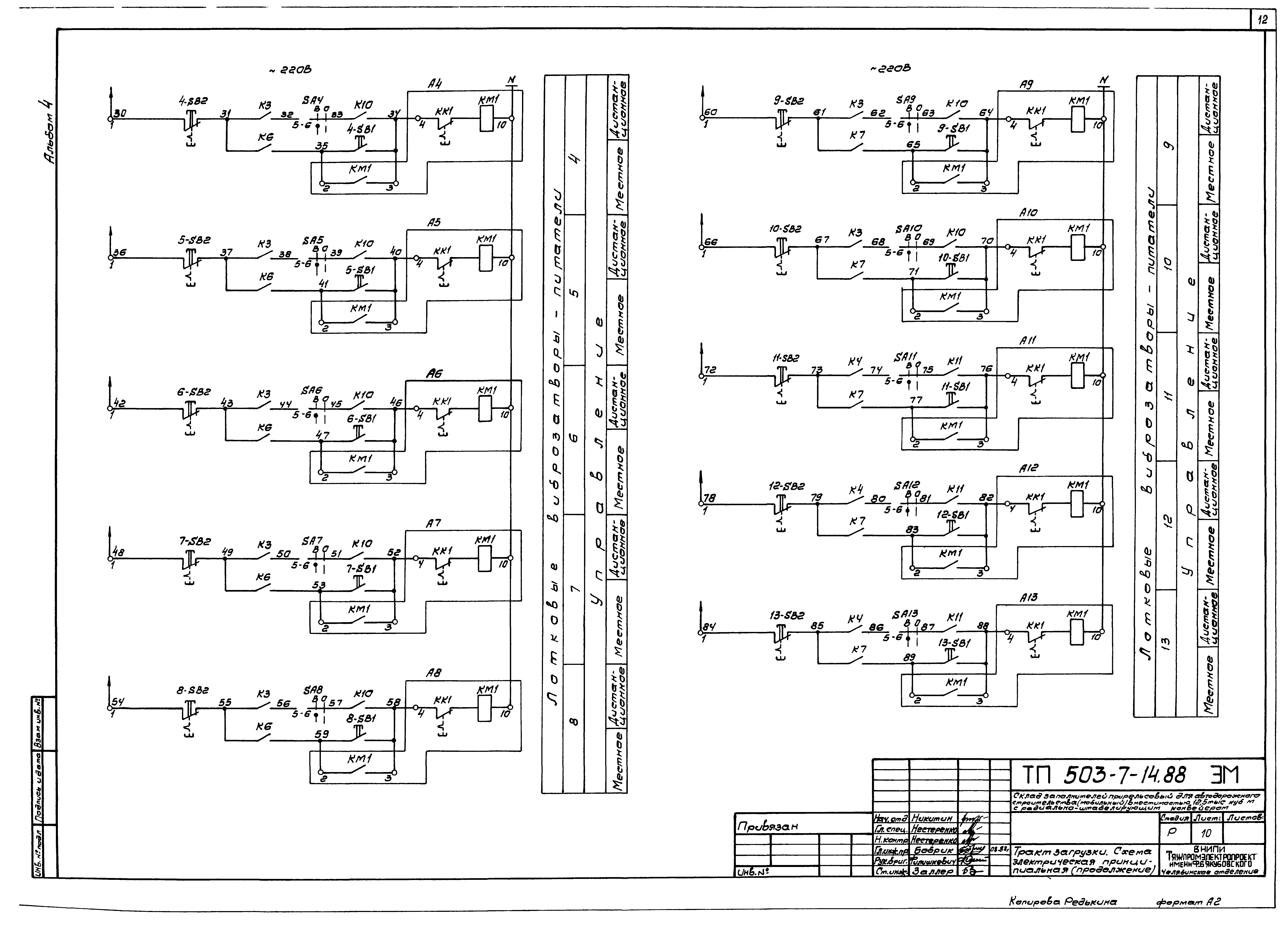
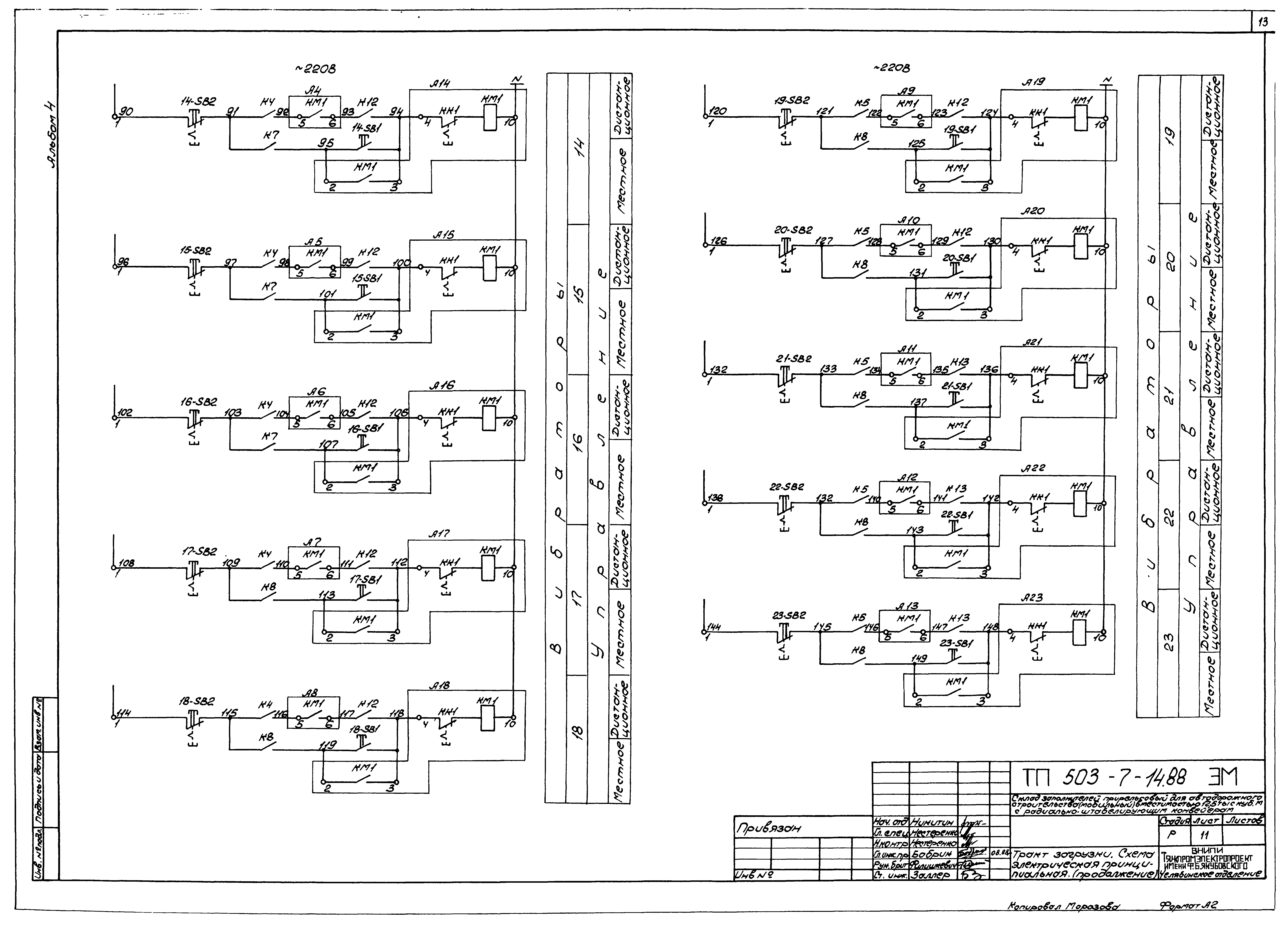
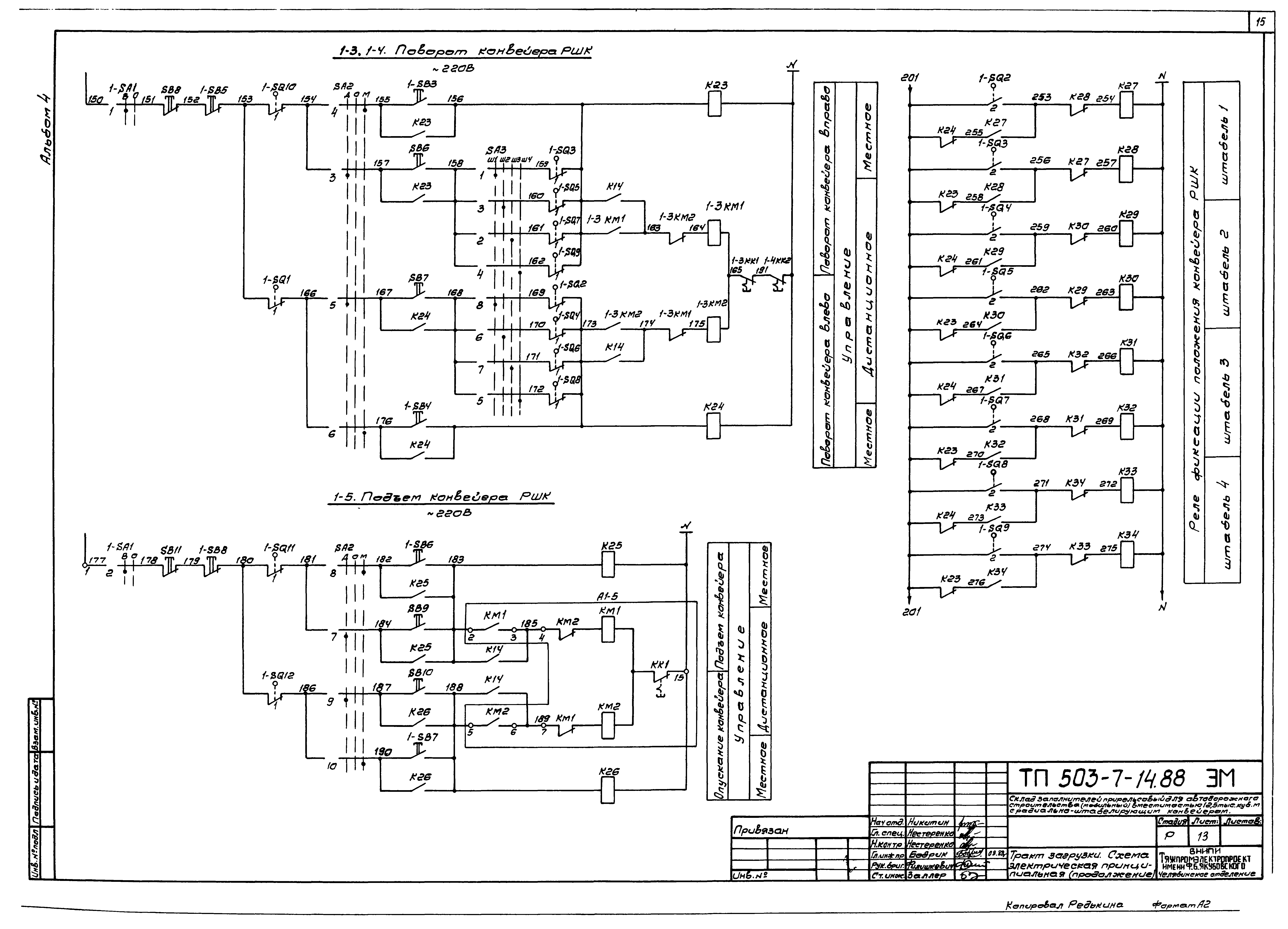
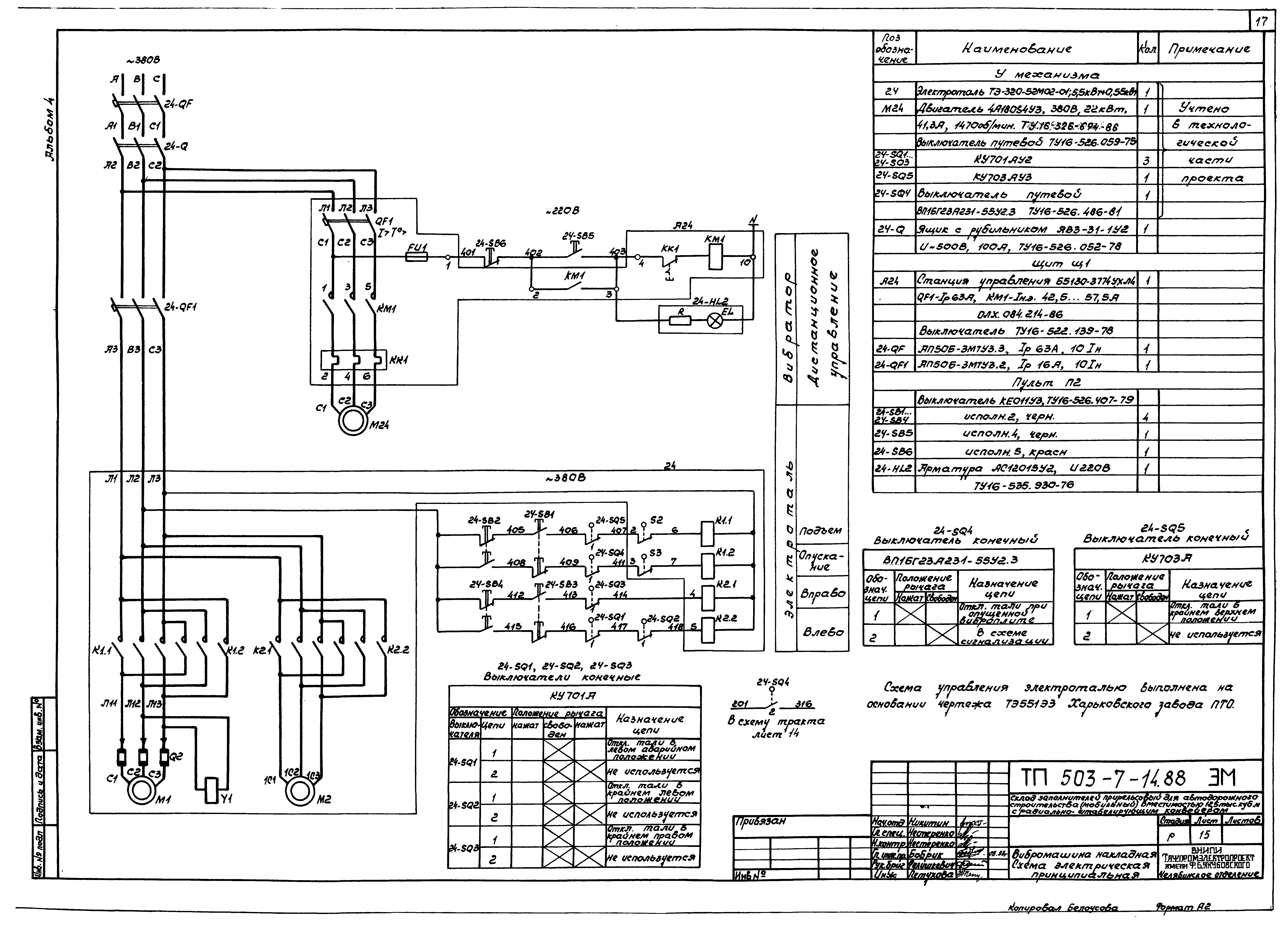
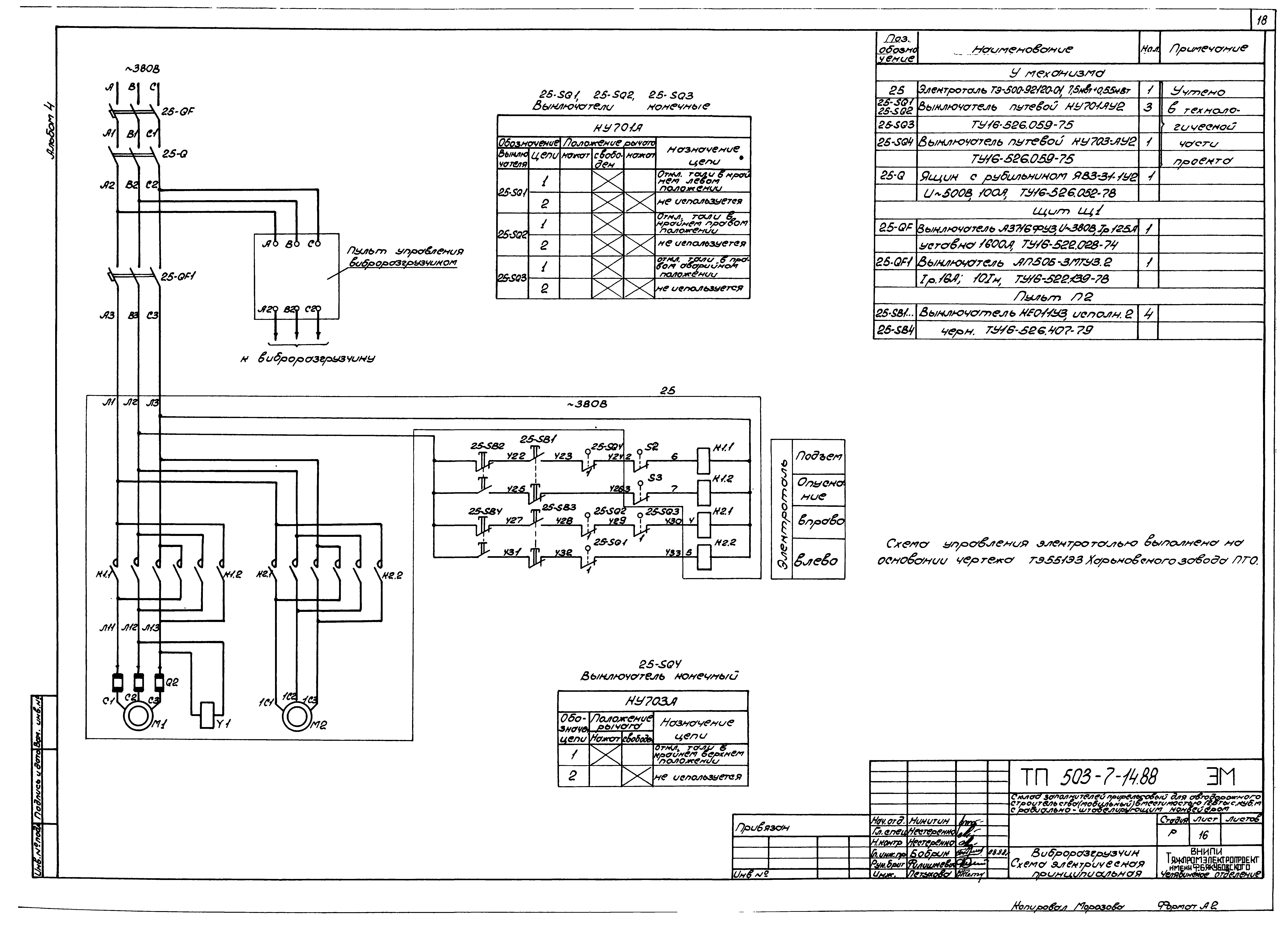
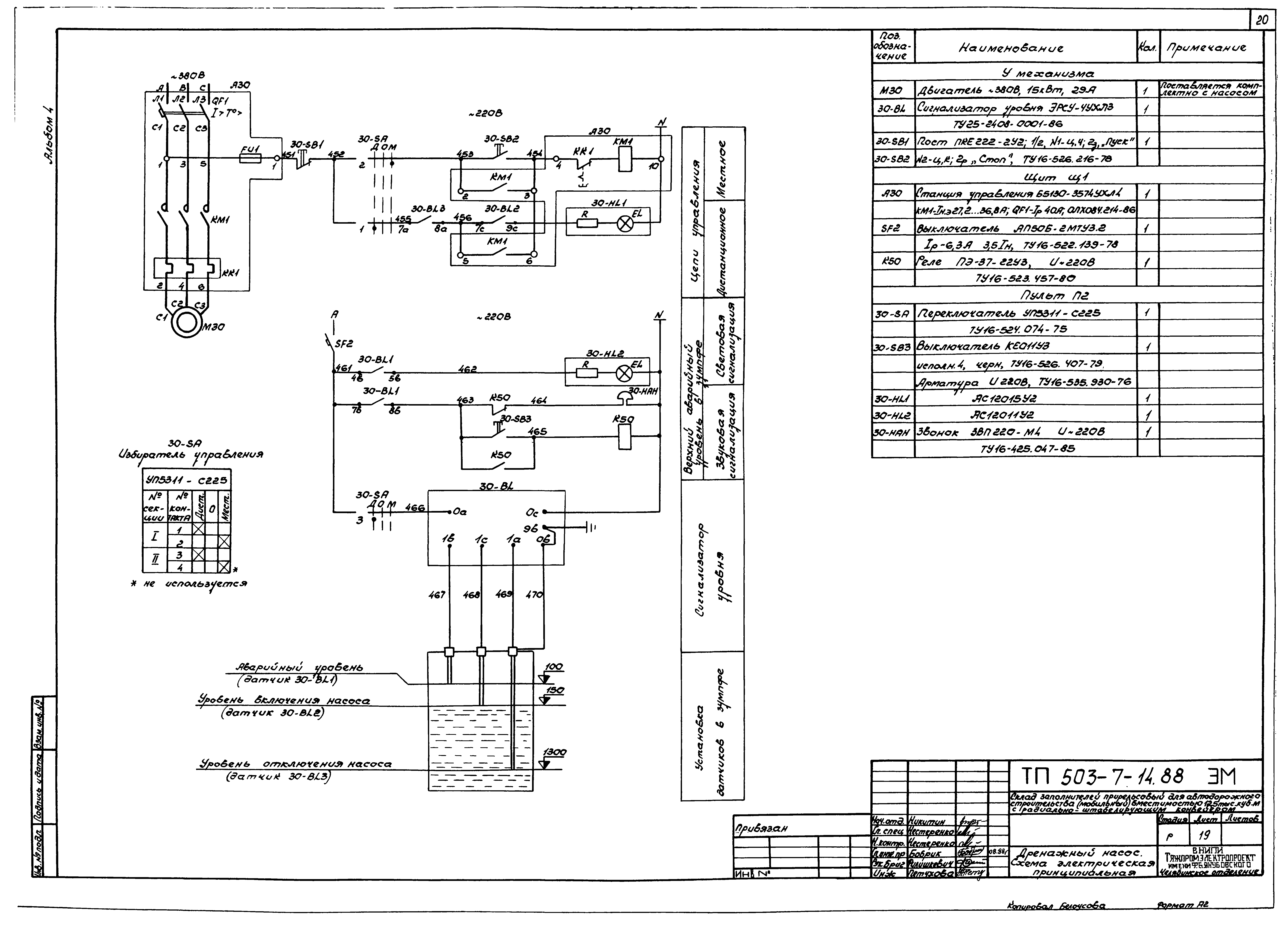
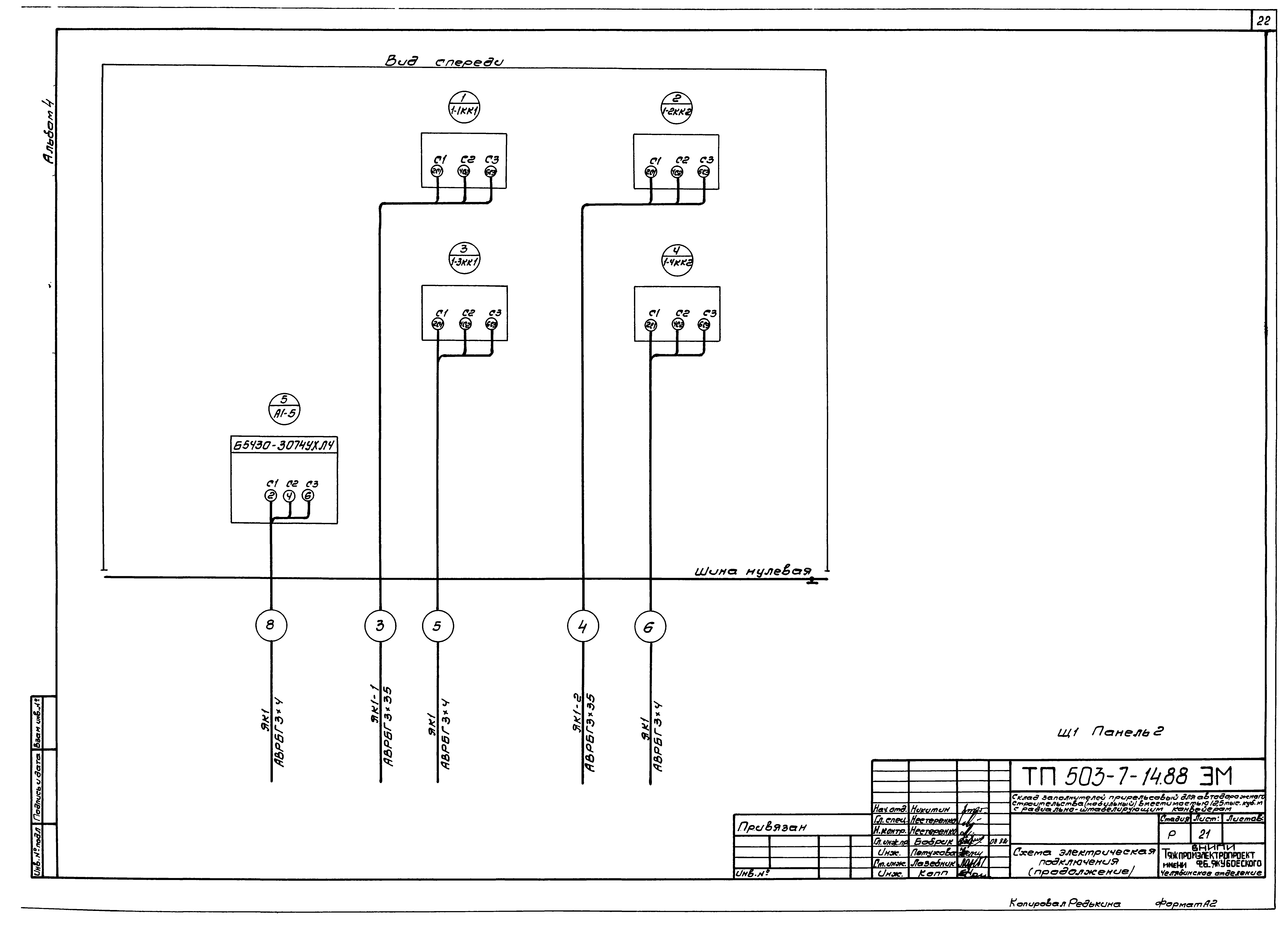
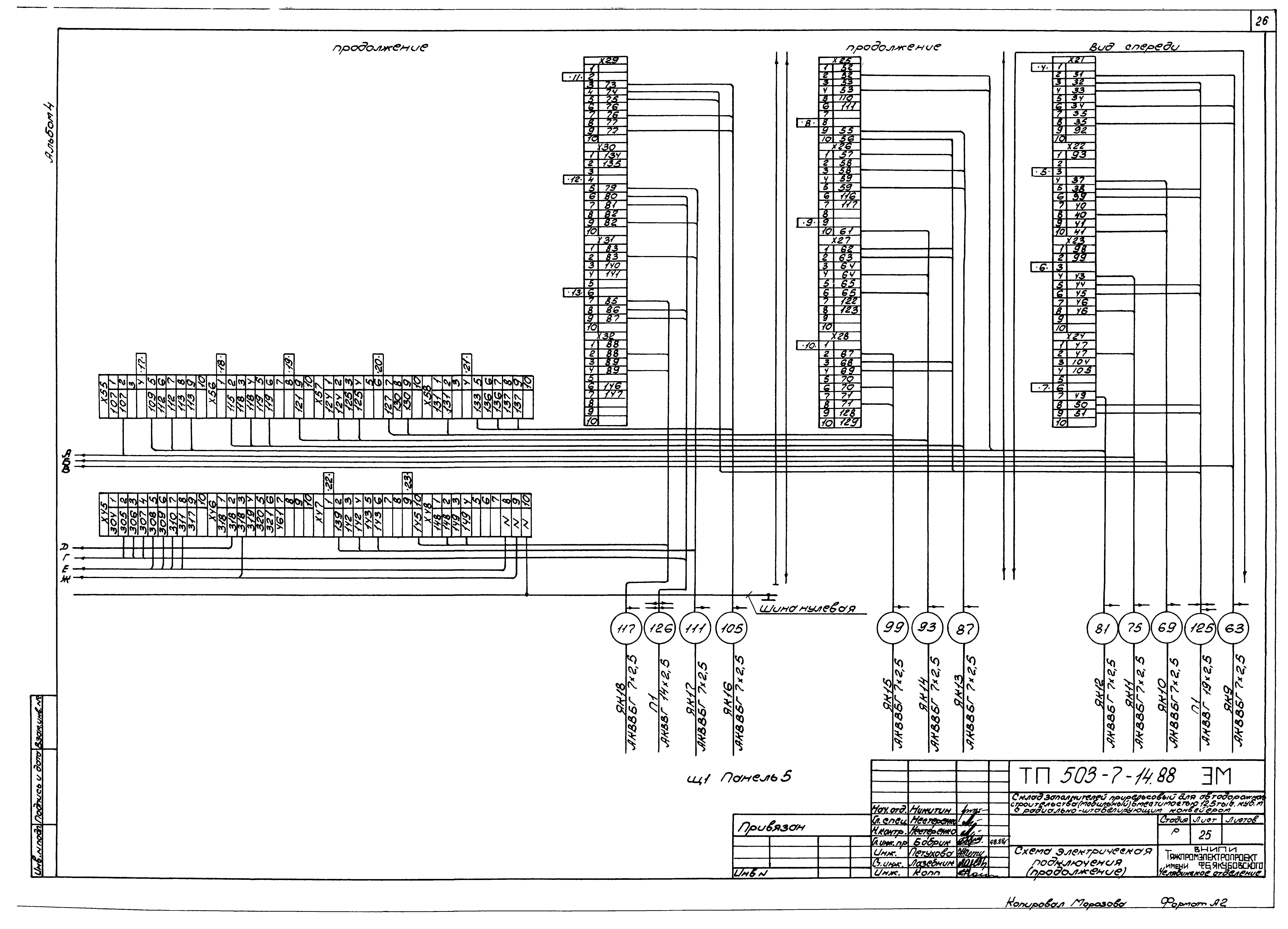
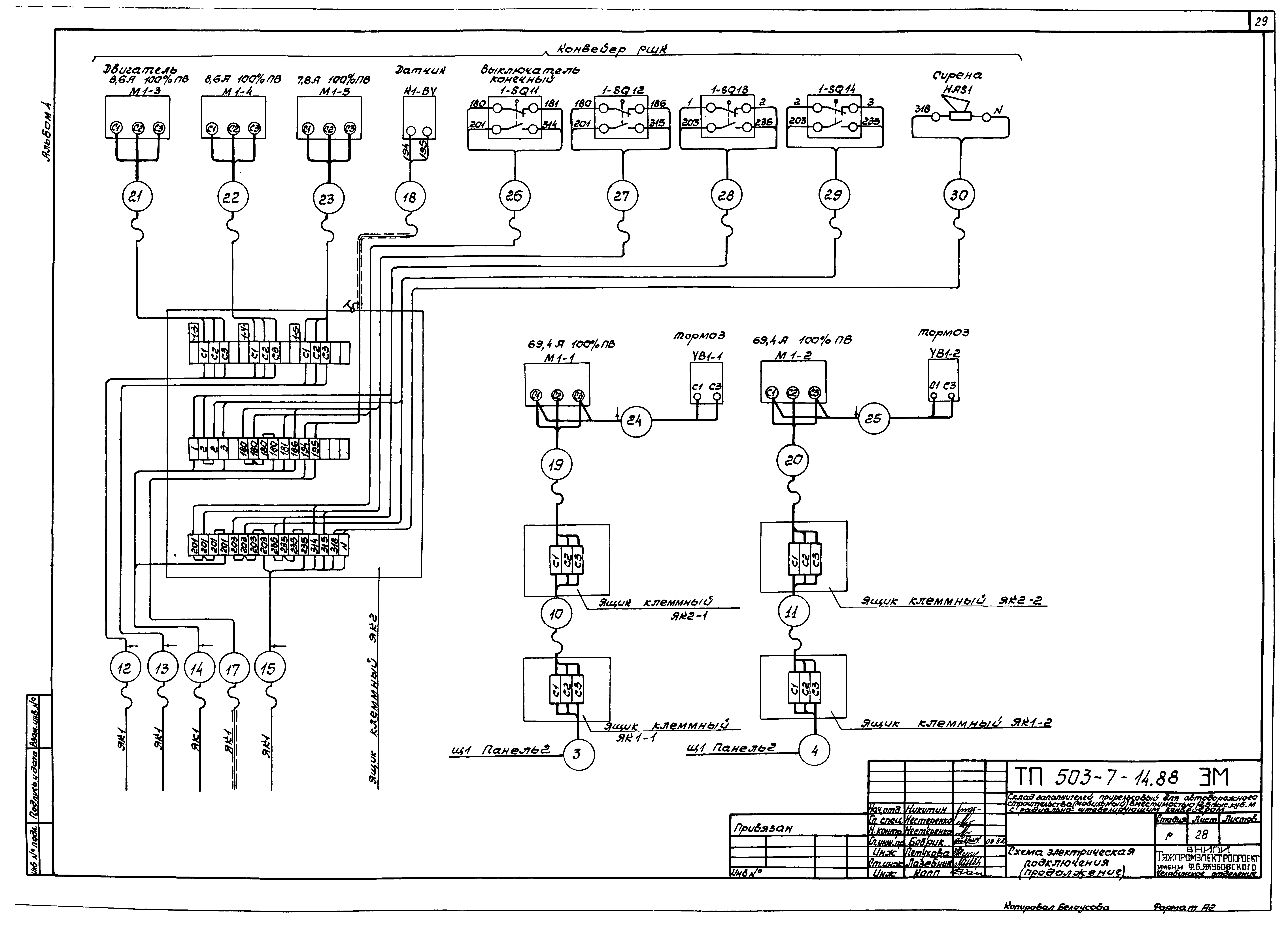
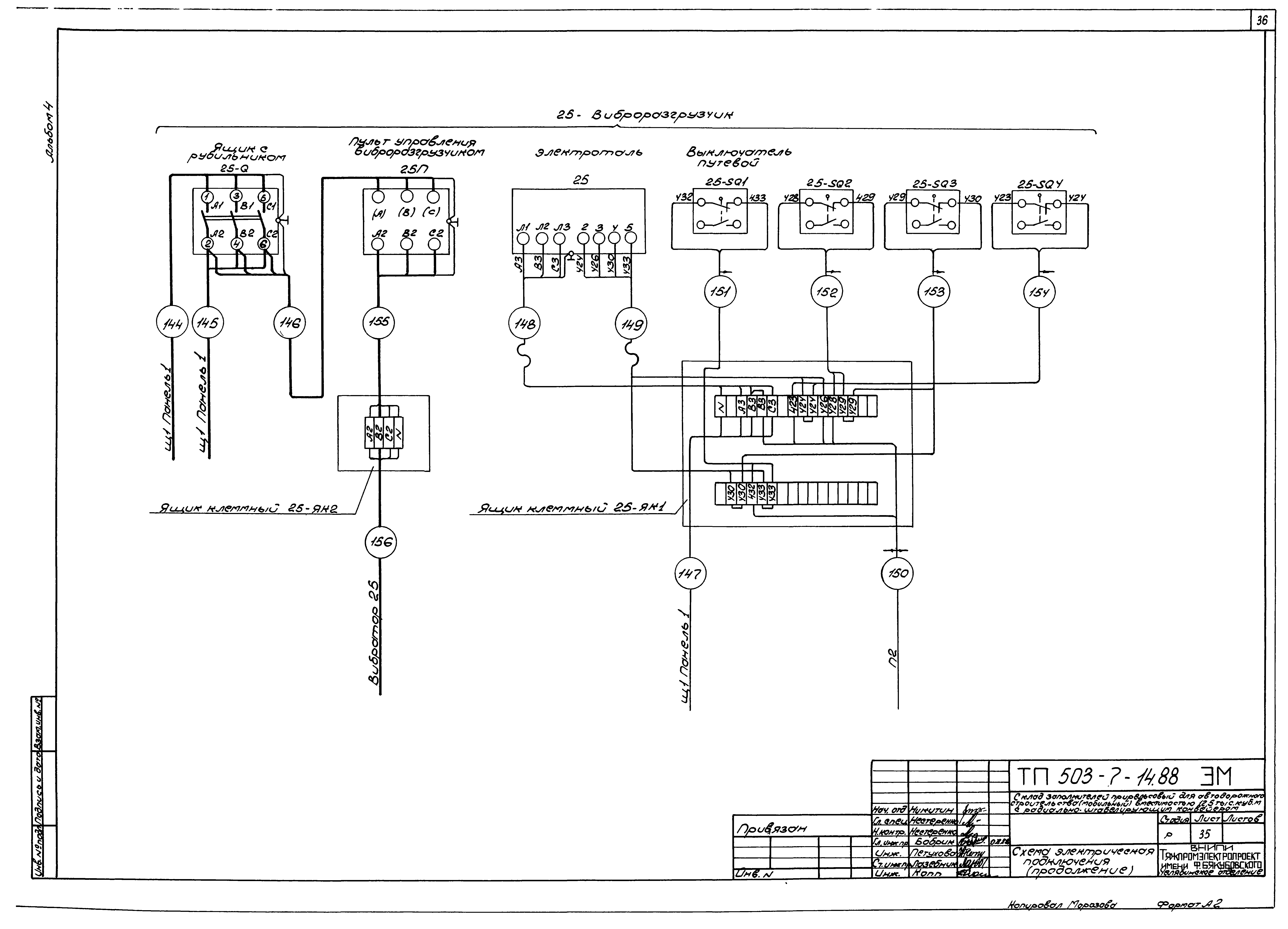
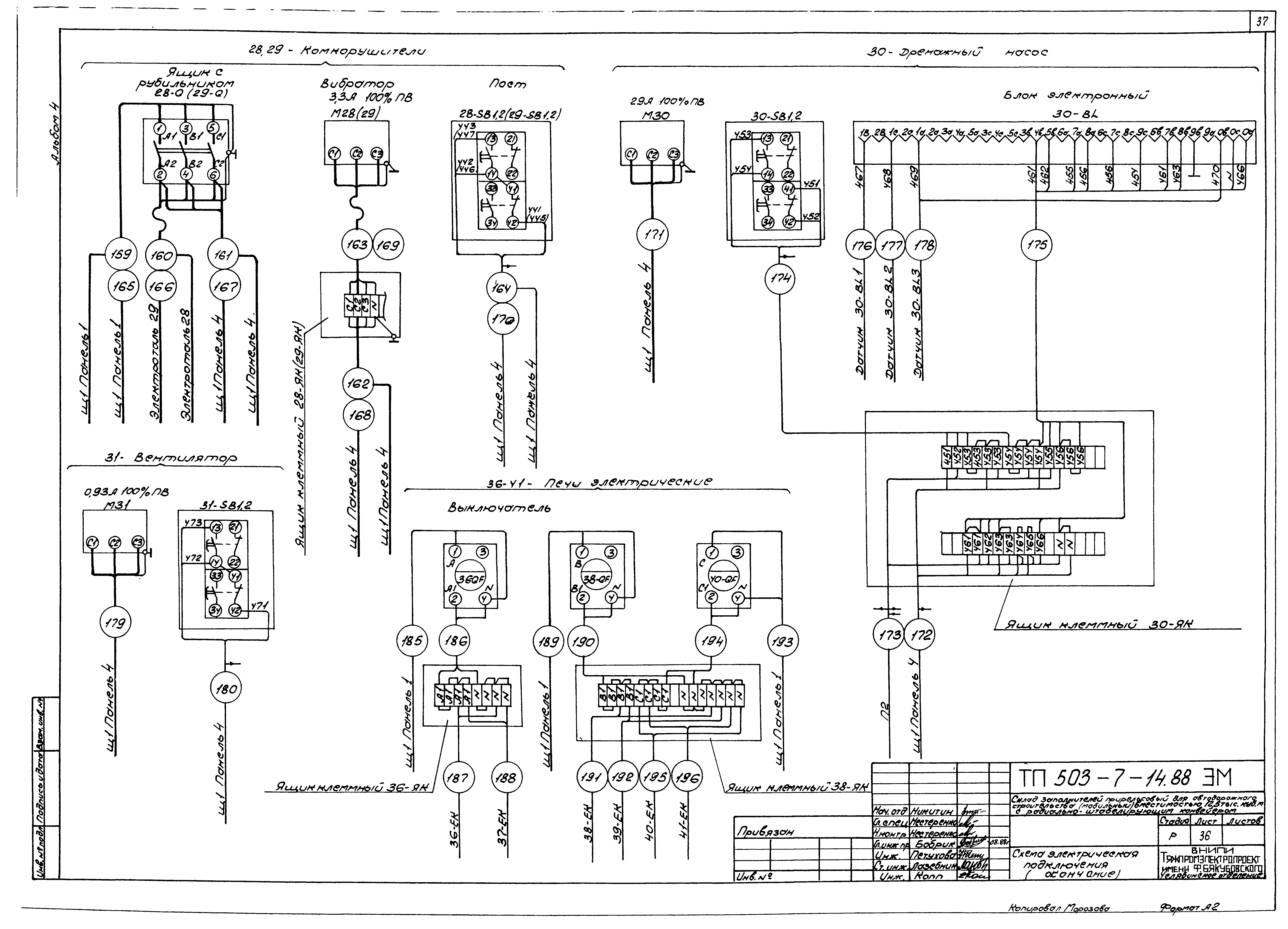
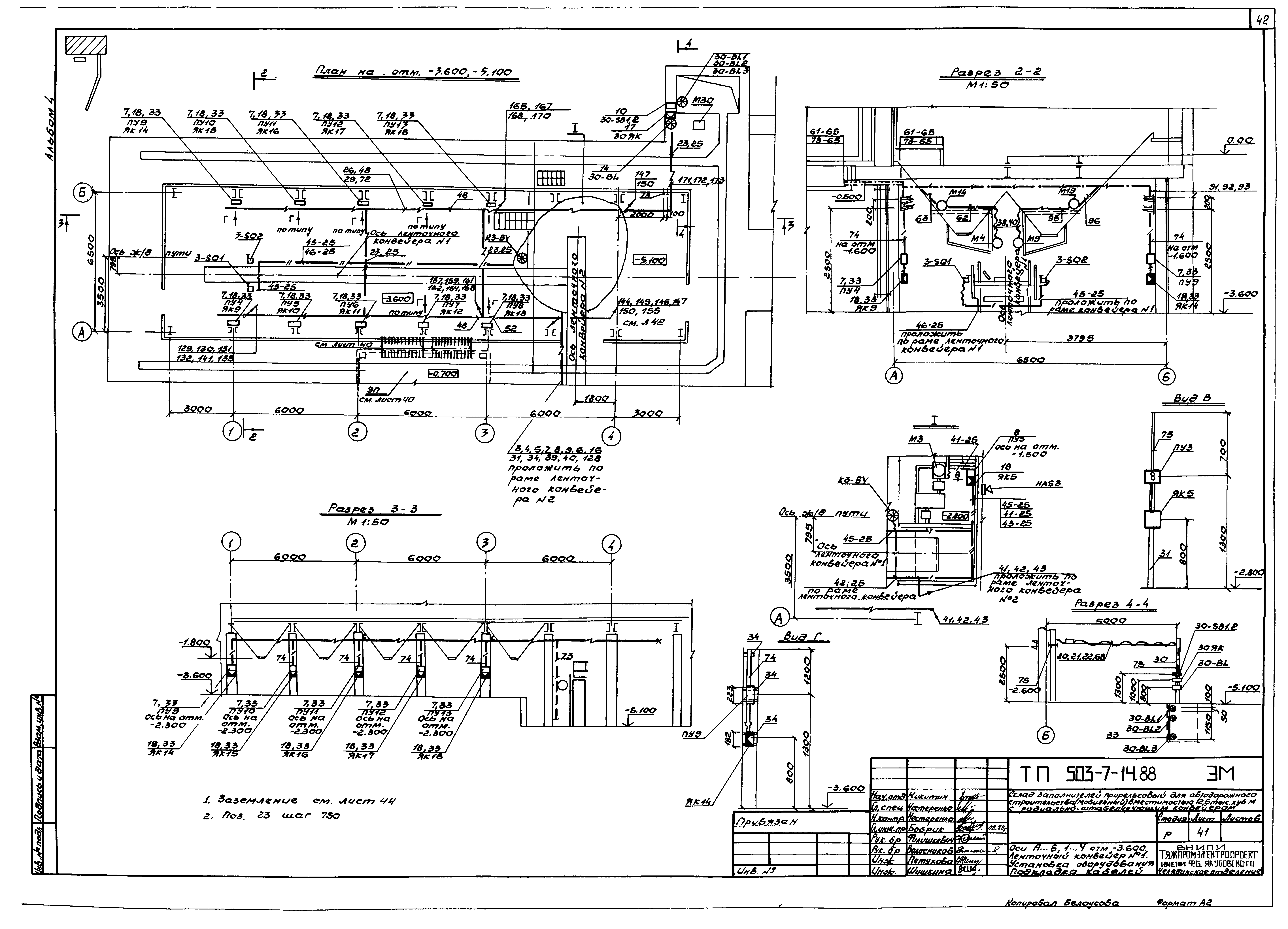
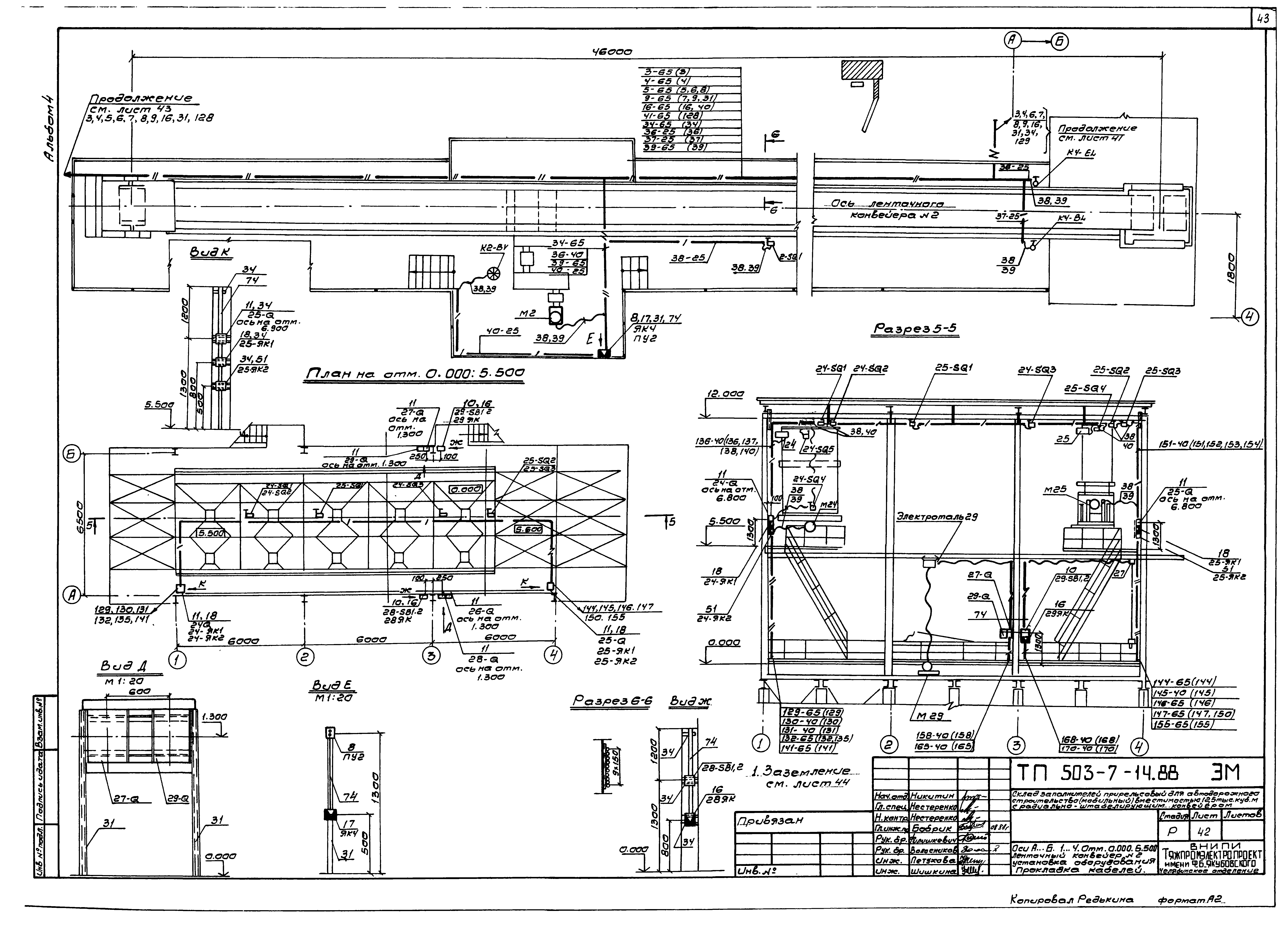
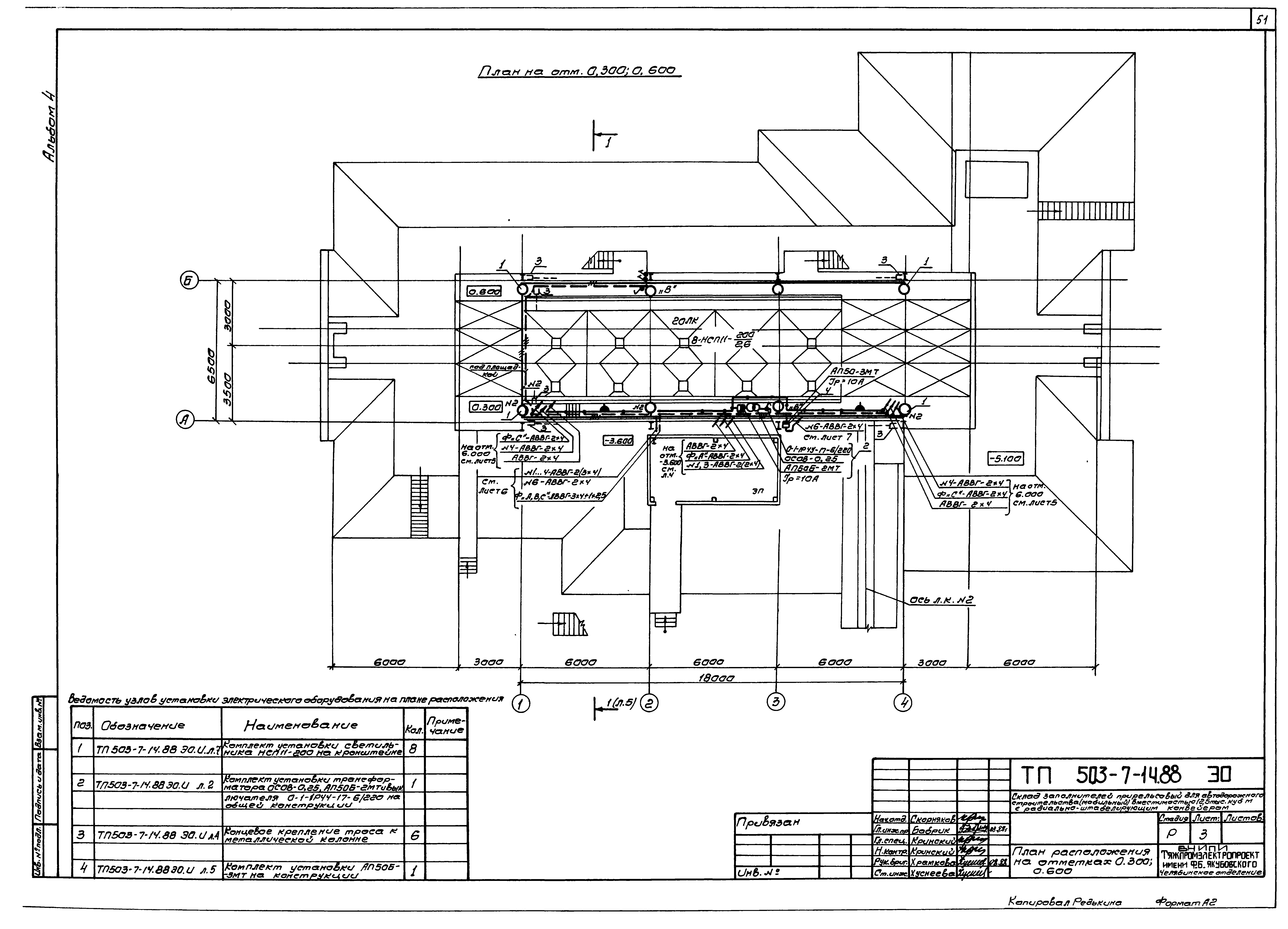
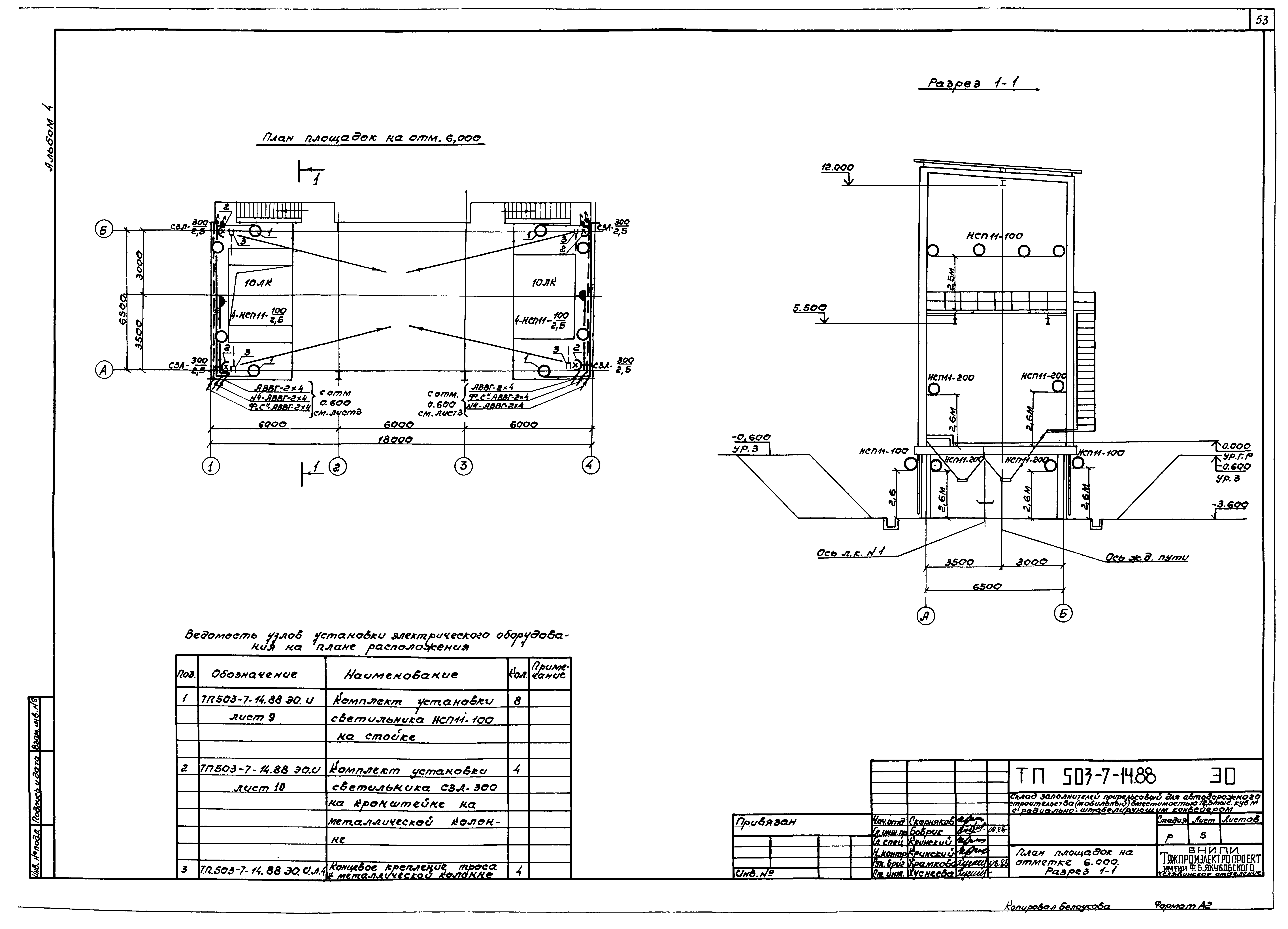
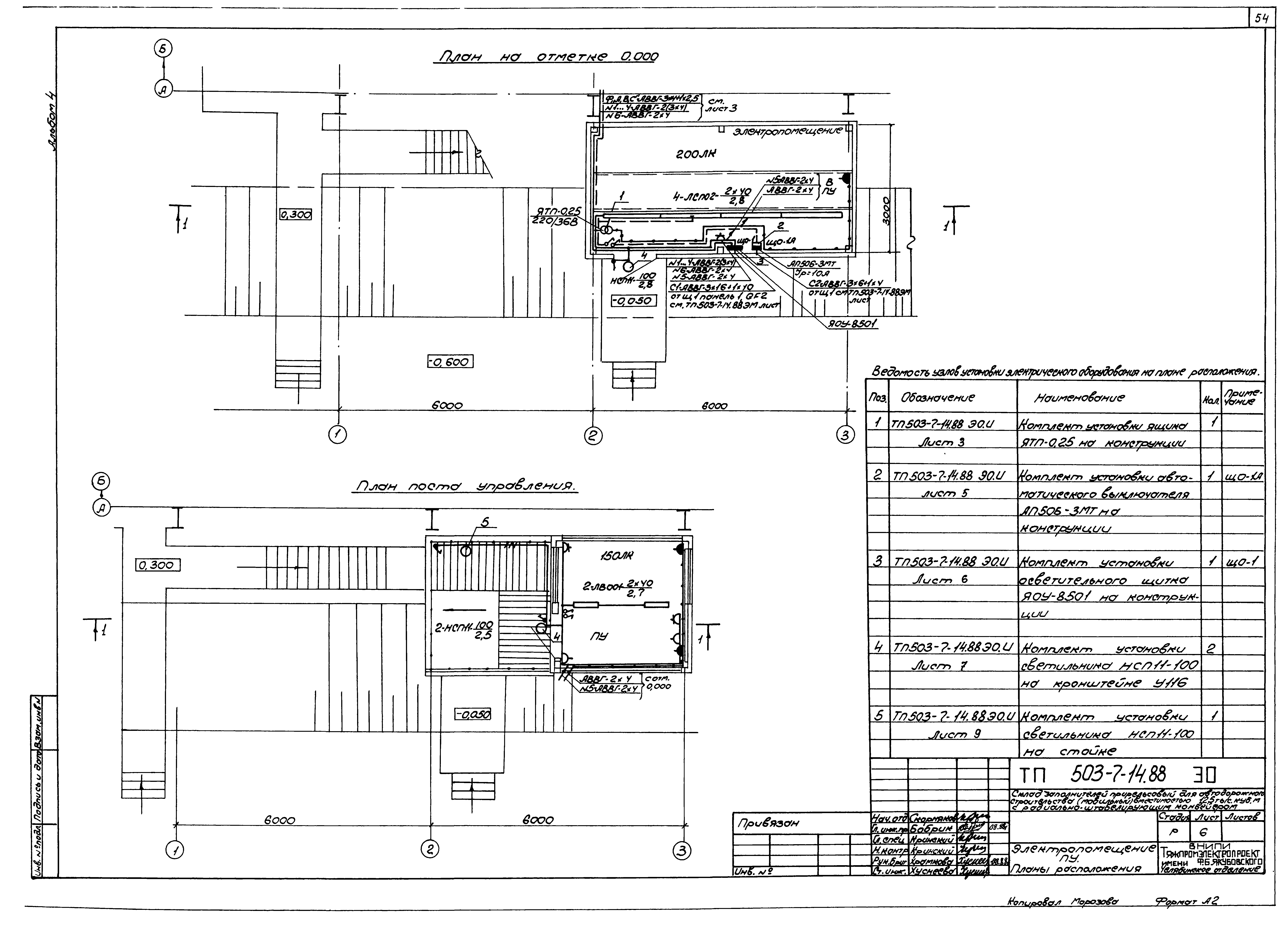
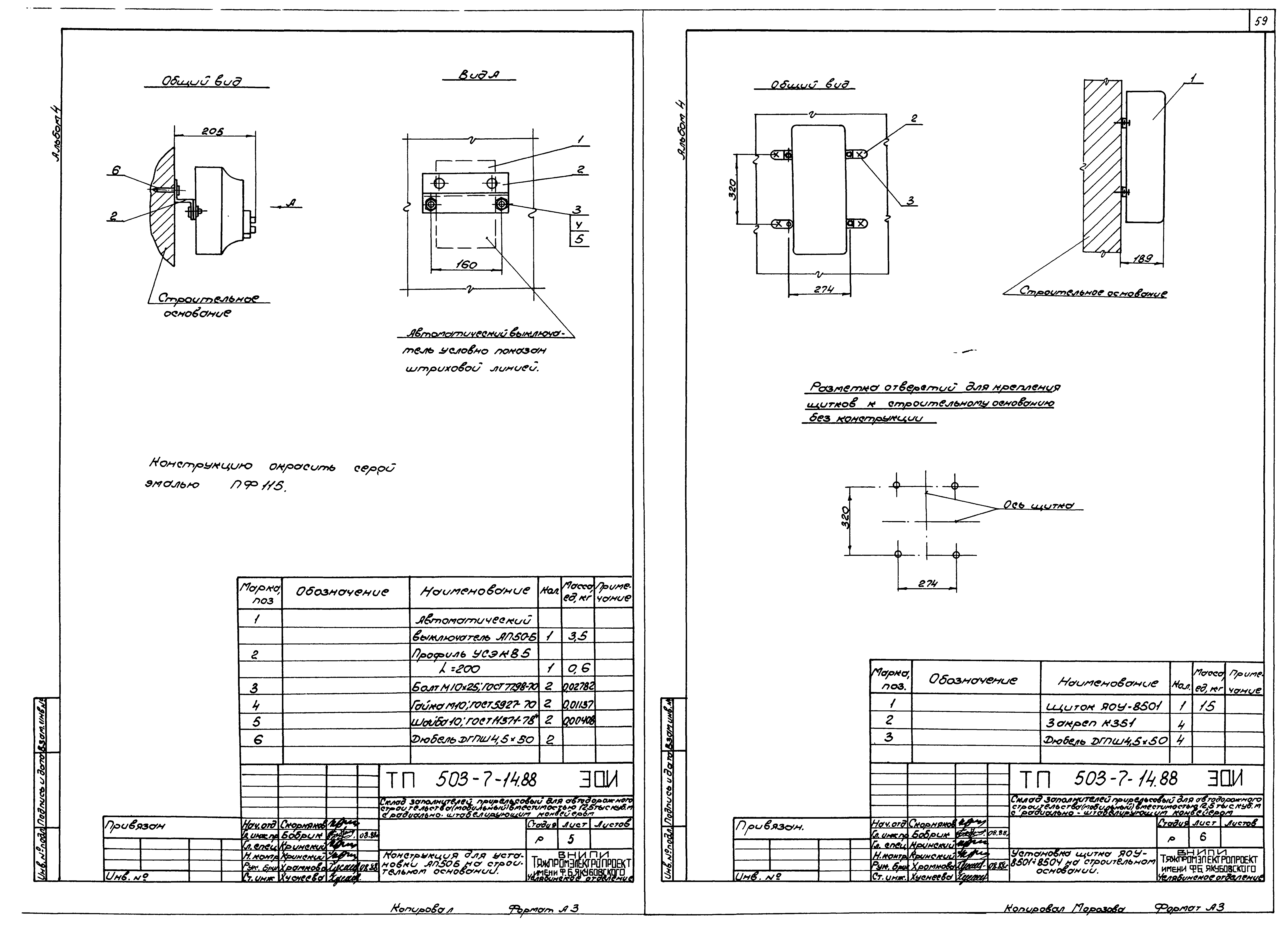
| Оглавление: | Обложка Титульный лист Содержание альбома Чертежи основного комплекта ЭМ Общие данные Щ1. Ввод. Схема электрическая принципиальная Схема расположения электрооборудования Тракт загрузки. Схема электрическая принципиальная Вибромашина накладная. Схема электрическая принципиальная Виброразгрузчик. Схема электрическая принципиальная Комкорушители. Схема электрическая принципиальная Приточная система П1. Схема электрическая принципиальная Дренажный насос. Схема электрическая принципиальная Схема электрическая подключения Кабельный журнал ЭП, ПУ. Установка оборудования. Прокладка кабелей. Заземление Оси А - Б, 1 - 4. Отм. - 3.600. Ленточный конвейер №1. Установка оборудования. Прокладка кабелей Оси А - Б, 1 - 4. Отм. 0.000; 5.500. Ленточный конвейер №2. Установка оборудования. Прокладка кабелей Радиально-штабелирующий конвейер. Установка оборудования. Прокладка кабелей Заземление Спецификация к листам 40 - 44 Чертежи ЭМ.ВР, прилагаемые к основному комплекту ЭМ Ведомость объемов электромонтажных работ Чертежи ЭМ.И, прилагаемые к основному комплекту ЭМ Ведомость изделий МЭЗ Ящики клеменные 1ЯП, 2ЯП Чертежи основного комплекта ЭО Общие данные План расположения на отметках 0.300; 0.600 План на отметке - 3.600 План площадок на отметке 6.000. Разрез 1-1 Электропомещение ПУ. Планы расположения Открытый склад. План расположения Чертежи ЭО.ВР, прилагаемые к основному комплекту ЭО Ведомость объемов электромонтажных работ Чертежи ЭО.И, прилагаемые к основному комплекту ЭО Ведомость конструкций и деталей, подлежащих изготовлению в МЭЗ Конструкция для установки трансформатора ОСОВ-0,25 на строительном основании Установка ящика ЯТП-0,25 на конструкции Концевое крепление троса к металлическому основанию Конструкция для установки АП50Б на строительном основании Установка щитка ЯОУ-8501 - 8504 на строительном основании Установка кронштейна со светильником с лампой накаливания на строительном основании Установка прожектора ПКН - 1000А на конструкции Стойка К987 со светильником с лампой накаливания для установки на вибрирующем ограждении Кронштейн для крепления светильника СЗЛ на колонне или стене Коробка с выключателем Коробка со штепсельной розеткой |
| Разработан: | Тяжпромэлектропроект им. Ф.Б. Якубовского |
| Утверждён: | 04.12.1986 Госстрой СССР (Государственный комитет Совета Министров СССР по делам строительства) (USSR Gosstroy АЧ-89) |






























































