Скачать Типовой проект 708-43.89 Альбом 4. Строительные изделияДата актуализации: 01.01.2021
|
| Обозначение: | Типовой проект 708-43.89 |
| Обозначение англ: | 708-43.89 |
| Статус: | не определен законодательством |
| Название рус.: | Альбом 4. Строительные изделия |
| Дата добавления в базу: | 01.09.2013 |
| Дата актуализации: | 01.01.2021 |
| Дата введения: | 17.03.1989 |
| Дата окончания срока действия: | 30.06.2003 |
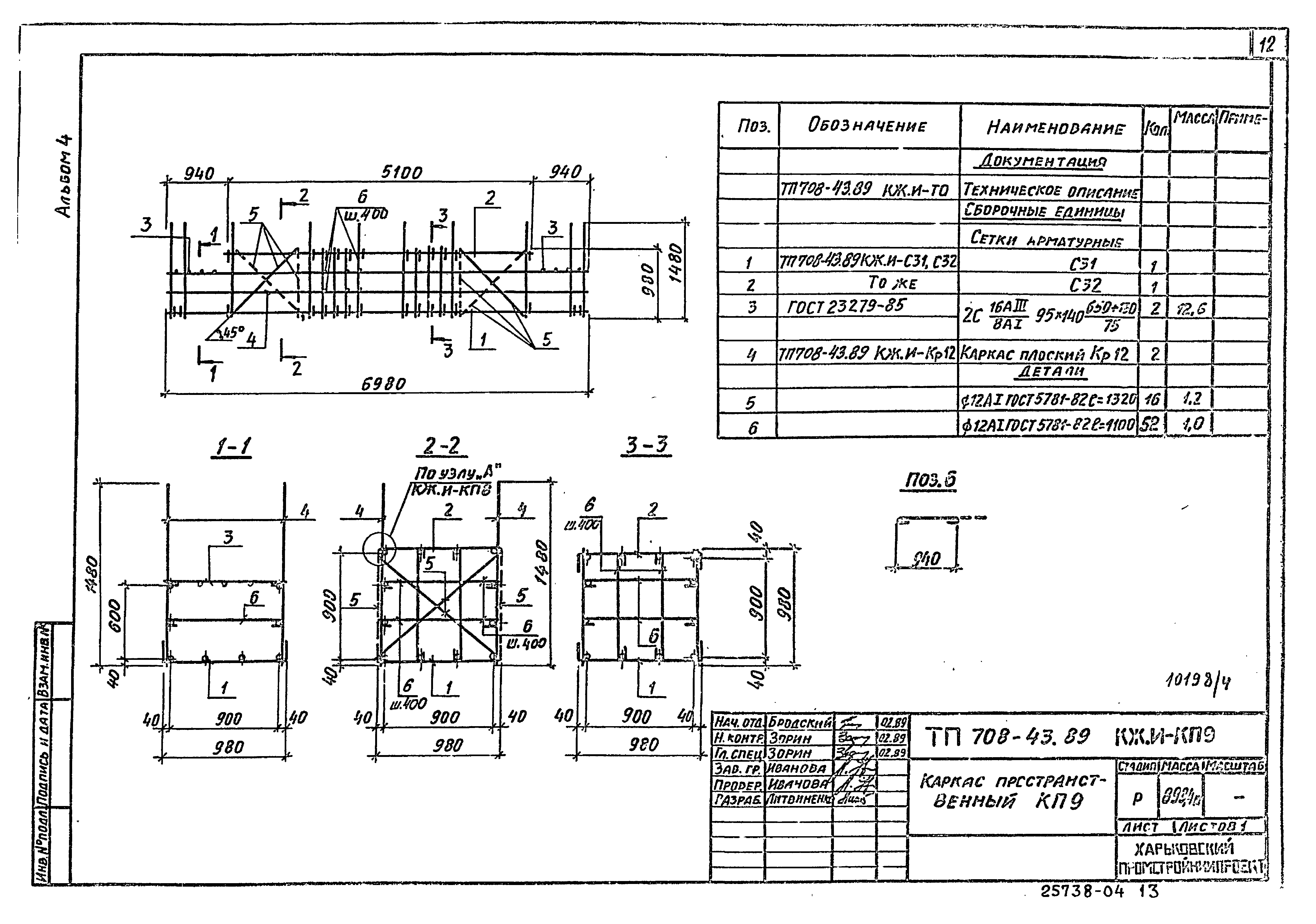
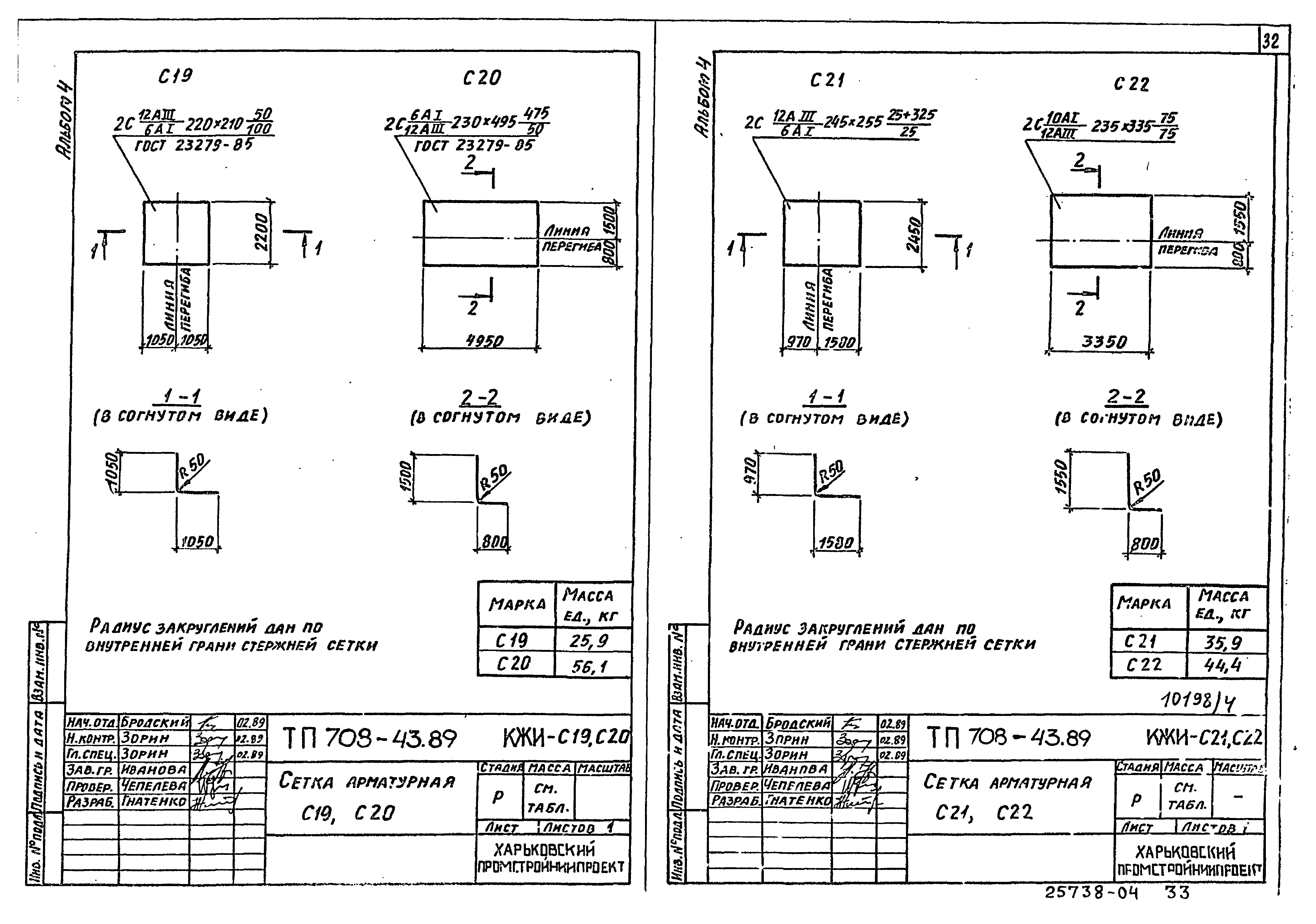
| Оглавление: | Ведомость чертежей Техническое описание Балки Б1, Б2 Подушка опорная ОП1 Каркас пространственный КП1, КП2 Каркас пространственный КП3, КП4 Каркас пространственный КП5, КП6 Каркас пространственный КП7 Каркас пространственный КП8 Каркас пространственный КП9 Каркас пространственный КП10 Каркас пространственный КП11 Каркас пространственный КП12 Каркас пространственный КП13 Каркас плоский Кр1, Кр2 Каркас плоский Кр3, Кр4 Каркас плоский Кр5 Каркас плоский Кр6, Кр7 Каркас плоский Кр8 Каркас плоский Кр9 Каркас плоский Кр10 Каркас плоский Кр11 Каркас плоский Кр12 Каркас плоский Кр13 Каркас плоский Кр14 Каркас плоский Кр15 Каркас плоский Кр16 Сетка арматурная С1, С2 Сетка арматурная С3, С5 Сетка арматурная С4 Сетка арматурная С6, С7 Сетка арматурная С8, С9 Сетка арматурная С10 Сетка арматурная С11, С12 Сетка арматурная С13, С14 Сетка арматурная С15, С16 Сетка арматурная С17, С18 Сетка арматурная С19, С20 Сетка арматурная С21, С22 Сетка арматурная С23, С24 Сетка арматурная С25, С26 Сетка арматурная С27, С28 Сетка арматурная С29 Сетка арматурная С30 Сетка арматурная С31, С32 Изделие закладное МН1, М1 - М3 Изделие закладное МН2 Изделие закладное МН3 Изделие закладное МН4 Изделие закладное МН5 Изделие закладное МН6 Ограждение лестничного марша ОМ14-1Н Ограждение лестничного марша ОМ17-1Н Ограждение кровли О-1 |
| Разработан: | Харьковский Промстройниипроект Тяжпромэлектропроект Промтрансниипроект |
| Утверждён: | 27.10.1988 Госстрой СССР (Государственный комитет Совета Министров СССР по делам строительства) (USSR Gosstroy ) |








































