Скачать Типовой проект 503-1-50.86 Альбом 3. Строительные изделияДата актуализации: 01.01.2021
|
| Обозначение: | Типовой проект 503-1-50.86 |
| Обозначение англ: | 503-1-50.86 |
| Статус: | не определен законодательством |
| Название рус.: | Альбом 3. Строительные изделия |
| Дата добавления в базу: | 01.09.2013 |
| Дата актуализации: | 01.01.2021 |
| Дата введения: | 15.10.1986 |
| Дата окончания срока действия: | 30.06.2003 |
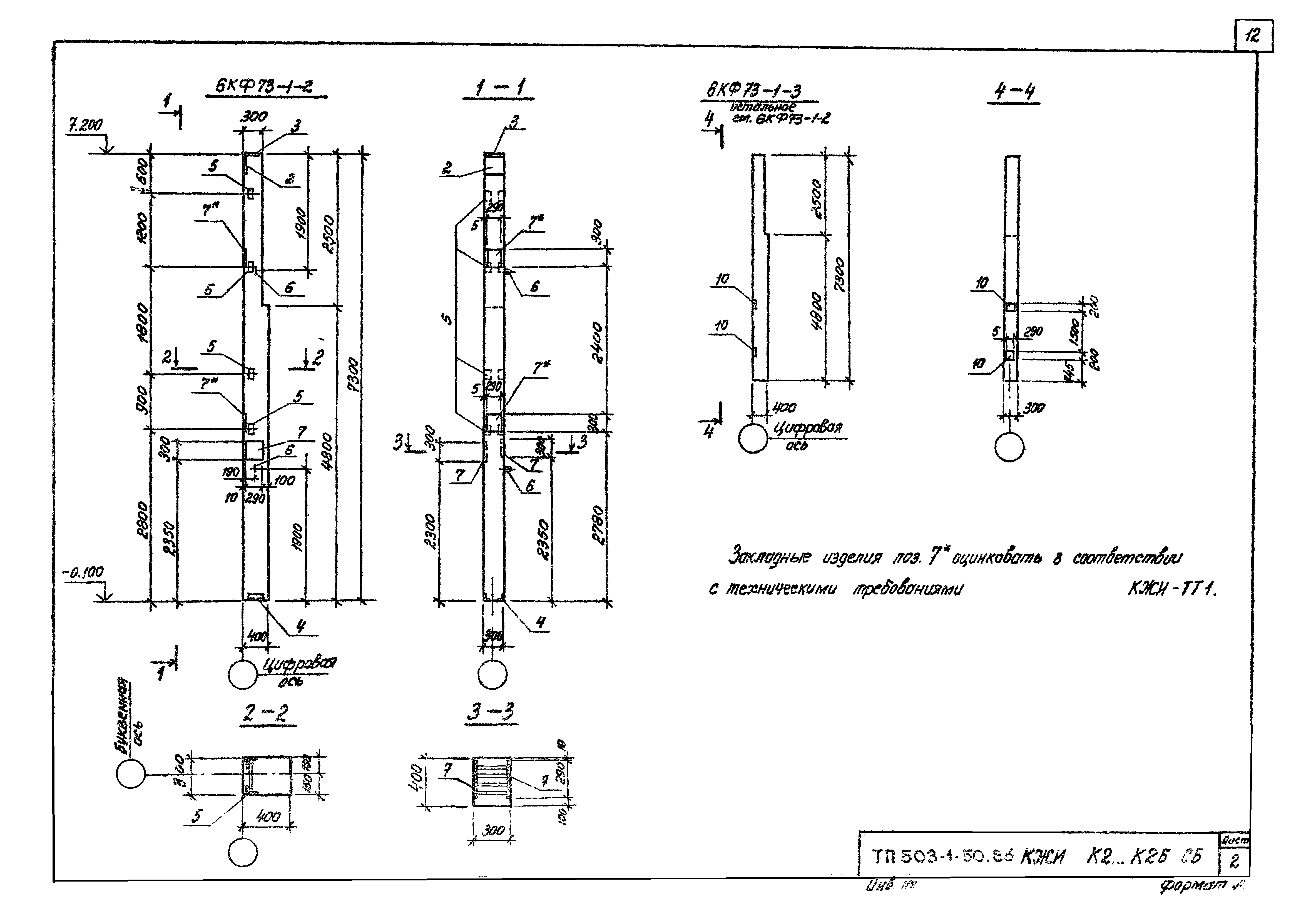
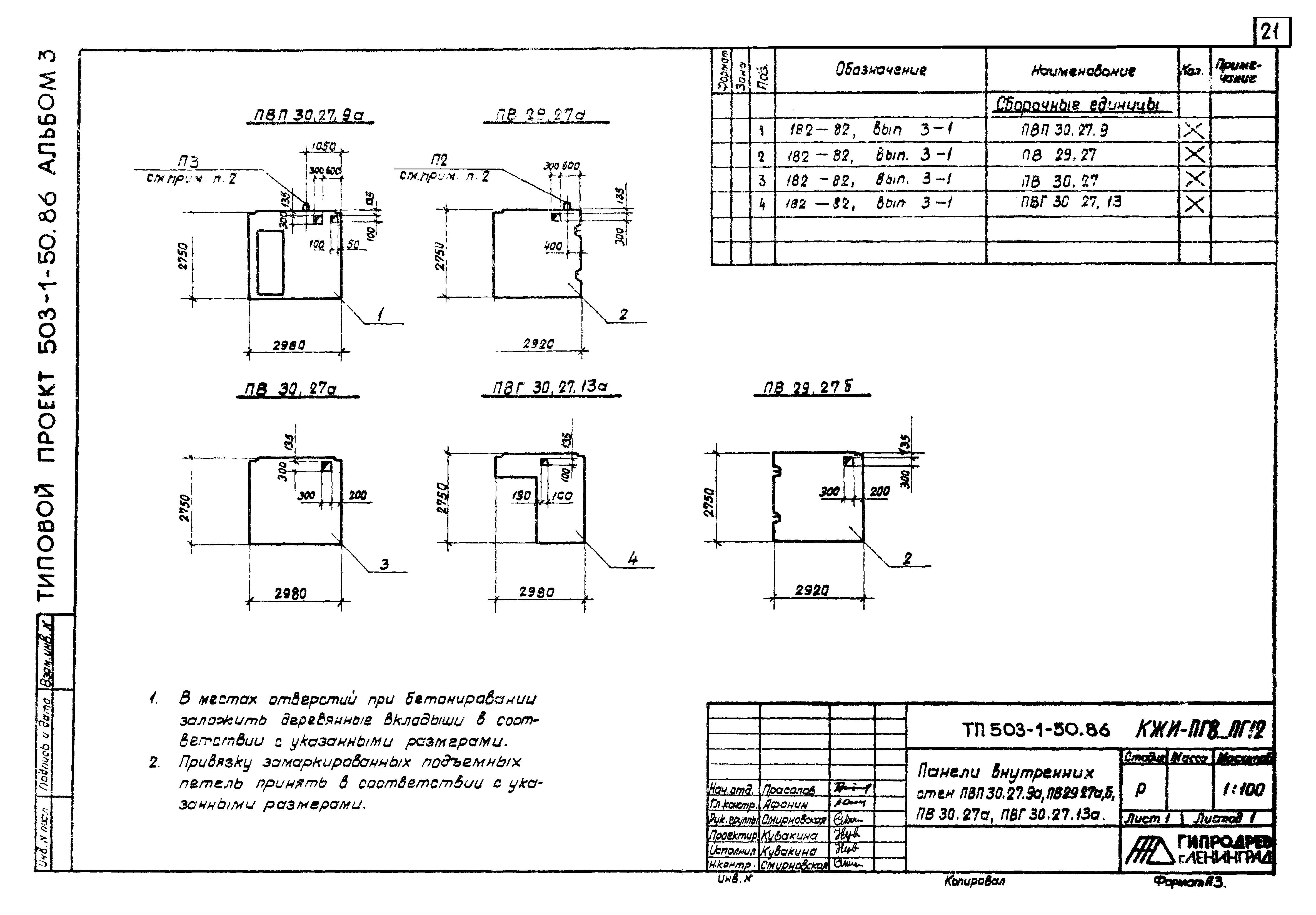
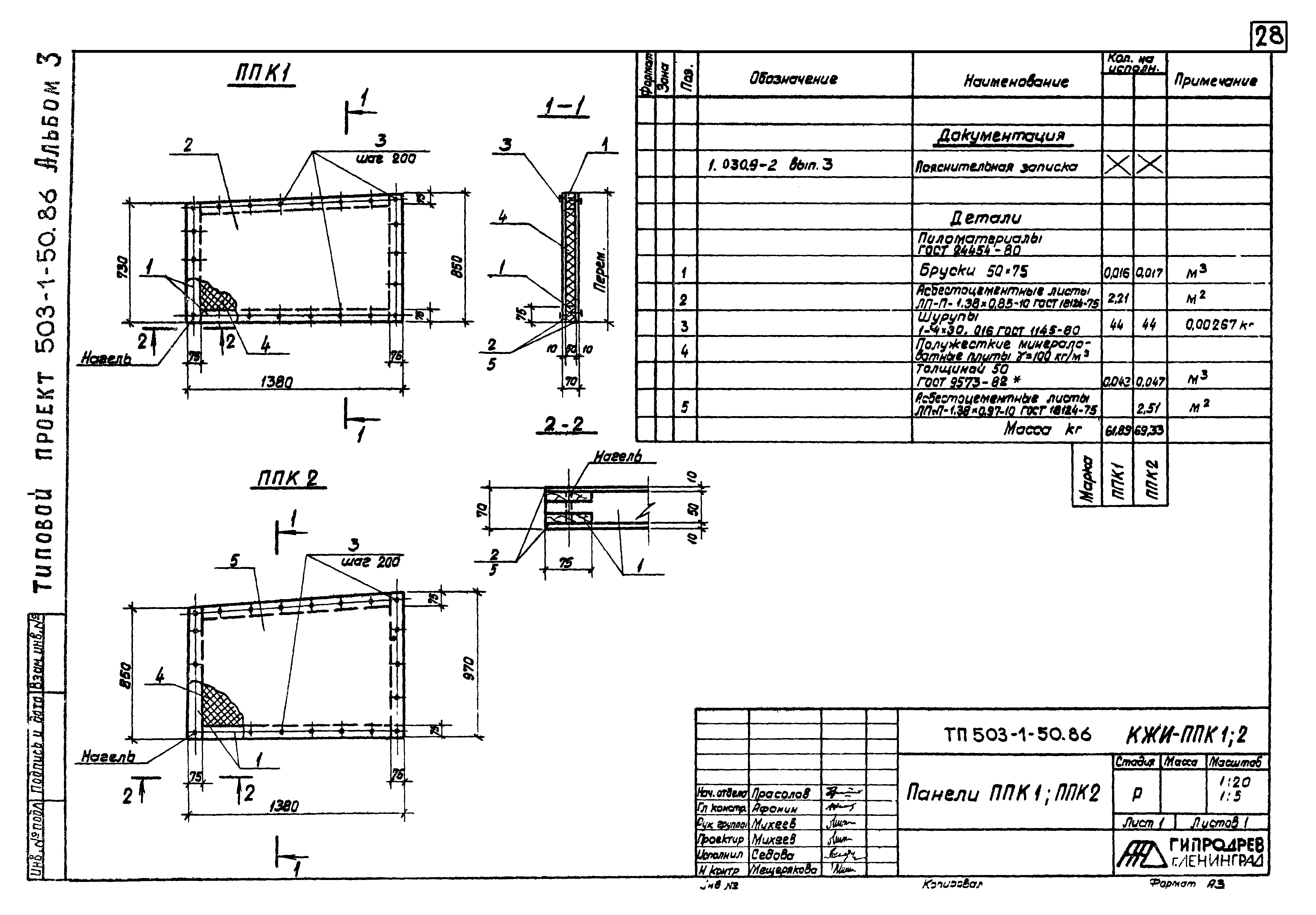
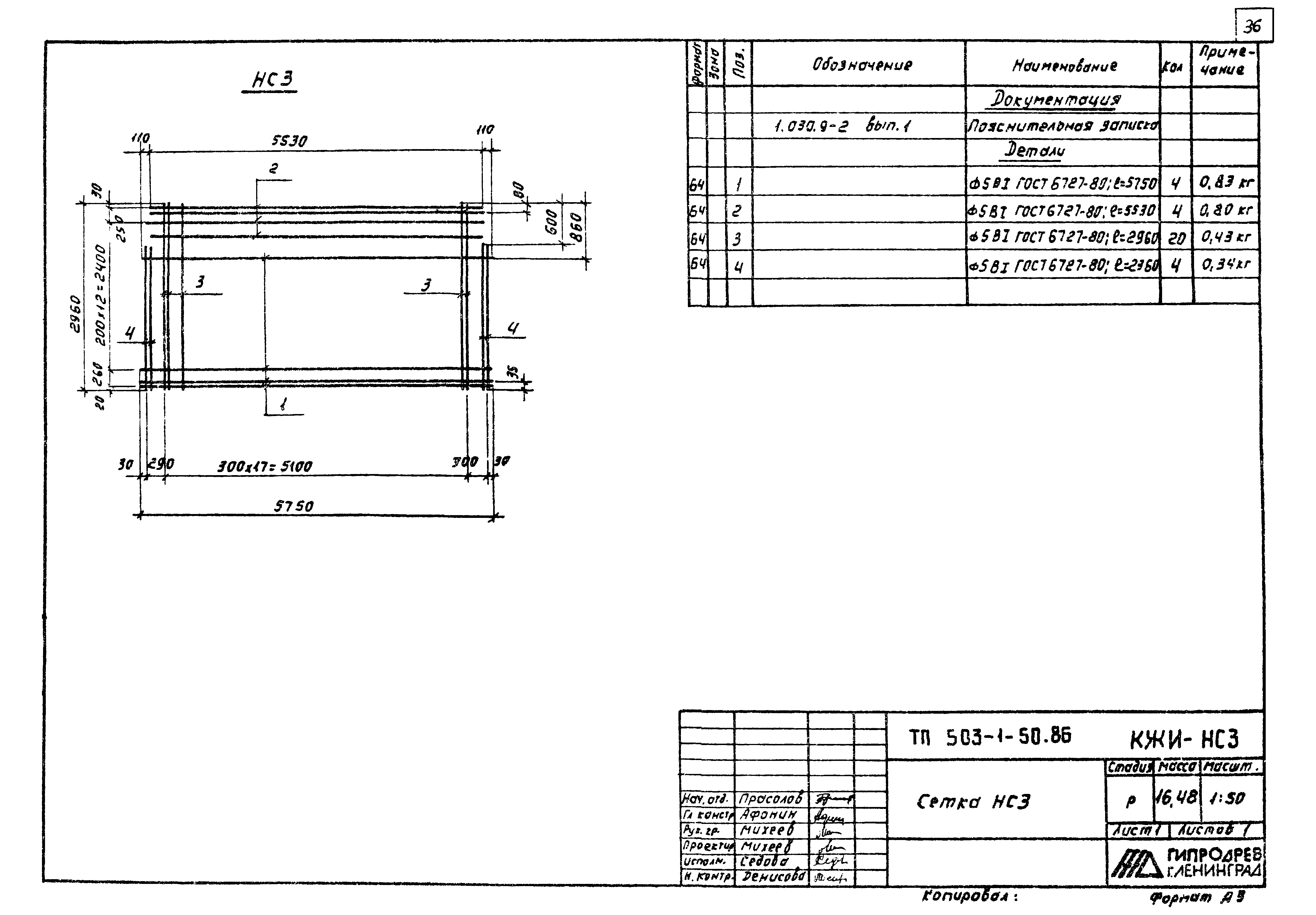
| Оглавление: | Титульный лист Содержание альбома ТП503-1-50.86-КЖИ-ТТ1 Технические требования ТП503-1-50.86-К1…К1г Колонны К60-10а; К60-10б; К60-10в; К60-10г; К60-10д ТП503-1-50.86-К1…К1гСБ Колонны К60-10а; К60-10б; К60-10в; К60-10г; К60-10д ТП503-1-50.86-К1д…К1к Колонны К60-10е; К60-10ж; К60-10и; К60-10к; К60-10л ТП503-1-50.86-К1д…К1кСБ Колонны К60-10е; К60-10ж; К60-10и; К60-10к; К60-10л ТП503-1-50.86-К2…К2б Колонны 6КФ73-1-1; 6КФ73-1-2; 6КФ73-1-3 ТП503-1-50.86-К2…К2бСБ Колонны 6КФ73-1-1; 6КФ73-1-2; 6КФ73-1-3 ТП503-1-50.86-К3…К3в Колонны КБ8-1а; КБ8-1б; КБ8-1в; КБ8-1г ТП503-1-50.86-К3…К3вСБ Колонны КБ8-1а; КБ8-1б; КБ8-1в; КБ8-1г ТП503-1-50.86-БС1а; БС1б Балки 1БДР18-3К7т-1; 1БДР18-3К7т-2 ТП503-1-50.86-П1а…П1в Плиты ПГ-3АVт-1; ПГ-3АVт-2; ПГ-3АVт-3 ТП503-1-50.86-П2а…П2в Плиты ПВ7-3АV-1; ПВ7-3АV-2; ПВ7-3АV-3 ТП503-1-50.86-П4 Плита ПВ4-3АVт-1 ТП503-1-50.86-ПС9а; ПС9б Панели ПС600.18.25-П-3а; ПС600.18.25-П-3б; ПС600.18.30-П-3а; ПС600.18.30-П-3б ТП503-1-50.86-ПГ8…ПГ12 Панели внутренних стен ПВП30.27.9а; ПВ29.27а; ПВ30.27а; ПВГ30.27.13а ТП503-1-50.86-ПГ9 Панель ПГ60.30-1-л-а ТП503-1-50.86-ПГ10 Панель ПГ60.30-1-л-д-б ТП503-1-50.86-ПГ11 Панель ПГ58.30-1-л-а ТП503-1-50.86-ПГ12; ПГ13 Панели ПГ58.30-1-л-д-б; ПГ58.30-1-л-д-в ТП503-1-50.86-ПГ14; ПГ15 Панели ПГ56.15-1-л-а; Панели ПГ56.15-1-л-б ТП503-1-50.86-ПГ16 Панель ПГ57.15-1-л-в ТП503-1-50.86-ППК1; 2 Панель ППК1; ППК2 ТП503-1-50.86-ППК3; 4 Панель ППК3; ППК4 ТП503-1-50.86-ППК5; 6 Панель ППК5; ППК6 ТП503-1-50.86-ППК7; 8; 9 Панели ППК7; ППК8; ППК9 ТП503-1-50.86-ППК10; 11 Панели ППК10; ППК11 ТП503-1-50.86-КП1; КП2 Пространственный каркасы КП1; КП2 ТП503-1-50.86-КР1…КР4 каркасы с КР1 по КР4 ТП503-1-50.86-НС1; НС-2 Сетки НС1; НС2 ТП503-1-50.86-НС3 Сетка НС3 ТП503-1-50.86-НС4; НС-5 Сетки НС4; НС5 ТП503-1-50.86-НС6; НС-7 Сетки НС6; НС7 ТП503-1-50.86-Р1…Р4 Рамы Р1; Р2; Р3; Р4 ТП503-1-50.86-Р5…Р9 Рамы Р5; Р6; Р7; Р8; Р9 ТП503-1-50.86-РШ1; РШ2 Решетки РШ1; РШ2 ТП503-1-50.86-МС1…МС4 Изделия соединительные МС1; МС2; МС3; МС4 ТП503-1-50.86-МС52…МС54 Изделия соединительные МС52; МС53; МС54 ТП503-1-50.86-МС55…МС57 Изделия соединительные МС55; МС56; МС57 ТП503-1-50.86-П5 Плита ПЛ-3АVт-1 |
| Разработан: | Гипродрев Минлесбумпрома СССР |
| Утверждён: | 14.04.1986 Минлесбумпром СССР (USSR Minlesbumprom 47) |














































