Скачать Портальная промежуточная свободностоящая железобетонная опора для ВЛ 500 кВ ПВС-500. Рабочие чертежиДата актуализации: 01.01.2021
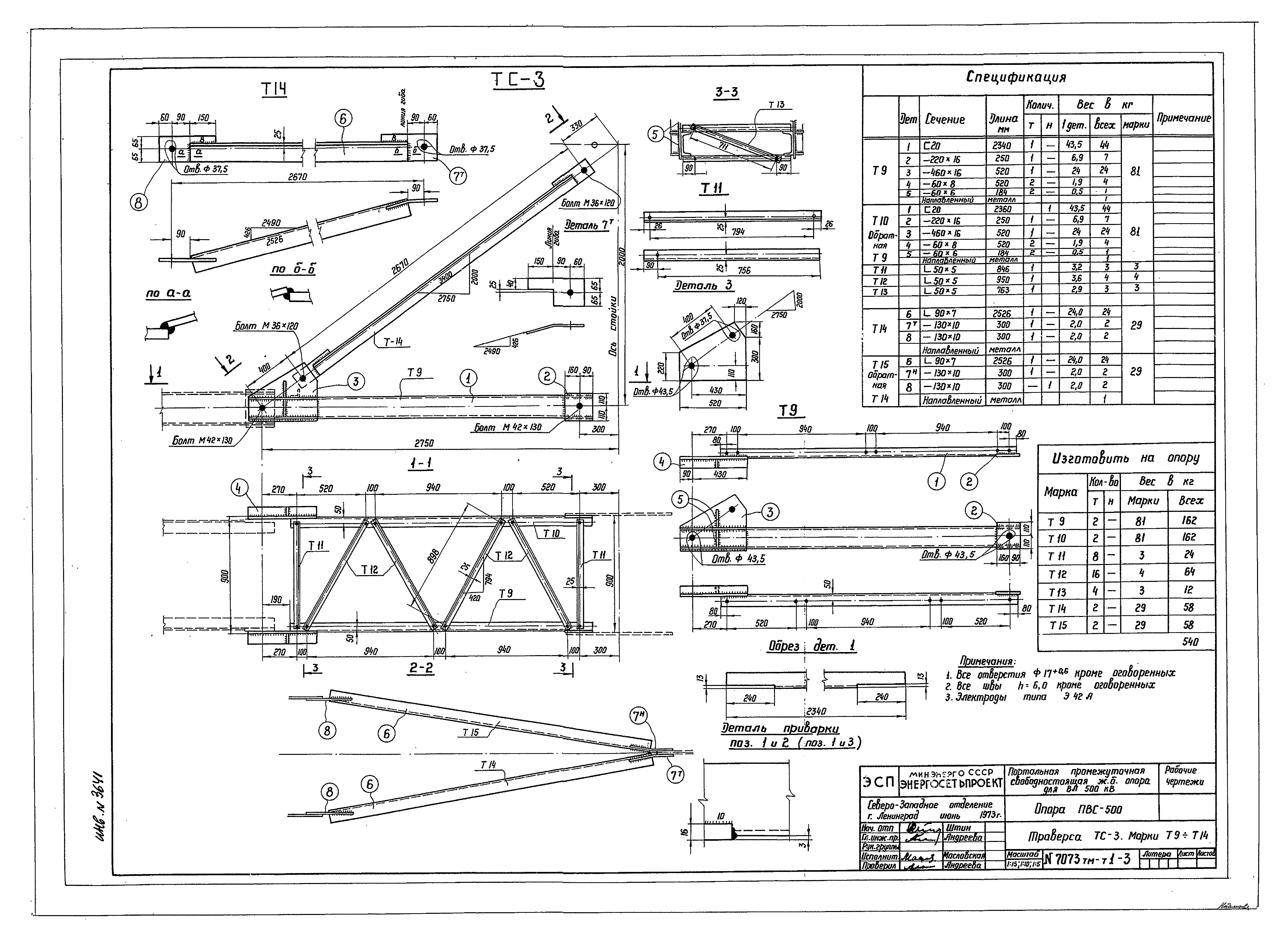
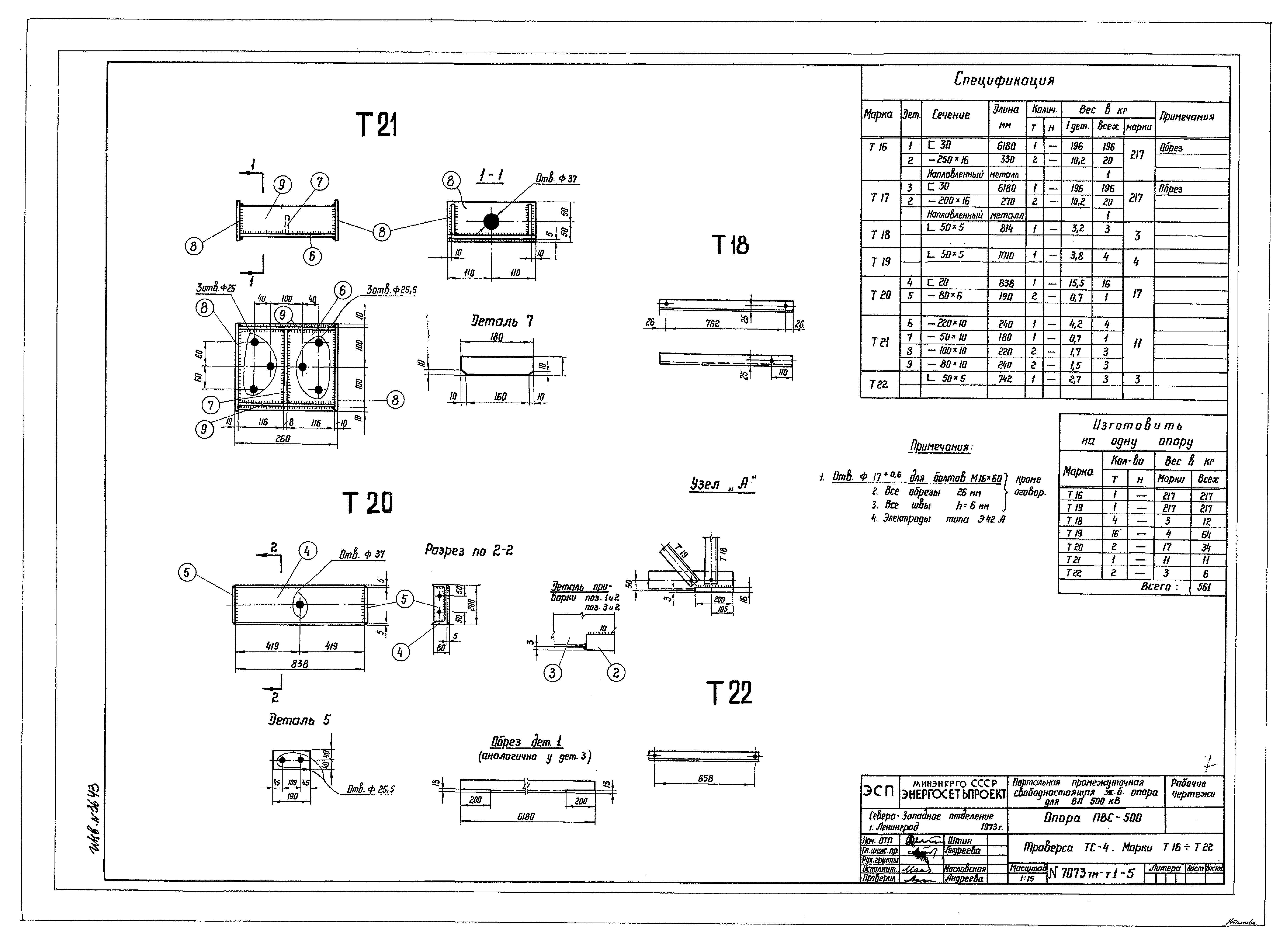
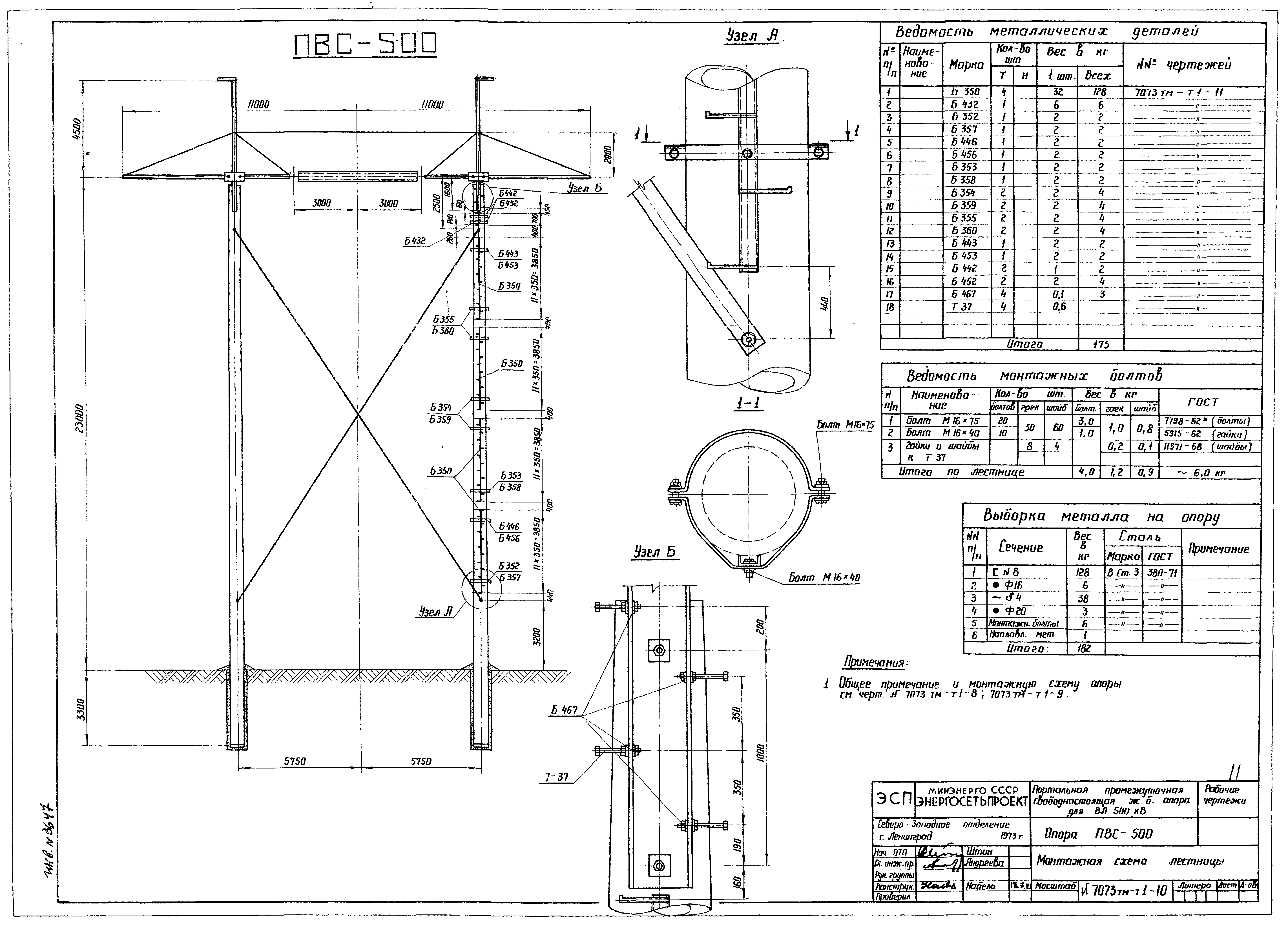
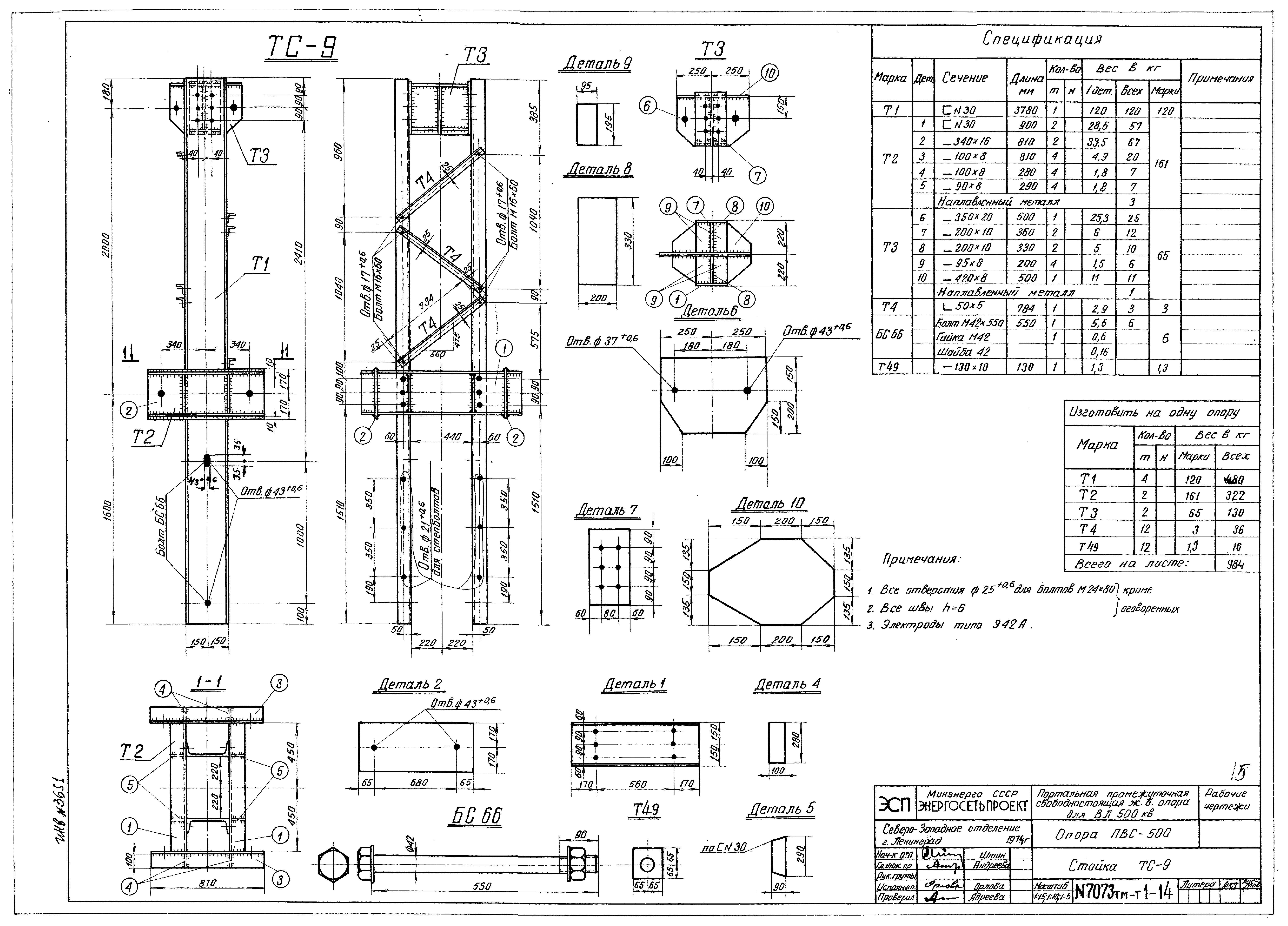
Портальная промежуточная свободностоящая железобетонная опора для ВЛ 500 кВ ПВС-500. Рабочие чертежи| Статус: | не действует | | Название рус.: | Портальная промежуточная свободностоящая железобетонная опора для ВЛ 500 кВ ПВС-500. Рабочие чертежи | | Дата добавления в базу: | 01.09.2013 | | Дата актуализации: | 01.01.2021 | | Разработан: | Северо-западное отделение института Энергосетьпроект
| | Утверждён: | 01.06.1973 Энергосетьпроект (Energosetproject )
|
             
|