Скачать ГОСТ Р ИСО 13295-2010 Инструменты стоматологические вращающиеся. ДискодержателиДата актуализации: 01.01.2021
|
| Обозначение: | ГОСТ Р ИСО 13295-2010 |
| Обозначение англ: | GOST R ISO 13295-2010 |
| Статус: | введен впервые |
| Название рус.: | Инструменты стоматологические вращающиеся. Дискодержатели |
| Название англ.: | Dental rotary instruments. Mandrels |
| Дата добавления в базу: | 01.09.2013 |
| Дата актуализации: | 01.01.2021 |
| Дата введения: | 01.03.2012 |
| Область применения: | Стандарт устанавливает требования, характеристики упаковки и маркировки для дискодержателей, применяемых для закрепления дисков и полиров, используемых в стоматологии. В стандарте использована система кодирования по ИСО 6360, в которой установлен 15-значный номер для идентификации стоматологических вращающихся инструментов всех типов. |
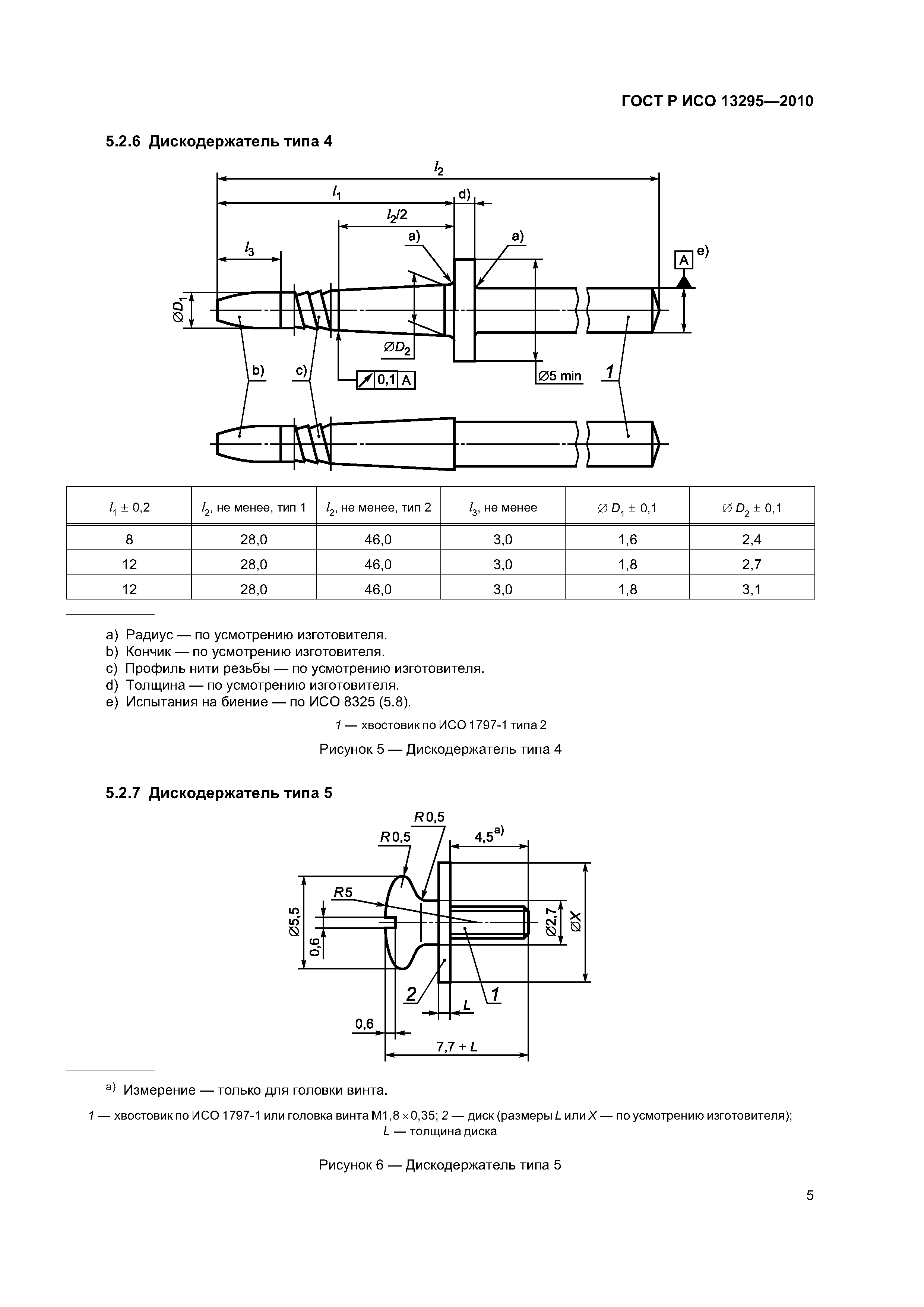
| Оглавление: | 1 Область применения 2 Нормативные ссылки 3 Термины и определения 4 Классификация 5 Требования 5.1 Материал 5.1.1 Предел текучести Rp0,2 5.1.2 Твердость по Виккерсу 5.2 Размеры 5.2.1 Общие положения 5.2.2 Дискодержатель типа 1 5.2.3 Дискодержатель типа 2 5.2.4 Винт для типа 1 и типа 2 5.2.5 Дискодержатель типа 3 5.2.6 Дискодержатель типа 4 5.2.7 Дискодержатель типа 5 6 Испытания 6.1 Материал 6.2 Размеры 7 Маркировка 8 Упаковка Приложение ДА (справочное) Сведения о соответствии ссылочных международных стандартов ссылочным национальным стандартам Российской Федерации |
| Разработан: | ГУП РТ ВНИПИМИ |
| Утверждён: | 12.11.2010 Федеральное агентство по техническому регулированию и метрологии (463-cn) |
| Издан: | Стандартинформ (2012 г. ) |











