Скачать Серия 5.407-53 Выпуск 2. Чертежи изделийДата актуализации: 01.01.2021
|
| Обозначение: | Серия 5.407-53 |
| Обозначение англ: | Series 5.407-53 |
| Статус: | не действует |
| Название рус.: | Выпуск 2. Чертежи изделий |
| Дата добавления в базу: | 01.09.2013 |
| Дата актуализации: | 01.01.2021 |
| Дата введения: | 20.09.1984 |
| Дата окончания срока действия: | 01.01.1993 |
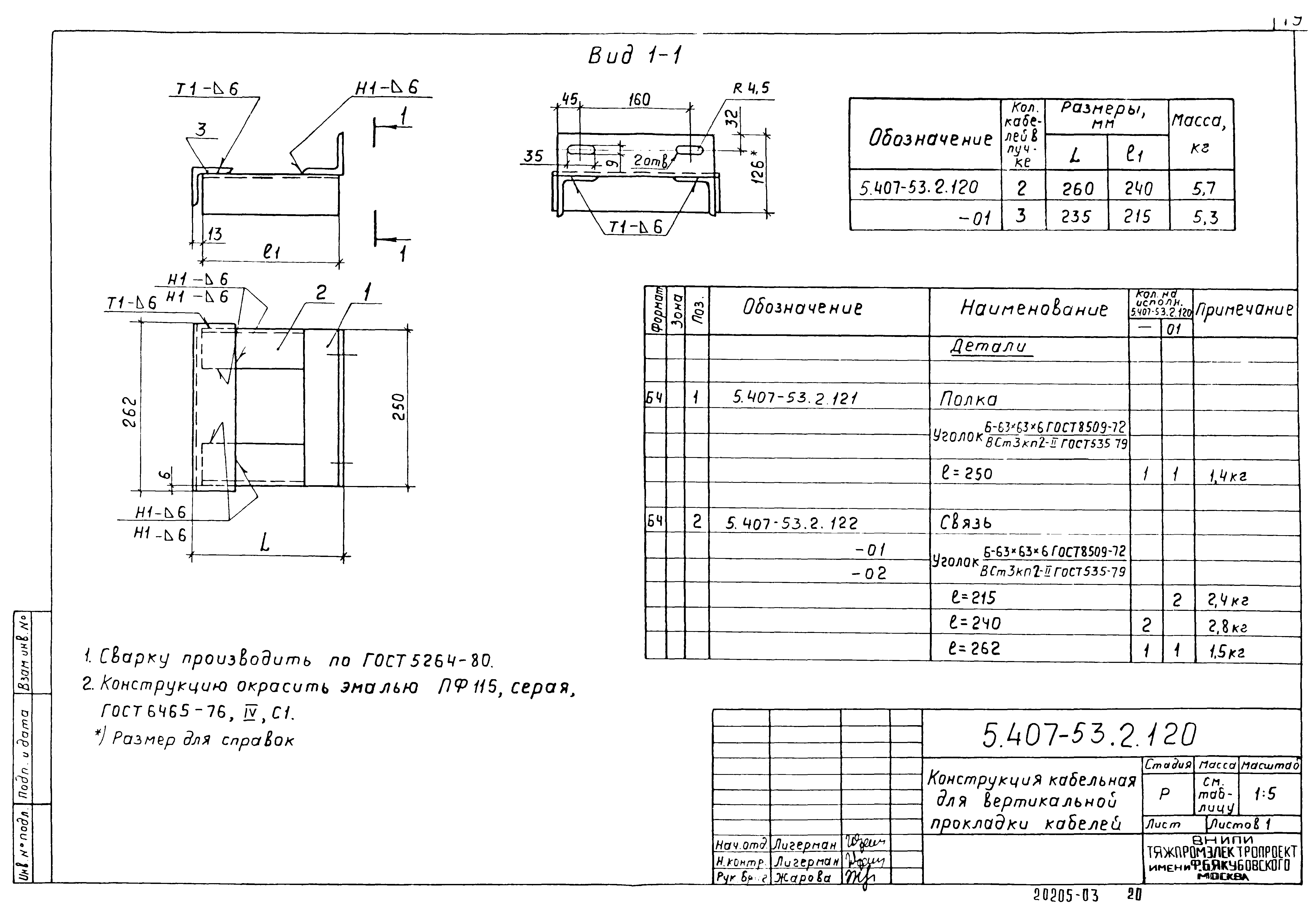
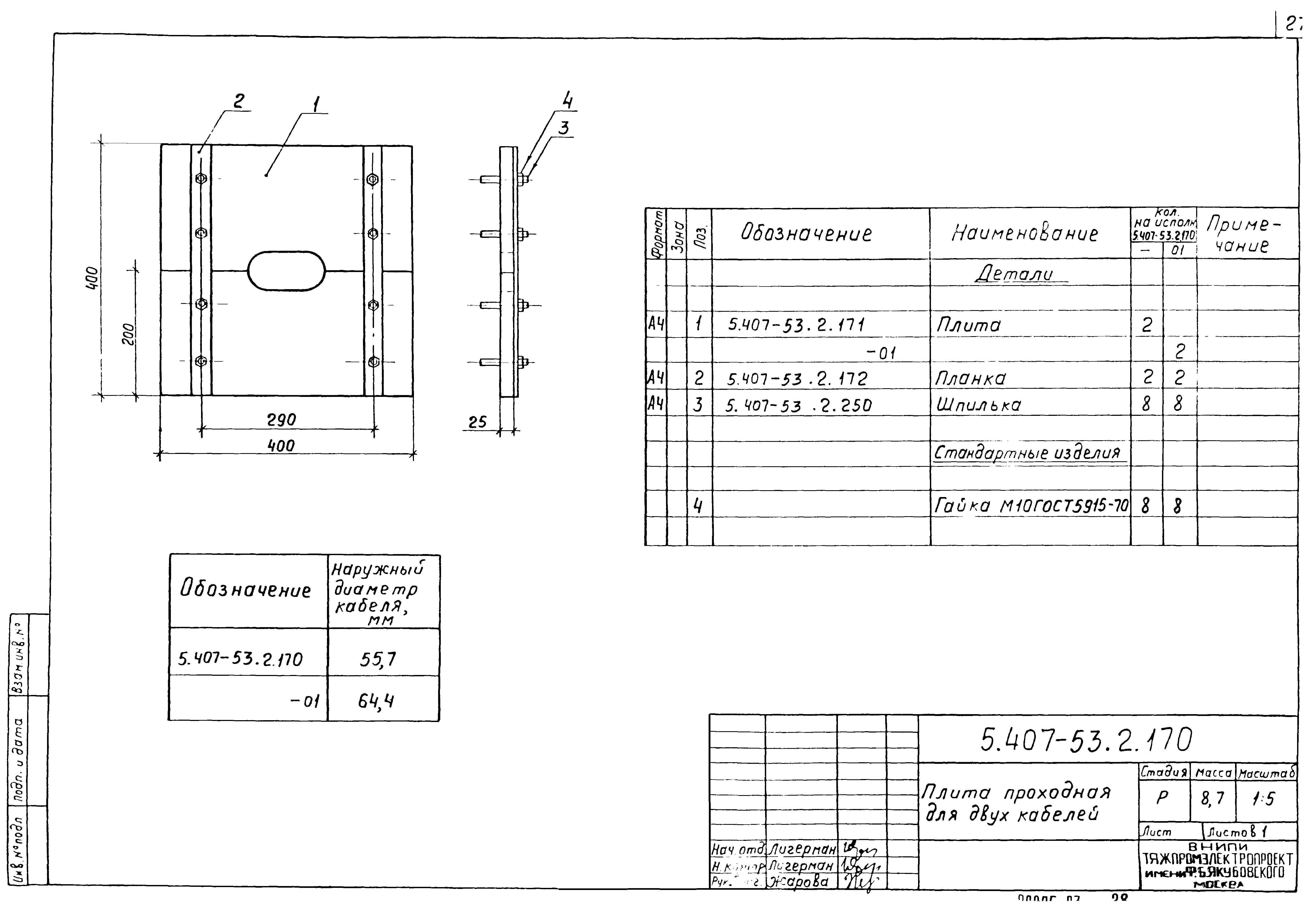
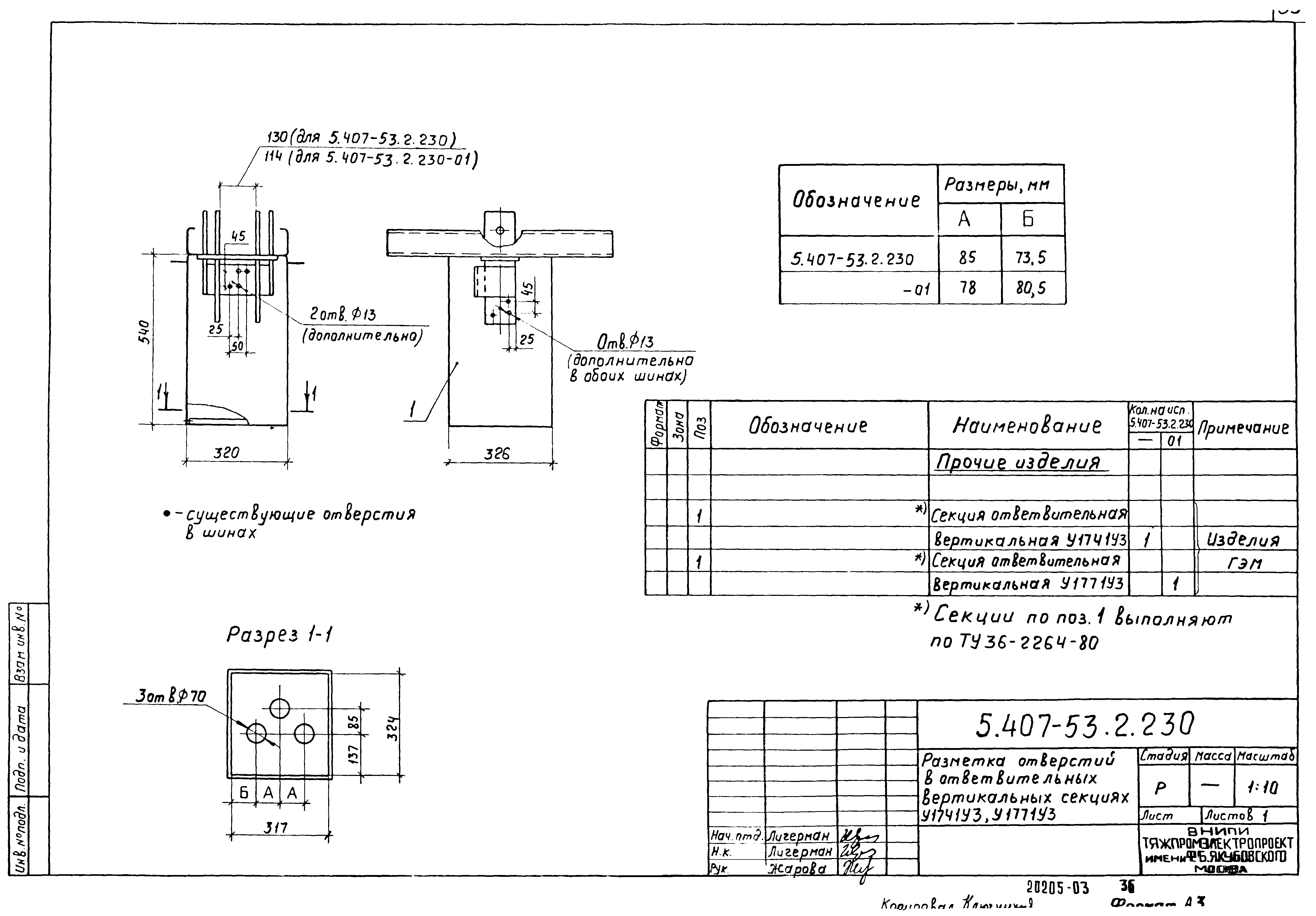
| Оглавление: | Титульный лист Содержание 5.407-53.2.ВА Ведомость изделий и материалов для изготовления конструкций и деталей в МЭЗ 5.407-53.2.10 Конструкция кабельная с одной полкой 5.407-53.2.20 Конструкция кабельная с одной полкой 5.407-53.2.30 Конструкция кабельная с двумя полками 5.407-53.2.40 Конструкция кабельная с двумя полками 5.407-53.2.50 Конструкция кабельная с одной полкой 5.407-53.2.60 Конструкция кабельная с одной полкой 5.407-53.2.70 Конструкция кабельная с одной полкой 5.407-53.2.80 Конструкция кабельная с одной полкой 5.407-53.2.90 Конструкция кабельная с двумя полками 5.407-53.2.100 Конструкция кабельная с двумя полками 5.407-53.2.100СБ Конструкция кабельная с двумя полками. Сборочный чертеж 5.407-53.2.110 Конструкция кабельная с двумя полками 5.407-53.2.110СБ Конструкция кабельная с двумя полками. Сборочный чертеж 5.407-53.2.120 Конструкция кабельная для вертикальной прокладки кабелей 5.407-53.2.130 Конструкция кабельная для установки кожуха при вертикальной прокладке кабелей 5.407-53.2.140 Скоба для крепления двух кабелей 5.407-53.2.141 Скоба 5.407-53.2.142 Основание 5.407-53.2.150 Скоба опорная для крепления 3, 4 кабелей 5.407-53.2.151 Скоба верхняя 5.407-53.2.152 Скоба нижняя 5.407-53.2.160 Скоба промежуточная для крепления 3, 4 кабелей 5.407-53.2.170 Плита проходная для двух кабелей 5.407-53.2.171 Плита 5.407-53.2.172 Планка 5.407-53.2.173 Шпилька 5.407-53.2.180 Плита проходная для трех кабелей 5.407-53.2.181 Плита 5.407-53.2.001 Крышка 5.407-53.2.190 Подвес 5.407-53.2.200 Подвес 5.407-53.2.201 Полка 5.407-53.2.202 Шпилька 5.407-53.2.210 Разметка отверстий в ответвительной вертикальной секции У1897КУЗ 5.407-53.2.220 Разметка отверстий в ответвительной вертикальной секции У2097КУЗ 5.407-53.2.230 Разметка отверстий в ответвительных вертикальных секциях У1741У3, У1771У3 5.407-53.2.240 Разметка отверстий в ответвительных горизонтальных секциях У1898КУЗ, У2098КУЗ 5.407-53.2.002 Планка 5.407-53.2.003 Планка 5.407-53.2.004 Кожух 5.407-53.2.250 Шпилька комплектная |
| Разработан: | Главэлектромонтаж Минмонтажспецстроя СССР ВНИПИ Тяжпромэлектропроект им. Ф.Б. Якубовского |
| Утверждён: | 20.09.1984 Минмонтажспецстрой СССР (USSR Minmontazhspetsstroy ) |
| Чем заменён: |








































