Скачать Серия 5.407-77 Выпуск 1. Монтажные чертежиДата актуализации: 01.01.2021
|
| Обозначение: | Серия 5.407-77 |
| Обозначение англ: | Series 5.407-77 |
| Статус: | не действует |
| Название рус.: | Выпуск 1. Монтажные чертежи |
| Дата добавления в базу: | 01.09.2013 |
| Дата актуализации: | 01.01.2021 |
| Дата введения: | 20.10.1986 |
| Дата окончания срока действия: | 01.10.1991 |
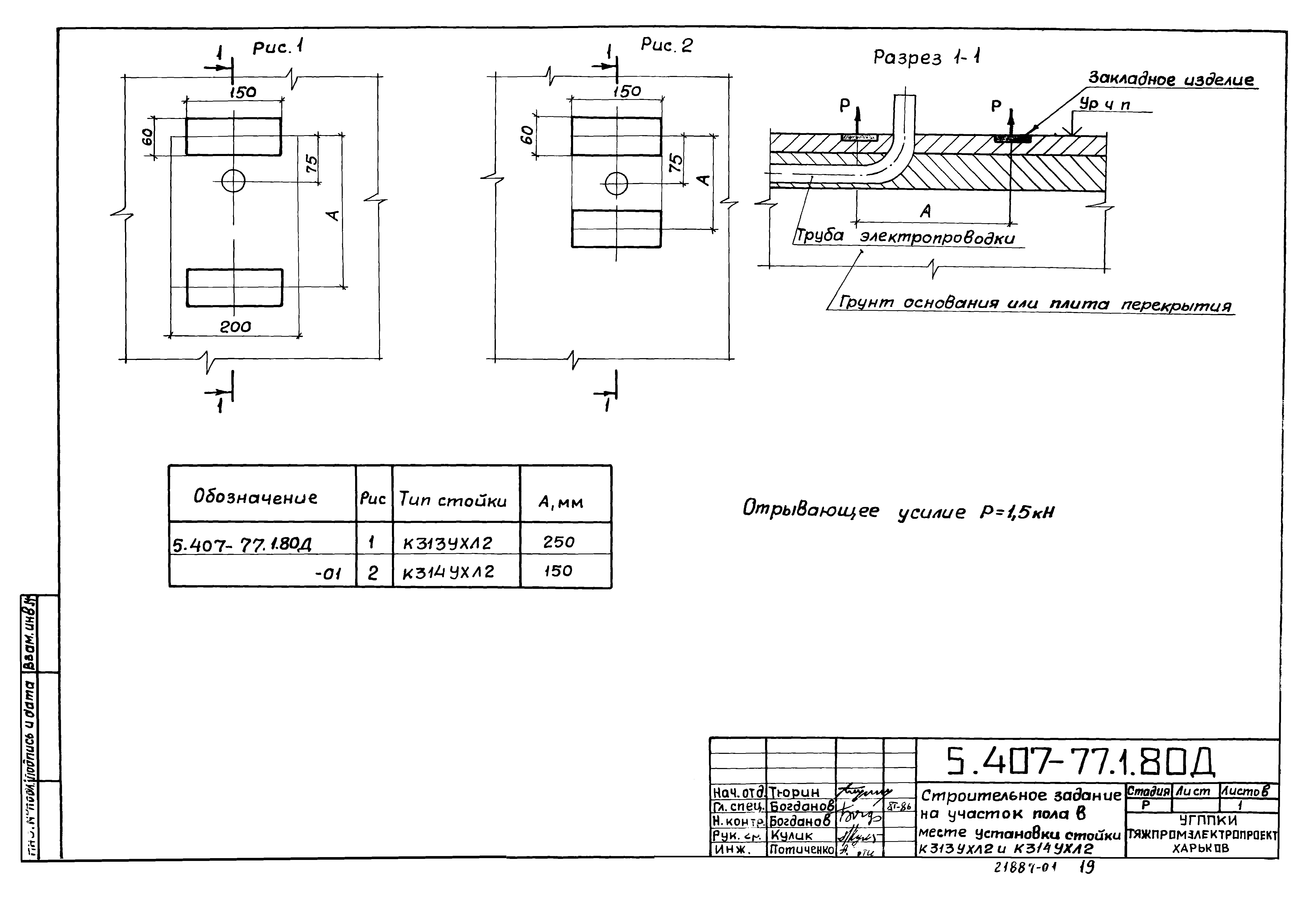
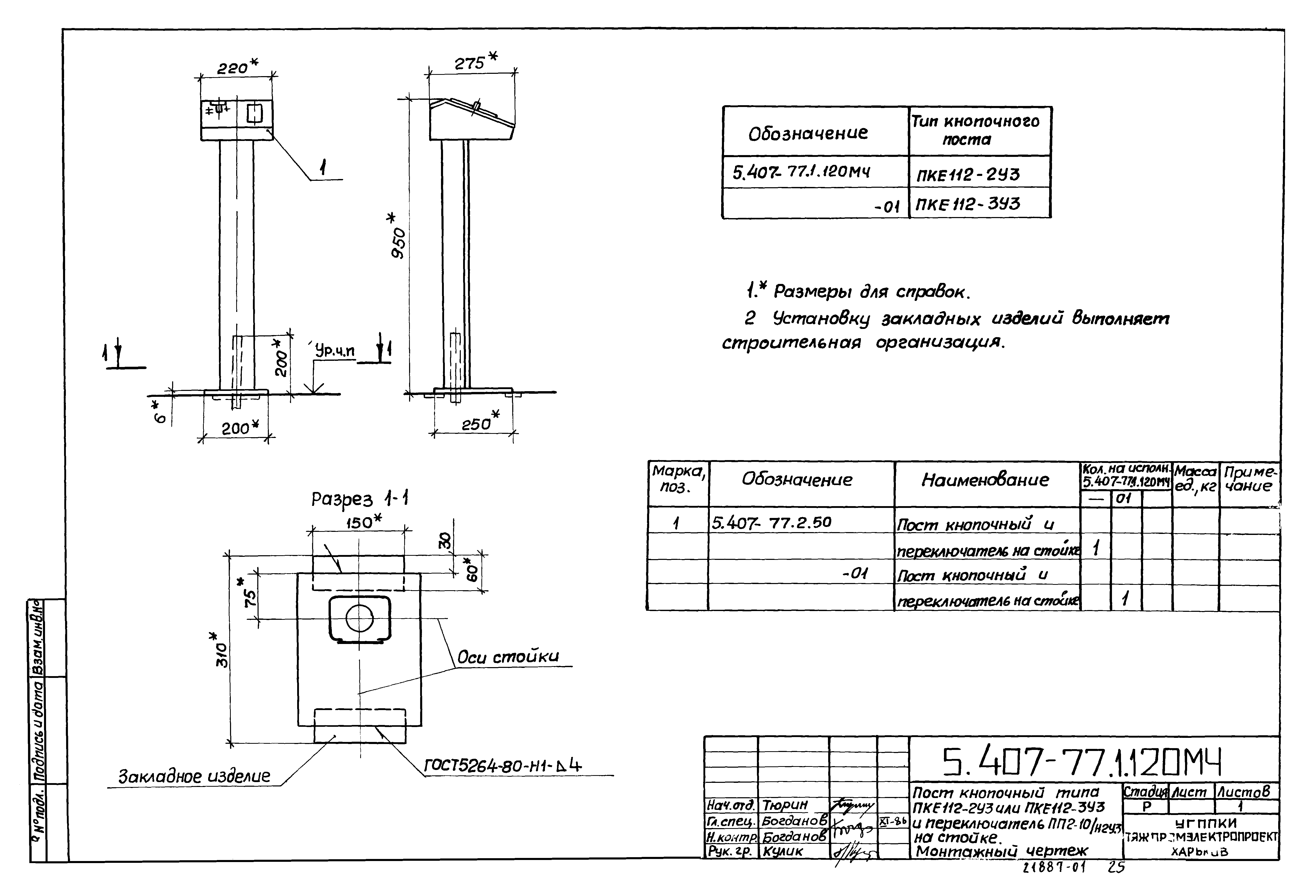
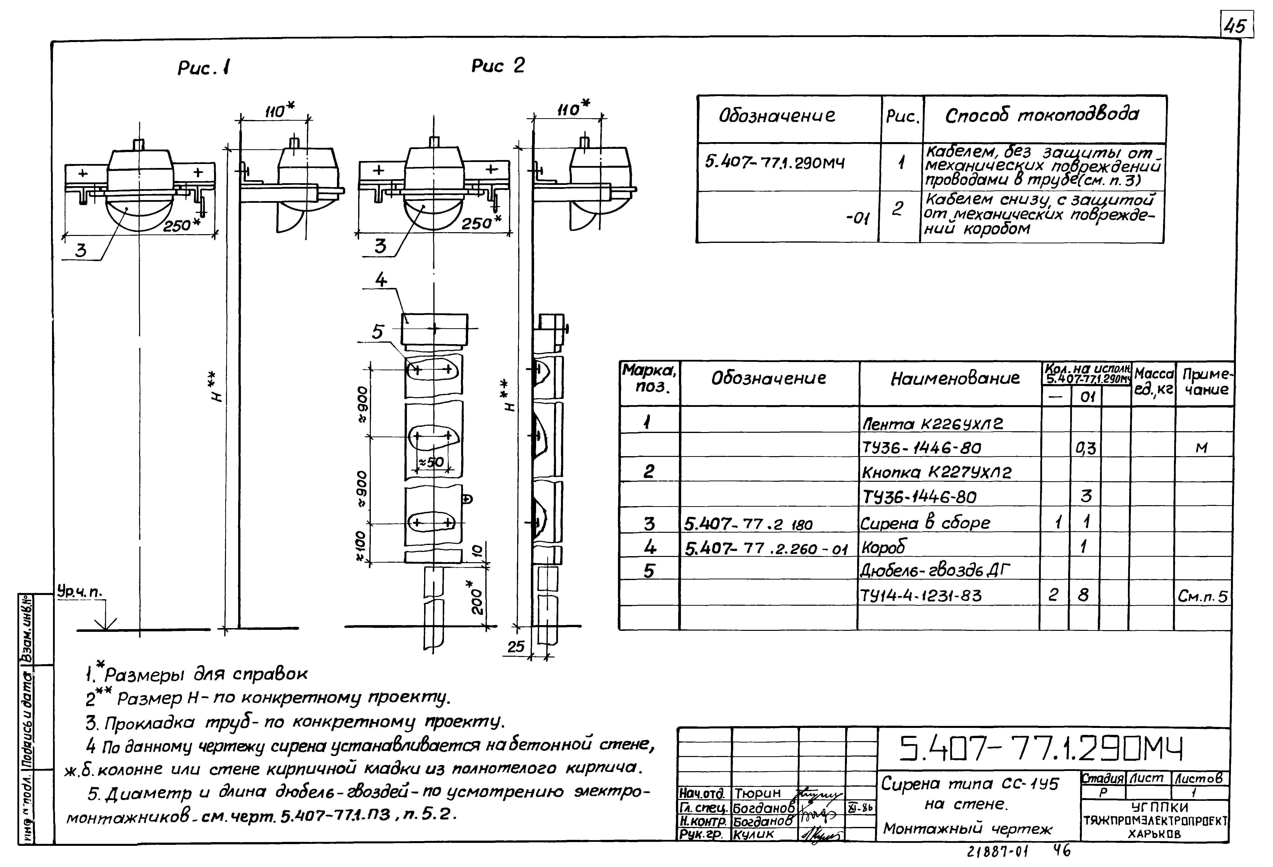
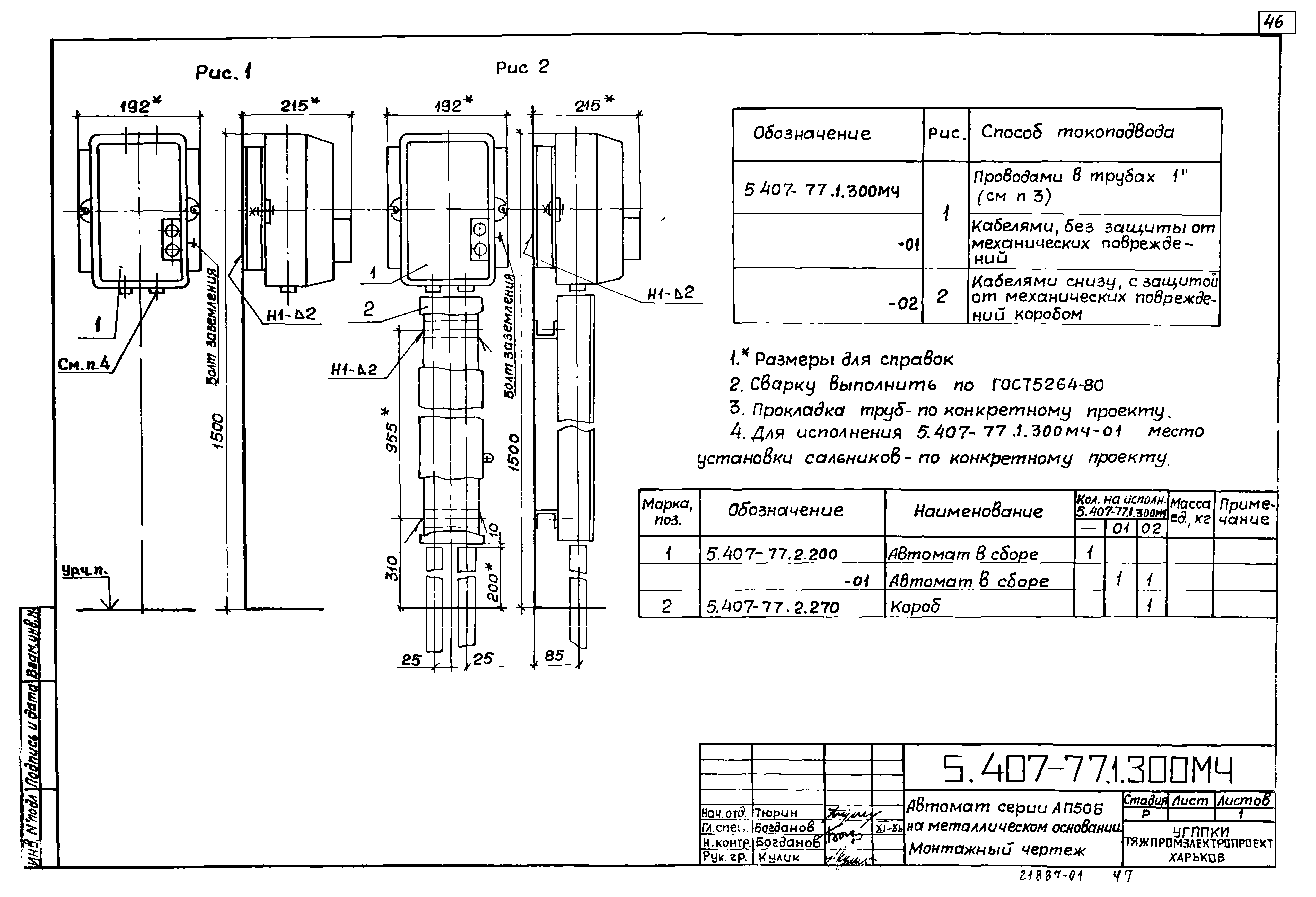
| Оглавление: | Титульный лист Содержание 5.407-77.1.ПЗ Пояснительная записка 5.407-77.1.10ТБ Таблица выбора чертежей типовой серии 5.407-77.1.20ГЧ Посты кнопочные серии ПКЕ и ПКУ15, переключатели типа ПП2-10/Н2У3, автоматы серии АП50Б. Габаритный чертеж 5.407-77.1.30ГЧ Светофоры типа СС-1У2, СС-2У2, СС-3У2; звонки типа МЗ-1У5; МЗ-2У5, сирена типа СС-1У5. Габаритный чертеж 5.407-77.1.40Д Рекомендации по заземлению (занулению) стоек типа К313УХЛ2 и К314УХЛ2 5.407-77.1.50Д Строительное задание на установку постов управления ПУ1 и ПУ3. Пример 5.407-77.1.60Д Расположение постов управления ПУ1 и ПУ3 в цехе. План. Пример 5.407-77.1.70Д Расположение электрооборудования в цехе. План. Пример 5.407-77.1.80Д Строительное задание на участок пола в месте установки стойки К313УХЛ2 и К314УХЛ2 5.407-77.1.90ВА Ведомость изделий и материалов для изготовления электромонтажных конструкций и деталей в МЭЗ 5.407-77.1.100МЧ Пост кнопочный типа ПКЕ112-2У3 и ПКЕ112-3У3 на стойке. Монтажный чертеж 5.407-77.1.110МЧ Два поста кнопочных типа ПКЕ112-2У3 или ПКЕ112-3У3 на стойке. Монтажный чертеж 5.407-77.1.120МЧ Пост кнопочный типа ПКЕ112-2У3 или ПКЕ112-3У3 и переключатель ПП2-10/Н2У3 на стойке. Монтажный чертеж 5.407-77.1.130МЧ Пост кнопочный типа ПКЕ212-2У3 и ПКЕ212-3У3 на стойке. Монтажный чертеж 5.407-77.1.140МЧ Пост кнопочный типа ПКУ15-21.111…ПКУ15-21.141 на стойке. Монтажный чертеж 5.407-77.1.150МЧ Пост кнопочный типа ПКУ15-21.231 и ПКУ15-21.331 на стойке. Монтажный чертеж 5.407-77.1.160МЧ Пост кнопочный типа ПКЕ212-2У3 и ПКЕ212-3У3 на металлическом основании. Монтажный чертеж 5.407-77.1.170МЧ Пост кнопочный типа ПКЕ212-2У3 и ПКЕ212-3У3 на стене. Монтажный чертеж 5.407-77.1.180МЧ Пост кнопочный типа ПКУ15-21.111 и ПКУ15-21.121 на металлическом основании. Монтажный чертеж 5.407-77.1.190МЧ Пост кнопочный типа ПКУ15-21.131 и ПКУ15-21.141 на металлическом основании. Монтажный чертеж 5.407-77.1.200МЧ Пост кнопочный типа ПКУ15-21.231 и ПКУ15-21.331 на металлическом основании. Монтажный чертеж 5.407-77.1.210МЧ Пост кнопочный типа ПКУ15-21.121...ПКУ15-21.141 на стене. Монтажный чертеж 5.407-77.1.220МЧ Пост кнопочный типа ПКУ15-21.231 и ПКУ15-21.331 на стене. Монтажный чертеж 5.407-77.1.230МЧ Светофор типа СС-1У2, СС-2У2, СС-3У2 на металлическом основании. Монтажный чертеж 5.407-77.1.240МЧ Светофор типа СС-1У2, СС-2У2, СС-3У2 на стене. Монтажный чертеж 5.407-77.1.250МЧ Звонок типа МЗ-1У5 и МЗ-2У5 на металлическом основании. Монтажный чертеж 5.407-77.1.260МЧ Звонок типа МЗ-1У5 и МЗ-2У5 на бетонной стене или ж/б колонне. Монтажный чертеж 5.407-77.1.270МЧ Звонок типа МЗ-1У5 и МЗ-2У5 на стене кирпичной кладки. Монтажный чертеж 5.407-77.1.280МЧ Сирена типа СС-1У5 на металлическом основании. Монтажный чертеж 5.407-77.1.290МЧ Сирена типа СС-1У5 на стене. Монтажный чертеж 5.407-77.1.300МЧ Автомат серии АП50Б на металлическом основании. Монтажный чертеж 5.407-77.1.310МЧ Автомат серии АП50Б на бетонной стене или ж/б колонне. Монтажный чертеж 5.407-77.1.320МЧ Автомат серии АП50Б на стене кирпичной кладки. Монтажный чертеж |
| Разработан: | УГППКИ Тяжпромэлектропроект Укрглавэлектромонтаж Минмонтажспецстроя УССР |
| Утверждён: | 20.10.1986 Минмонтажспецстрой СССР (USSR Minmontazhspetsstroy ) |
| Чем заменён: |

















































