Скачать Типовой проект 310-2-3 Альбом I. Архитектурно-строительная, технологическая части и инженерное оборудованиеДата актуализации: 01.01.2021
|
| Обозначение: | Типовой проект 310-2-3 |
| Обозначение англ: | 310-2-3 |
| Статус: | действует |
| Название рус.: | Альбом I. Архитектурно-строительная, технологическая части и инженерное оборудование |
| Дата добавления в базу: | 01.09.2013 |
| Дата актуализации: | 01.01.2021 |
| Дата введения: | 24.06.1967 |
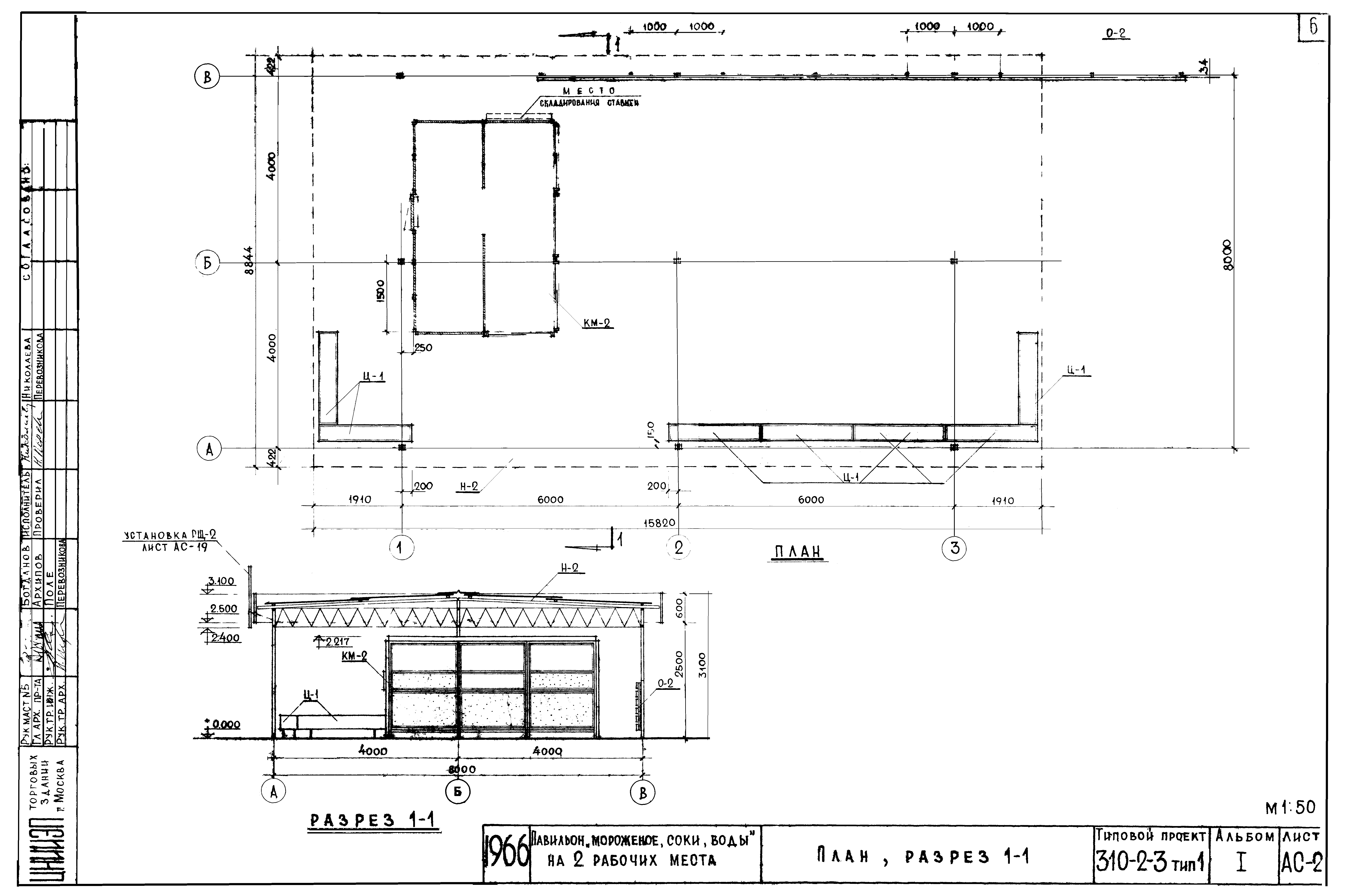
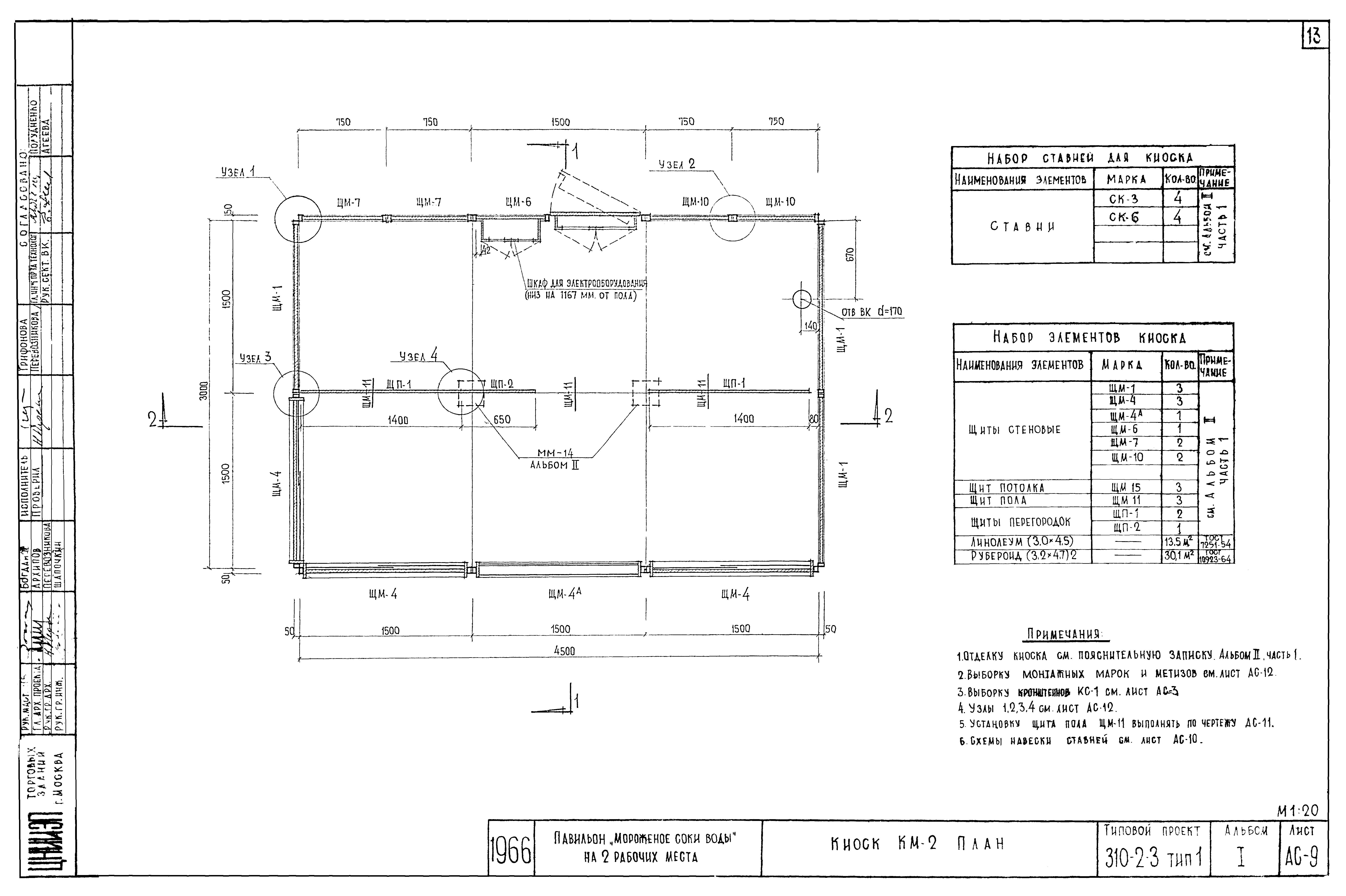
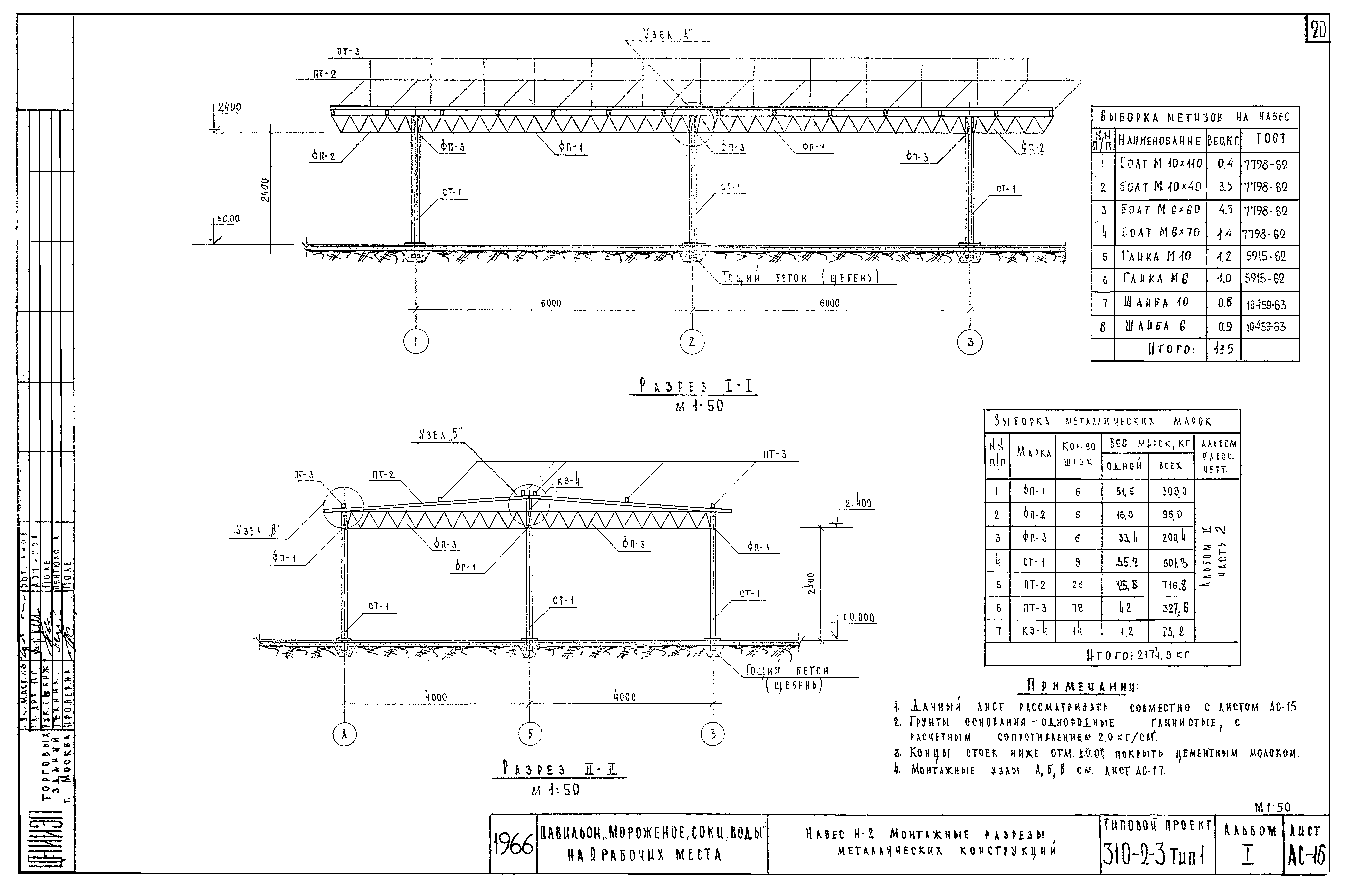
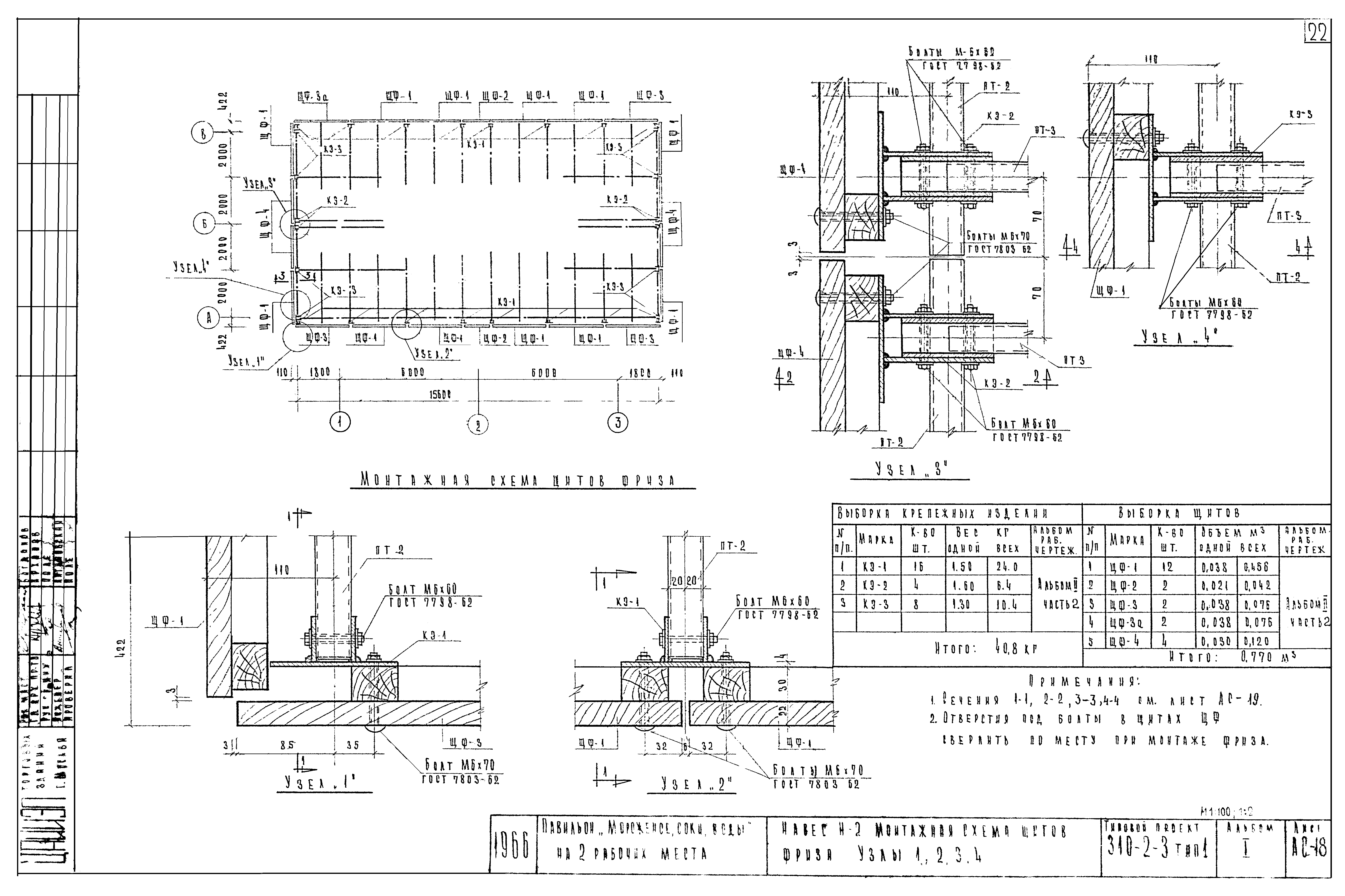
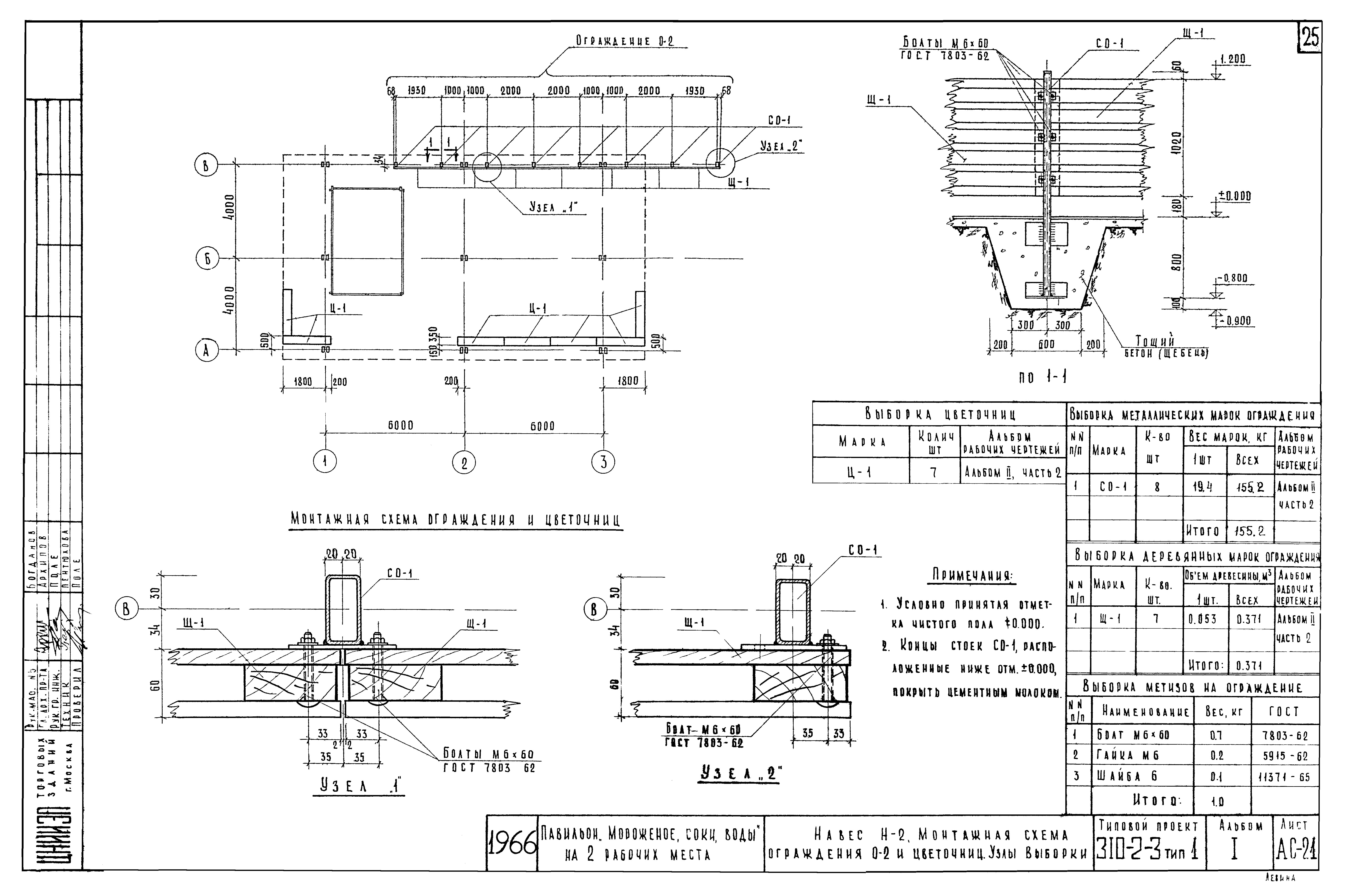
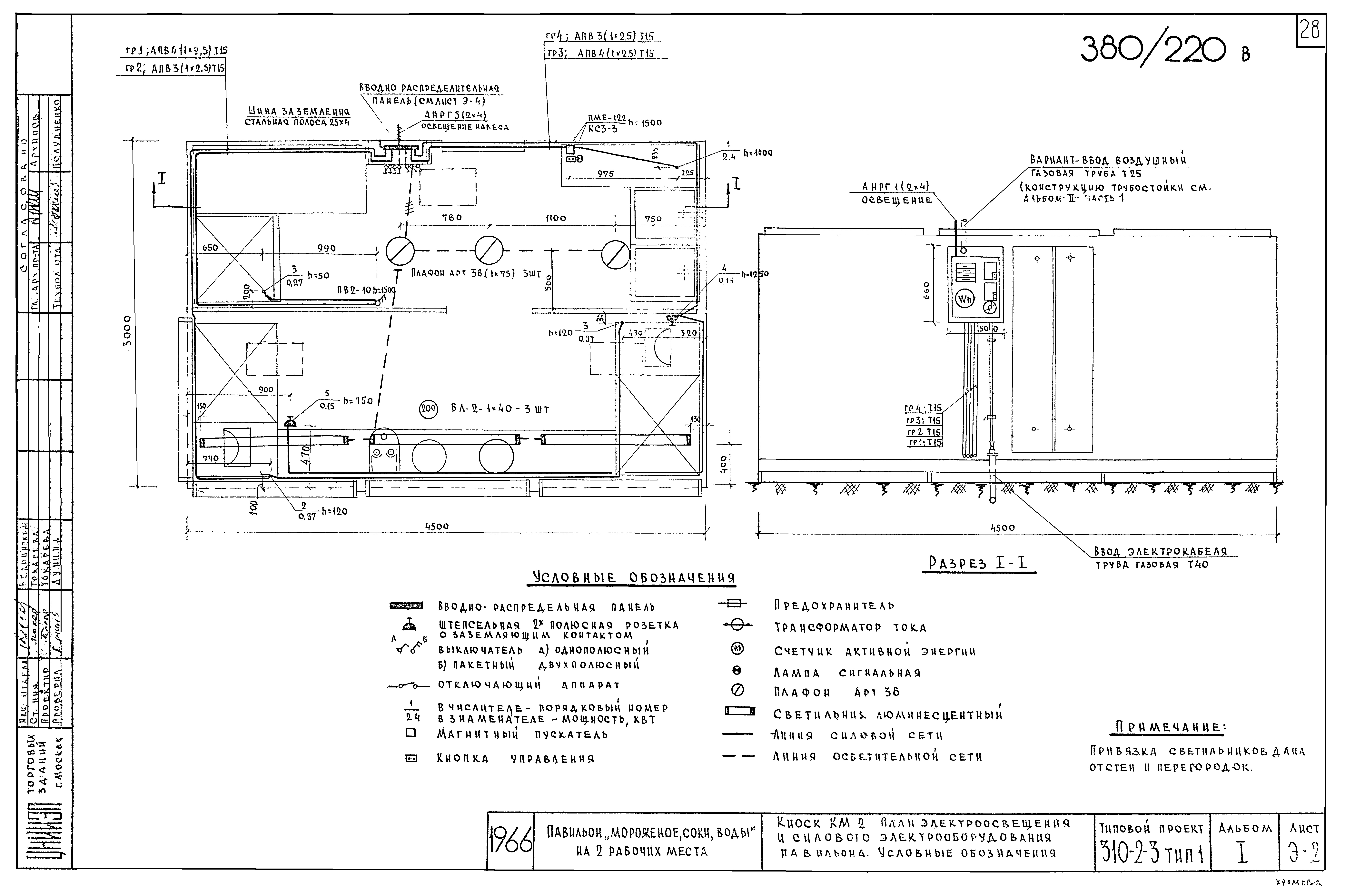
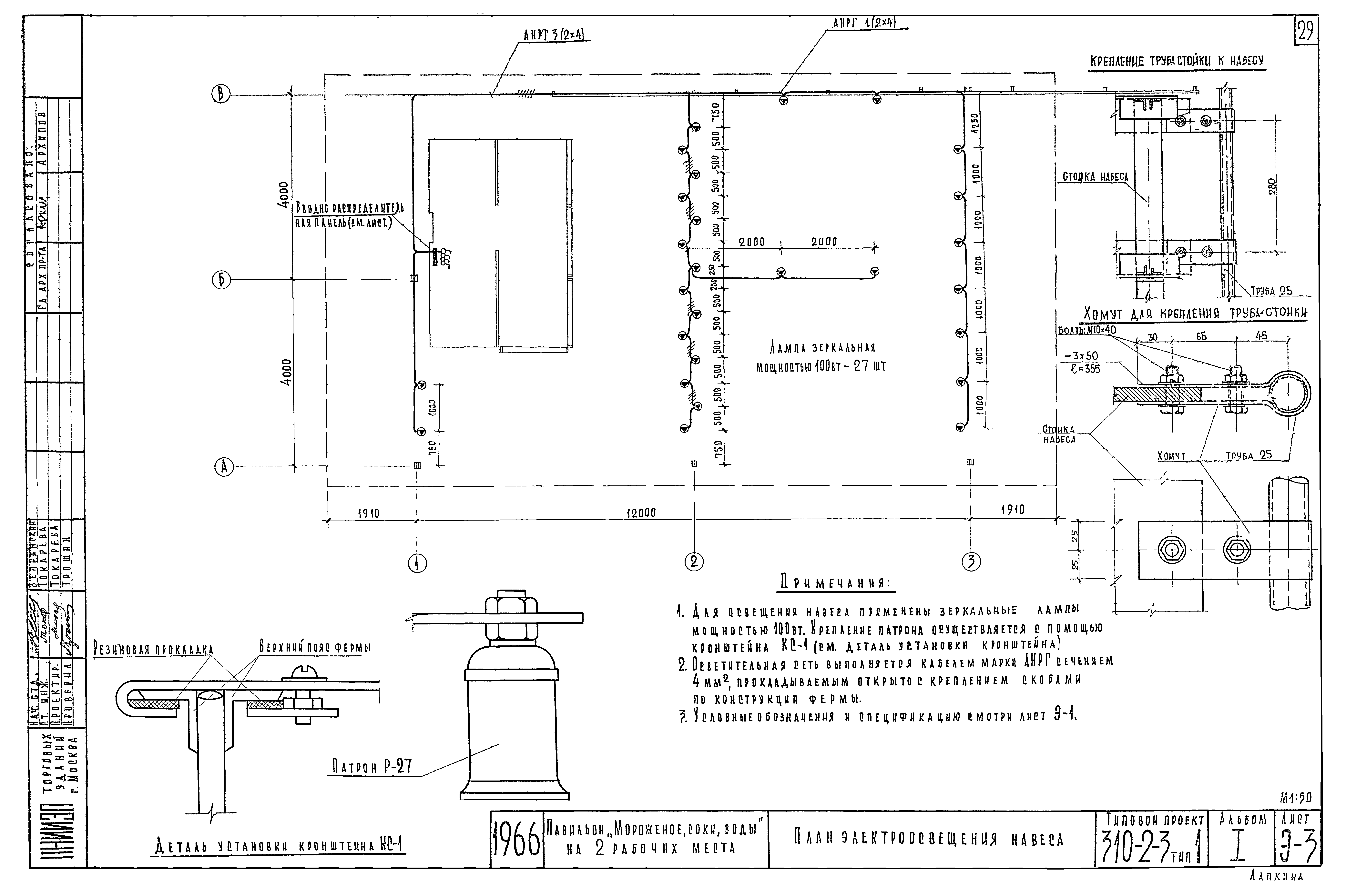
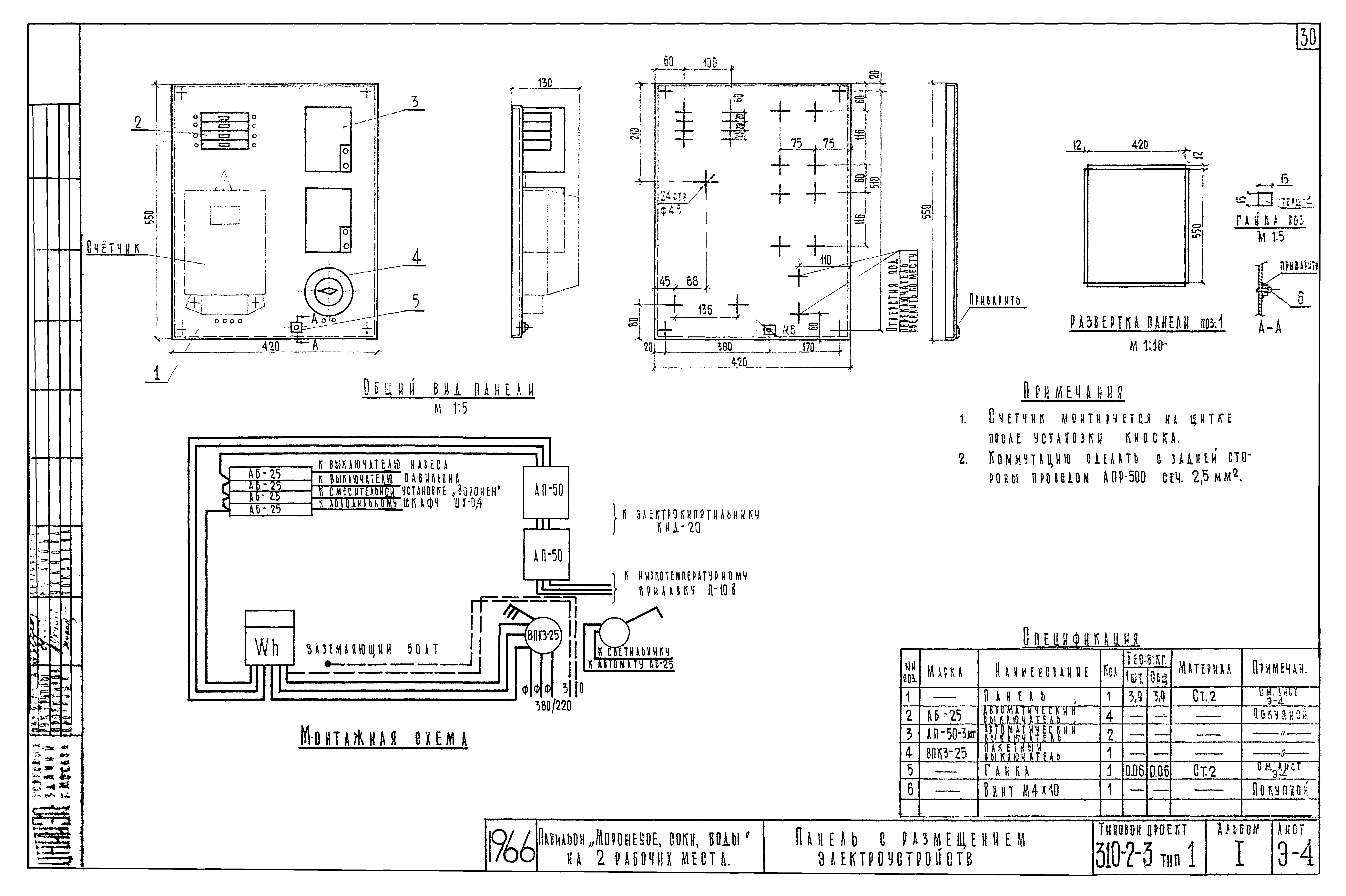
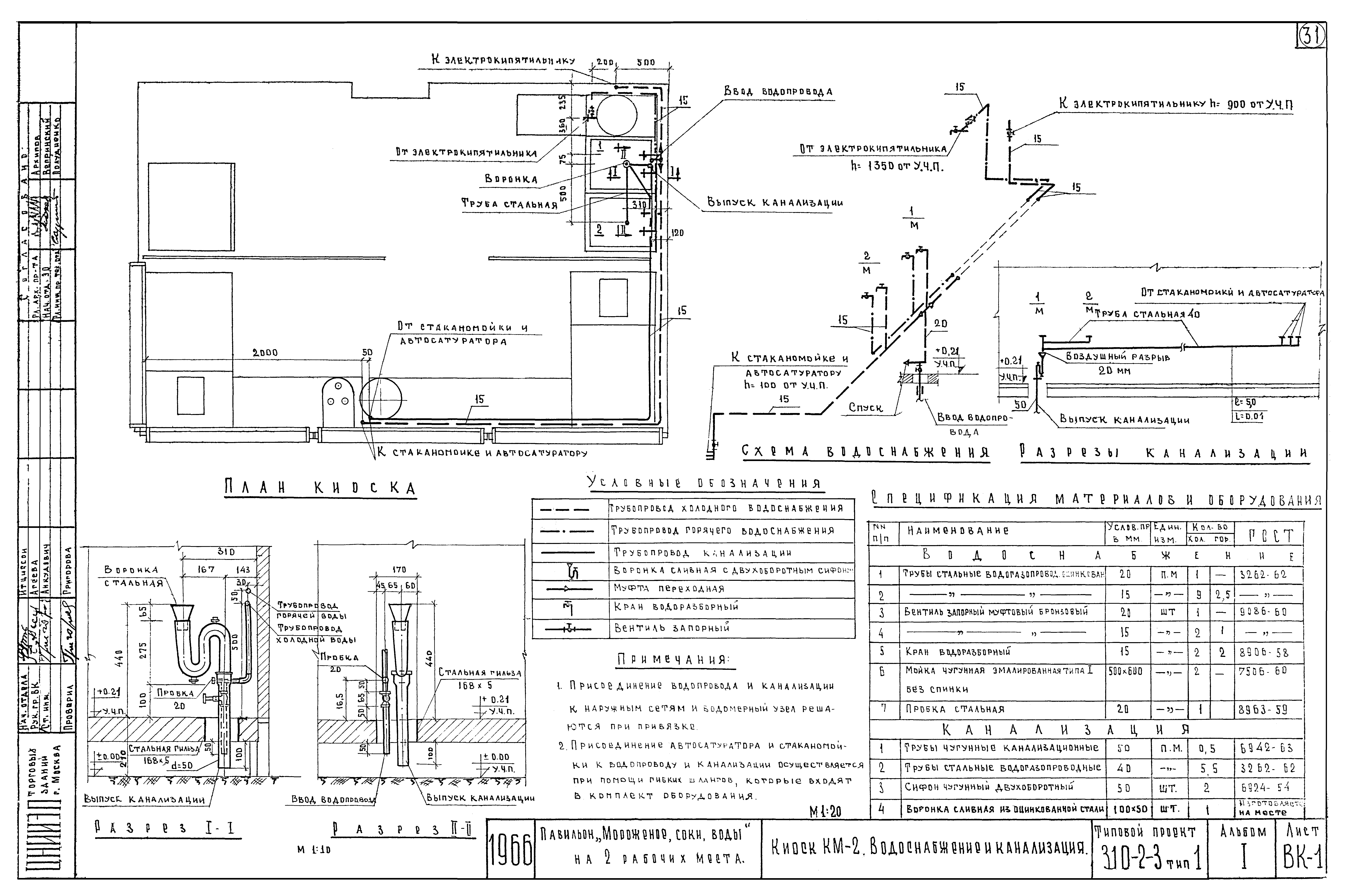
| Оглавление: | Титульный лист Содержание альбома Пояснительная записка Фасады План. Разрез 1-1 План потолка Реклама Киоск КМ-2. Фасады Киоск КМ-2. План Киоск КМ-2. План потолка Киоск КМ-2. Разрезы 1-1, 2-2 Киоск КМ-2. Монтажные узлы 1 - 4 Киоск КМ-2. Монтажные узлы 5 - 8 Киоск КМ-2. Монтажные узлы 9 - 10 Навес Н-2. Монтажный план металлических конструкций Навес Н-2. Монтажные разрезы металлических конструкций Навес Н-2. Монтажные узлы "А", "Б", "В" Навес Н-2. Монтажная схема щитов фриза. Узлы 1, 2, 3, 4 Навес Н-2. Сечения фриза с 1-1 по 4-4 Навес Н-2. Конструкции кровли Навес Н-2. Монтажная схема ограждения О-2 и цветочниц. Узлы. Выборки Планы с расстановкой, привязкой и спецификацией технологического оборудования Пояснения к проекту. Схема щитка. Спецификация Киоск КМ-2. План электроосвещения и силового электрооборудования павильона. Условные обозначения План электроосвещения навеса Панель с размещением электроустройств Киоск КМ-2. Водоснабжение и канализация |
| Разработан: | ЦНИИЭП торговых зданий Госгражданстроя СССР |
| Утверждён: | 30.06.1965 Государственный комитет по гражданскому строительству и архитектуре при Госстрое СССР (115) |































