Скачать Типовой проект 320-45 Альбом I. Архитектурно-строительная частьДата актуализации: 01.01.2021
|
| Обозначение: | Типовой проект 320-45 |
| Обозначение англ: | 320-45 |
| Статус: | не определен законодательством |
| Название рус.: | Альбом I. Архитектурно-строительная часть |
| Дата добавления в базу: | 01.09.2013 |
| Дата актуализации: | 01.01.2021 |
| Дата введения: | 30.09.1974 |
| Дата окончания срока действия: | 30.06.2003 |
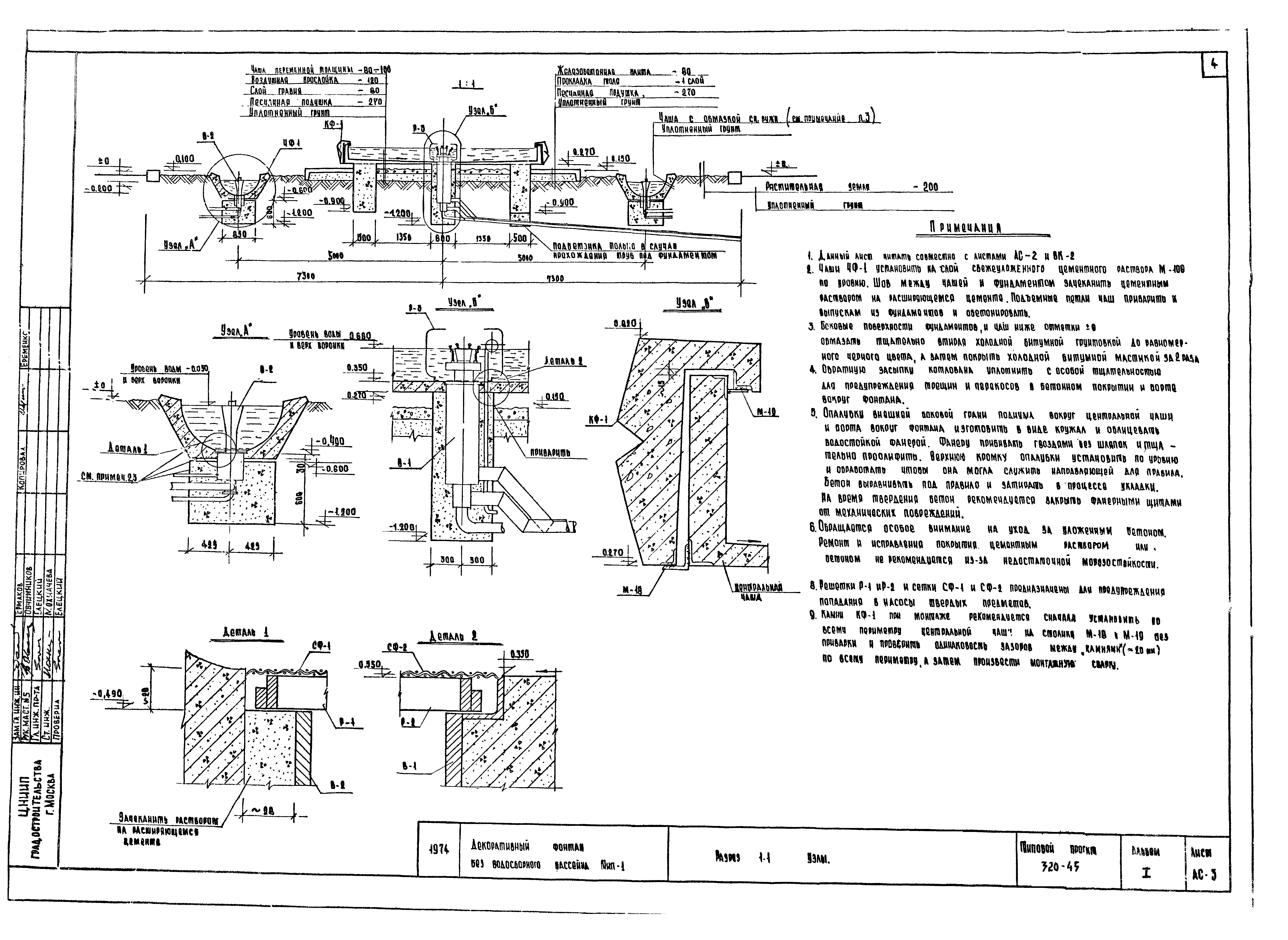
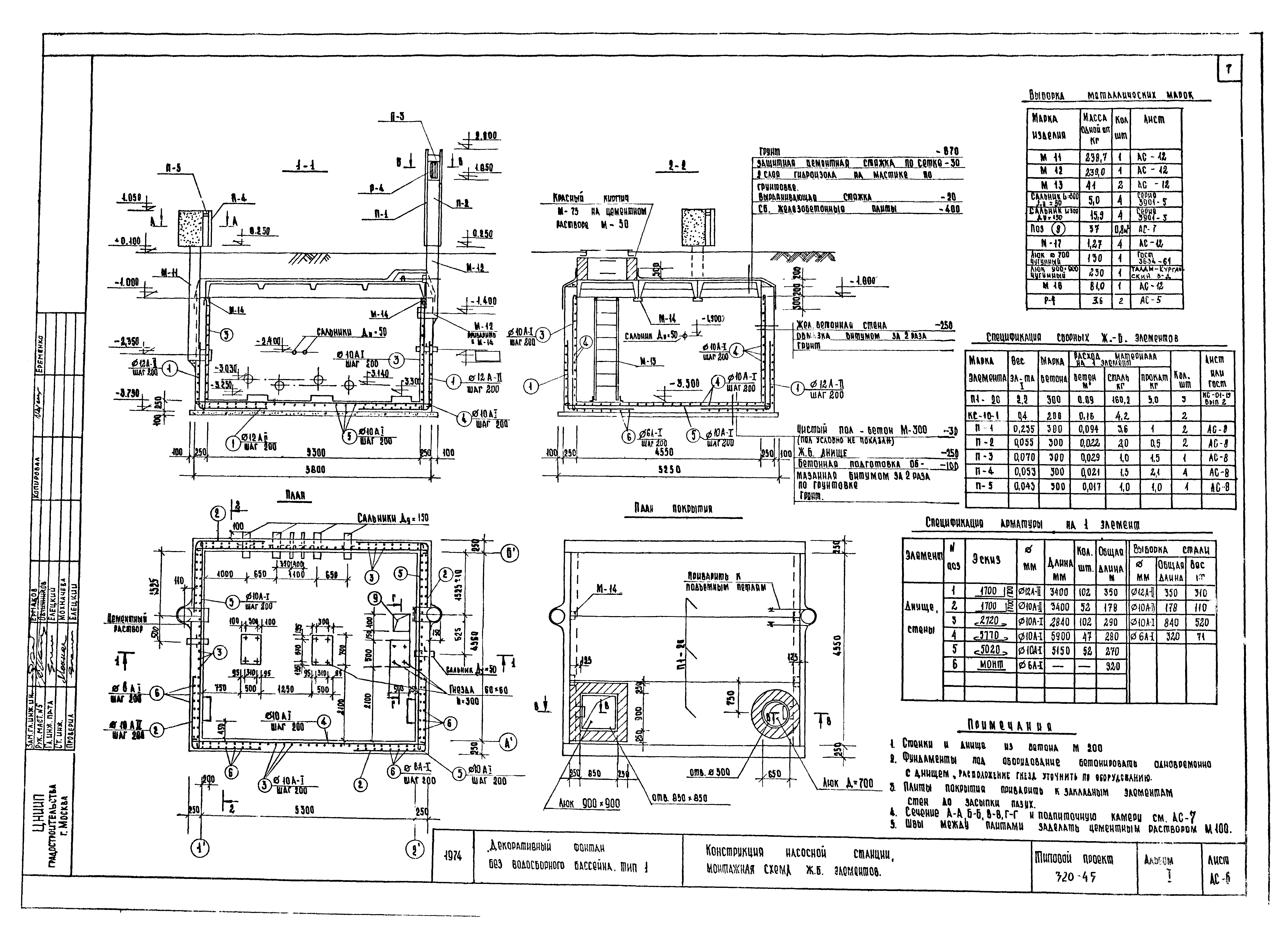
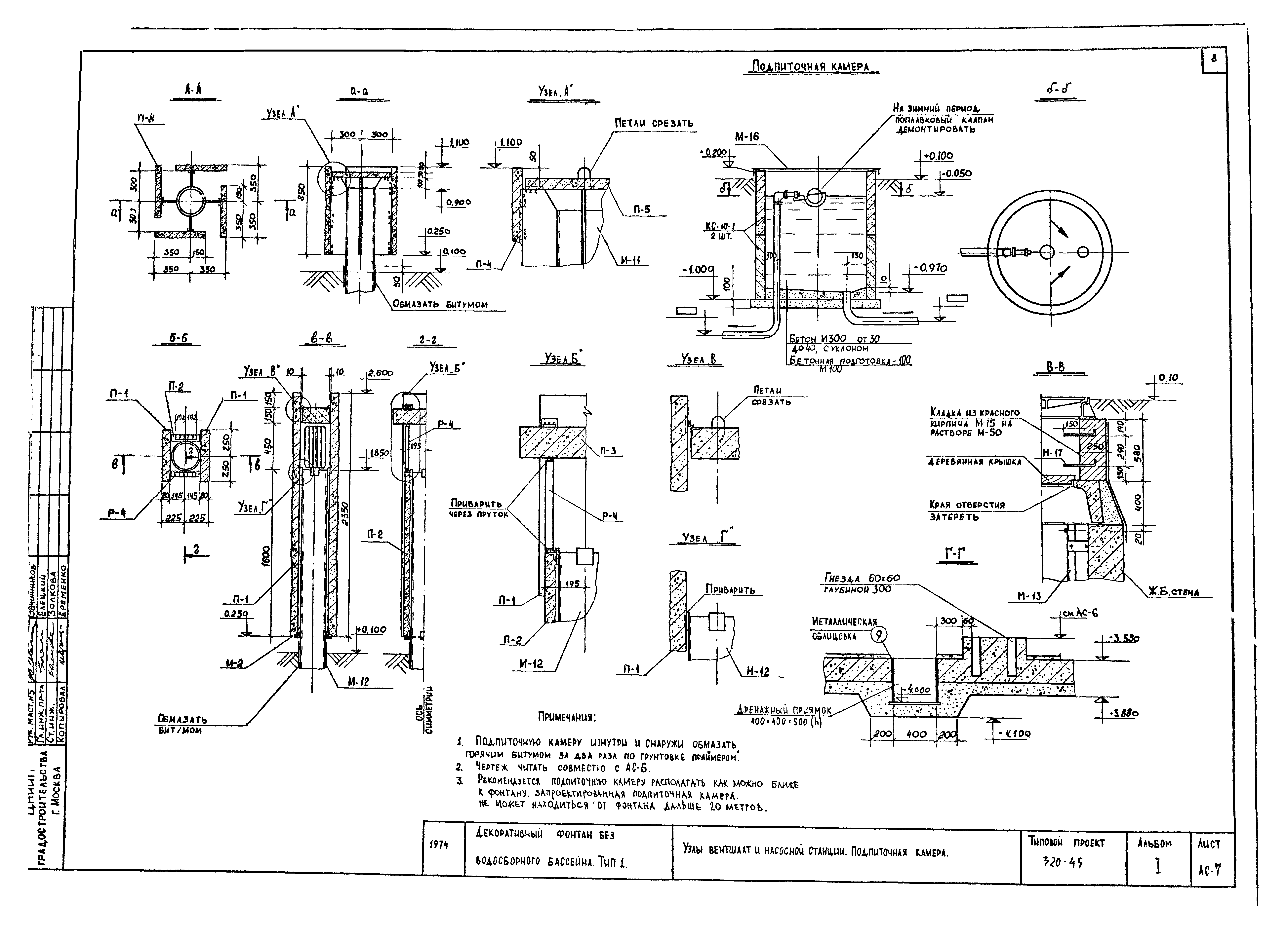
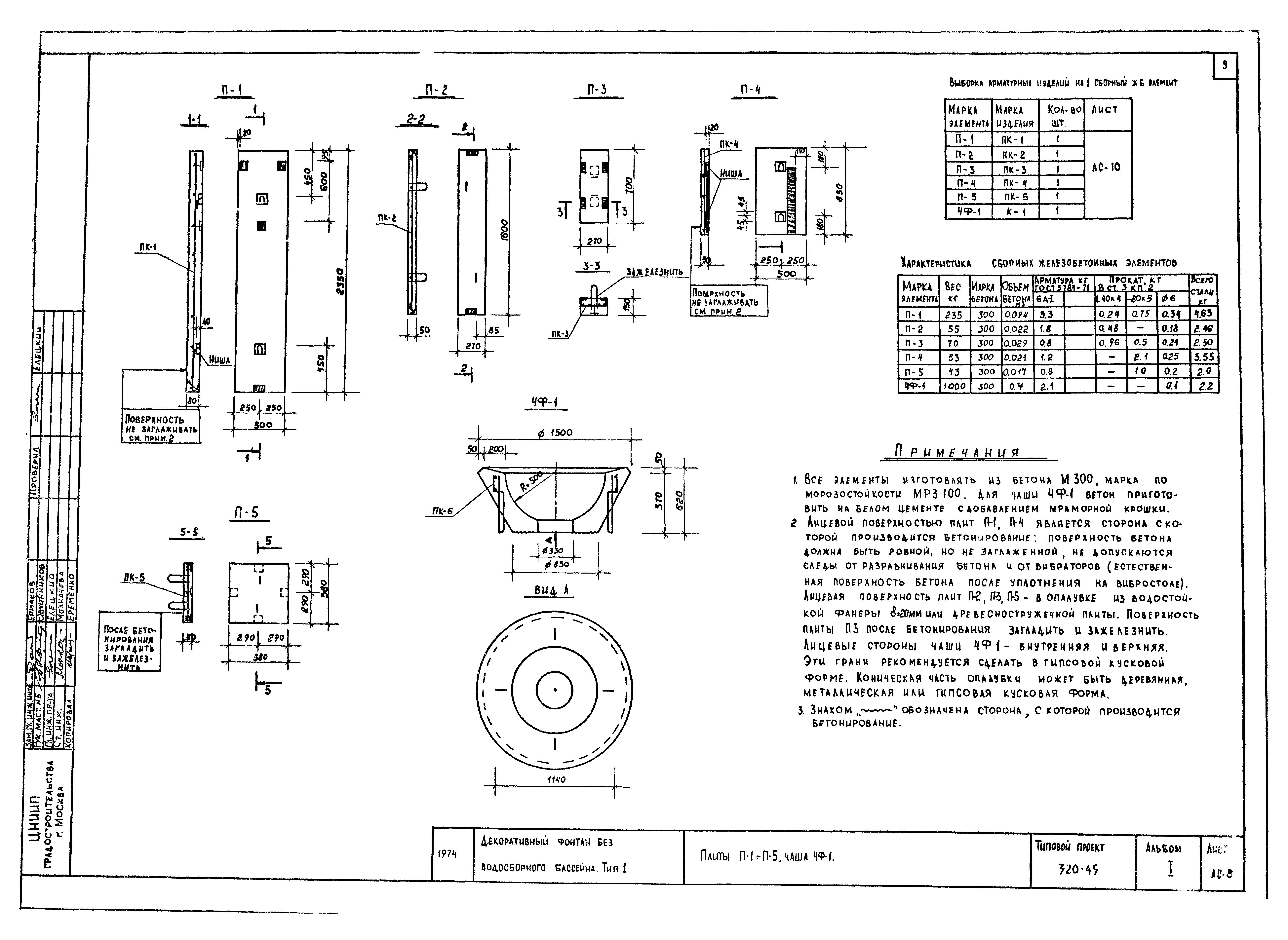
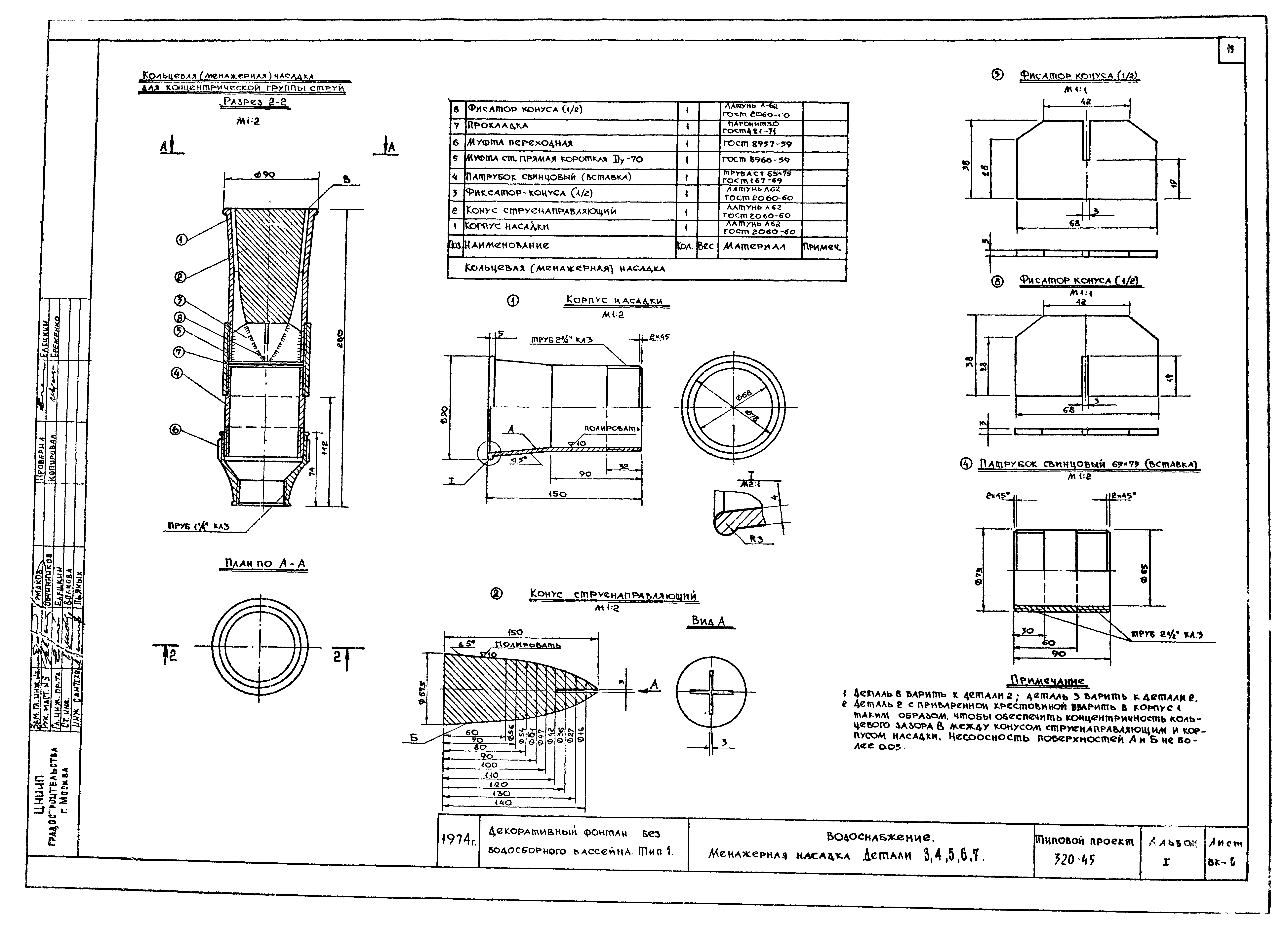
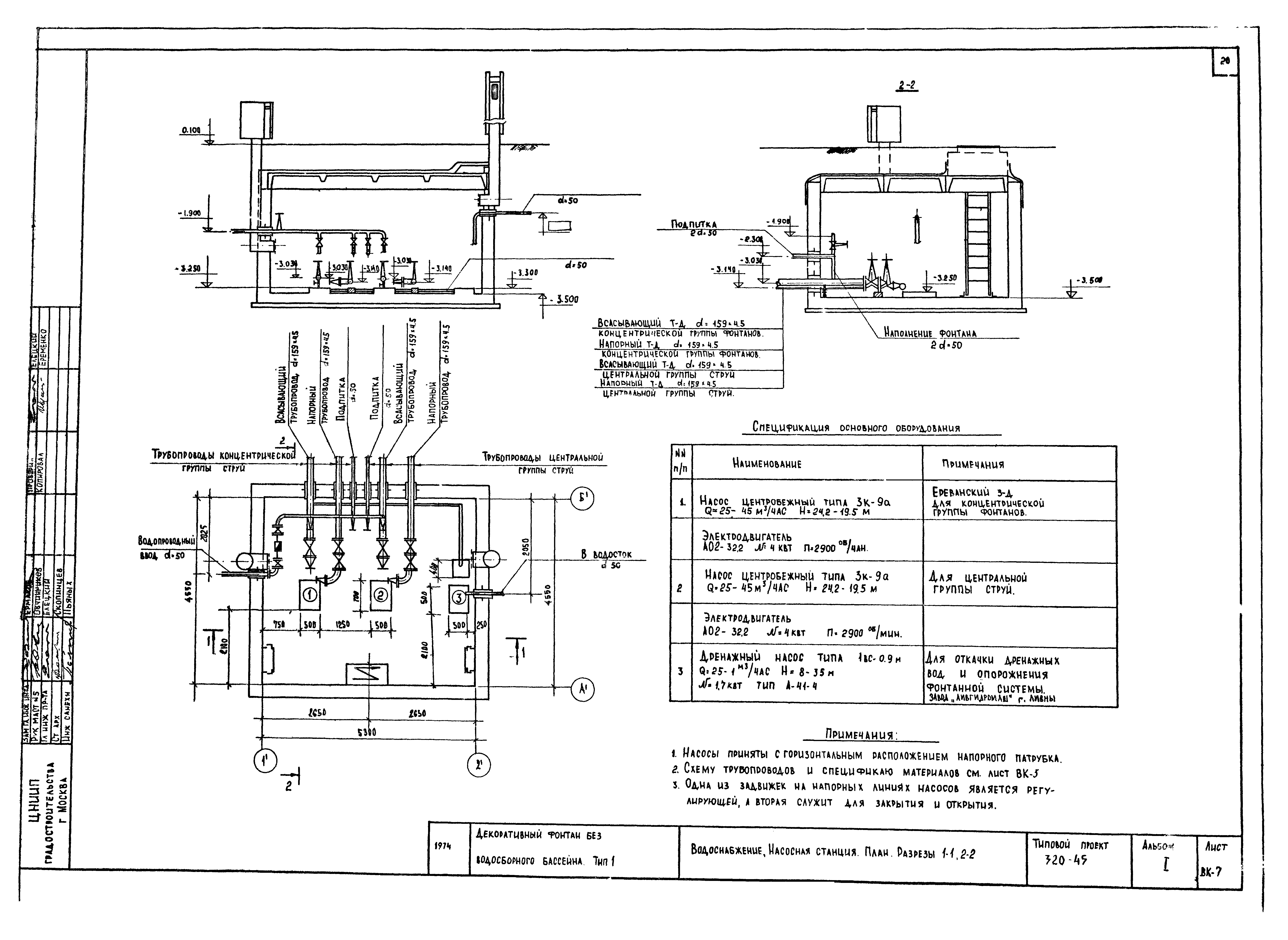
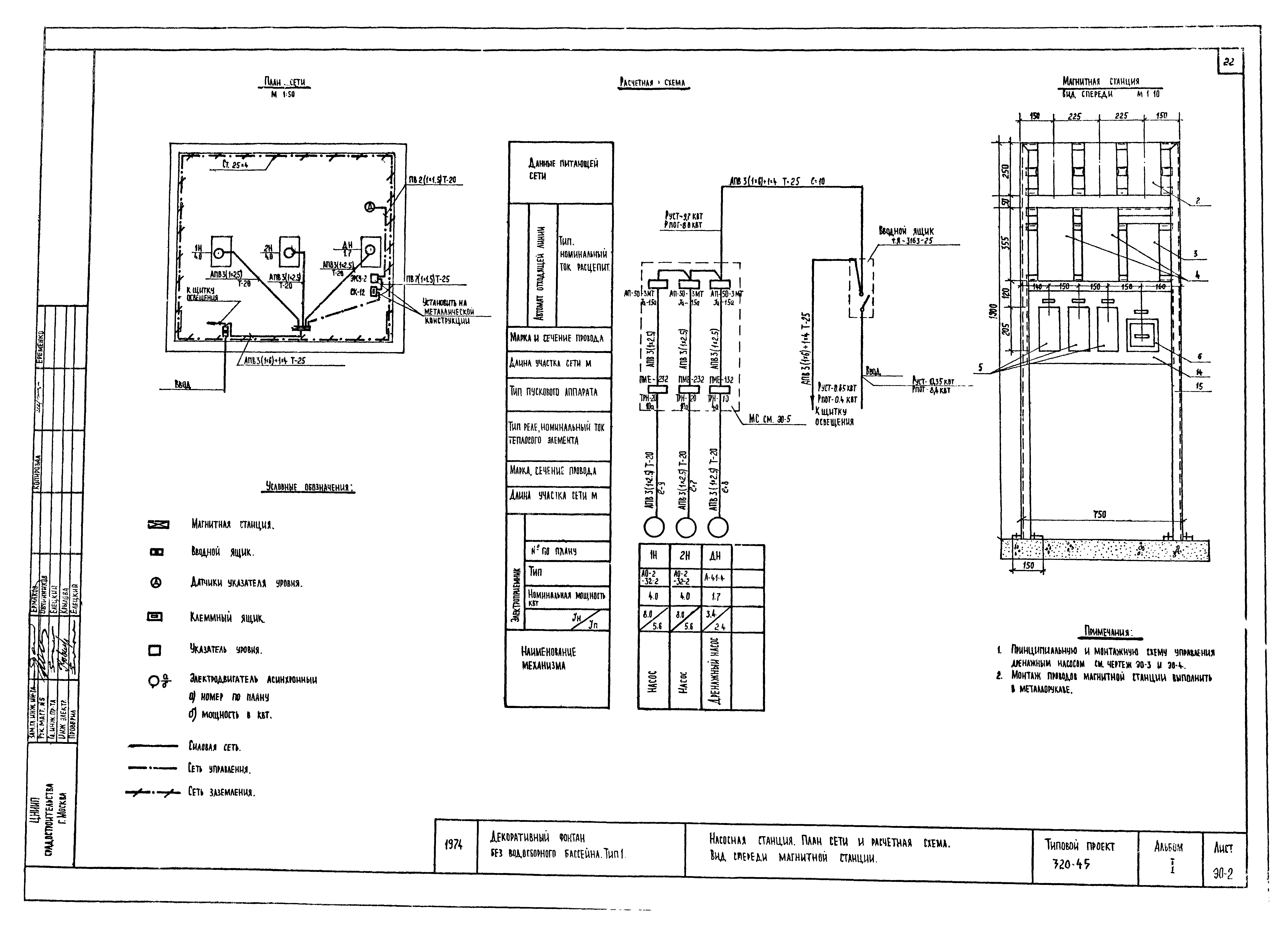
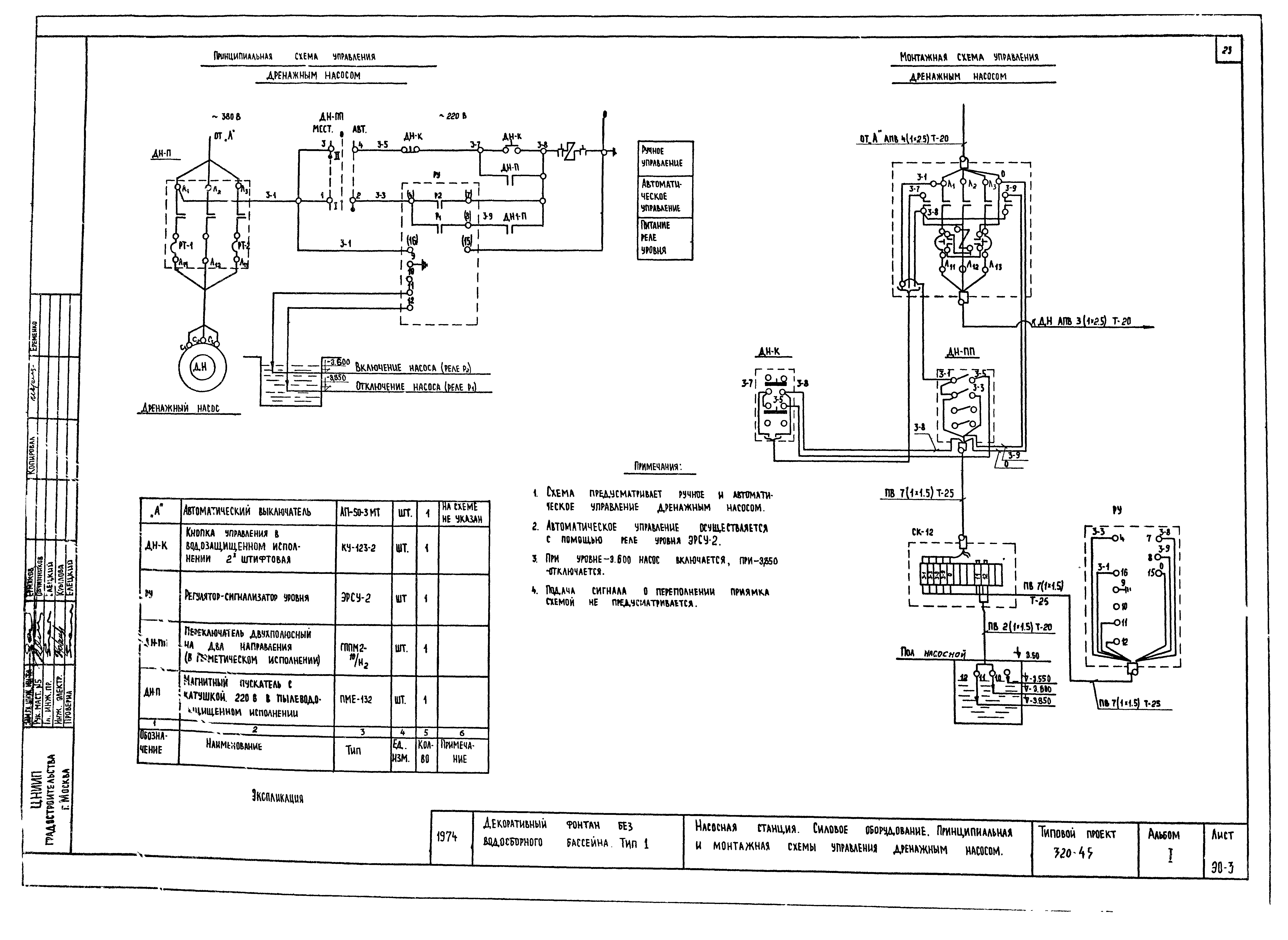
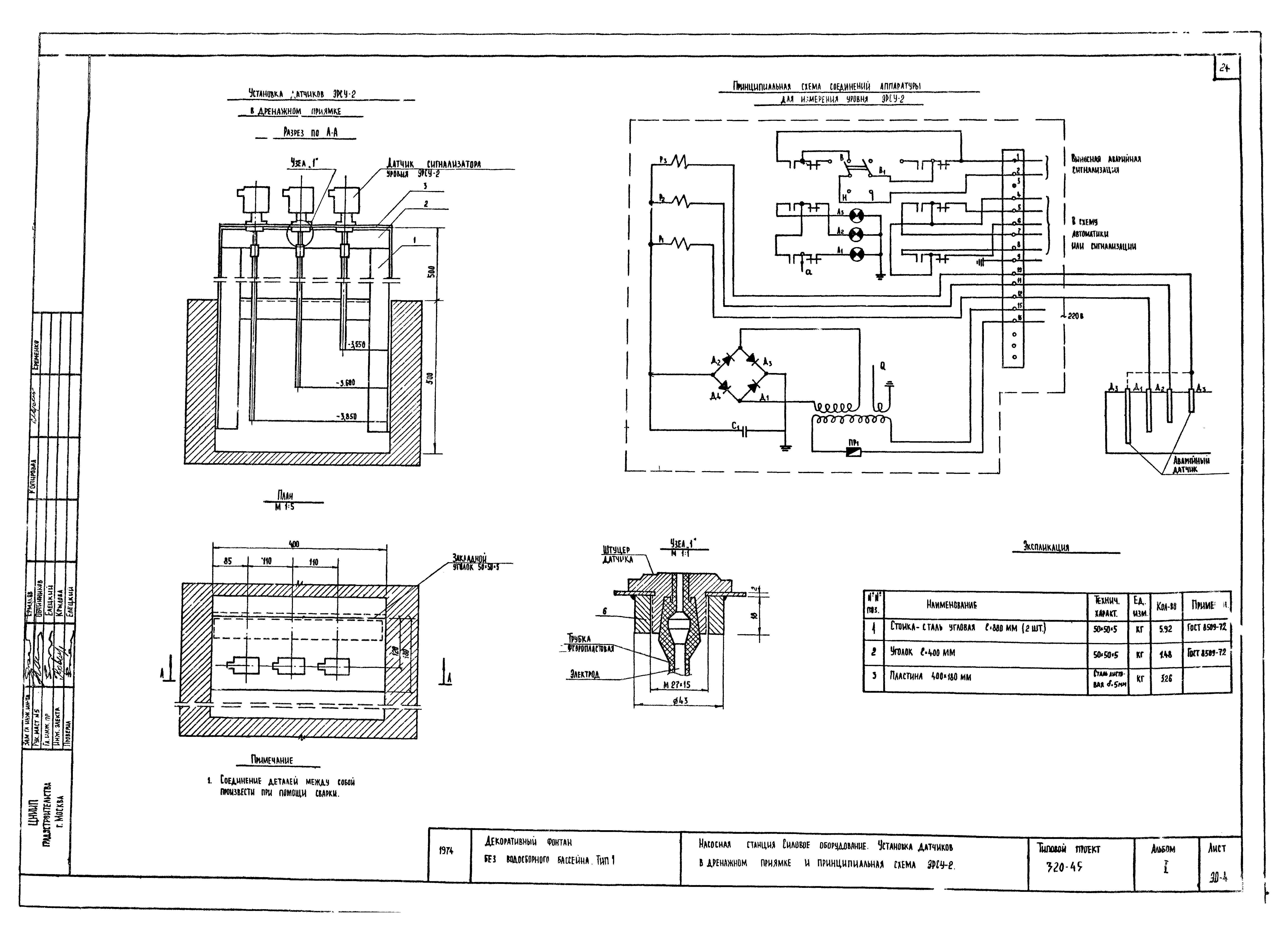
| Оглавление: | Содержание. Пояснительная записка Фасад. Разрез по оси "А". План. Пример генплана Конструкция фонтана. Монтажная схема сборных ж/б элементов фонтана Разрез 1-1. Узлы Конструкция центральной чаши Конструкция декоративных решеток. Сетки СФ-1, СФ-2 Конструкция насосной станции. Монтажные схемы ж/б элементов Узлы вентшахт и насосной станции. Подпиточная камера Плиты П-1 - П-5. Чаша ЧФ-1 Камень КФ-1 Пространственный каркасы ПК-1 - ПК-7 Сетки и закладные элементы Металлические марки Водоснабжение. Ситуационный план. Перечень листов. Пояснительная записка Водоснабжение. План. Разрез 1-1. Узлы "А" и "Б" Водоснабжение. Технологическая схема водоснабжения. Спецификация Водоснабжение. Напорно-всасывающие камеры В-1, В-2 Водоснабжение. Камера В-1. Насадки. Цилиндрическая насадка Водоснабжение. Менажерная насадка. Детали 3, 4, 5, 6, 7 Водоснабжение. Насосная станция. План. Разрезы 1-1, 2-2 Насосная станция. Силовое оборудование и освещение. Перечень листов. Пояснительная записка Насосная станция. Силовое оборудование. План сети. Расчетная схема. Вид спереди магнитной станции Насосная станция. Силовое оборудование. Принципиальная монтажная схема. Управление дренажным насосом Насосная станция. Силовое оборудование. Установка датчиков в дренажном приямке, принципиальная схема реле ЭРСУ-2 Насосная станция. Силовое оборудование и освещение. Спецификация. План сети освещения |
| Разработан: | ЦНИИП градостроительства |
| Утверждён: | 12.08.1970 Госгражданстрой (Gosgrazhdanstroy 1-538) |


























