Скачать Типовой проект 901-4-81с.84 Альбом V. СметыДата актуализации: 01.01.2021
|
| Обозначение: | Типовой проект 901-4-81с.84 |
| Обозначение англ: | 901-4-81с.84 |
| Статус: | не определен законодательством |
| Название рус.: | Альбом V. Сметы |
| Дата добавления в базу: | 01.09.2013 |
| Дата актуализации: | 01.01.2021 |
| Дата введения: | 25.07.1984 |
| Дата окончания срока действия: | 30.06.2003 |
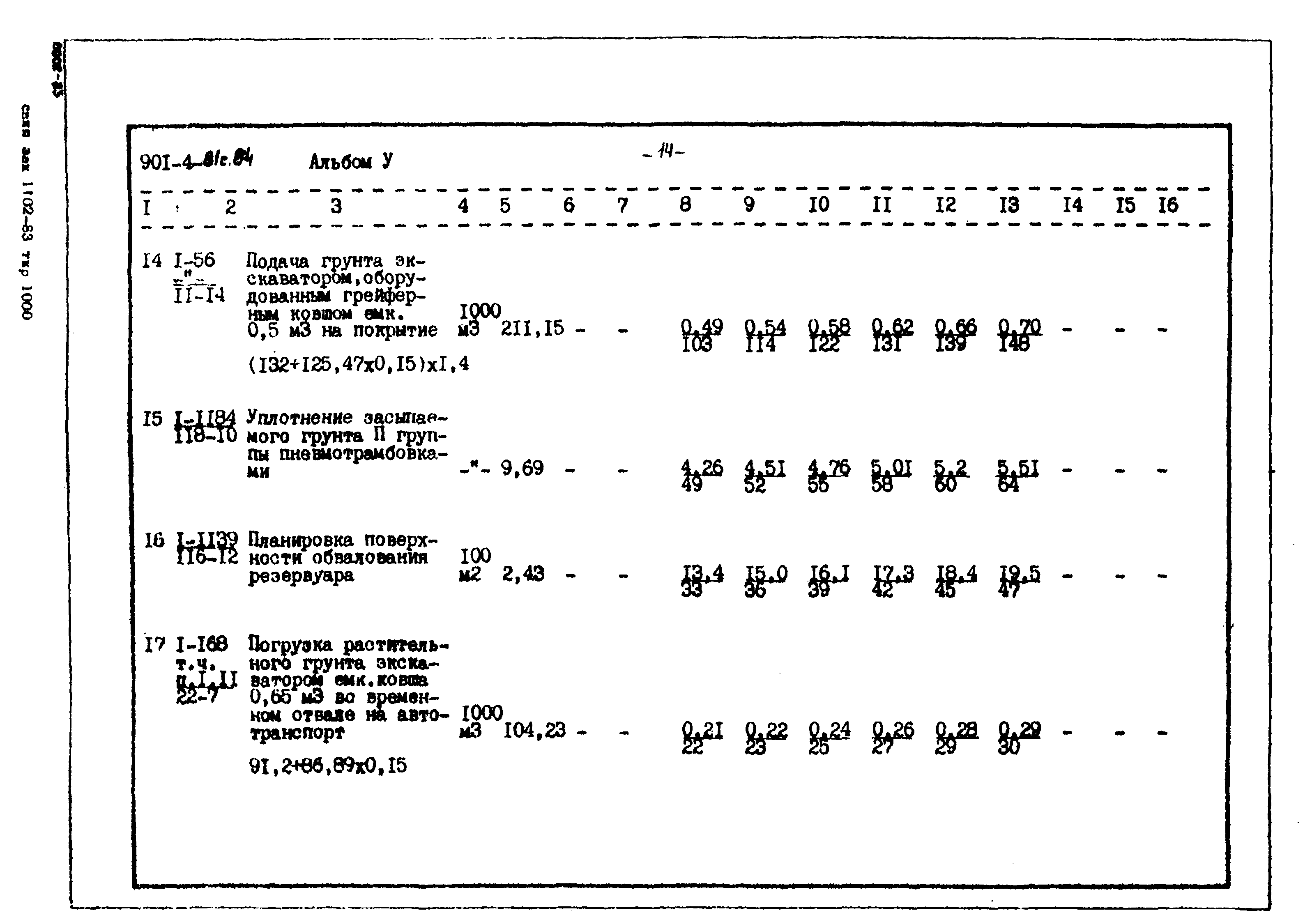
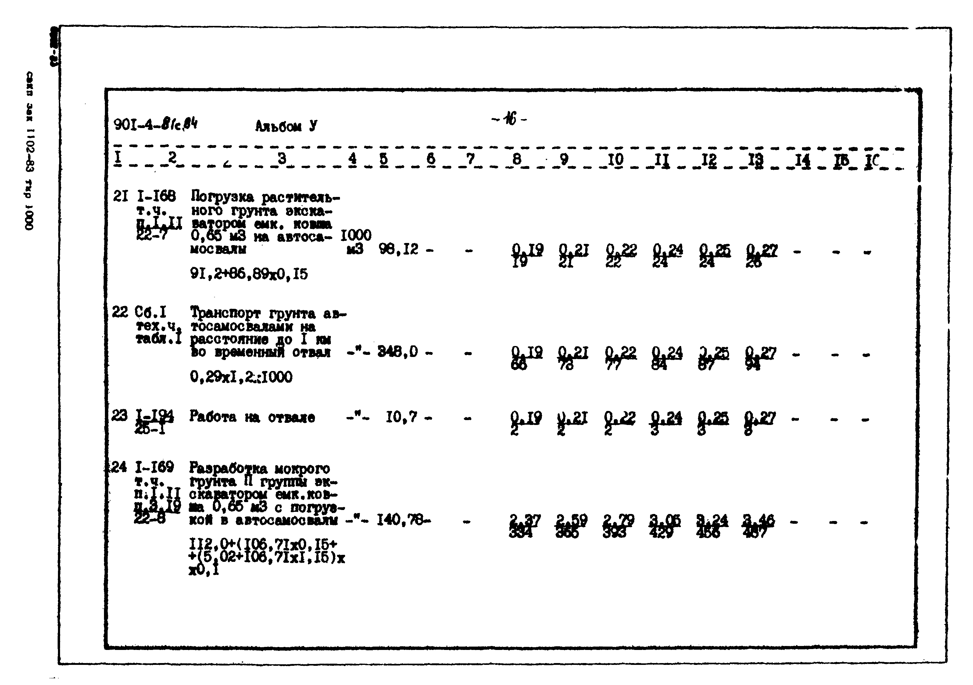
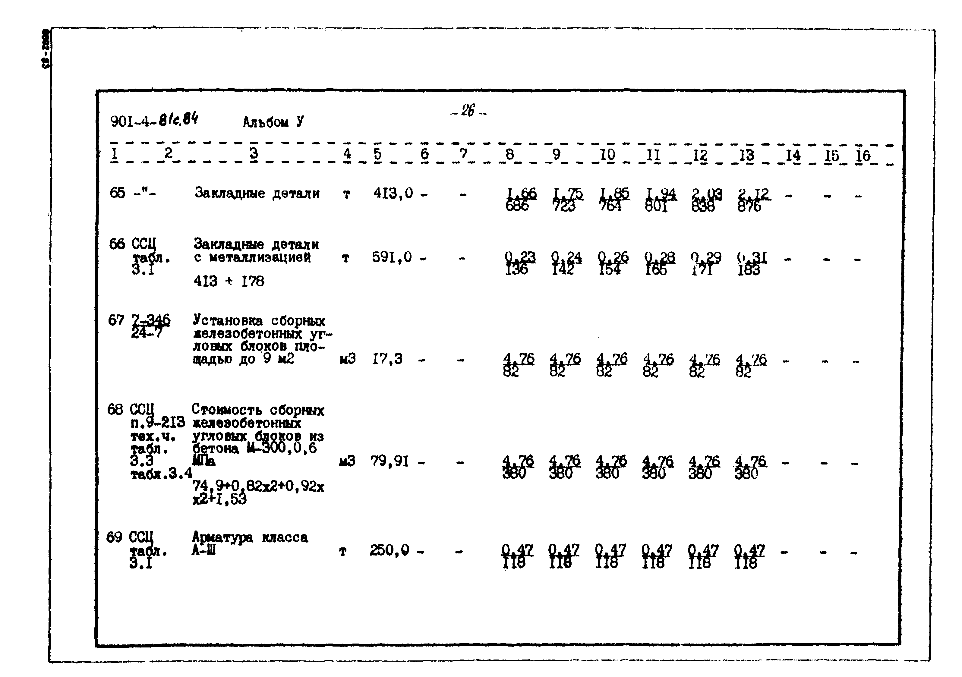
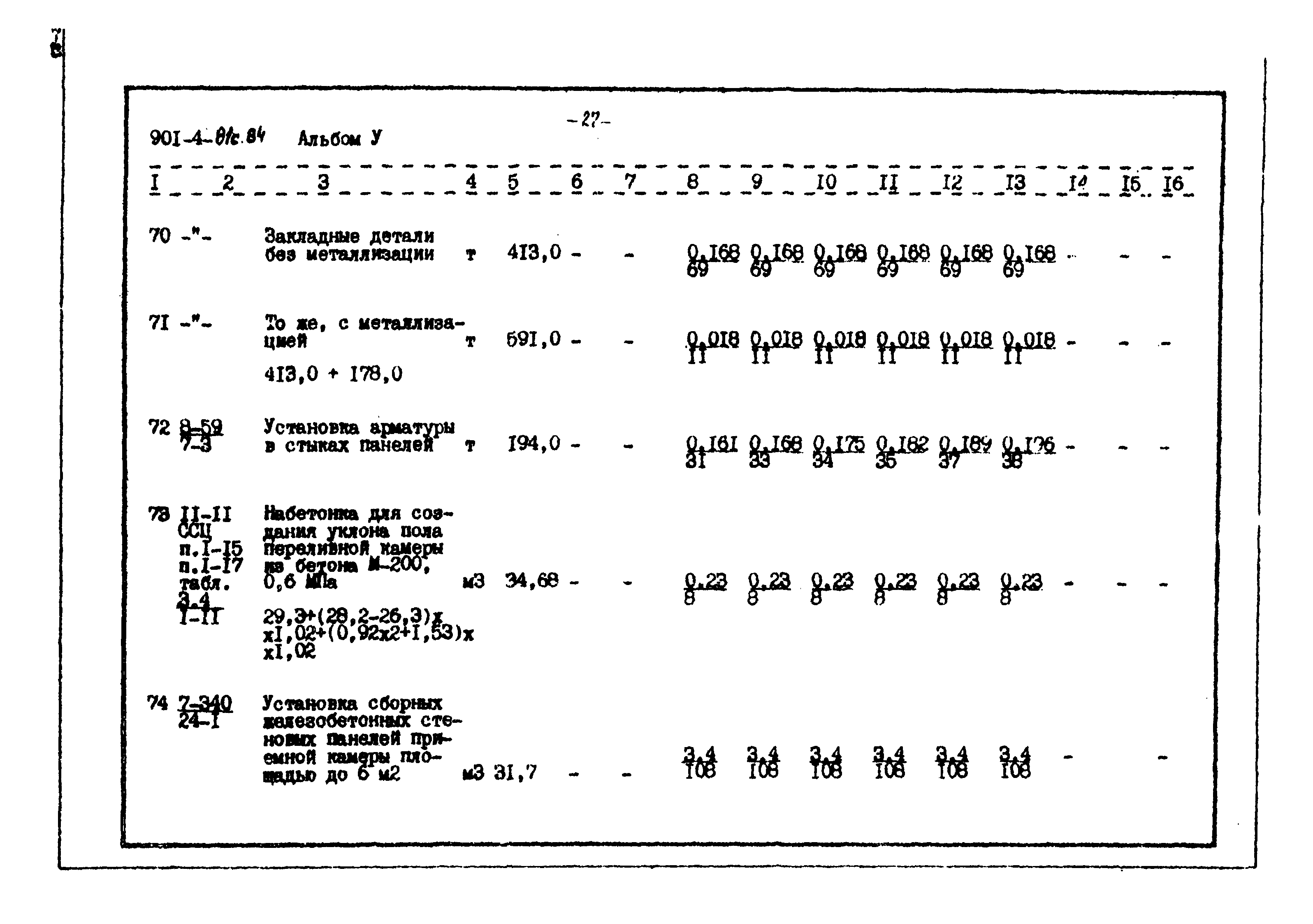
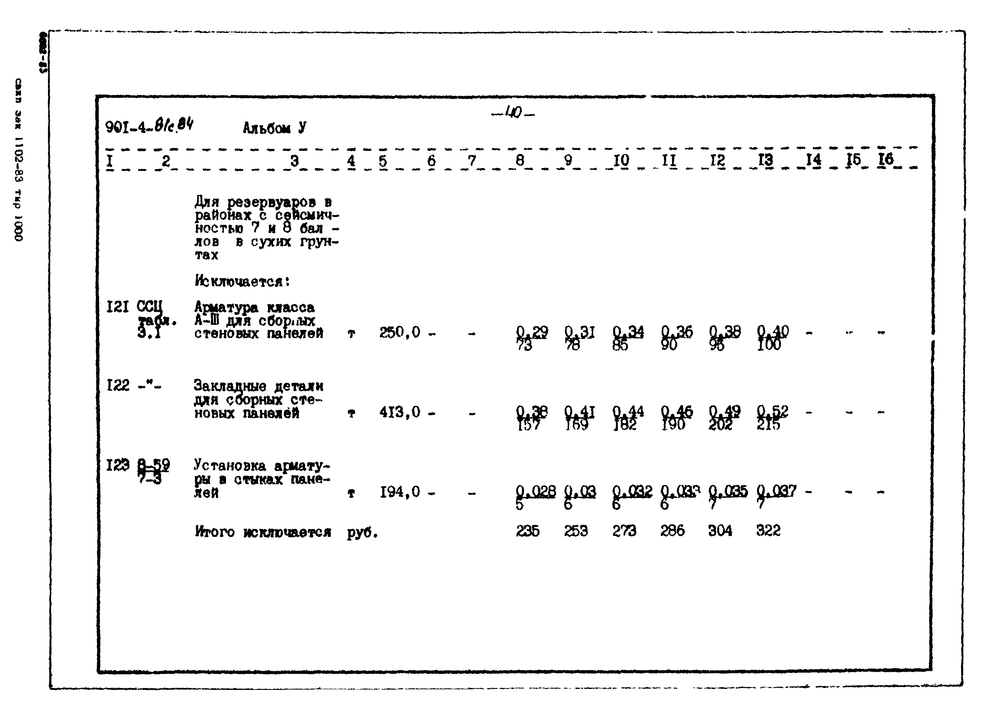
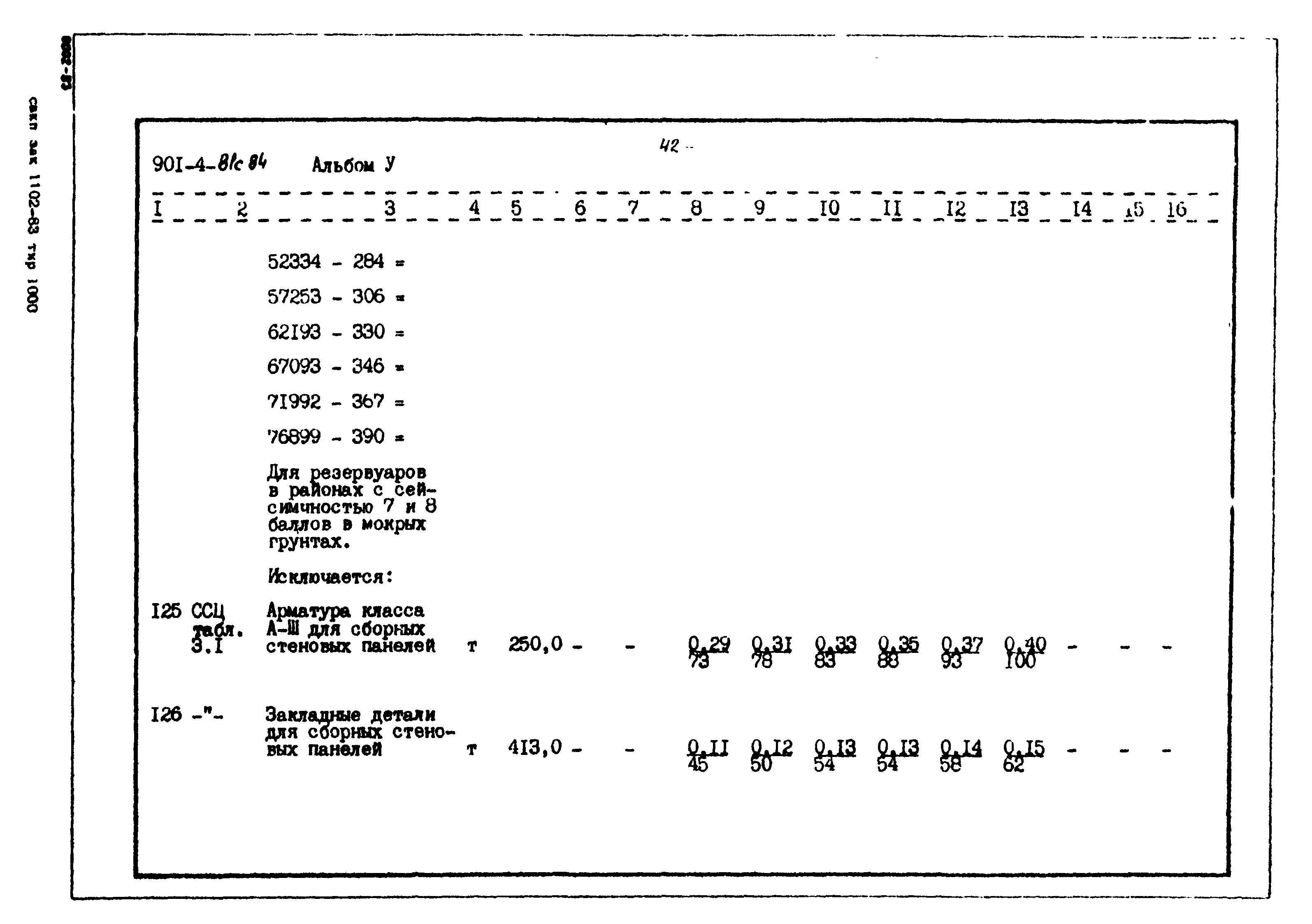
| Оглавление: | Пояснительная записка Сводка стоимостей Объектная смета Локальная смета №1 на общестроительные работы Единичная расценка №Д-1 Локальная смета №2 на приобретение и монтаж технологических трубопроводов в резервуаре емкостью 2600 куб. м Локальная смета №3 на приобретение и монтаж технологических трубопроводов в резервуаре емкостью 3000; 3300; 3600 куб. м Локальная смета №4 на приобретение и монтаж технологических трубопроводов в резервуаре емкостью 4000; 4300 куб. м Ведомость потребности в производственных ресурсах |
| Разработан: | Союзводоканалпроект |
| Утверждён: | 30.06.1982 Госстрой СССР (Государственный комитет Совета Министров СССР по делам строительства) (USSR Gosstroy 53) |






























































