Скачать Типовой проект 901-3-234.87 Альбом VI. Часть 2. Строительные изделия. Контактные камерыДата актуализации: 01.01.2021
|
| Обозначение: | Типовой проект 901-3-234.87 |
| Обозначение англ: | 901-3-234.87 |
| Статус: | не определен законодательством |
| Название рус.: | Альбом VI. Часть 2. Строительные изделия. Контактные камеры |
| Дата добавления в базу: | 01.09.2013 |
| Дата актуализации: | 01.01.2021 |
| Дата введения: | 13.02.1985 |
| Дата окончания срока действия: | 30.06.2003 |
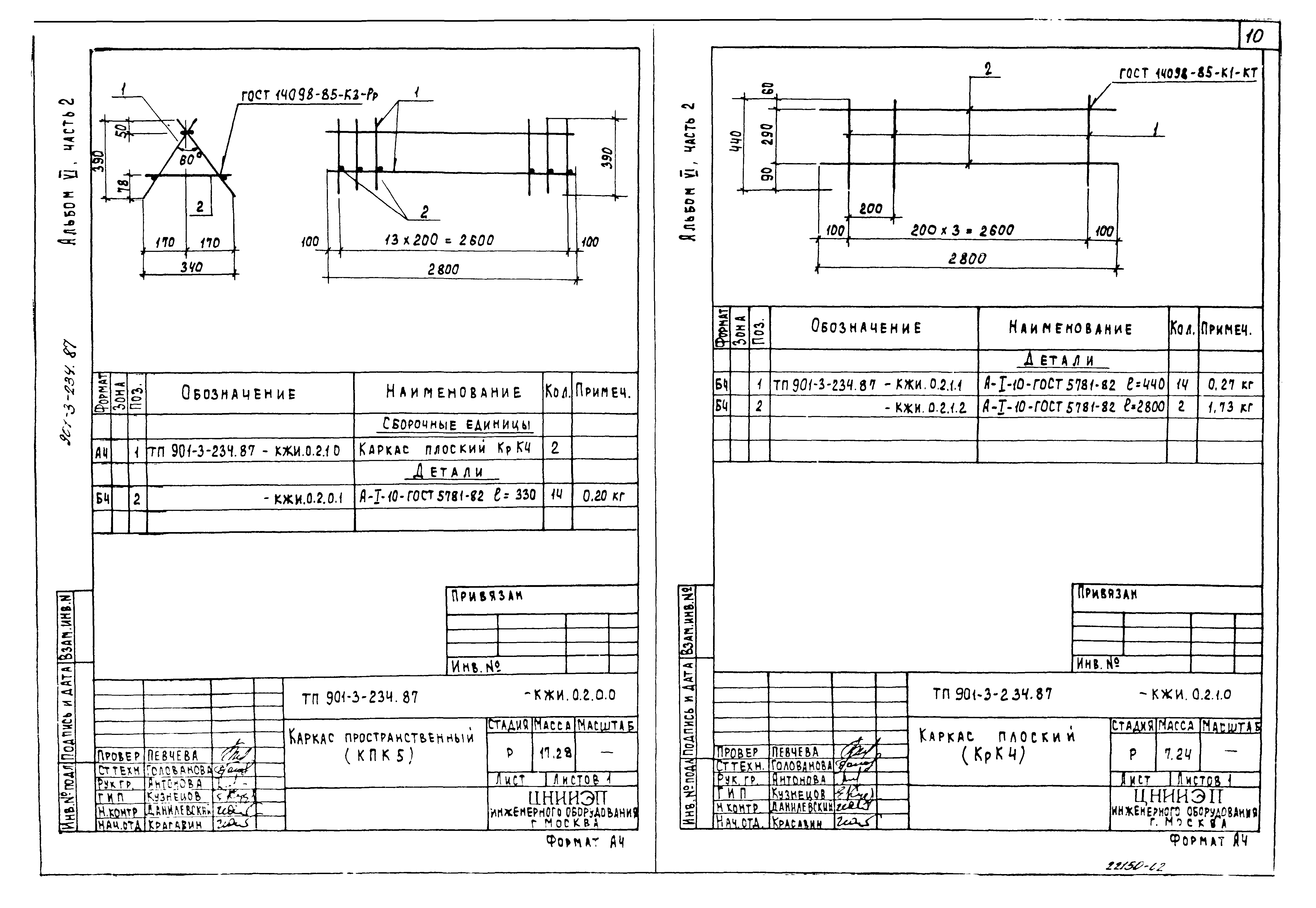
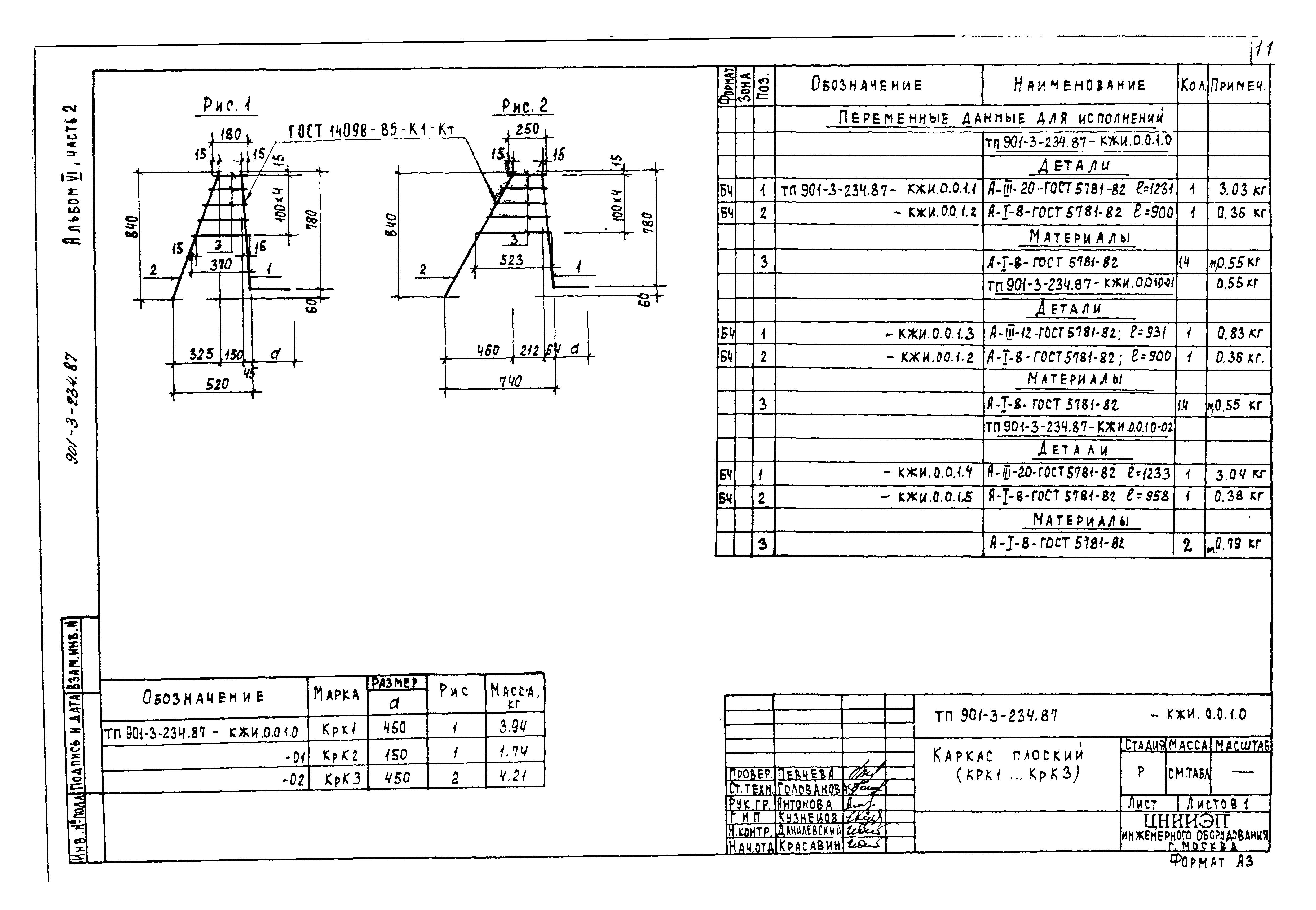
| Оглавление: | 901-3-234.87-КЖИ.1.0.0.0 Панель стеновая 901-3-234.87-КЖИ.1.0.0.0ВМС Ведомость расхода стали на дополнительные закладные изделия, на элемент, кг 901-3-234.87-КЖИ.1.0.0.0СБ Панель стеновая. Сборочный чертеж 901-3-234.87-КЖИ.2.0.0.0 Плита перекрытия 901-3-234.87-КЖИ.0.1.0.0 Каркас пространственный (КПК1 - КПК4) 901-3-234.87-КЖИ.0.2.0.0 Каркас пространственный (КПК5) 901-3-234.87-КЖИ.0.2.1.0 Каркас плоский (КРК4) 901-3-234.87-КЖИ.0.0.1.0 Каркас плоский (КРК1 - КРК3) 901-3-234.87-КЖИ.0.0.2.0 Сетка арматурная (СК1) 901-3-234.87-КЖИ.0.0.3.0 Сетка арматурная (СК2) 901-3-234.87-КЖИ.0.1.1.0 Сетка арматурная (СКК1 - СКК3) 901-3-234.87-КЖИ.0.1.2.0 Сетка арматурная (СКК4 - СКК6) 901-3-234.87-КЖИ.0.0.4.0 Изделие закладное (МН2; МН3) 901-3-234.87-КЖИ.2.0.1.0 Изделие закладное (МН4) |
| Разработан: | ЦНИИЭП инженерного оборудования |
| Утверждён: | 13.02.1985 Госгражданстрой (Gosgrazhdanstroy 43) |















